青岛垚鑫智能科技有限公司
宣传

位置:中冶有色 >

有色技术频道 >

> 复合材料技术

分类:
全部
矿山技术
冶金技术
材料制备及加工技术
环境保护技术
分析检测技术
 
全部
功能材料技术
复合材料技术
新能源材料技术
合金材料技术
加工技术
地区:
全部
北京
天津
上海
重庆
河北
山西
辽宁
吉林
黑龙江
江苏
浙江
安徽
福建
江西
山东
河南
湖北
湖南
广东
海南
四川
贵州
云南
陕西
甘肃
青海
内蒙
广西
西藏
宁夏
新疆
其他
其他
展开
 
全部
济南
青岛
淄博
枣庄
东营
烟台
潍坊
济宁
泰安
威海
日照
滨州
德州
聊城
临沂
菏泽

山东济南有色金属复合材料技术理论与应用

免费发布技术信息>>
基于石墨烯碳纳米管复合材料的电阻式相对湿度传感器

本发明公开了一种基于石墨烯碳纳米管复合材料的电阻式相对湿度传感器,包括衬底以及位于衬底上的敏感层,敏感层上印刷有一对电极,这一对电极均通过电极引线连接至欧姆表;敏感层为石墨烯碳纳米管复合材料,石墨烯碳纳米管复合材料通过化学气相沉积法直接沉积于衬底上。本发明结构简单可靠、成本低、易于实现批量生产,该相对湿度传感器便于携带且在反应时间、一致性、精确度等方面的指标均高于传统方式生产的湿度传感器。采用化学气相沉积法,实现了石墨烯碳纳米管复合材料的直接制备,简化了制备工艺,同时制备的石墨烯碳纳米管的形貌可控并且具有优异的光学及电学特性,而极大地促进的石墨烯碳纳米管复合材料的应用。

标签:
复合材料
山东 - 济南 来源:中冶有色网 2023-03-18
纤维增强玻璃基复合材料制备工艺

本发明涉及的纤维增强玻璃基复合材料制备工艺,采用制备树脂基复合材 料常用的铺层设计方法,直接以玻璃纤维或其织物作为玻璃基体,以耐热纤维 为增强材料,采用铺层、热压工艺制备玻璃基复合材料,主要过程包括材料预 处理、铺叠、热压致密化工序,与传统泥浆浸渍法和溶胶-凝胶法相比,显著简 化制备工艺,有效提高加工效率,降低能耗,加工过程不产生粉尘污染,特别 适用于高纤维含量增强玻璃基复合材料制备。采用本发明涉及的制备方法,赋 予玻璃基复合材料更好的可设计性,产品结构致密。

标签:
复合材料
山东 - 济南 来源:中冶有色网 2023-03-18
三维编织热塑性复合材料汽车轮圈

本实用新型涉及一种三维编织热塑性复合材料汽车轮圈,属于热塑性复合材料汽车结构部件领域,该汽车轮圈包括三部分组成:三维混杂纤维编织汽车轮毂、单向/三维混杂编织复合材料结构轮辐、缠绕/三维混杂编织复合材料结构轮辋。其中三维混杂纤维编织轮毂采用混杂纤维的多维度编织结构增强;单向/三维混杂编织复合材料结构轮辐其中芯部采用单向纤维热固性树脂拉挤成型骨架制备,外部利用三维混杂纤维编织结构增强;缠绕/三维混杂编织复合材料结构轮辋的芯部采用单向纤维热固性树脂缠绕成型形成骨架,外部利用三维编织结构增强。最终在织物结构整体成型后,通过热塑性树脂高温高压注射成型或采用特定低粘度热塑性树脂真空灌注一体成型。

标签:
复合材料
山东 - 济南 来源:中冶有色网 2023-03-18
石墨烯-钛酸铁-二氧化钛纳米纤维复合材料及其制备方法与应用

本发明涉及一种石墨烯‑钛酸铁‑二氧化钛纳米纤维复合材料及其制备方法与应用。本发明中石墨烯‑钛酸铁‑二氧化钛纳米纤维复合材料的主体为钛酸铁‑二氧化钛纳米纤维,钛酸铁‑二氧化钛纳米纤维的直径为100‑150nm,石墨烯广泛存在于纳米纤维复合材料中,并紧紧包覆在钛酸铁‑二氧化钛纳米纤维表面,所述的石墨烯‑钛酸铁‑二氧化钛纳米纤维复合材料是将钛酸铁‑二氧化钛纳米纤维复合材料与氧化石墨烯复合制得。本发明制备的石墨烯‑钛酸铁‑二氧化钛纳米纤维复合材料作为电池负极材料具有较高的充放电比容量,良好的循环稳定性和倍率性能,并且制备方法步骤简单,具有规模化生产的潜力。

标签:
复合材料
山东 - 济南 来源:中冶有色网 2023-03-18
高阻尼性树脂基矿物复合材料及其制备方法和应用

本发明提供了一种高阻尼性树脂基矿物复合材料及其制备方法和应用,属于复合材料技术领域。以质量百分含量计,高阻尼性树脂基矿物复合材料包括以下制备原料:骨料85~90%、粘合剂8~13%、橡胶颗粒0.5~1.5%和偶联剂0.1~0.5%。本发明通过在复合材料中添加一定量的橡胶颗粒,橡胶颗粒在复合材料中会形成“海‑岛”结构,能够有效的阻挡、吸收振动能量,所以阻尼效果明显。此外,“海‑岛”结构对复合材料的机械性能并未产生明显影响,保障了复合材料具有良好的物理性能。

标签:
复合材料
山东 - 济南 来源:中冶有色网 2023-03-18
改性Ppy-MXene复合材料及制备方法与应用

本发明公开了一种改性Ppy‑MXene复合材料及制备方法与应用,制备方法为:向MXene分散液中添加吡咯进行聚合反应获得Ppy‑MXene复合材料;将离子液体制备成水包离子液体微乳液;将水包离子液体微乳液与Ppy‑MXene复合材料的溶液进行混合,超声处理获得改性Ppy‑MXene复合材料。本发明制备的复合材料操作简单高效,原料廉价易得,无需复杂设备,在宽温度范围内具有优异的倍率性能和循环寿命。

标签:
复合材料
山东 - 济南 来源:中冶有色网 2023-03-18
双晶片结构压电纤维复合材料及其制备方法

本发明公开一种双晶片结构压电纤维复合材料,由上交叉指形电极、中间交叉指形电极、下交叉指形电极交叉指形、压电纤维和高分子聚合物构成,压电纤维和高分子聚合物交替排列,交替排列的压电纤维和高分子聚合物在压电纤维复合材料的厚度方向上为两层排布。本发明双晶片结构压电纤维复合材料,具有高柔韧性及优异的压电驱动特性,可以提供大量程的驱动变形能力;双晶片结构压电纤维复合材料集压电纤维、聚合物及交叉指形电极于一体,集成度高,便于操作及使用;此外,双晶片结构压电纤维复合材料采用切割‑填充法制备,工艺简单,成本低廉,生产周期短,产品性能稳定。

标签:
复合材料
山东 - 济南 来源:中冶有色网 2023-03-18
壳聚糖/ZIF-8复合材料及其制备方法与应用

本发明涉及了一种壳聚糖ZIF‑8复合材料及其制备方法与应用。所述壳聚糖/ZIF‑8复合材料的微观形貌为壳聚糖相互交结在一起,形成三维网络状结构,ZIF‑8纳米颗粒均匀负载在三维网络状结构的壳聚糖上。本发明还提供上述壳聚糖/ZIF‑8复合材料的制备方法:(1)制备壳聚糖微球;(2)制备壳聚糖/ZIF‑8复合材料。本发明制备的壳聚糖/ZIF‑8复合材料结合了壳聚糖和ZIF‑8的优点,通过其独特的三维网络状结构和活性官能团之间的氢键,静电相互作用,π‑π共轭和金属配位效应,对污水中有机物、阴离子的吸附能力和吸附效率远远高于纯壳聚糖微球和过量负载ZIF‑8纳米颗粒的壳聚糖微球。

标签:
复合材料
山东 - 济南 来源:中冶有色网 2023-03-18
树脂基复合材料热模压固化变形的测试装置及装置的制备和使用方法

本发明涉及一种树脂基复合材料热模压固化变形的测试装置及装置的制备和使用方法,包括树脂基复合材料预浸料和中间布设的FBG传感器,在第n层沿着纤维轴线方向铺设FBG传感器作应变传感器,在第n层或者第n+1层或者第n-1层铺设作为温度补偿的参考传感器,模具侧壁框板上设有引线沟槽,表面覆有耐高温高分子薄膜,传感器的引线从引线沟槽中引出且与信号接收器接通,闭合模具,热压成型,实现固化成型在线实时监测。本发明解决FBG传感器在复合材料热模压固化变形监测时栅区脆弱易断以及在封闭的全刚性热模压模具中若引线不当则造成监测信号不能有效传输的问题,同时针对内植FBG传感器的复合材料结构件和全刚性模具的脱离困难问题。

标签:
复合材料
山东 - 济南 来源:中冶有色网 2023-03-18
纳米晶巨磁阻抗复合材料及其制备方法

纳米晶巨磁阻抗复合材料属于信息功能材料领域。本发明采用高真空技术,先将铁基软磁合金和高导电材料铜或银组合成层状复合材料,然后,进行真空退火热处理,把磁性层的晶粒尺度控制在几十纳米的范围。它克服了传统软磁合金薄膜磁阻抗效应弱、工作频率高的缺点,简化了后序处理工艺。这种纳米晶复合材料具有磁阻抗效应强、灵敏度高、工作频率低等优点。

标签:
复合材料
山东 - 济南 来源:中冶有色网 2023-03-18
氧化铝基陶瓷复合材料的制备方法

本发明属于陶瓷材料领域,涉及一种高硬度、高韧性氧化铝基陶瓷复合材料的制备方法。本发明的特征是:首先在普通中频感应炉中制备铝钛碳中间合金,再将铝钛碳中间合金、氧化铝、氧化锆按铝钛碳中间合金6-8%、氧化铝84-93%、氧化锆1-8%的质量百分比混合球磨,制得混合粉体;然后将混合粉体材料在氮气气氛热压烧结。用该方法制备的氧化铝基陶瓷复合材料,硬度高、韧性好,晶粒尺寸细小,具有优良的室温和高温力学性能及耐磨性。该陶瓷复合材料适合于制作高温以及对耐磨性要求较高的模具、喷沙嘴、刀具等。

标签:
复合材料
山东 - 济南 来源:中冶有色网 2023-03-18
非粘结性超高韧性水泥基复合材料功能梯度梁

本实用新型公开了一种非粘结性超高韧性水泥基复合材料功能梯度梁,它解决了现有技术中对于混凝土梁的裂缝宽度无法有效控制的问题,通过特定的界面处理,将混凝土层与超高韧性水泥基复合材料保护层进行层间分离,消除层间粘结问题,使两层可相对滑动,避免宏观裂缝的产生,有效抑制裂缝宽度扩展,其技术方案为:包括上下分层邻接设置的混凝土层和超高韧性水泥基复合材料保护层,所述混凝土层和超高韧性水泥基复合材料层的交界面处设置薄膜隔离层,所述超高韧性水泥基复合材料层内部设置碳纤维网。

标签:
复合材料
山东 - 济南 来源:中冶有色网 2023-03-18
复合材料构件内部金属连接件孔定位方法

本发明涉及复合材料构件检测方法,尤其涉及一种复合材料构件内部金属连接件孔定位方法。本发明提出涡流检测方法进行复合材料构件(1)内部预埋金属件(2)的连接孔(3)位置,能够快速、准确的对内部连接孔(3)进行定位。其原理:把复合材料构件内部预埋金属件的连接孔作为金属中的缺陷,通过涡流检测方法对连接孔进行检测并确定连接孔(3)的边缘位置。此方法能够较为精确的确定内埋金属件的连接孔位置,定位精度达到0.2mm。制作的标准检测对比试块能够较为准确的在复合材料表面确定金属孔位置,边缘圆孔的圆心在复合材料层边缘,内部圆孔的轴与复合材料小孔的轴重合。

标签:
复合材料
山东 - 济南 来源:中冶有色网 2023-03-18
基于复合材料的装配式重载交通道路路面铺装结构

本发明公开了一种基于复合材料的装配式重载交通道路路面铺装结构,属于道路铺装技术领域。所述铺装结构包括基层,其特点是基层顶面自下而上铺筑有沥青胶砂层、装配式复合材料结构层,所述的装配式复合材料结构层由若干块复合材料路面预制块拼装铺筑而成,预制块与沥青胶砂层之间通过0.5‑1cm乳化沥青粘油层进行粘结,预制块之前通过聚氨酯复合材料进行粘结,所述复合材料路面预制块由基体高粘性弹性沥青混合料和聚氨酯复合材料预制而成。与现有技术相比,本发明的路面铺装结构厚度低、抗车辙性能显著,施工工期短、养护便捷等方面具有很好的推广应用价值。

标签:
复合材料
山东 - 济南 来源:中冶有色网 2023-03-18
AlN与MgB<sub>2</sub>颗粒增强镁基复合材料及其制备方法

本发明涉及一种AlN与MgB2颗粒增强镁基复合材料及其制备方法。该镁基复合材料基体上均匀分布原位生成的纳米级AlN与亚微米级MgB2;AlN的质量百分比为5.0~30.0,尺寸为10~100nm;MgB2的质量百分比为2.0~20.0,尺寸为0.2~0.8μm。其制备方法是:按比例配制原料,在氩气氛围下,先将镁粉和铝粉低速球磨12~48h,再将其同氮化硼粉和石墨烯一起高速球磨0.5~8h,然后将两步球磨后的物料除气包套,在冷/热等静压机中压制成预制体,并利用真空烧结炉在450~680℃保温10~180min,即可获得AlN与MgB2颗粒增强镁基复合材料。本发明的制备方法安全可靠。

标签:
复合材料
山东 - 济南 来源:中冶有色网 2023-03-18
异形复合材料制品的制造方法

本发明属于复合材料加工技术领域,本发明涉及的异形复合材料制品制造方法,采用与目标产品外形相近的预编织织物罩作为增强材料,直接铺层,按通用复合材料成型工艺成型,经后处理得到异形复合材料产品。无需织物裁切,避免了增强材料的浪费,材料有效利用率可达95%以上;主体增强材料无搭接,无补强,不存在结构薄弱点,产品性能稳定,质量一致性好。本发明涉及的异形复合材料制品制造方法,适用于异形结构复合材料制品的制造,特别是大型异型复合材料构件的制造加工。

标签:
复合材料
山东 - 济南 来源:中冶有色网 2023-03-18
复合材料层合板冲击响应建模方法

本发明涉及材料领域,提供了一种复合材料层合板冲击响应建模方法,包括:计算Hertz接触刚度kc;获取所述复合材料层合板的压痕深度hc,并计算所述复合材料层合板与冲击物之间的接触载荷Fimp;然后利用拉格朗日形式的光滑粒子动力学SPH离散方法,计算所述复合材料层合板的运动,并计算冲头纵向加速度本发明根据复合材料层合结构接触力与压痕的关系,建立层合板冲击响应SPH模型,分析层合板和冲头的位移变化,建立层合板受冲击时产生的损伤形式及其扩展方式,实现了对复合材料层冲击响应的数值监测。

标签:
复合材料
山东 - 济南 来源:中冶有色网 2023-03-18
碳纤维复合材料支架
碳纤维复合材料支架 754     
 0

本发明公开了一种碳纤维复合材料支架,包括多个杆体和多个杆体接头,多个杆体和多个杆体接头组装成设定形状的支架;所述杆体采用树脂基纤维编织骨架增强结构;所述杆体接头上设置有至少一个接口,每个接口内部固定设置有与杆体配合连接的内嵌件,内嵌件采用混杂纤维编织结构增强的树脂基复合材料制备而成;杆体上的树脂基体与内嵌件上的树脂基体一同浸渍固化制备而成。本发明的支架包括纤维增强树脂复合材料杆体和杆体接头两部分组成,其中碳纤维复合材料支撑杆由以碳纤维为基础的混杂纤维制备,碳纤维复合材料杆体接头采用内嵌件的混杂复合材料结构制备。该支架结构简单,可广泛用于各种设备的框架搭建与成型。

标签:
复合材料
山东 - 济南 来源:中冶有色网 2023-03-18
缠绕成型碳纳米管增强复合材料成型方法与装置

本发明公开了一种缠绕成型碳纳米管增强的复合材料成型方法及其所用装置。缠绕成型过程中,将碳纳米管释放装置放置于缠绕装置的胶槽和芯模之间,浸胶纱束的一侧,当浸胶纱束经过时,碳纳米管释放装置朝着浸胶纱束侧面释放碳纳米管,碳纳米管运动一段距离后粘附在浸胶纱束的边界表面处,随后将该浸胶纱束缠绕到芯模上固化成型,以此制成的复合材料产品可有效增强其边界、面内及层间的力学强度。另外,本发明涉及的缠绕成型碳纳米管增强复合材料产品成型方法,工艺稳定性好,易于控制,适用于湿法缠绕成型工艺;本发明涉及的成型装置,构造简单,投资少,使用方便。

标签:
复合材料
山东 - 济南 来源:中冶有色网 2023-03-18
农业剩余物/塑料复合材料用高分子偶联剂的制备方法

本发明涉及农业剩余物/塑料复合材料用高分子偶联剂的制备方法,属化学偶联剂技术领域。其制备方法包括以下步骤:(1)多元共聚丙烯酸酯水乳液的合成;(2)聚氨酯预聚体的合成;使用时多元共聚丙烯酸酯水乳液和聚氨酯预聚体按重量比10∶1~10共混搅拌均匀即可。该方法生产成本低,制得的高分子偶联剂对农业剩余物/塑料复合材料原材料表面涂敷均匀,显着改善农业剩余物/塑料复合材料力学性能。

标签:
复合材料
山东 - 济南 来源:中冶有色网 2023-03-18
梯度增强的钛基复合材料制备方法

本发明提供一种梯度增强的钛基复合材料制备方法,包括以下步骤:将钛球粉+TiB2+酒精混合,并在具有惰性保护气体的球磨罐中进行低能球磨;球磨后的混合粉料在真空干燥炉内干燥;利用液压机对混合粉料进行梯度复合压坯;然后将钢包套盖焊接到钢包套顶端;将钢锭放入高温箱内进行预烧结,后取出放置在空气冷却至室温;将预烧结后的钢锭放置在高温炉中保温,取出后迅速在挤压机中挤压,得到钛基复合材料的挤压棒材。本发明提供的梯度增强的钛基复合材料制备方法,能够快速制备梯度增强的钛基复合材料,消除了复合材料两者间的界面,既发挥了钛合金的韧性优势又发挥了钛基复合材料的耐高温和高强优势,提高了耐热性和机械性能。

标签:
复合材料
山东 - 济南 来源:中冶有色网 2023-03-18
汽车天然纤维复合材料柱饰板的级进模压工艺及装置

本发明公开了一种环保型汽车B类天然纤维复合材料柱饰板的级进模压工艺及装置。该类柱饰板较为狭长,具有较规则的几何形状,由于需要安装可调高度的安全带,存在较长冲孔。根据汽车B类类天然纤维复合材料柱饰板的成型特点,设计四工位级进模具。具体的操作为:在第一工位,加热芯层纤维毡;在第二工位,在加热面层纤维毡的同时对芯板模压成型;在第三工位,面板和芯板模压成型粘接在一起;在第四工位,进行冲孔和落料操作得到顶棚内饰板。该生产工艺克服了汽车B类天然纤维复合材料柱饰板复合模具结构复杂、成本高、效率低的缺点,有利于自动化生产。

标签:
复合材料
山东 - 济南 来源:中冶有色网 2023-03-18
聚合物基复合材料
聚合物基复合材料 1176     
 0

本发明涉及一种介电材料,特别涉及一种介电常数可调的聚合物基复合材料。所述的复合材料内掺杂有氧化石墨烯。本技术方案中在热固性树脂中掺杂氧化石墨烯,调整复合材料的介电常数,由于复合材料的介电常数对氧化石墨烯的掺杂量比较敏感,所以通过氧化石墨烯的掺杂量的微量调整,即可实现复合材料介电常数的较宽范围调整,客观上与现有技术相比,降低了复合材料的密度。同时可以对氧化石墨烯进行表面改性,提高氧化石墨烯与树脂的结合力,从而提高了复合材料的力学性能。

标签:
复合材料
山东 - 济南 来源:中冶有色网 2023-03-18
碳纤维增强树脂基复合材料的结构损伤检测方法

本发明提供一种碳纤维增强树脂基复合材料的结构损伤检测方法,包括如下步骤:获取Lamb对复合材料样本进行激励后的响应信号作为样本信号;利用所述样本信号对机器学习算法进行训练得到损伤判别模型;获取Lamb对待检测复合材料进行激励后的响应信号作为待判别信号;采用所述损伤判别模型与所述待判别信号对所述待检测复合材料的损伤结果进行判别。采用本发明中的方法可以无损伤的对碳纤维增强树脂基复合材料材料进行损伤检测,同时避免了人为主观意识影响,提高了碳纤维增强树脂基复合材料损伤检测的准确性。

标签:
复合材料
山东 - 济南 来源:中冶有色网 2023-03-18
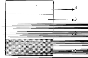
高强耐磨复合材料及在双进双出磨机分离器上的应用

本发明公开了一种高强耐磨复合材料,所述高强耐磨复合材料以高铝矾土熟料刚玉、莫来石和碳化硅等为骨料,采用磷酸铝作结合剂、高强铝酸盐水泥为固化剂配置而成。还公开了一种高强耐磨复合材料在双进双出磨机分离器上的应用,所述分离器壳体1的材料为16Mn,采用锚板2加钢板网3固定高强耐磨复合材料层4在分离器壳体1上附着。并公开了一种高强耐磨复合材料的施工方法,其将高强耐磨复合材料按比例反复搅拌均匀,以涂抹方式为主,用皮锤敲打保证密实度。本发明高强耐磨复合材料具有耐磨、耐高温、耐压耐折强度高,施工方便,应用于双进双出磨机分离器上,可增强分离器的耐磨性,有效地提高分离器的使用寿命。

标签:
复合材料
山东 - 济南 来源:中冶有色网 2023-03-18
复合材料力学性能试样加强片粘接工装和方法

本发明总体上属于复合材料加工领域,涉及一种复合材料力学性能试样加强片粘接工装和方法。现有的加强片粘接工装针对不同的试样分别设计专用的加强片粘接工装,通用性差,成本较高。本发明在下模板的上端面具有向内施压的上压条和下压条,在上压条和下压条内侧附近区域具有上压块和下压块;上齿板和下齿板放置在上压块和下压块之间,上齿板在内的边缘具有矩形齿,下齿板在内的边缘具有矩形齿,且两部分矩形齿啮合,上齿板和下齿板的间距可调;复合材料试样沿长度方向铺放在上齿板和下齿板的上端面,复合材料试样两端超出上齿板和下齿板外缘的部分。复合材料力学性能试样加强片的粘接效率大幅度提高;工装对复合材料力学性能试样的通用性较好。

标签:
复合材料
山东 - 济南 来源:中冶有色网 2023-03-18
复合材料易碎盖设计及制造方法

本发明公开了一种复合材料易碎盖设计及制造方法。本发明根据复合材料易碎盖实际工况条件,以典型特征的形状、尺寸及厚度为设计变量,正交化设计对应的多种复合材料易碎盖结构,借助有限元设计手段,优化设计出符合要求的复合材料易碎盖结构,确定合适的树脂体系、承载结构和薄弱区的铺层设计,实现复合材料易碎盖既能承受压力和冲击,又能在需要时顺利被冲破的目的。本发明涉及的复合材料易碎盖制备方法,操作简单,连续纤维增强材料裁剪方便,薄弱区不需二次加工成型,制造效率高。

标签:
复合材料
山东 - 济南 来源:中冶有色网 2023-03-18
锑或铋均匀分布于钛基化合物中的复合材料及其制备方法与应用

本发明涉及一种锑或铋均匀分布于钛基化合物中的复合材料及其制备方法与应用,该方法将锑源或铋源分散于溶剂中,加入钛酸丁酯(TBT)和氨水进行水解,水解后热处理,得到锑或铋均匀分布于钛基化合物中的复合材料。本发明的合成方法具有普适性,不仅对SbPO4适用,对Sb的氧化物和硫化物,以及Bi的磷酸盐也适用,得到的复合材料为锑或铋均匀分布于钛基化合物中,均呈布丁状结构。用做钠离子电池负极材料,具有很好的循环和倍率性能。在0.5Ag‑1的电流密度下,循环1000圈,还有93%的容量保持率。为金属与钛基的复合材料的大规模生产提供了理论支持。该类结构材料不仅可以用作电极材料,还可以应用于其他领域。

标签:
复合材料
山东 - 济南 来源:中冶有色网 2023-03-18
羟基磷灰石/碳纳米管复合材料及其制备工艺

本发明涉及一种羟基磷灰石与碳纳米管的复合材料及其制备工艺。该复合材料主要由羟基磷灰石和碳纳米管两部分组成。工艺过程为先采用化学沉淀法合成羟基磷灰石,不经过固液分离过程,直接与碳纳米管复合制备出羟基磷灰石-碳纳米管复合材料。该复合材料具有良好的机械性能和生物相容性,同时具有一定的磁性及吸波性,可用于人体骨的修复、替换及骨科疾病的体外物理治疗等方面,并在人体承重骨及磁性和吸波材料方面具有应用潜力。

标签:
复合材料
山东 - 济南 来源:中冶有色网 2023-03-18
智能监控三维复合材料耐压气瓶及其制备方法

本发明公开了一种智能监控三维复合材料耐压气瓶及其制备方法,涉及新型复合材料耐压容器领域。所述智能监控三维复合材料耐压气瓶包括金属内胆层、塑形界面层、表面三维编织复合材料层和介质出入口,其中:金属内胆层为整体无缝结构;塑形界面层位于金属内胆层和表面三维编织复合材料层的中间,设置有应变感应装置,该应变感应装置设置其厚度中间位置;表面三维编织复合材料层位于耐压气瓶最外表面,包括筒身段和封头段,也设置有应变感应装置,该应变感应装置设置在其厚度中间或表面位置。本发明的耐压气瓶既消除了二维复合材料层间力学薄弱点,又可实时监控耐压气瓶使用过程中不同部位的微小形变量,预测耐压气瓶的使用寿命和危险报警。

标签:
复合材料
山东 - 济南 来源:中冶有色网 2023-03-18
上一页 63 64 65 66 67 ... 72 下一页
共72页    到第

中冶有色为您提供最新的山东济南有色金属复合材料技术理论与应用信息,涵盖发明专利、权利要求、说明书、技术领域、背景技术、实用新型内容及具体实施方式等有色技术内容。打造最具专业性的有色金属技术理论与应用平台!

全国热门有色金属设备推荐
展开更多 +
全国热门有色金属技术推荐
展开更多 +

 

江西省隆恩特环保设备有限公司
宣传

报名参会
更多+

报告下载

有色专家
更多+

湖南有色金属研究院
教授级高工/原总工程师
赣州江钨钨合金有限公司
工程师
中国矿业大学
副院长/教授
广东省科学院工业分析检测中心
副主任
南京理工大学、中国科学院
院士
赤泥综合利用研究报告2025
推广

热门技术
更多+

推荐企业
更多+

福建省金龙稀土股份有限公司
宣传

发布

在线客服

公众号

电话

顶部
咨询电话:
010-88793500-807