青岛垚鑫智能科技有限公司
宣传

位置:北方有色 >

有色技术频道 >

分类:
全部
矿山技术
冶金技术
材料制备及加工技术
环境保护技术
分析检测技术
 
全部
废水处理技术
大气治理技术
固/危废处置技术
土壤修复技术
地区:
全部
北京
天津
上海
重庆
河北
山西
辽宁
吉林
黑龙江
江苏
浙江
安徽
福建
江西
山东
河南
湖北
湖南
广东
海南
四川
贵州
云南
陕西
甘肃
青海
内蒙
广西
西藏
宁夏
新疆
其他
其他
展开
 
全部
南京
无锡
徐州
常州
苏州
南通
连云港
淮安
盐城
扬州
镇江
泰州
宿迁

江苏南通有色金属环境保护技术理论与应用

免费发布技术信息>>
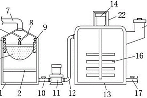
尿嘧啶生产用废水处理装置

本实用新型公开了一种尿嘧啶生产用废水处理装置,包括支撑座、支撑台、处理箱和出液管,所述处理箱上侧面设置有第二顶盖,且第二顶盖通过限位螺丝与处理箱相连接,同时处理箱上端贯通有输液管,所述输液管下端通过第二连接螺丝与第二顶盖相连接,且输液管上端通过第三连接螺丝与第二连接管相连接,所述处理箱内部左右两侧面均设置有限位件,且限位件内部分别设置有过滤网、聚丙烯纤维网和不锈钢金属网。本实用新型设置有过滤网、聚丙烯纤维网和不锈钢金属网,在使用该废水处理装置对尿嘧啶生产废水进行处理时,通过废水分别经过过滤网、聚丙烯纤维网和不锈钢金属网的过滤处理作用,让废水处理效果更好。

标签:
废水处理
江苏 - 南通 来源:北方有色网 2023-03-19
嘧菌酯中间体产生的含磷废水的资源化利用方法

本发明提供了一种嘧菌酯中间体产生的含磷废水的资源化利用方法,所述资源化利用方法包括如下步骤:(1)调节含磷废水的pH值为2‑8,得到调节废水;(2)蒸发浓缩步骤(1)所得调节废水,然后进行固液分离,得到氯化钠固体与磷酸二氢钠溶液;(3)煅烧步骤(2)所得磷酸二氢钠溶液,得到六偏磷酸钠产品。本发明提供的资源化利用方法能够实现对嘧菌酯中间体产生的含磷废水的利用,并将其中的磷酸三钠转化为硫酸二氢钠,进而可以得到六偏磷酸钠产品,所述资源化利用方法工艺简单,其能够使含磷废水中磷的回收率在95%以上。

标签:
废水处理
江苏 - 南通 来源:北方有色网 2023-03-19
废水回用设备
废水回用设备 1023     
 0

本实用新型公开了一种可将超纯水生产过程中产生的废水回收再利用的废水回收设备,其结构包括:废水回收水箱、低压水泵、过滤器、高压水泵和反渗透水处理系统,废水回收水箱的出水口通过管路、以及设置在该管路上的低压水泵与所述过滤器的输入口相连,所述过滤器的输出口通过管路、以及设置在该管路上的高压水泵与所述的反渗透水处理系统的输入口相连,反渗透水处理系统还设置有达标水出口、未达标水出口和浓缩废水排放口,反渗透水处理系统在达标水出口处设置有电导测试探头,反渗透水处理系统的未达标水出口与所述的废水回收水箱相连通。通过该设备使超纯水系统中产生的废水,再次回收,使水质达到原水要求,具有节能环保及降低成本的特点。

标签:
废水处理
江苏 - 南通 来源:北方有色网 2023-03-19
石油化工废水处理方法

一种石油化工废水处理方法,它涉及石油化工技术领域;它的处理方法为:步骤一:对石油化工废水进行收集,并将其沉淀,沉淀后将废水表面的漂浮物进行过滤,然后采用反渗透法进行反渗透浓水和反渗透清水;步骤二:将步骤一中的反渗透浓水进行好氧微生物处理;步骤三:将步骤一中的反渗透清水进行好氧生物处理;步骤四:对步骤二与步骤三中处理的浓水与清水进行检测,当检测不合格时,进行二次处理;步骤五:将步骤四中处理的废水进行杀菌处理,且通过过滤器过滤将其排出;它能将废水彻底的处理干净并排出,而且操作时间短,节省能源。

标签:
废水处理
江苏 - 南通 来源:北方有色网 2023-03-19
滤板组合运动的恒压冶金废水过滤设备

本发明涉及冶金废水过滤领域,具体涉及一种滤板组合运动的恒压冶金废水过滤设备。包括壳体、出水筒、滤板、清洁结构和调节环,调节环上端设有具有高度差的调节滑槽;滤板下端设有支杆与调节滑槽滑动配合,清洁结构包括竖直设在滤板外侧驱动端处的刮板,当滤板上杂物过多时,冶金废水对滤板的水压增大,驱动滤板沿调节滑槽克服重力等向下阻力后沿调节滑槽向上移动的同时向外移动,一方面使得滤板围成多边形收缩,过滤面积减小,另一方面使刮板随相邻滤板的从动端移动实现与滤板相对移动后刮掉滤板上的杂物,清理结束后,滤板沿调节滑槽复位继续进行过滤,从而实现自适清理滤板上杂物,提高冶金废水的过滤效率。

标签:
废水处理
江苏 - 南通 来源:北方有色网 2023-03-19
染色废水的前处理工艺

一种染色废水的前处理工艺,向待处理染色废水中通入O3,每1L废水中通入10~30gO3,停留10~15min;然后调节pH至4~6,加入脱色剂,搅拌30~60min,出水;其中所述脱色剂为壳聚糖与活性炭按质量比2~4 : 1的混合物,脱色剂的加入量为每1L废水中加入5~10g。所述脱色剂中壳聚糖与活性炭按质量比3 : 1混合。每1L废水中通入20gO3。每1L废水中加入8g。本发明通过臭氧氧化,然后絮凝脱色完成前处理,处理后的染色废水COD去除率可达70%以上,脱色率达到80%以上,大大提高了后续过程的可生化性,经过前处理后的出水再进入下一步处理,可以明显提高处理效率,降低处理成本。

标签:
废水处理
江苏 - 南通 来源:北方有色网 2023-03-19
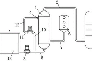
淬火废水处理装置
淬火废水处理装置 880     
 0

本实用新型公开了一种淬火废水处理装置,包括分离箱、深度过滤箱、初级过滤箱、分离罐和封闭机构,所述分离箱的左侧设有深度过滤箱,且分离箱与深度过滤箱底部的一侧皆安装有排料管,所述深度过滤箱底部的右侧固定有油泵,所述深度过滤箱的顶部等间距设有固定框,所述分离箱的正上方固定有初级过滤箱,且初级过滤箱顶端的中心位置处安装有进水管,所述初级过滤箱顶端的右侧固定有抽气泵,所述输气管的底部连通有通气管,且通气管的外侧包裹有分离罐,并且通气管外侧的分离罐底部套装有封闭机构。该淬火废水处理装置,不仅提高了淬火废水的回收率,提高了淬火废水的处理效率,而且保证了处理装置工作时的连续性。

标签:
废水处理
江苏 - 南通 来源:北方有色网 2023-03-19
铝提纯废水处理装置
铝提纯废水处理装置 1023     
 0

本实用新型公开了一种铝提纯废水处理装置,包括废水箱,所述废水箱一侧下端的出水口处固定连接有水泵,所述水泵的输出端与输水管的一端固定连接,所述输水管的上表面设有水压表,所述输水管的下表面设有废料箱,所述输水管内设有滤板,所述废料箱进料口的右侧固定连接有斜板,所述处理箱内从右至左依次垂直设有粗滤网、细滤网和活性炭层,所述滑块通过螺栓与处理箱螺纹连接,所述处理箱的左侧连接有出水管,所述出水管的端部连接有水箱。该铝提纯废水处理装置,可以先过滤掉较大颗粒的杂物将其排至废料箱中收集排出,通过螺栓、滑块和滑槽,便于粗滤网、细滤网和活性炭层的安装拆卸和清理,方便更换,降低了使用成本,操作简单。

标签:
废水处理
江苏 - 南通 来源:北方有色网 2023-03-19
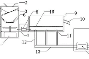
石材加工用废水收集预处理设备

本实用新型公开了一种石材加工用废水收集预处理设备,包括壳体,壳体顶部的中部与进料斗的底部相通,壳体内壁两侧的顶部分别与两个斜板的一侧固定连接,两个斜板的另一侧分别与粗孔过滤网的两端固定连接,壳体一侧的顶部开设有出渣口,出渣口的底部与其中一个斜板的顶部对应设置,两个壳体两侧的中部与集液斗顶部的两侧固定连接,本实用新型一种石材加工用废水收集预处理设备,废水处理速度快,效果好,且滤网清理方便,便于长期使用,通过分散设置多个喷头,使药液与废水混合更加均匀,提升沉降效果;通过设置分离过滤网,将沉降池中的悬浮物于废水过滤分离,便于对杂质进行集中处理,提升处理效果。

标签:
废水处理
江苏 - 南通 来源:北方有色网 2023-03-19
氟尿嘧啶废水预处理装置

本实用新型公开一种氟尿嘧啶废水预处理装置,包括废水池、输入管道、输出管道、污泥泵和废水周转罐,还包括污泥挤压装置,所述输入管道上依次设置废水池、污泥泵和污泥挤压装置,所述输出管道上的一端与污泥挤压装置连接,其另一端与废水周转罐连接;所述污泥挤压装置包括箱体,所述箱体内纵向设置至少两个由滤布卷成的过滤筒,且过滤筒的顶部开口,其底部设置底座,所述底座下端设置支撑杆用于支撑过滤筒,所述过滤筒顶部开口处的箱体顶部开设进料口,且进料口与输入管道连通。本实用新型大大减少了滤液中的氟尿嘧啶粗品,环境污染小,资源回收率高,进而降低生产成本,避免了残留在废水中的氟尿嘧啶粗品对活性污泥法的菌种起抑制作用。

标签:
废水处理
江苏 - 南通 来源:北方有色网 2023-03-19
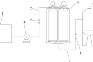
高浓度有机磷废水处理系统

本实用新型公开了一种高浓度有机磷废水处理系统,包括:蒸发桶,所述蒸发桶的一侧连接有进水管,所述蒸发桶的上端连接有排气管,所述蒸发桶远离进水管的一侧连接有流通管;加热棒,其安装在所述蒸发桶的内部;去油桶,其连接在所述流通管的另一端,所述去油桶的上端通过螺栓安装有刮油机,所述刮油机的输出端连接有刮油带;过水管,其连接在所述去油桶远离蒸发桶的一侧。该高浓度有机磷废水处理系统设置有设置的去油桶通过静置使废水中的不溶性油脂和其他杂质漂浮到废水上表面,通过安装的刮油机和下端连接的刮油带,将废水上端的杂质抽走另行处理,减少有机磷废水处理的难度系数,减轻有机磷处理装置的工作压力。

标签:
废水处理
江苏 - 南通 来源:北方有色网 2023-03-19
高浓度氨氮废水的处理工艺

本发明公开了一种高浓度氨氮废水的处理工艺,包括以下步骤:将车间高氨氮废水泵入污水收集池中,检测废水氨氮指标,根据检测指标,通过自来水稀释调节高氨氮废水的氨氮值在合适范围;将收集池高氨氮废水泵入微电解池,加入盐酸调节pH值,在微电解池曝气;曝气结束后,将废水泵入混凝反应池,边搅拌边加入微量的聚合氯化铝和聚丙烯酰胺溶液,混凝反应后废水溢流至混凝沉淀池进行沉淀后,上清液溢流入折点氯化池;在搅拌条件下,向折点氯化池中缓慢加入次氯酸钠溶液,进行氧化反应;本发明提供的氨氮废水处理工艺,显著扩展了该方法处理氨氮废水适用范围,极大的降低了次氯酸钠的使用量以及处理成本,对高浓度氨氮废水的处理效率有了明显的提高。

标签:
废水处理
江苏 - 南通 来源:北方有色网 2023-03-19
用于废水处理新型电解结构装置

本发明公开了一种用于废水处理新型电解结构装置,包括工作箱、处理罐和净化罐,所述工作箱的内部设置有处理罐,所述工作箱的一侧设置有净化罐;所述工作箱一侧的底部设置有放置箱,所述放置箱的内部设置有水泵;所述工作箱一侧的中部安装有固定块。本发明通过处理罐的设置,进水管、水泵和处理罐的搭配工作,可使得废水下进上出,并对其进行强制流动,从而可有效防止废水难以全部通过磁场,固定杆和固定齿的搭配工作,可为正极板和副极板提供支撑结构,在将该装置接入电源后,正极板和副极板的搭配工作,可对废水进行电解,驱动电机、活动杆和搅拌叶的搭配工作,可提高废水在处理罐内的活动性,进而使得该结构可对废水进行更好的电解。

标签:
废水处理
江苏 - 南通 来源:北方有色网 2023-03-19
用于尿嘧啶废水预处理装置

本实用新型公开一种用于尿嘧啶废水预处理装置,包括底座,底座上分别设置初级过滤机构、水泵及脱水过滤机构,水泵通过管道连通初级过滤机构和脱水过滤机构;初级过滤机构包括废水箱,废水箱顶部设置进液口,底部设置出液口,出液口与水泵连通,废水箱内设置过滤网;脱水过滤机构包括脱水箱,脱水箱内开设弧形结构的底面,该底面从下到上依次设置滤布和铁丝网,滤布和铁丝网的左右两端延伸出底面且通过设置螺栓进行固定,脱水箱内开设多个引流孔,引流孔的输出端设置共同的集液槽,集液槽下端设置排液管。本实用新型通过设置初级过滤机构和脱水过滤机构,能达到高效分离废水中固液的效果,保证了能够高效提取废水中的尿嘧粗品。

标签:
废水处理
江苏 - 南通 来源:北方有色网 2023-03-19
印染废水用脱色絮凝剂及其制备方法

本申请公开了一种印染废水用脱色絮凝剂及其制备方法,印染废水用脱色絮凝剂包括如下重量份数的组分:聚丙烯酰胺10‑12份,硅酸钠15‑20份,二乙烯三胺5‑8份,氯化铵12‑15份,硫酸铝7‑13份,双氰胺10‑15份,盐酸5‑10份,氧化锌5‑8份,乙二醛13‑16份。本发明提供的印染废水用脱色絮凝剂,通过上述重量分数的各组分的特定选择,以及针对本发明提供的印染废水用脱色絮凝剂制备工艺,使得本发明提供的印染废水用脱色絮凝剂可使印染废水总固体去除率在85.4‑95.2%,色度去除率可达91.5‑95.6%,COD去除率可达80.9‑87.8%,显著地提升印染废水用脱色絮凝剂的絮凝及去色能力。

标签:
废水处理
江苏 - 南通 来源:北方有色网 2023-03-19
协同处理高化学需氧量、高氨氮、高磷废水的装置

本发明涉及一种协同处理高化学需氧量、高氨氮、高磷废水的装置,包括高化学需氧量废水预处理生产线、高氨氮废水预处理生产线、高磷废水预处理生产线以及与上述预处理生产线连通的曝气降解生产线。本发明的优点在于:能协同处理高化学需氧量、高氨氮、高磷废水,对各类废水水量及指标要求宽松,造价成本低,操作简单方便,可持续运作能力较强,处理效率有了明显的提高,污染物除去率分别为COD 80.7%~94.6%,氨氮92.5%~98.1%,总磷89.4%~93.9%,发展了资源节约型、环境友好型的高效废水处理装置。

标签:
废水处理
江苏 - 南通 来源:北方有色网 2023-03-19
智能柔性间歇式废水自动处理系统

本实用新型公开了一种智能柔性间歇式废水自动处理系统,包括反应处理装置,反应处理装置前设置将废水从废水池泵入、由控制装置控制的废水吸入泵,反应处理装置前设置将药物泵入、由控制装置控制的加药泵,反应处理装置后设置处理后废水的排放装置,处理后废水的排放装置后设置废水循环利用装置,反应处理装置后设置固液分离装置,固液分离装置后设置终端PH值调节装置,终端PH值调节装置中设置将PH值信号传输给控制装置的PH传感器,反应处理装置中设置将废水净化指标信号传输给控制装置的传感器。本实用新型结构合理,使用方便,工作效果好,摆脱了繁重人力。

标签:
废水处理
江苏 - 南通 来源:北方有色网 2023-03-19
双效臭氧催化氧化废水处理装置

本实用新型属于废水处理装置技术领域,且公开了一种双效臭氧催化氧化废水处理装置,包括非均相臭氧催化氧化反应器和臭氧发生器,所述非均相臭氧催化氧化反应器的底端连接有第一废水进管,所述第一废水进管远离非均相臭氧催化氧化反应器的一端安装有提升泵,所述提升泵的进水端通过管道连接有过滤箱,所述过滤箱的侧壁上端连接有第二废水进管,本实用新型通过在废水进入反应器前增设过滤箱,利用过滤网层可有效过滤掉废水中的残渣,能够有效避免泵体、管道和反应器的堵塞,延长了该装置的使用寿命,此外,通过固定块、插槽和插块的配合,实现了过滤网层的插设安装,便于后续过滤网层的更换。

标签:
废水处理
江苏 - 南通 来源:北方有色网 2023-03-19
间歇式废水自动处理系统

本实用新型公开了一种间歇式废水自动处理系统,包括反应处理装置,反应处理装置前设置将废水泵入的废水吸入泵,反应处理装置前设置将药物泵入、由控制装置控制的加药泵,反应处理装置后设置处理后废水的排放装置,反应处理装置后设置固液分离装置,固液分离装置后设置终端PH值调节装置,终端PH值调节装置中设置将PH值信号传输给控制装置的PH传感器,反应处理装置中设置将废水净化指标信号传输给控制装置的传感器。本实用新型结构合理,使用方便,工作效果好,摆脱了繁重人力。

标签:
废水处理
江苏 - 南通 来源:北方有色网 2023-03-19
玻璃生产废水处理系统及方法

玻璃生产废水处理系统,包括废水集池、混凝池、污泥沉淀池、调节池、砂滤池、纤维滤池、活性炭滤池、观测水池、清水池;所述废水集池与混凝池连接,在废水集池的出口处设有格栅;所述废水集池与污泥沉淀池连接,在废水集池与污泥沉淀池之间设有泥浆泵;所述污泥沉淀池与调节池连接,所述调节池、砂滤池、纤维滤池、活性炭滤池、观测水池、清水池依次连接;所述污泥沉淀池的出口处与板框压滤机连接。本发明提供的提供玻璃生产废水处理系统,其设计合理,废水处理效果、效率得到提高。

标签:
废水处理
江苏 - 南通 来源:北方有色网 2023-03-19
有机废水的循环利用方法

本发明公开了一种可以使处理后的废水循环使用的有机废水的循环利用方法,其步骤为:1)生化处理,其过程为:将有机废水收集至废水收集罐中,然后依次在第一PH值调整槽、气浮槽、水解槽、移动床生物膜反应槽、第一沉淀槽、调酸槽、芬顿高级氧化槽、第二PH值调整槽、第一絮凝槽、第二絮凝槽、第二沉淀槽、厌氧槽和膜生物反应槽中处理后得到的废水进入废水缓存箱;2)将废水缓存箱的废水依次经过活性炭过滤器、第一紫外光灭菌系统、保安过滤器、一级反渗透装置和二级反渗透装置后产生的清水送至清水箱,将清水箱中的清水再依次经过第二紫外光灭菌系统、保安过滤器、电去离子系统后,得到可循环利用的纯水。该循环利用方法可广泛地应用于有机废水的处理。

标签:
废水处理
江苏 - 南通 来源:北方有色网 2023-03-19
废水检测可定量抽取的取样设备

本实用新型公开了一种废水检测可定量抽取的取样设备,包括操作台和密封筒,所述操作台的底部设置有万向轮,所述操作台的内部上端安装有废水采集箱,且废水采集箱的底端设置有出水管,所述废水采集箱的左端安装有L型进水管,且L型进水管的内部设置有过滤斗,所述操作台的上端安装有第一液压伸缩杆,且第一液压伸缩杆的上端设置有固定板,所述固定板的下端安装有固定杆,所述密封筒位于固定杆的下端,所述密封筒的下方设置有取样管。该废水检测可定量抽取的取样设备采用万向轮的设置便于对设备进行移动,过滤斗的安装可对废水进行过滤,避免设备在取样的过程中取样管发生堵塞的问题,抽取组件的设置便于使用者对废水采集箱内的废水进行取样。

标签:
废水处理
江苏 - 南通 来源:北方有色网 2023-03-19
用于化工厂废水重金属离子检测仪器

本发明公开了一种用于化工厂废水重金属离子检测仪器,涉及废水检测设备技术领域,包括取样箱体、取样组件、废水预处理箱以及检测组件;取样组件包括水槽以及等距布置在取样箱体内的活塞缸,水槽与废水预处理箱连接;废水预处理箱用于将废水初步处理后输送至水槽内,活塞缸用于将水槽内的水输送至检测组件;检测组件包括多组检测头以及检测水槽,向废水预处理箱内添加絮凝剂将废水中的大颗粒杂质聚集后进行过滤处理,避免废水中的部分大颗粒杂质造成活塞缸以及检测组件堵塞,避免部分其它杂质影响检测结果,对多组检测头检测后的结果进行比对,得到更加准确的检测结果,相较于传统重复性取样检测,本发明实施例的检测仪器效率更高。

标签:
废水处理
江苏 - 南通 来源:北方有色网 2023-03-19
酸碱废水全自动处理系统

本发明公开了一种酸碱废水全自动处理系统,所述系统包括废水收集槽、第一调节槽、第二调节槽和排放槽,所述废水收集槽通过废水传送泵和输送管路分别连接第一调节槽和第二调节槽,第一调节槽、第二调节槽和排放槽通过管路依次相互连接,并且第一调节槽、第二调节槽上分别连接有酸性管路和碱性管路,同时第一调节槽、第二调节槽和排放槽内均设有PH值检测传感器,且各个PH值检测传感器均直接至PH监测仪,所述PH监测仪根据监测的PH值控制酸性管路和碱性管路上的电磁阀通断。本发明不但可以将酸碱废水处理后完全达到国家规定的排放标准,而且成本不高,易于普及,实现了真正意义上的节能环保。

标签:
废水处理
江苏 - 南通 来源:北方有色网 2023-03-19
含油废水的治理方法
含油废水的治理方法 1128     
 0

本发明公开的一种含油废水的治理方法,包括以下步骤:阻断外源固液废物进入受污染含油废水体,通过人工或机械打捞方式初步清除水体中固体废物;除去固体废物的废水流入循环水槽,在循环泵组的作用下进入TiO2@Mofs改性玻璃纤维膜处理,将含油废水中的油去除,最终完成净化形成可回用水,可回用水进入回用水槽。该含油废水的治理方法能有效的去除含油废水中的油。

标签:
废水处理
江苏 - 南通 来源:北方有色网 2023-03-19
执法检测具有自清洗功能的废水取样装置

本实用新型公开了一种执法检测具有自清洗功能的废水取样装置,包括取样装置底座和第二水泵,所述取样装置底座的上方从右往左依次设置有第一水泵、瓶座和水箱,且第一水泵的一侧固定有接水管,所述第一水泵的上方设置有输水管,且输水管的外部从右往左依次设置有流量计和电子阀,所述输水管的外部下方固定有四爪管。该执法检测具有自清洗功能的废水取样装置,与现有的普通废水取样装置相比,可以自动清洗废水取样装置内部的管路,防止再次使用废水取样装置取样的废水交叉污染,影响检测的结果,同时防止废水长时间的遗留在废水取样装置内部,腐蚀损坏废水取样装置,对废水取样装置本体进行自清洁自维护,延长了废水取样装置的使用寿命。

标签:
废水处理
江苏 - 南通 来源:北方有色网 2023-03-19
全自动废水处理系统
全自动废水处理系统 741     
 0

本实用新型属于废水处理技术领域,且公开了全自动废水处理系统,包括过滤箱和废水处理箱,所述废水处理箱的前表壁安装有PLC控制器,所述过滤箱的顶端旋合连接有顶盖,所述顶盖的顶端连接有废水进管,且顶盖的内壁交错连接有导液板,所述过滤箱的内部底端固定有过滤板,且过滤箱的内部上端安装有半球形过滤网,本实用新型通过增设半球形过滤网,可对待处理的废水进行一次过滤,初步过滤的废水再经过过滤板进行二次过滤,可有效去除较小的固体杂质,过滤效果好,能够有效避免管道和泵体的堵塞,此外,通过增设交错的导液板,利用导液板先接触废水,可有效降低废水接触半球形过滤网时的冲击力,能够有效避免半球形过滤网的损坏。

标签:
废水处理
江苏 - 南通 来源:北方有色网 2023-03-19
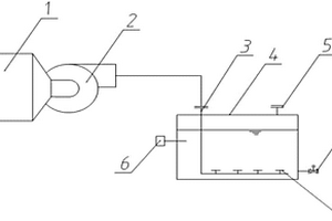
甲苯废水热吹脱吸附装置

本发明属于含甲苯废水处理技术领域,公开了一种甲苯废水热吹脱装置,设置有废水储槽,废水储槽内安装有曝气盘,温控仪安装在废水储槽一侧,蒸汽球阀安装在所述废水储槽另一侧;进气口、出气口均安装在废水储槽上;高压风机的吹风口对准进气口;进风过滤器和高压风机通过管道连接。本发明的吸附设备生产的含甲苯废水接入废水储槽,在设定的温度下,通过吹脱去除废水中的甲苯,使得废水中的甲苯气化与空气一同排出。排出的甲苯气体再经过吸附系统一同处理。经过甲苯废水吹脱装置处理过的废水COD降到50以下,满足国家1级A的排放标准,运行成本低,处理效果好,具有很大的实用价值。

标签:
废水处理
江苏 - 南通 来源:北方有色网 2023-03-19
工业废污水预处理装置

本实用新型涉及污水处理技术领域,具体是一种工业废污水预处理装置,包括过滤厢和预处理厢,所述预处理厢上下两端均安装有电解架,所述预处理厢内腔中间位置横向安装有搅拌转轴,所述搅拌转轴上安装有若干道搅拌杆,所述预处理厢内腔中间位置还安装有螺旋输液管,所述螺旋输液管呈螺旋状横向架设在预处理厢内腔,所述搅拌转轴穿设在螺旋输液管内腔并且搅拌杆与螺旋输液管不干涉,所述螺旋输液管外接处理液导管,所述螺旋输液管上设置有若干道出液孔。本申请采用电解技术原理,从而大大提高了物料与废水的混合效果,提高了整体水净化的作业效率,保证电离作业时稳定性,避免安全隐患。

标签:
废水处理
江苏 - 南通 来源:北方有色网 2023-03-19
采用工业级碳酸锂制备高纯碳酸锂的方法

本发明公开了一种采用工业级碳酸锂制备高纯碳酸锂的方法,包括碳酸氢化、树脂纯化、热解结晶、结晶完后,趁热过滤,滤饼干燥、粉碎后,得高纯碳酸锂产品。本发明解决了碳酸锂中杂质离子难以纯化的问题,产品收率高(总收率在95%以上),质量好(达到了行业标准99.995%的高纯碳酸锂质量标准),低盐废水少,对设备要求温和,更适合产业化。

标签:
废水处理
江苏 - 南通 来源:北方有色网 2023-03-19
上一页 60 61 62 63 64 ... 68 下一页
共68页    到第

北方有色为您提供最新的江苏南通有色金属环境保护技术理论与应用信息,涵盖发明专利、权利要求、说明书、技术领域、背景技术、实用新型内容及具体实施方式等有色技术内容。打造最具专业性的有色金属技术理论与应用平台!

全国热门有色金属设备推荐
展开更多 +
全国热门有色金属技术推荐
展开更多 +

 

江西省隆恩特环保设备有限公司
宣传

报名参会
更多+

报告下载

有色专家
更多+

鞍钢集团有限公司
中国工程院院士
中南大学
中国工程院院士
广东省科学院资源利用与稀土开发研究所
教授
洛阳有色矿业集团有限公司
生产技术部经理
中冶沈勘秦皇岛工程技术有限公司
原矿山院院长/教授级高工
赤泥综合利用研究报告2025
推广

热门技术
更多+

推荐企业
更多+

福建省金龙稀土股份有限公司
宣传

发布

在线客服

公众号

电话

顶部
咨询电话:
010-88793500-807