青岛垚鑫智能科技有限公司
宣传

位置:北方有色 >

有色技术频道 >

分类:
全部
矿山技术
冶金技术
材料制备及加工技术
环境保护技术
分析检测技术
 
全部
废水处理技术
大气治理技术
固/危废处置技术
土壤修复技术
地区:
全部
北京
天津
上海
重庆
河北
山西
辽宁
吉林
黑龙江
江苏
浙江
安徽
福建
江西
山东
河南
湖北
湖南
广东
海南
四川
贵州
云南
陕西
甘肃
青海
内蒙
广西
西藏
宁夏
新疆
其他
其他
展开
 
全部
南京
无锡
徐州
常州
苏州
南通
连云港
淮安
盐城
扬州
镇江
泰州
宿迁

江苏南通有色金属环境保护技术理论与应用

免费发布技术信息>>
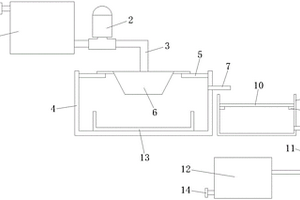
针织品染色废水处理装置

本发明公开了一种针织品染色废水处理装置,包括固定安装在处理桶上的进液管,所述处理桶内固定安装有承水盘、存储环、过滤盘、底盘,所述处理桶内安装有搅拌机构,所述存储环内开设有多个存储腔,且每个存储腔与处理桶之间均固定安装有补充管,所述存储环上通过浮力机构安装有多个浮盘,所述承水盘上开设有多个下液管,且每个下液管上均安装有电阀门,所述承水盘上通过往复机构安装有挤压盘,所述过滤盘与底盘之间安装有排水机构。优点在于:本发明能够根据需要处理废水的含量来添加适量的化学药剂,而不会出现过量浪费或少量处理不彻底的情况,且可增加废水的过滤分离效率,并可对废水进行收集再利用,不会造成水资源的浪费。

标签:
废水处理
江苏 - 南通 来源:北方有色网 2023-03-19
能实现废水自动采样、超标留样的控制装置

本实用新型公开了一种能实现废水自动采样、超标留样的控制装置,包括主体、机箱和承接板,所述主体的底端右侧安置有万向轮,且主体的右侧外壁衔接有合页,所述合页的右侧外壁固定有门扇,且门扇的前端外壁中部安装有防护机构,所述机箱安置于主体的内壁顶端,且机箱的前端中部安装有单片机控制器,所述机箱的底端外壁衔接有采样机构。该能实现废水自动采样、超标留样的控制装置通过衔接长板的设置,可以对储水室进行支撑和固定,接着从注料口处可以将冷却液依次投放至储水管道的内壁,由于储水管道外壁呈蛇形状,不仅可以达到减少冷却液用量的目的,还可以有效的降低主体内部的热量,进而可以对废水样品进行保护,避免温度过高影响数据精准度。

标签:
废水处理
江苏 - 南通 来源:北方有色网 2023-03-19
能快速去除废水中COD的催化氧化装置

本实用新型公开了一种能快速去除废水中COD的催化氧化装置,包括主体和降解剂注入口,所述主体的上端一侧开设有进水口,且主体的上端另一侧设置有出水口,所述主体的下端两侧固定有脚支柱,且主体的内部一侧设置有进水仓,所述进水仓的一侧连接有吸附机构。该能快速去除废水中COD的催化氧化装置设置有可视玻璃,可视玻璃外侧贴合于氧化仓内侧,设置在氧化仓一侧内部的可视玻璃,在氧化仓工作过程中实时查看内部污水处理的效果,可以根据实际情况进行添加适量的COD降解剂,保证废水中COD催化氧化的持续性和有效性,提升该装置的实际使用效果,嵌入的结构具有很好的牢固性和紧密性,不会出现在实际使用过程中漏水的情况,提升该装置的使用安全性。

标签:
废水处理
江苏 - 南通 来源:北方有色网 2023-03-19
对甲苯磺酰氯生产用废水处理排放装置

本实用新型公开了一种对甲苯磺酰氯生产用废水处理排放装置,包括反应箱,反应箱顶部的一侧固定连通有进料漏斗,反应箱顶部的另一侧固定连通有进药管,进药管的顶端套设有管盖,反应箱顶部的中间固定连接有压力泵,压力泵的出水口通过通水管穿过反应箱固定连通有横管,横管的底部固定连通有若干个分布均匀的喷头,反应箱的一侧从上到下固定设置有第一电机、臭氧箱和风机,本实用新型一种对甲苯磺酰氯生产用废水处理排放装置,设置有多重消毒结构,首先通过进药管投入杀菌化学试剂,实现初次消毒,在通过风机将臭氧抽至空心球内,对废水再次消毒,最后在通过紫外线灯辅助杀菌,实现了多重消毒的作用。

标签:
废水处理
江苏 - 南通 来源:北方有色网 2023-03-19
废水脱盐工艺
废水脱盐工艺 1029     
 0

本发明公开了一种废水脱盐工艺,所述脱盐工艺由双效换热、浓缩、缓冲、蒸发、再浓缩、循环和冷却七步骤构成,其中所述浓缩工艺为三效浓缩工艺:通过两效重沸器在85-90℃和一个蒸发室在105-110℃的温度下蒸发浓缩,将盐份分离出来,废水排出。以上工艺的优点为:采用该技术处理氯化钠废水,通过三效浓缩脱盐处理工艺,有效脱出氯化钠成分,减少了化工废水对环境的危害,有利于环境保护。

标签:
废水处理
江苏 - 南通 来源:北方有色网 2023-03-19
光引发剂加工用的废水处理装置

本实用新型公开了一种光引发剂加工用的废水处理装置,包括基体、支脚、进水口、接触氧化二室和接触氧化一室,所述基体内部的一侧设置有接触氧化一室,且接触氧化一室一侧的基体内部设置有接触氧化二室,所述基体的内部设置有混合反应室,所述基体内部的混合反应室一侧固定连接有消毒箱,且消毒箱的内部固定连接有等间距的过滤机构,所述消毒箱的底部固定连接有水质检测仪,所述基体的顶端固定连接有净化机构。本实用新型不仅实现了该光引发剂加工用的废水处理装置使用时多级过滤的功能,实现了该光引发剂加工用的废水处理装置使用时水质检测的功能,而且实现了该光引发剂加工用的废水处理装置废气净化的功能。

标签:
废水处理
江苏 - 南通 来源:北方有色网 2023-03-19
苯并呋喃酮中间体合成废水的处理方法

本发明提供一种苯并呋喃酮中间体合成废水的处理方法,所述处理方法包括:使用醚类溶剂作为萃取剂对所述苯并呋喃酮中间体合成废水中的邻羟基苯乙酸进行萃取。所述处理方法可以大幅降低苯并呋喃酮中间体合成废水中邻羟基苯乙酸的含量,提高中间体邻羟基苯乙酸的回收率,降低副产物氯化钠中邻羟基苯乙酸的含量。

标签:
废水处理
江苏 - 南通 来源:北方有色网 2023-03-19
亚氨基二乙酸生产废水处理装置

本实用新型公开了一种亚氨基二乙酸生产废水处理装置,包括箱体,所述箱体的内侧壁固定连接有隔板,所述隔板的上表面固定镶嵌有环型排列的密封轴承,所述箱体的内底壁固定镶嵌有环型排列的旋转轴承,每个所述旋转轴承的内圈均固定连接有混合杆,每个所述混合杆的顶端均贯穿密封轴承并延伸至隔板的上方,每个所述混合杆的顶端均固定连接有次动齿轮。本实用新型中,通过利用电机产生的动力带动连接杆旋转,并且使连接杆带动主动齿轮转动,同时利用主动齿轮和次动齿轮的配合,使次动齿轮带动混合杆旋转,同时使废水和化学物利用混合杆高速旋转进行快速混合,从而能够对废水和化学物进行均匀搅拌,避免出现部分废水没有经过处理向外排出。

标签:
废水处理
江苏 - 南通 来源:北方有色网 2023-03-19
甲基肼废水超临界处理方法

本发明提出的是一种甲基肼废水超临界处理方法,将甲基肼废水经过高压泵注入超临界反应器,同时将空气经空气压缩机加压充入超临界反应器进行混合,开始超临界氧化反应,处理完成后的甲基肼废水冷却进入收集槽,收集完毕后送往生化处理装置内部消化,反应生成的水汽和不凝气进入废气处理装置处理。本发明进一步优化超临界氧化法处理能力,提高处理效果,降低运行成本,安全可靠,稳定有效,相对于传统焚烧处理法有效减少废气排放,突出清洁处理优势,落实节能减排措施,提升职业卫生现场保护水平和环境治理能力;处理过程全程采用PLC控制,还可采用DCS控制系统进一步减少人工操作失误,提高生产安全水平。

标签:
废水处理
江苏 - 南通 来源:北方有色网 2023-03-19
玻璃生产废水处理剂及其制备方法

玻璃生产废水处理剂及其制备方法,该玻璃生产废水处理剂包括按照质量份数计的如下原料:聚合氯化铝铁16-18份、氯化铁5-8份、聚丙烯酰胺10-15份、连二异丙基黄原酸酯15-18份、碳酸钠5-8份、硅酸钠6-9份、活性炭5-10份、乙二醇20-30份、水50-75份。本发明处理剂可与玻璃废水中的重金属螯合,使废水中的无机物凝聚后沉降,且可有效去除其中的有机污染物;本发明配方合理,原料易得,且本发明制备方法简单易行,可广泛推广应用。

标签:
废水处理
江苏 - 南通 来源:北方有色网 2023-03-19
中温高浓度高悬浮物有机废水处理的工艺

本发明公开了一种中温高浓度高悬浮物有机废水处理的工艺,其特征在于:将废水调节温度至35-40℃和pH值在5.0-8.0之后进入调节池,然后从调节池内进入中温全混厌氧反应器进行厌氧反应,厌氧反应时,投料量为5kg/m3d,反应温度为50℃~60℃,产出的沼气进行回收利用,液体进行固液分离,分离后的固体经压滤后进行后续处理,固液分离后所得液体进行沉降,沉降后所得液体经过气浮操作以及好氧生物处理,将沉降、气浮和好氧生物处理过程中得到的污泥回收至调节池,废水进行排放或深度处理。优点是:能在中温条件培育出适用于高浓度高悬浮物有机废水处理的菌种,分解效果好。

标签:
废水处理
江苏 - 南通 来源:北方有色网 2023-03-19
纺织印染废水处理用混凝剂及其制备方法

本发明涉及一种纺织印染废水处理用混凝剂及其制备方法,该混凝剂以质量份计含有以下成分:偏铝酸钠14.7~20份,六水三氯化铁4~8份,七水硫酸亚铁2~5份,盐酸28~39份,硫酸3.5~8.5份,硫酸钙2~5份,谷物淀粉2.3~3.2份,氢氧化铝0.9~1.6份,尿素2~6份和水40~60份;所述盐酸的质量分数为35%,硫酸的质量分数为48%。本发明提供的混凝剂的凝聚作用强,并且脱色效果好,还能有效降低废水中的COD值,处理后的废水化学性质稳定。

标签:
废水处理
江苏 - 南通 来源:北方有色网 2023-03-19
电解废水处理装置清洁系统

本实用新型公开了一种电解废水处理装置清洁系统,包括储液箱,所述储液箱的前端安装有放置板,所述储液箱的上表面连接有安装板;驱动气缸,其安装在所述储液箱的内部,所述驱动气缸的输出端连接有安装板,所述安装板的结构为L型结构,所述安装板一端的下端面安装有驱动电机,所述驱动电机的输出端连接有安装杆,所述安装杆的外壁对称固定有四个固定杆,四个所述固定杆的内部均连接有活动杆,所述活动杆的前端固定有固定板,所述固定板的外壁连接有清洁刷。该电解废水处理装置清洁系统设置有驱动电机,驱动电机能够带动安装杆旋转,从而驱动固定杆转动,这样使得清洁刷对电解废水处理装置的内壁进行清洁,且无需人工手动清洁,节省人力。

标签:
废水处理
江苏 - 南通 来源:北方有色网 2023-03-19
具有废水处理系统的脂肪酸研发装置

本实用新型涉及脂肪酸技术领域,具体为一种具有废水处理系统的脂肪酸研发装置,包括废水处理装置主体,所述废水处理装置主体的顶端中部内壁对称固定连接有引导板,且引导板下端开口设置在过滤机构上端,所述过滤机构的外侧固定连接有第一连接块,且第一连接块的外端中部皆固定连接有伸缩内杆,所述伸缩内杆的外端外侧皆固定连接有第二滑块,且第二滑块皆滑动连接在滑轨的内部,所述滑轨皆开设在伸缩外杆的外侧,且伸缩外杆皆固定连接在固定块的内端中部。本实用新型较为稳定的带动过滤机构进行震荡,解决了滤网固定,长期使用容易堵塞,使得工作效率降低的问题,使得装置更为合理稳定。

标签:
废水处理
江苏 - 南通 来源:北方有色网 2023-03-19
一体化高浓度有机废水处理设施

本发明公开了一种一体化高浓度有机废水处理设施,涉及废水处理技术领域,包括入料框和基座,所述入料框的内部设置有分离装置,所述入料框底部的外部安装有连接座,所述连接座内部的两端均设置有滑道,所述连接座底部的外部安装有沉降装置件。本发明通过过滤装置、斜板、活塞体、连接杆、电动推杆、过滤网和滤槽框的设置,能够在使用过程中对絮凝结束之后的废水进行分离处理,使得絮凝物和水分离开来,即过滤网的内部设置有口径较小的网孔,能够利用连接杆和电动推杆的相互作用对活塞体进行移动,从而能够在注入在活塞体和过滤网之间的进行过滤处理,利用活塞体活塞式的运动,可使得水透过过滤网继续向下流入。

标签:
废水处理
江苏 - 南通 来源:北方有色网 2023-03-19
针对重污染废水中有机物的中间处理装置及处理方法

本发明涉及一种针对重污染废水中有机物的中间处理装置及处理方法,包括输水管道、加热模块、输气管道、燃烧模块以及冷凝模块,输气管道的进口设置于加热模块后方的输水管道上,重污染废水通过加热模块加热至沸腾后内部的有机物汽化进入输气管道内,通过燃烧模块进行燃烧后,通过冷凝模块进行冷却,冷凝模块内凝结的污水与输水管道内的污水混合后进入下一级废水处理设备,冷凝模块内的气体进入下一级废气处理设备。在加热过程中能够将多数的有机物挥发出来,之后通过燃烧模块将有机物分解为CO2与H2O,同时燃烧过程较为迅速,所耗费时间较短,不再使用化学药剂,提高对有机物的整体处理速度,降低处理成本。

标签:
废水处理
江苏 - 南通 来源:北方有色网 2023-03-19
可回用盐酸废水的有机膦酸的生产工艺

本发明公开了一种可回用盐酸废水的有机膦酸的生产工艺,以盐酸废水、亚磷酸、氯化氢气体、甲醛、有机胺为原料,经过以下步骤完成可回用盐酸废水的有机膦酸的生产工艺;本发明提供了一种可回用盐酸废水的有机膦酸的生产工艺,盐酸消耗量明显减少,大幅降低了生产成本,极大减少了废水产生,实现了废水源头控制,本发明在密闭条件下操作,无刺激性气味,减少了“三废”的产生量,对环境友好。

标签:
废水处理
江苏 - 南通 来源:北方有色网 2023-03-19
铝提纯废水处理系统
铝提纯废水处理系统 1229     
 0

本实用新型公开了一种铝提纯废水处理系统,包括废水箱,废水箱一侧下端的出水口处固定连接有水泵,水泵的输出端与输水管的一端固定连接,输水管的另一端朝下,输水管的下方固定设置第一过滤池,第一过滤池的内壁上端设置安装环,安装环上放置过滤器,过滤器具有尖部,该尖部伸入输水管内,第一过滤池的侧面开设溢流口,溢流口的下方固定设置第二过滤池,第二过滤池的内壁上端设置限位板,限位板上放置过滤网组,第二过滤池的底部开设排液口,所述排液口连接排水管,所述排水管连接水箱。本实用新型结构简单、设计合理、使用方便,通过过滤器能够先过滤掉较大颗粒的杂物将其排至废料箱中收集排出,然后再通过过滤网组进行过滤,确保过滤效率。

标签:
废水处理
江苏 - 南通 来源:北方有色网 2023-03-19
钢结构装配式环保公厕废水废气处理装置

本实用新型涉及环保公厕技术领域,且公开了一种钢结构装配式环保公厕废水废气处理装置,包括公厕本体,所述公厕本体的内部固定连接有净化装置,所述净化装置包括净化箱,所述净化箱内腔的上部固定安装有洗手池,所述洗手水池的底部固定连接有排放管,所述净化箱内腔的左侧设置有储水室,所述储水室的上部与所述排放管相连接,本新型方案可对废气进行二次过滤,可有效的对废气进行吸附过滤,可有效的减少废气内部的异味与有害气体,且清洗过后的废水会流入储水室的内部,在对便池进行冲洗时,可通过储水室内部的废水进行冲洗,可对废水进行回收利用,可有效的节约水资源,且该装置结构简单,功能性强,便于生产与实用。

标签:
废水处理
江苏 - 南通 来源:北方有色网 2023-03-19
用于棉隆废水的净化处理设备

本实用新型公开了一种用于棉隆废水的净化处理设备,包括处理设备本体,处理设备本体的顶部从左到右依次固定设置有调酸釜、一级氧化釜、二级氧化釜和调碱釜,处理设备本体的一端固定安装有驱动电机,驱动电机的输出端与搅拌棒的一端固定连接,搅拌棒的另一端依次穿过调酸釜、一级氧化釜、二级氧化釜和调碱釜,本实用新型一种用于棉隆废水的净化处理设备,将调酸釜、一级氧化釜、二级氧化釜和调碱釜统一集中在处理设备本体中,缩减净化处理设备的体积,提高净化处理效率;对棉隆废水进行氧化处理后棉隆废水中的COD值的降解率和氨氮的降解率高,调节棉隆废水的PH值,棉隆废水净化效果好。

标签:
废水处理
江苏 - 南通 来源:北方有色网 2023-03-19
煤化工废水破乳除油预处理设备

本实用新型公开了一种煤化工废水破乳除油预处理设备,包括静态混合器、慢速反应器以及气浮机,废水入口和破乳剂加药口分别连接静态混合器的入口,静态混合器出口与慢速反应器入口相连,慢速反应器的出口与气浮机入口相连。慢速反应器为圆桶型,中间设置有一个圆柱型套筒,圆柱型套筒与慢速反应器底部连接且无空隙。本实用新型设备紧凑,占地面积小且维护方便,对煤化工废水进行连续除油,除油效率高可保证废水后续蒸氨脱酚、萃取脱酚等工段的安全稳定运行。

标签:
废水处理
江苏 - 南通 来源:北方有色网 2023-03-19
阳离子染料废水的资源化处理设备

本实用新型公开了一种阳离子染料废水的资源化处理设备,包括降温罐、混合罐和沉淀罐,所述降温罐的底部设有通风网,且降温罐的一侧固定安装有第一连接管,所述混合罐的顶部固定安装有搅拌电机,且搅拌电机的输出端转动安装有搅拌杆,所述混合罐的正面固定安装有控制箱,且控制箱的内部固定安装有变频器。本实用新型设置有过滤管与过滤滤芯配合,可以对废水进行过滤,避免了废水中异物或是垃圾造成设备堵塞的情况,增加了设备的实用性,降低了局限性,设置有沉淀罐与过滤层配合,可以对经过化学反应的废水进行过滤,从而对水与污泥进行分流排出,使处理设备更加便于使用,扩大了适用范围,便于推广使用。

标签:
废水处理
江苏 - 南通 来源:北方有色网 2023-03-19
便于移动的小型废水处理装置

本实用新型公开了一种便于移动的小型废水处理装置,具体涉及废水处理装置领域,包括底座,所述底座的顶部固定连接有处理箱,所述处理箱的右侧通过密封条密封铰接有箱门,所述处理箱的顶部设置有入料漏斗,所述处理箱表面的底部连通有排水管,且所述排水管的开口处设置有阀门;所述处理箱内腔的顶部固定连接有隔板。本实用新型通过设置空心的支撑块,使得支撑块内部的万向轮能够在螺杆的转动下向下移动伸出支撑块,从而使支撑块被抬起,利用万向轮进行移动,同时能够将万向轮收入支撑块的内部,利用支撑块进行稳定支撑,使得小型废水处理装置便于移动,同时在小型废水处理装置工作时能够更加稳定。

标签:
废水处理
江苏 - 南通 来源:北方有色网 2023-03-19
煤化工废水的处理方法

本发明提供了一种煤化工废水的处理方法,属于废水处理技术领域。本发明包括以下步骤:将煤化工废水依次进行隔油和预萃取后,得到第一萃取相和第一萃余液;将所述第一萃余液依次进行脱酸蒸氨和萃取脱酚,得到第二萃取相和处理后煤化工废水;将所述第一萃取相和第二萃取相混合后进行萃取剂再生处理,得到再生萃取剂;所述再生萃取剂回用于预萃取和萃取脱酚。本发明通过设置预萃取,采用特定组分作溶剂,有效的去除煤化工废水中大部分油类和酚类;通过将再生萃取剂回用于预萃取和萃取脱酚,进一步提高多元酚的脱除率,同时降低成本。

标签:
废水处理
江苏 - 南通 来源:北方有色网 2023-03-19
可回用甲醛废水的氨基三亚甲基磷酸及其盐的生产工艺

本发明公开了一种可回用甲醛废水的氨基三亚甲基膦酸及其盐的生产工艺,以甲醛废水、亚磷酸、多聚甲醛、氯化铵、液碱为原料,以下各物质的加入量按重量份计,具体包括下述操作步骤:清洗反应釜及相关设备,关闭反应釜底阀;将氨基三亚甲基膦酸生产过程中浓缩、冲蒸阶段含有甲醛的废水220‑280份抽入反应釜;开启固体投料口,加入多聚甲醛120‑150份;开启冷凝器,搅拌,加热升温;本发明提供了一种可回用甲醛废水的氨基三亚甲基膦酸及其盐的生产工艺,生产的氨基三亚甲基膦酸产品活性成分含量在48~52%,其他指标也均符合正常氨基三亚甲基膦酸或其盐生产指标,可以满足电子行业、针织行业,印染行业等对氨基三亚甲基膦酸或其盐的质量要求。

标签:
废水处理
江苏 - 南通 来源:北方有色网 2023-03-19
处理间苯二甲腈合成工艺废水的方法

本发明公开了一种处理间苯二甲腈合成工艺废水的方法,先将间苯二甲腈合成工艺废水进行二级吹脱处理,再进入混凝反应池以进一步脱氰,进一步经过厌氧生物滤池处理,然后采用A2/O生化处理工艺脱氮;在最终排放前,进行双氧水氧化处理。本发明低能耗、降解处理效果好。

标签:
废水处理
江苏 - 南通 来源:北方有色网 2023-03-19
以丙酮丁醇发酵废水为配料水生产乙醇的方法

本发明涉及一种以丙酮丁醇发酵废水为配料水生产乙醇的方法,包括以下步骤:丙酮丁醇发酵废水的处理、淀粉质原料的粉碎、拌料、蒸煮液化、糖化、种母培养、发酵和蒸馏。本发明的优点是:生产成本低,大大减少了环境污染,实现了废物再利用。

标签:
废水处理
江苏 - 南通 来源:北方有色网 2023-03-19
N-甲酰基邻甲苯胺合成过程中废水的回收利用方法

本发明公开了一种N-甲酰基邻甲苯胺合成过程中废水的回收利用方法,其特征在于:首先测定N-甲酰基邻甲苯胺合成过程所产生的废水中甲酸的含量,然后根据甲酸的含量往废水中加入邻甲苯胺,升温至回流反应3-5小时,在减压下蒸出水份,然后再升温至160℃保温1小时,降温,加入适量甲苯溶解作为合成吲哚的滴加液。本发明的优点是:将废水变废为宝,能够节约生产成本,提高物料利用率,减少污染物排放,有利于环保。

标签:
废水处理
江苏 - 南通 来源:北方有色网 2023-03-19
石墨烯量子点/四氧化三铁复合物催化降解酚类废水的方法

本发明涉及石墨烯量子点/四氧化三铁复合物催化降解酚类废水的方法,控制含有酚类化合物的废水的pH值为2-6,然后将石墨烯量子点/四氧化三铁复合物以及过氧化氢加入到废水中,控制温度为10-80℃反应5-300min,完成对废水中酚类化合物的降解。与现有技术相比,本发明所采用的催化剂制备过程简单,成本低,对于多种酚类化合物均有较高的降解效率,适用于典型行业产生的含高浓度酚类污染物的废水。

标签:
废水处理
江苏 - 南通 来源:北方有色网 2023-03-19
用于处理甲基肼生产废水的装置

本申请涉及一种用于处理甲基肼生产废水的装置,涉及废水处理技术领域,为了解决甲基肼废水处理的问题,其包括加压装置、换热装置和反应装置,所述加压装置包括空气管、废水管和两个加压泵,所述空气管和废水管均连通至换热装置内,两个所述加压泵分别连接空气管和废水管的侧壁上,所述换热装置远离加压装置的一侧设置进液管,所述进液管与反应装置相连通。本申请具有保护环境减小环境污染的效果。

标签:
废水处理
江苏 - 南通 来源:北方有色网 2023-03-19
上一页 59 60 61 62 63 ... 68 下一页
共68页    到第

北方有色为您提供最新的江苏南通有色金属环境保护技术理论与应用信息,涵盖发明专利、权利要求、说明书、技术领域、背景技术、实用新型内容及具体实施方式等有色技术内容。打造最具专业性的有色金属技术理论与应用平台!

全国热门有色金属设备推荐
展开更多 +
全国热门有色金属技术推荐
展开更多 +

 

江西省隆恩特环保设备有限公司
宣传

报名参会
更多+

报告下载

有色专家
更多+

郑州大学
中国工程院 院士
武汉科技大学
校学术委员会主任 / 教授
西安建筑科技大学
院长/教授
武汉科技大学
院长 / 教授
中南大学、中国工程院
院士
赤泥综合利用研究报告2025
推广

热门技术
更多+

推荐企业
更多+

福建省金龙稀土股份有限公司
宣传

发布

在线客服

公众号

电话

顶部
咨询电话:
010-88793500-807