青岛垚鑫智能科技有限公司
宣传

位置:北方有色 >

有色技术频道 >

> 复合材料技术

分类:
全部
矿山技术
冶金技术
材料制备及加工技术
环境保护技术
分析检测技术
 
全部
功能材料技术
复合材料技术
新能源材料技术
合金材料技术
加工技术
地区:
全部
北京
天津
上海
重庆
河北
山西
辽宁
吉林
黑龙江
江苏
浙江
安徽
福建
江西
山东
河南
湖北
湖南
广东
海南
四川
贵州
云南
陕西
甘肃
青海
内蒙
广西
西藏
宁夏
新疆
其他
其他
展开
 
全部
合肥
芜湖
蚌埠
淮南
马鞍山
淮北
铜陵
安庆
黄山
阜阳
宿州
滁州
六安
宣城
池州
亳州

安徽滁州有色金属复合材料技术理论与应用

免费发布技术信息>>
耐高温汽车连接件用PA12复合材料

本发明公开了一种耐高温汽车连接件用PA12复合材料,其是由下述重量份的原料制得:尼龙PA12?300-350、ABS?23-27、PET?15-18、硬脂酸4-6、硬脂酸钙1-2,微晶蜡3-5、三氧化二铝5-8、氮化铝10-15、异丙基二硬脂酰氧基铝酸酯3-4、聚异丁烯6-8、偏苯三酸三辛酯1-2、抗氧剂T501?0.2-0.4、马来酸二辛酯1-2、助剂13-18。

标签:
复合材料
安徽 - 滁州 来源:北方有色网 2023-03-18
绢云母改性的抗紫外高分子母粒及其复合材料

本发明公开了一种绢云母改性的抗紫外高分子母粒及其复合材料,所述高韧性建筑材料包括以下重量份的原料:绢云母40-60份;聚氯乙烯5-15份;酚醛树脂5-10份;脂肪酸甘油酯1-3份;脂肪酸山梨坦0.5-2份;聚山梨酯0.2-0.9份;乙烯基硅烷0.5-1份;氨基硅烷1.1-1.8份;甲基丙烯酰氧基硅烷0.2-0.8份;脂肪酸0.6-1.4份。本发明中,通过对绢云母做了表面活化剂的改性,然后再将活化后的绢云母和聚合物进行组合,而且表面活化剂中还添加了表面助剂,可以增强绢云母的活化性能,通过这样的添加可以使母粒简化了生产的流程,而且产品的品质更稳定。

标签:
复合材料
安徽 - 滁州 来源:北方有色网 2023-03-18
风电拉挤大梁用环氧树脂基复合材料及其制备方法

本发明公开了一种风电拉挤大梁用环氧树脂基复合材料,原料包括:增强纤维、改性环氧树脂和改性固化剂,其中改性环氧树脂和改性固化剂的质量比为100:104‑107;改性环氧树脂的制备方法为:按重量份,将双酚A环氧树脂为50‑90份、1,4‑丁二醇二缩水甘油醚为5‑10份、脂环族环氧树脂为10‑20份加入反应釜中,升温至80‑90℃,搅拌混合均匀,然后降温至60‑70℃,加入润湿剂0.5‑2份,继续搅拌30‑50min后,真空脱泡得到改性环氧树脂,本发明克服了现有技术的不足,增加了产品的可操作性浸润性提高,而且增强了树脂体系的热稳定性,可提高产品的耐热等级使得产品使用环境不受限。

标签:
复合材料
安徽 - 滁州 来源:北方有色网 2023-03-18
碳纤维复合材料电缆线的制作方法

本发明涉及一种碳纤维复合材料电缆线的制作方法,包括承重芯(12)和保护层(13),所述保护层(13)通过缠绕工艺包覆在所述承重芯(12)的外部,所述承重芯(12)为耐高温高力学性能环氧树脂与碳纤维的复合物,所述保护层(13)为耐高温耐侯性能环氧树脂组合物与玻璃纤维的复合物。本发明采用海因环氧树脂和低粘度环氧树脂的共混型环氧树脂作为树脂基体,不仅能满足玻璃纤维对树脂低粘度的要求,还可以使电缆芯具备优异的耐高温性能。

标签:
复合材料
安徽 - 滁州 来源:北方有色网 2023-03-18
导电氯化聚乙烯复合材料

本发明公开了一种导电氯化聚乙烯复合材料。涉及导电材料技术领域,包括以下原料:氯化聚乙烯、氯醚橡胶、苯基含氢硅树脂、超细粉煤灰磁珠、水镁石纤维、偶联剂、防老剂、交联剂、分散剂。本发明的复合导电材料机械强度高,抗氧化耐老化,耐高温阻燃,耐环境应力开裂,应用性能好,使用寿命长。

标签:
复合材料
安徽 - 滁州 来源:北方有色网 2023-03-18
自润滑轴承复合材料工艺流程

本发明公开了一种用于轴承制造的复合材料工艺流程,它包括如下步骤:1)下料、预处理:先将铜网按一定尺寸裁下,再将其进行轧制,使得厚度均匀,然后在800℃的网带烧结炉中,烧结时间15分钟后,进行退火处理,消除应力;2)轧制:将聚四氟乙烯合成胶体使用轧机将铜网与聚四氟乙烯合成胶体相互挤压并紧密粘合在一起,形成板材;3)烘干:通过烘干炉将其70%的水分在5分钟内除去;4)精轧:通过轧机将其轧制得更加紧密;5)烧结:将其置于通有氮气的烧结炉内,在370℃的环境中将其烧结成型;6)轧制、校平:将其通过施加很小压力的轧机,将其达到表面光亮。本发明具有提高物质均匀度、产品质量和稳定性的优点。

标签:
复合材料
安徽 - 滁州 来源:北方有色网 2023-03-18
家用电器电源线外护套用聚醚砜/聚酰胺酰亚胺复合材料及其制备方法

本发明公开了一种家用电器电源线外护套用聚醚砜/聚酰胺酰亚胺复合材料及其制备方法,其由以下重量份的原料制成:聚醚砜29-46、聚酰胺酰亚胺22-37、二羟基聚醚17-22、邻苯二甲酸二正戊酯9-16、季戊四醇磷酸酯三聚氰胺盐5-10、甘油三苯甲酸酯4-8、硫化锌3-6、胶体五氧化二锑10-15、陶瓷抛光废渣17-24、二盐基性亚磷酸铅2-4、山梨糖醇1-3、芥酸酰胺3-5、纳米硼化铬12-18、阻燃颗粒20-30。本发明制得的材料具有优异的耐磨性、耐曲挠性和耐热老化性,使用寿命长。

标签:
复合材料
安徽 - 滁州 来源:北方有色网 2023-03-18
高反射率的涂层遮阳复合材料及其制备方法

本发明公开了一种高反射率的涂层遮阳复合材料,包括基布,所述基布的正反面分别涂刷有正面涂层和反面涂层,所述基布的表面还涂刷有面涂层,产品的表面由于涂上了表处剂,所以表面很光滑,并且自洁功能好,由于立涂涂的有黑灰色,具有很好的遮阳功能,作为各类篷房用顶布,广泛用于各种场合。

标签:
复合材料
安徽 - 滁州 来源:北方有色网 2023-03-18
电缆涂层阻燃复合材料及其制备方法

一种电缆涂层阻燃复合材料,涉及电缆加工技术领域,由以下重量份的原料制成:硅酸钾溶液750-760份、氢氧化锂水溶液25-35份、硅石灰120-130份、聚苯硫醚9-11份、石墨6-8份、聚四氟乙烯15-25份、二甲苯剂4-6份、钛白粉8-10份、防霉剂3-5份。本发明的有益效果是:本发明工艺流程简洁,原料配比合理,具有耐化学腐蚀和防火阻燃性,同时保证了材料整体的力学性能,造价成本低,便于推广及使用。

标签:
复合材料
安徽 - 滁州 来源:北方有色网 2023-03-18
耐老化聚氨酯复合材料

本发明公开了一种耐老化聚氨酯复合材料,其原料包括:聚氧化丙烯二醇、端羟基液体硅橡胶、端羟基液体丁腈橡胶、1,4?环己烷二异氰酸酯、1,5?萘二异氰酸酯、1,4?丁炔二醇、1,4?二(2?羟基乙氧基)苯、4,4’?二氨基联苯砜、二月桂酸二丁基锡、双十二烷基二甲基溴化铵、氧化石墨烯、碳纳米管、羟基聚二甲基硅氧烷、热稳定剂、聚苯乙烯、稀土配合物;热稳定剂的原料包括:纳米二氧化钛、三氧化钼、三氧化二铋、三甘醇双?[3?(3?叔丁基?4?羟基?5?甲基苯基)丙酸酯]、二亚磷酸季戊四醇二异癸酯、亚磷酸一苯二异癸酯、2,2’?硫代双[3?(3,5?二叔丁基?4?羟基苯基)丙酸乙酯]。

标签:
复合材料
安徽 - 滁州 来源:北方有色网 2023-03-18
电缆桥架专用型耐腐蚀低重量复合材料的生产工艺

本发明公开了一种电缆桥架专用型耐腐蚀低重量复合材料的生产工艺,包括以下步骤:步骤一,耐腐浸润液的制备:将六亚甲基四胺耐腐剂加入到质量分数为20‑30%的氯化锌溶液中,边搅拌边加入,随后再加入三甘醇,以100‑200r/min的转速进行搅拌分散20‑30min,得到耐腐浸润液。本发明以PVC、ABS为主基料,PVC、ABS可普遍应用在电缆桥架上,且二者耐腐性能好,PVC、ABS先经过表面活化处理,然后置于耐腐浸润液中改性,耐腐浸润液中氯化锌可对PVC、ABS渗透,氯化锌携带六亚甲基四胺耐腐剂对其内部进行改观,从内到外改善耐腐效果。

标签:
复合材料
安徽 - 滁州 来源:北方有色网 2023-03-18
农业大棚用复合材料透明波纹瓦的制作方法

本发明公开了农业大棚用复合材料透明波纹瓦的制作方法,属于农业种植技术领域;将聚酯薄膜放在操作平台上,铺放一层聚酯薄膜,在薄膜上铺好一层方格布,再在方格布上铺一层方格布,再在上面铺簿膜再铺两层方格布在铺薄膜;如此重复铺放许多层,当铺好后再进行手糊操作生产;用塘瓷把缸从塘瓷桶中取出配好的胶料倒在铺好的最上层方格布上,用一个大刮板将树脂迅速均匀展开,另取一张聚酯薄膜盖在上面;换一个小刮板在聚酯薄上面刮除夹在方格布中的气泡;将夹有方格布的上层薄膜一起移放在一波型金属模具上或其它材质的波型正模具上;它简单易行,成本低,可以根据需要定制大小,且质量有保证,无需从市场上高价收购后在裁剪,节省了成本,经济效益高,实用性能强。

标签:
复合材料
安徽 - 滁州 来源:北方有色网 2023-03-18
彩色钢板塑料复合材料推拉窗

本实用新型涉及一种彩色钢板塑料复合材料推拉窗,包括用于固定窗户玻璃的边框(1),其特征是边框(1)的内腔衬装有PVC型材(2),所述的边框(1)包括彩色涂层钢板、不锈钢板或其他经过防腐处理的钢板材料。本实用新型保留了原采钢窗型材高强度的特征,突出了金属的质感,改变了原采钢窗单道密封、密封条外露,影响美观的缺点,提高了材料的隔热系数,所需主要配件均可与铝合金、塑钢窗配件通用,大大降低了生产成本,在生产工艺上与原彩钢窗相比,减少了生产工序,操作简便,提高工效。本实用新型可装配单玻、中空玻璃等,色彩丰富,与现代房屋建筑很匹配。

标签:
复合材料
安徽 - 滁州 来源:北方有色网 2023-03-18
钢基铜塑复合材料的生产工艺

本发明公开了钢基铜塑复合材料的生产工艺,它包括如下步骤:1)下料;2)镀铜;3)烧结、冷却;4)复合聚四氟乙烯合成胶体;5)精轧;6)烘干、冷却;7)加压烧结;8)冷却;所述保护气体为氮-氢混合气体;所述加压烧结时,加热温度为370~380℃,压力为40.0~50.0MPa。本发明具有提高产品质量和稳定性,复合强度高的优点。

标签:
复合材料
安徽 - 滁州 来源:北方有色网 2023-03-18
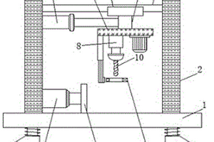
汽车复合材料防撞梁加工用钻孔机

本实用新型涉及钻孔机领域,具体公开了一种汽车复合材料防撞梁加工用钻孔机,针对现有的汽车防撞梁钻孔不精确的问题,现提出如下方案,其包括底座,所述底座上垂直设置有两个支撑立柱,且支撑立柱之间通过支撑横轴连接,所述支撑横轴设置在支撑立柱上远离底座的一端,且支撑横轴上靠近底座的一侧开设有滑槽,所述滑槽上活动开设有滑块,且滑块的底部固定连接有定位柱,所述定位柱上远离滑块的一端垂直连接有安装板,所述安装板上靠近底座的一侧安装有钻机,所述安装板的一侧垂直连接有伸缩滑道。本实用新型通过设置定位板和钻头的位置竖直对齐,可通过定位板预先对钻孔的位置进行定位,使得钻头钻孔的时候,能更加的精确,防止钻歪。

标签:
复合材料
安徽 - 滁州 来源:北方有色网 2023-03-18
碳化硅陶瓷复合材料内衬部件及其制备方法

本发明公开了一种碳化硅陶瓷复合材料内衬部件及其制备方法,其特征在于,由下列重量份的原料制成:碳化硅70-90、不锈钢粉末9-15、钛粉7-9、四甲基氢氧化铵1-2、硅烷偶联剂KH-7921-2、硅粉4-6、丙烯酸树脂2-3、烧结助剂2-4、无水乙醇7-12、炭黑3-4、去离子水80-90;本发明制备的碳化硅复合基陶瓷添加的钛粉增加了陶瓷的致密度和强度,添加的不锈钢粉末降低了烧结温度,并且还加强了材料之间的化学结合力,提高了陶瓷性能,作为内衬部件具有广泛的应用前景。

标签:
复合材料
安徽 - 滁州 来源:北方有色网 2023-03-18
防滑、轻质编织袋复合材料及其制备方法

一种防滑、轻质编织袋复合材料,涉及塑料编织袋印刷技术领域,由以下原料制成:聚丙烯30-35份、增韧剂2-4份、低密度聚乙烯60-70份。本发明的有益效果是:本发明弥补了国内大容积防滑塑料编织袋包装空白,本发明制备的塑料编织袋材料集廉价、防滑于一身,具有国际市场竞争力于一体的复合塑料包装。

标签:
复合材料
安徽 - 滁州 来源:北方有色网 2023-03-18
抗龟裂纳米氧化镁掺杂聚乙烯直流电缆复合材料及其制备方法

本发明公开了一种抗龟裂纳米氧化镁掺杂聚乙烯直流电缆复合材料,由下列重量份的原料制成:甲壳素晶须0.6?0.8、丁苯橡胶2?3、纳米微晶纤维素1.6?1.8、纳米氧化镁10?11、聚乙烯90?91、N,N’?二甲基甲酰胺30?35、20?22wt%的硫酸溶液200?220、全氟辛酸100?120、纳米聚四氟乙烯微粉23?27、氯仿70?75、甲基丙烯酸甲酯2.4?2.5、过硫酸钾0.1?0.2、非离子硼酸酯1.5?1.6。本发明通过使用甲壳素晶须、丁苯橡胶、纳米微晶纤维素,使得聚乙烯的柔性提高,粘结性提高,抗曲饶龟裂性提高,在安装和运输过程中减少损坏,提高安全性。

标签:
复合材料
安徽 - 滁州 来源:北方有色网 2023-03-18
复合材料构建成型模具

本实用新型公开了一种复合材料构建成型模具,包括底板,所述底板的顶部安装有下模,所述下模的两侧安装有两根立柱,所述两根立柱的顶部通过螺钉安装有横梁,所述下模的上方设有退料模,所述下模靠近退料模的一侧设有凹槽,所述退料模靠近下模的一侧设有凸块,且凸块与凹槽匹配,所述退料模的上方安装有上模,所述上模的上方安装有第一气缸,且第一气缸与横梁连接,所述退料模的一侧安装有第二气缸,且第二气缸与底板连接。本实用新型,退料操作简单,节省人员的劳动量,减少人员的操作难度,提高退料速度,防止产品在退料使的损坏,降低产品的报废率,提高产品的生产效率和质量。

标签:
复合材料
安徽 - 滁州 来源:北方有色网 2023-03-18
汽车连接件用的尼龙PA12复合材料

本发明公开了一种汽车连接件用的尼龙PA12复合材料,其是由下述重量份的原料制得:尼龙PA12?400-480、聚苯醚32-35、氢氧化铝14-18、聚氧乙烯硬质酸酯2-3、苯基甲基二甲氧基硅烷4-6、聚-4-甲基-1-戊烯2-4、苯胺甲基三乙氧基硅烷2-3、聚乙烯蜡1-2、对叔戊基苯酚1-2、助剂10-12。

标签:
复合材料
安徽 - 滁州 来源:北方有色网 2023-03-18
橡胶聚丙烯复合材料及其制备方法

本发明公开了一种橡胶聚丙烯复合材料,它是由下述重量份的原料组成的:苯乙基酚聚氧乙烯醚0.8‑1、二硫化二苯并噻唑1‑2、聚丙烯100‑130、双酚A型环氧树脂14‑20、六水合硝酸钴3‑5、六水合硝酸镍4‑6、九水合硝酸铁5‑7、4,4‑二氨基二苯基甲烷0.8‑1、二硫化钼7‑9、柠檬酸三丁酯4‑5、液体三元乙丙橡胶10‑17、环烷酸钙0.7‑1、二甲基二烯丙基氯化铵0.6‑1、异辛酸锰0.1‑0.2。本发明加入的液体三元乙丙橡胶可以有效的改善填料粒子在聚合物间的分散性,提高成品的硬度和抗性。

标签:
复合材料
安徽 - 滁州 来源:北方有色网 2023-03-18
汽车连接件用尼龙PA12/有机黏土复合材料

本发明公开了一种汽车连接件用尼龙PA12/有机黏土复合材料,其是由下述重量份的原料制得:尼龙PA12?450-480、PPO24-28、纳米陶土23-28、烟片胶1-2,乙撑双硬脂酸酰胺4-6、聚四氟乙烯12-15、硫代二丙酸二月桂酯4-6、白油膏2-3、二甲基二氯硅烷5-7、硫酸铝1-2、2-乙基己基磷酸酯2-3、有机黏土18-25,助剂13-16。

标签:
复合材料
安徽 - 滁州 来源:北方有色网 2023-03-18
遥控器外壳用改性ABS复合材料

本发明公开了一种遥控器外壳用改性ABS复合材料,其原料按重量份包括:主料90‑100份,四[β‑(3,5‑二叔丁基‑4‑羟基苯基)丙酸]季戊四醇酯0.4‑1份,亚磷酸三(十六碳醇)酯0.8‑1.6份,月桂酸锌1‑2份,阻燃剂2‑4份,相容剂1‑2份,重质碳酸钙15‑30份,蛭石粉15‑24份。主料按重量份包括:改性ABS树脂60‑80份,聚对苯二甲酰对苯二胺15‑35份。改性ABS树脂采用如下工艺制备:将ABS树脂辐照处理,加入聚丁二烯,升温搅拌,加入聚酰胺继续搅拌得到改性ABS树脂。本发明硬度高,具有优异的耐冲击性、表面耐刮擦性和阻燃性,而且热分解温度、玻璃化温度高,能够满足遥控器外壳用塑料的要求,具有相当的推广应用价值。

标签:
复合材料
安徽 - 滁州 来源:北方有色网 2023-03-18
抗老化的汽车连接件用尼龙PA12复合材料

本发明公开了一种抗老化的汽车连接件用尼龙PA12复合材料,其是由下述重量份的原料制得:尼龙PA12?430-480、聚苯乙烯32-35、二氧化硅15-18、磷酸三苯酯2-3、氢氧化铝6-9、抗氧剂264?1-2、抗氧剂10761-2、抗氧剂22461-2、海泡石粉13-15、醋酸乙烯酯5-6、环烷酸钙1-2、环氧硬脂酸辛酯1-2、环烷酸镁1-2,助剂10-12。

标签:
复合材料
安徽 - 滁州 来源:北方有色网 2023-03-18
针对易碎品运输的木质纤维复合材料的包装箱结构

本实用新型公开了一种针对易碎品运输的木质纤维复合材料的包装箱结构,包括箱体,还包括多个载物盒、对称设置的挡板和对称设置的限位板;所述载物盒等距插设在箱体的内侧壁上;所述挡板与限位板均弹性连接在载物盒的侧壁上,且挡板与限位板分别分布与载物盒的四周壁上;所述载物盒的底部固定连接有减震垫;本实用新型不仅能够将多个易碎物品区分放置,避免易碎物品在破碎之后相互影响,同时能够减少箱体在与外物发生碰撞时,所传递给易碎物品的震动幅度,一定程度上减低了易碎物品的破损几率。

标签:
复合材料
安徽 - 滁州 来源:北方有色网 2023-03-18
复合材料地板
复合材料地板 781     
 0

本实用新型公开了一种复合材料地板,包括连接杆、竖杆、竖板、第一横板和第二横板,第一连接件和第二连接件共同组成连接机构,连接杆的底部一侧转动安装在转动座上,连接杆底部的另一侧固定连接有竖杆的顶端,竖杆的侧壁上固定连接有插块,竖杆滑动设置在导滑槽内,导滑槽固定安装在第二凹槽内,导滑槽的一端固定连接有竖板,竖板上开设有用于与插块相互插接的插孔,旋转连接杆使竖杆沿着环形导滑槽移动直至插入竖板中,从而实现对第一横板和第二横板的连接固定,连接后的地板可以直接铺设,由于连接机构的提前限位作用,地板之间可以紧密连接,不会受到施工地面因素和施工工艺的影响而留有缝隙,保证了施工质量。

标签:
复合材料
安徽 - 滁州 来源:北方有色网 2023-03-18
保温防火环保复合材料及其制备方法

本发明公开了一种保温防火环保复合材料及其制备方法,包括以下重量份的原料:珍珠岩30‑40份、玻化微珠6‑8份、粉煤灰25‑35份、复合阻燃剂7‑9份、防水剂2‑4份、阻燃助剂3‑5份、海泡石6‑8份、蛭石5‑7份、填土15‑20份、煤矸石5‑7份、炉渣7‑11份、耐火纤维5‑9份、水泥10‑16份、助粘剂7‑9份。本发明防火隔热性能好、抗压性能强、吸水率低、导热系数小,材料比重低、强度高、耐高温阻燃性能优越、稳定性较好,此外大量使用的生产废弃物,节约了资源、保护了环境;同时本发明提供的制备方法,其材料成本较低、原料易得、且工艺简明,具有较高的实用价值和良好的应用前景。

标签:
复合材料
安徽 - 滁州 来源:北方有色网 2023-03-18
用于注塑高光塑料件的复合材料

本发明公开了一种用于注塑高光塑料件的复合材料,包括以下重量份的组分:PVC?80~120份;流动改性剂?2~4份;钛白粉3~6份;普通轻质碳酸钙8~10份;热稳定剂?4~6份;紫外线吸收剂?0.1~1份;抗冲击改性剂?9~12份;增亮润滑剂?0.3~0.5份。本发明注塑的塑料件具有良好的表面光泽度,根据ASTMD523-1989测试标准,产品光泽高(60度)达80以上。产品的的拉伸强度好,按ASTMD638-2003测试标准,拉伸强度大于50MPa。比较喷涂所得的产品光泽高,并减少喷涂环节,有效降低成本,降低劳动强度,减少了对环境的污染。

标签:
复合材料
安徽 - 滁州 来源:北方有色网 2023-03-18
复合材料层压板及其制备方法

本发明涉及一种复合材料层压板及其制备方法,属于建筑装饰材料技术领域。本发明的结构包括位于上层的浸胶纸、位于中间的中介层薄片和位于下层的基板,所述中介层薄片与基板之间具有PUR热熔胶层,所述浸胶纸是由热固性树脂浸渍的装饰纸,所述中介层薄片是可分别被热固性树脂和PUR热熔胶渗透的纤维薄片,所述基板是其表面不能与热固性树脂直接粘接的片状板材。本发明利用中介层的纤维作为媒介形成两种固化层,分别粘合两种无法相互粘接的材料。制备过程采用先制备中介层薄板+基板复合基板,然后复合基板与浸胶中热压复合形成该复合层压板的两步生产方法。所得复合层压板具有耐水煮、耐水泡、耐热、不分层和使用寿命长的优点。

标签:
复合材料
安徽 - 滁州 来源:北方有色网 2023-03-18
耐热电源线内护套用尼龙66/聚氨基双马来酰亚胺复合材料及其制备方法

本发明公开了一种耐热电源线内护套用尼龙66/聚氨基双马来酰亚胺复合材料及其制备方法,其由以下重量份的原料制成:尼龙66?39-57、聚氨基双马来酰亚胺18-26、聚(二(苯氧基)偶磷氮烯)15-25、高炉水渣微粉24-32、氯化亚锡?2-4、N-甲基对甲苯磺酰胺3-5、氟锆酸钾5-10、马来酸二甲酯10-15、羟基锡酸锌4-8、溴化亚铜?3-5、氧化聚乙烯蜡4-6、全氟聚醚5-8、胶体石墨粉15-25、阻燃颗粒18-27。本发明制得的材料具有优秀的机械性能、耐磨性能和耐老化性。

标签:
复合材料
安徽 - 滁州 来源:北方有色网 2023-03-18
上一页 4 5 6 7 8 ... 15 下一页
共15页    到第

北方有色为您提供最新的安徽滁州有色金属复合材料技术理论与应用信息,涵盖发明专利、权利要求、说明书、技术领域、背景技术、实用新型内容及具体实施方式等有色技术内容。打造最具专业性的有色金属技术理论与应用平台!

全国热门有色金属设备推荐
展开更多 +
全国热门有色金属技术推荐
展开更多 +

 

江西省隆恩特环保设备有限公司
宣传

报名参会
更多+

报告下载

有色专家
更多+

任灵宝金源矿业股份有限公司
技术发展部经理
中南大学
院长/教授
有研资源环境技术研究院(北京)有限公司
副总经理/教授级高工
武汉科技大学
院长 / 教授
北京科技大学、中国科学院
院士
赤泥综合利用研究报告2025
推广

热门技术
更多+

推荐企业
更多+

福建省金龙稀土股份有限公司
宣传

发布

在线客服

公众号

电话

顶部
咨询电话:
010-88793500-807