青岛垚鑫智能科技有限公司
宣传

位置:中冶有色 >

有色技术频道 >

> 复合材料技术

分类:
全部
矿山技术
冶金技术
材料制备及加工技术
环境保护技术
分析检测技术
 
全部
功能材料技术
复合材料技术
新能源材料技术
合金材料技术
加工技术
地区:
全部
北京
天津
上海
重庆
河北
山西
辽宁
吉林
黑龙江
江苏
浙江
安徽
福建
江西
山东
河南
湖北
湖南
广东
海南
四川
贵州
云南
陕西
甘肃
青海
内蒙
广西
西藏
宁夏
新疆
其他
其他
展开
 
全部
南京
无锡
徐州
常州
苏州
南通
连云港
淮安
盐城
扬州
镇江
泰州
宿迁

江苏有色金属复合材料技术理论与应用

免费发布技术信息>>
环境监测安全防护服
环境监测安全防护服 995     
 0

本发明公开了一种环境监测安全防护服,包括躯干套、腿套、连接圈、拉锁条、弹性腕套、脚套、臂套、手套连接环、手套、弹性项套、头盔、可视眶、呼吸筒、塞槽、密封塞、过滤仓、吸附仓、氧气发生器和导气管。该装置设置有躯干套和腿套,且躯干套和腿套之间通过连接圈连接,连接圈可以通过拉锁条打开,便于工作人员的穿戴,该装置的其他连接部位均是一体式缝合的,防护效果较好,在头盔上设置有呼吸筒,呼吸筒可以选择性的打开和关闭,当呼吸筒关闭时可以通过氧气发生器提供头盔内部的氧气给工作人员呼吸,而且躯干套、腿套、臂套和脚套均是采用含有耐腐蚀层、隔温层和防辐射层的复合材料制成的,能够在不同监测环境下工作。

标签:
复合材料
江苏 - 无锡 来源:中冶有色网 2023-03-18
聚合物基复合电卡材料及其制备方法

本发明公开了一种聚合物基复合电卡材料及其制备方法。所述聚合物基复合电卡材料包括无机纳米纤维和聚合物基体,所述无机纳米纤维的体积百分含量为1~30%;所述无机纳米纤维包括但不限于锆钛酸铅、锆钛酸钡无机纳米纤维。本发明将无机纳米纤维与聚合物基体进行复合,由于无机纳米纤维可在聚合物基体内部引入强界面效应,可以在较低的添加量的情况下使聚合物基复合电卡材料得到较高的电卡效应,从而在满足聚合物基复合电卡材料高电卡性能的同时最大限度得维持聚合物基复合材料原有得机械柔性等相关性能。

标签:
复合材料
江苏 - 无锡 来源:中冶有色网 2023-03-18
建筑用模具梁及制备方法

本申请提供了一种建筑用模具梁及制备方法,所述建筑用模具梁,包括梁本体,定形模具和加强筋,所述定形模具由复合材料围合成封闭的中空梁形状,所述定形模具的两端分别设有进浆口和出浆口,所述梁本体通过灌浆在定形模具中形成,且所述梁本体的外壁与所述定形模具的内壁粘接,所述加强筋嵌设在所述梁本体中,沿所述定形模具的长度方向延伸,且所述加强筋具有与所述梁本体的长度方向相适应的形状。通过上述技术方案,使模具梁相对于同截面积的混凝土钢筋建筑梁,其抗压、抗弯和抗剪力等强度都大大提升,最高可达60%,进而在空间较小时,所述模具梁仍具有较大的支撑强度。

标签:
复合材料
江苏 - 无锡 来源:中冶有色网 2023-03-18
覆铜层压板、印刷电路板及印刷电路板的制造方法

本发明提供了一种覆铜层压板,其包括绝缘基板以及覆盖于绝缘基板表面的铜箔层;绝缘基板包括至少一层第一绝缘层,第一绝缘层为由纤维制成的表面纤维毡与树脂共同形成的共混物或无纺布增强复合材料与树脂共同形成的共混物;铜箔层贴设于第一绝缘层的外表面。本发明还提供了一种印刷电路板,其包括由本发明的覆铜层压板制得。本发明还提供了一种印刷电路板的制作方法。与相关技术相比,本发明的覆铜层压板及印刷电路板介电性能优。

标签:
复合材料
江苏 - 无锡 来源:中冶有色网 2023-03-18
碳纳米管复合纤维及其制备方法

本发明提供了一种碳纳米管复合纤维,包括碳纳米管纤维芯层、橡胶层和环氧树脂层,所述碳纳米管纤维芯层作为所述碳纳米管复合纤维的芯层,所述橡胶层包覆设置在所述碳纳米管纤维芯层的外表面,所述环氧树脂层包覆设置在所述橡胶层背离所述碳纳米管纤维芯层的表面。将橡胶层设置于碳纳米管纤维芯层和环氧树脂层之间,橡胶具有良好的韧性,当材料受到外部载荷时,可以吸收能量,并阻碍裂纹的扩展,可以起到良好的缓冲、增韧作用,整体上提高复合材料的界面韧性。

标签:
复合材料
江苏 - 无锡 来源:中冶有色网 2023-03-18
石墨烯吸波材料制备方法

本发明公开了一种石墨烯吸波材料及其制备方法。本发明要解决目前二次复合空心的四氧化三铁和石墨烯的方法存在操作复杂,并且易出现石墨烯团聚的问题。一种石墨烯吸波材料是以石墨烯为基体,负载空心球形四氧化三铁制备而成的;方法:一、液态均匀混合;二、原位形核生长。本发明由于制备复合材料是在一步反应中完成的,从而减少了引入到最终材料中的污染,同时一步法也能够阻止石墨烯片层的团聚。本发明用于制备的石墨烯吸波材料。

标签:
复合材料
江苏 - 无锡 来源:中冶有色网 2023-03-18
利用纳米碳管负载纳米零价铁处理含铀废水的方法

本发明提供一种合成纳米碳管负载纳米零价铁的材料方法并用于处理含铀废水。该方法是以多壁纳米碳管,硫酸亚铁盐为材料,合成纳米碳管负载纳米零价铁(nZVI‑CNT),用于去除含铀废水中的铀。具体步骤是:(1)按照铁:纳米碳管质量比为3:1合成金属材料;(2)控制每升含铀废水浓度在50mg/L,调节pH在4‑6之间;(3)按照每升加入0.04g合成材料的量,搅拌均匀;(4)1‑2小时后将废水用膜进行加压过滤或者静置提取上清液分离水体和铀;(5)将分离过后的含铀沉淀物通过解吸的方式分离并回收铀和复合材料。本发明对铀的去除容量高达1012.5mg/g。操作简便,去除效率高,去除时间短,环境风险小。具有良好的发展前景。

标签:
复合材料
江苏 - 无锡 来源:中冶有色网 2023-03-18
混合离子电子导电聚合物基界面层及其制备方法和用途

本发明实施例涉及一种固体电解质的混合离子电子导电聚合物基界面层及其制备方法和用途,混合离子电子导电聚合物界面层在固体电解质与电池的碱金属负极相接触的界面上,为聚合物材料、碳材料和/或碳基材料、碱金属盐的复合材料;其中,聚合物材料包括:PEO、PVDF、PPC、PVP、PVDF‑HFP中的一种或多种;碳材料包括:天然石墨、人工石墨、石墨微片、乙炔黑、碳纳米管、碳纤维、石墨烯、氧化石墨烯、还原氧化石墨烯或无定形碳中的一种或多种;碳基材料包括:含烷基、羟基、羧基、羰基、氰基、烯基或炔基的有机基团的碳基材料;碱金属盐包括:LiClO4、LiPF6、LiBOB、CF3SO3Li、F2NLiO4S2、C2F6NO4S2Li的锂盐中的一种或多种,或NaClO4、NaPF6、CF3SO3Na、F2NNaO4S2、C2F6NO4S2Na的钠盐中的一种或多种。

标签:
复合材料
江苏 - 无锡 来源:中冶有色网 2023-03-18
油烟分离与烟气净化处理技术

本发明涉及一种油烟分离与烟气净化处理技术。该技术采用两段处理工艺,第一段采用具备高倍吸油、阻燃且低风阻的聚氨酯材料对油烟分离,油脂分离度大于99%,吸油倍率达50~70倍,材料密度为10~60kg/m3,风阻为10~30Pa,材料燃烧氧指数大于30%;第二段对经过油烟分离后的污染烟气净化处理,采用多功能、高效、长效、一体化、高强度、低衰减的油烟烟气净化处理材料,该复合材料可对厨房产生油烟烟气中的多组分不同类别VOCs进行高效快速吸收催化分解,一次性VOCs的净化率大于99%,风阻低于10Pa,抗压强度大于6MPa。同时,该技术具备低成本、噪音小、能耗低的特点,可广泛运用于家庭、酒店、公共餐饮等单位。

标签:
复合材料
江苏 - 无锡 来源:中冶有色网 2023-03-18
具有纳米微坑表面的双极板及其制备方法和应用

具有纳米微坑表面的双极板及其制备方法和应用,属于液流电池双极板材料领域,要的是使用纳米尺度二氧化硅硅球与导电的高分子复合材料混合后轧辊成复合导电塑料板,然后用氢氟酸蚀刻的方式除掉表面的二氧化硅粒子,效果是增加液流电池中碳毡电极与双极板之间的接触面积,可以有效的降低电池内阻,提高能量效率和电压效率。本发明生产工艺简单,原料来源广泛,适合大规模生产。

标签:
复合材料
江苏 - 无锡 来源:中冶有色网 2023-03-18
LiVOPO<Sub>4</Sub>/C复合正极材料的制备方法

本发明公开了一种LiVOPO4/C复合正极材料的制备方法。该方法包括如下步骤:首先通过柠檬酸、葡萄糖等有机碳源的高温裂解制备出碳修饰的Li3V2(PO4)3‑V2O3/C复合物中间体或者通过喷雾干燥制备出前躯体粉末再与碳材料(乙炔黑、科琴黑、高比表面碳等)进行球磨混合,然后经高温烧结得到碳修饰的2Li3V2(PO4)3‑V2O3/C复合物中间体,最后通过水热氧化反应得到LiVOPO4/C复合材料。碳修饰不仅为LiVOPO4提供了优良的电子传导网络,而且有效抑制了制备过程中LiVOPO4颗粒的生长,从而显著改善了LiVOPO4的电化学性能。

标签:
复合材料
江苏 - 无锡 来源:中冶有色网 2023-03-18
减振装置以及制冷设备

本发明涉及家电技术领域,尤其涉及一种减振装置及制冷设备。该减振装置包括外壳、线圈组件、芯体以及安装组件,外壳由压电复合材料制成,线圈组件设置在外壳的内部且与外壳电连接,芯体由超磁致伸缩材料制成且设置在线圈组件的内部,安装组件设置在外壳的上端且用于安装压缩机,外壳的底端安装在底盘上。由于本发明的减振装置不再受隔振率的约束,本发明的减振装置能够对1HZ~100HZ范围内的振动均有较好效果,该减振装置能够对范围较宽的振动频率的振动起到较好的减振效果。该制冷设备,既能够在高频振动的工况下有较好的减振效果,还能够在低频振动的工况下有较好的减振效果。

标签:
复合材料
江苏 - 无锡 来源:中冶有色网 2023-03-18
三维打印材料及其制备方法和应用

本发明涉及一种三维打印材料及其制备方法和应用。本发明以聚己内酯、羟基磷灰石、聚乳酸、聚醚醚酮和锶掺杂介孔生物活性玻璃为原料,成功制备了用于3D打印的复合材料,进一步通过机械性能测试和生物学实验证实所得材料具备优异的力学性能,能显著促进细胞增殖和成骨分化,无溶血性,生物相容性好,能在体内降解。因此可用于制备医用人工骨,以治疗骨损伤,如眶颧颌复合体损伤等。

标签:
复合材料
江苏 - 无锡 来源:中冶有色网 2023-03-18
碳纤维快速贴附双相层碳纳米管的表面改性方法

本发明公开了一种碳纤维快速贴附双相层碳纳米管的表面改性方法,属于新材料领域。工艺包括以下步骤:(1)将碳纳米管与适量工质混合并压制成一定形貌的电极;(2)将两支碳纳米管电极对置,中间留有1‑2mm间距的缝隙;(3)将碳纤维单丝上浆;(4)将上浆后的碳纤维单丝以一定速度通过对置的碳纳米管电极缝隙;(5)将碳纤维单丝和碳纳米管电极接入高压电路使间隙中的碳纤维单丝对两边的碳纳米管电极放电;(6)对粘附碳纳米管的碳纤维进行干燥使上浆剂固化。本发明的有益效果是,整个实施方法十分简单,具有良好的产业化基础,可制备出性能更佳优良的碳纤维复合材料。

标签:
复合材料
江苏 - 无锡 来源:中冶有色网 2023-03-18
连续导电原位C/Ag, 金属固溶体/Mg2+掺杂BiF3正极及制备方法

一种连续导电原位C/Ag,金属固溶体/Mg2+掺杂BiF3复合氟化铋锂离子电池正极材料及制备方法,该方法通过低温、高真空条件下的干燥过程及气体保护下的碳化及原位还原过程,形成具有孔洞及空隙结构的连续碳膜,并在该碳膜上固定形成氟化铋并在氟化铋颗粒的表面原位还原出一定量的金属固溶体和银,起到大幅度提高复合材料的电子电导率;为电极材料在放电时提供了同质结晶核心,降低新相形成的动力学阻碍;提高放电反应速率;Mg2+掺杂还有利于减小放电产物的晶粒度;同时还避免了在液相反应中生成氟化铋的多种复盐等副反应产物并具有优异的电化学性能。

标签:
复合材料
江苏 - 无锡 来源:中冶有色网 2023-03-18
热交换器用钎焊铝合金复合板材、芯层材料及制备方法

本发明涉及一种热交换器用钎焊铝合金复合板材、芯层材料及制备方法。所述芯层材料为铝合金,其含有0.6‑0.9%质量的Si,0.2‑0.5%质量的Fe,0.4‑0.8%质量的Cu,1.3‑1.6%质量的Mn,0.05‑0.15%质量的Ti,0‑0.15%质量的Zr,其余为Al和小于0.15%质量的不可避免杂质。所述复合板材包括皮材、所述芯层材料和防腐层,所述芯层材料的一侧复合有皮材,其为4系铝合金;所述芯层材料的另一侧复合有防腐层,其为AA7072铝合金。本发明的热交换器用钎焊铝合金复合板材、芯层材料及制备方法,在保持或提高铝合金复合材料加工成型性的同时,进一步提高了复合板材的钎焊后强度和耐蚀性。

标签:
复合材料
江苏 - 无锡 来源:中冶有色网 2023-03-18
连续碳纤维增强热塑性树脂基预浸料制备装置及方法

本发明公开复合材料领域中一种连续碳纤维增强热塑性树脂基预浸料制备装置及方法,通过左、右楔形摆块分别与第一左、右弹性张力辊配合实现碳纤维松束、开纤、张紧,通过左、右楔形摆块分别与第二左、右弹性张力辊的接触和快速下压作用,使张紧的碳纤维束对熔融态基体树脂膜进行快速垂直向下切割,并包埋入其中,实现碳纤维丝束在热塑性基体树脂中的嵌入及包埋,再通过随后压力辊的二次压实制备单向连续碳纤维热塑性预浸带料,通过二次纺织或编织,制成各种单向、双向、斜向及三维连续碳纤维增强预浸布或织物,很好地解决了热塑性树脂基体粘性大、对碳纤维束浸透性差和浸润难、树脂含量难以精确控制的问题,也适用于热固性碳纤维预浸料带制备。

标签:
复合材料
江苏 - 无锡 来源:中冶有色网 2023-03-18
纤维湿法缠绕用耐热中温固化环氧树脂体系

本发明提供一种纤维湿法缠绕用耐热中温固化环氧树脂体系,其特征在于,所述环氧树脂体系包括环氧树脂和固化剂,所述环氧树脂为双酚F型环氧树脂或双酚A型环氧树脂,所述固化剂为二乙基甲苯二胺、异佛尔酮二胺及甲基环己二胺复配得到;所述二乙基甲苯二胺、异佛尔酮二胺及甲基环己二胺的质量比为100:10~30:0~10。本发明可以提高芳香胺/环氧体系的活性,在保证耐热性的前提下,使其能够中温固化,同时由于脂环族二胺的加入,使体系的韧性提高。并且优选的环氧树脂体系满足湿法缠绕工艺对粘度和适用期的要求,可以与纤维复合制备高性能复合材料。

标签:
复合材料
江苏 - 无锡 来源:中冶有色网 2023-03-18
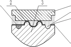
复合钢板及其制作方法
复合钢板及其制作方法 1087     
 0

本发明公开了一种复合钢板及其制作方法,所述复合钢板包括夹心钢板、纤维筋或纤维束、锚具、垫板;所述夹心钢板包括上面板、下面板,上面板与下面板之间等间距布置腹板;所述纤维筋或纤维束穿过夹心钢板,两端被锚具和垫板固定。本发明的本复合钢板,质量轻、厚度薄、承载力大、抗疲劳性能好、并且施工简单。可以很好的提高加固钢梁的工作性能。本复合钢板中使用的纤维筋或纤维束直径较小,可大大减小复合钢板的厚度。且空心不锈钢钢板和纤维筋或纤维束有良好的耐腐蚀性,这两种材料组成的复合材料具有可焊接性,因此可用于钢梁的加固补强。

标签:
复合材料
江苏 - 无锡 来源:中冶有色网 2023-03-18
表面改性纤维及其制备方法

本发明涉及一种与热固性树脂更强结合能力的表面改性纤维及其制备方法。该表面改性纤维是通过在纤维的表面涂覆表面改性剂制备,所述的表面改性剂的结构通式为:其中:m,n为正整数,且1≤m≤5000,1≤n≤5000,m:n=1:99‑99:1;R1为:‑NH2、‑COOH、‑OH、—SH、中的任意一种;R2,R3,R4相互独立地为‑H、‑CH3、‑NH2、‑OH、‑COOH、‑SH中的任意一种;R5为:‑H、‑CH3;L1为‑NH‑、‑O‑中的任意一种;L2中的任意一种;a和b为正整数,且0≤a≤12,0≤b≤3。该改性纤维用于复合材料时,由于基体树脂与纤维表面的结合能力增强,具有优异的力学性能。同时制备工艺简单,适合工业化生产。

标签:
复合材料
江苏 - 无锡 来源:中冶有色网 2023-03-18
硅/碳/石墨复合负极材料的制备方法

本发明公开了一种硅/碳/石墨复合负极材料的制备方法,由以下步骤组成:将质量比为1:0.5~1.2的微米级硅粉与有机碳源加入去离子水,球磨2~10h,筛分出100目的浆料;将浆料与石墨和粘结剂用去离子水混合,边搅拌,边喷雾干燥,筛分出过300目的硅碳前驱混合物,以5/min速率升温至600~1200℃,保温4~12h热解,再以5℃/min速率降温至300℃,冷却至室温,得到所述硅/碳/石墨复合负极材料。本发明制备的硅/碳/石墨复合负极材料的方法实现硅碳复合材料中硅、石墨颗粒和有机碳源的有效复合,从而缓解和抑制硅材料在充放电过程中的体积膨胀效应,提高材料的导电性,达到改善材料循环稳定性的目的。

标签:
复合材料
江苏 - 无锡 来源:中冶有色网 2023-03-18
可用于超级电容器的混合掺杂的电极材料及其制备方法

本发明公开了一种可用于超级电容器的混合掺杂的电极材料,其特征在于,由下列重量份的原料制成:丝瓜络60‑63、胖大海37‑40、蒸馏水适量、氯化锌39.5‑40、氯化锂8‑8.5、乙炔黑5‑6、钴酸镍粉末3‑4、次磷酸钠13‑15、聚苯胺6‑7、聚乙烯醇7‑9、尿素3‑4、对甲基苯磺酸钠1.5‑2。本发明还将钴酸镍、次磷酸钠与聚苯胺通过一系列的工艺与植物基多孔炭材料相互掺杂,协同作用以及特殊的堆积方式,极大地提高了复合材料的能量密度,制成的超级电容器表现出高容量、大倍率、长循环等优良特性。

标签:
复合材料
江苏 - 无锡 来源:中冶有色网 2023-03-18
非晶合金粉末及其制备方法

本发明属于金属基软磁复合材料领域,所述制备方法包括如下步骤:对非晶合金薄带进行破碎处理,得到碎片;在惰性气氛下,对所述碎片进行热处理,并在热处理过程中,对所述碎片连续搅拌;对热处理后的所述碎片进行研磨处理,得到非晶合金粉末。该制备方法生产效率高、废品率低、生产成本低,具备大规模工业化应用的优势。所制得的非晶合金粉末边缘圆滑,无尖锐角、颗粒长宽均匀,可被大量用于一些有高频低损耗应用要求的电子器件中,特别是可被大量用于气隙型软磁粉芯原料。

标签:
复合材料
江苏 - 无锡 来源:中冶有色网 2023-03-18
高弹性表面光洁无胶棉的高效节能定型方法

本发明涉及一种高弹性表面光洁无胶棉的高效节能定型方法,依次包括:原料配比、混合、开松、进入棉箱(储存箱)、梳棉、铺网(形成不同的三条线棉网),将三组棉网进行在线叠层复合,烘箱烘烤、成型、打卷、包装;按三组设计原料不同配比分别进行混合开松梳棉形成不同的三条线棉网,通过连接过桥将三组棉网进行在线层叠复合,烘箱烘烤、成型、打卷、包装形成后续一条线生产。该复合材料内层采用弹性纤维,表层均采用低熔点纤维,利用本方法生产的无胶棉具有较好的弹性,表面光洁,其创新方法高效节能。

标签:
复合材料
江苏 - 无锡 来源:中冶有色网 2023-03-18
多元复合织构导向滑动摩擦副、加工方法及其用途

本发明提供了一种多元复合织构导向滑动摩擦副、加工方法及其用途,通过激光器在摩擦副工作平面上加工出有序均布的微凹坑与微凸体复合微织构形貌,并采用填压工艺将复合纳米固体润滑剂填入微凹坑结构中。本发明运用激光微织构方法对导轨工作平面进行非接触式加工同时填涂纳米复合材料,可有效抑制机床导轨的爬行现象,在低速重载等复杂工况下能够有效润滑导轨,起到减摩抗粘作用。

标签:
复合材料
江苏 - 无锡 来源:中冶有色网 2023-03-18
纺织纤维/石墨烯/Sn3O4复合环境催化材料的制备方法

本发明涉及一种纺织纤维/石墨烯/Sn3O4复合环境催化材料的制备方法,包括:将纺织纤维浸渍到氧化石墨烯的饱和分散液中,然后烘干,清洗,然后置于还原剂溶液中,50~80℃反应0.5~1h,清洗,烘干,得到纺织纤维/石墨烯;将纺织纤维/石墨烯加入到NaOH和Na3PO4溶液中,搅拌,然后加入SnCl2和尿素,120~180℃水热反应3~8h,冷却后洗涤,烘干,得到纺织纤维/石墨烯/Sn3O4复合环境催化材料。本发明的方法简单,适合于工业化生产;得到的复合材料具有较好的环境净化效果。

标签:
复合材料
江苏 - 无锡 来源:中冶有色网 2023-03-18
氧化石墨烯纤维及其制备方法

本发明属于氧化石墨烯复合材料制备的技术领域,具体涉及一种氧化石墨烯纤维及其制备方法,包括以下步骤:步骤1,以氧化石墨烯为原料,将氧化石墨烯水分散液置于油浴锅中,在一定温度下搅拌浓缩到粘稠状,得浓缩氧化石墨烯;步骤2,配置浓度适宜的离子液水溶液;步骤3,以离子液水溶液为凝固液,通过湿法纺丝技术制备氧化石墨烯纤维。本发明以有机物的离子液在氧化石墨烯片层间产生连接来代替以往的金属离子的片层间连接。本发明操作简单,绿色环保,成本低廉,并且可以快速大量生产,制备的氧化石墨烯纤维在抗拉强度和稳定性上都不输以往的凝固液,可将此方法广泛应用到氧化石墨烯、石墨烯材料的改性等领域。

标签:
复合材料
江苏 - 无锡 来源:中冶有色网 2023-03-18
3D打印热塑性聚氨酯材料及其制备方法

本发明公开一种3D打印热塑性聚氨酯材料及其制备方法,其重量份组成如下:大分子多元醇35-75份,含氟多元醇0-10份,小分子扩链剂2-25份,含氟扩链剂0-7份,异氰酸酯5-60份,水解稳定剂0-8份,其他助剂0-10份。与现有技术相比,该制备方法采用原位聚合一步法,采用含氟多元醇或含氟扩链剂中的一种或多种将氟元素引入热塑性聚氨酯材料内,制备出一种其兼具含氟化合物和TPU优点的3D打印热塑性聚氨酯材料。该复合材料具有优异的热稳定性、低收缩率、高力学性能、低吸水率,其3D制品性能优异。

标签:
复合材料
江苏 - 无锡 来源:中冶有色网 2023-03-18
碳纳米管/棉复合物的制备方法

本发明涉及一种碳纳米管/棉复合物的制备方法,将酸化后改性的多壁碳纳米管与十二烷基磺酸钠SDBS混合,超声分散,得到碳纳米管分散液;将棉织物与碳纳米管分散液进行处理,冷却至室温后取出,洗净,室温晾干,即得。本发明复合物质量轻、柔软性好,可用于柔性电极材料领域;更重要的是该复合材料可作为其他电极材料的基材,有利于提高整体的导电性和比电容;制备方法简单易行,避免了以往反复“浸渍‑烘干”的复杂工艺方法,具有省时省效的特点,利于批量生产。

标签:
复合材料
江苏 - 无锡 来源:中冶有色网 2023-03-18
含改性炭黑-碳纳米管的PC-PET基LED散热材料及其制备方法

本发明公开了一种含改性炭黑-碳纳米管的PC-PET基LED散热材料及其制备方法,该复合塑料以PC、PET等高分子材料复合作为导热塑料基料,具有良好的综合力学性能以及耐温变稳定性、抗冲击韧性、耐辐照老化性,其中经过离子液体改性的炭黑、碳纳米管复合粉体不仅能降低纳米粉体表面能,提高炭黑与碳纳米管的分散结合性,还能提高炭黑的导热性,降低生产成本,同时也能提高导热粉体与高分子塑料的相容性,从而在基料中形成高效的导热网络,获得良好的传热、散热效果,本发明制备的复合材料制备方法简单,生产成本得到控制,其在LED封装中具有广阔的应用空间。

标签:
复合材料
江苏 - 无锡 来源:中冶有色网 2023-03-18
上一页 511 512 513 514 515 ... 1207 下一页
共1207页    到第

中冶有色为您提供最新的江苏有色金属复合材料技术理论与应用信息,涵盖发明专利、权利要求、说明书、技术领域、背景技术、实用新型内容及具体实施方式等有色技术内容。打造最具专业性的有色金属技术理论与应用平台!

全国热门有色金属设备推荐
展开更多 +
全国热门有色金属技术推荐
展开更多 +

 

江西省隆恩特环保设备有限公司
宣传

报名参会
更多+

报告下载

有色专家
更多+

中南大学
中国工程院院士
南方科技大学
外籍院士
赣州江钨钨合金有限公司
工程师
任灵宝金源矿业股份有限公司
技术发展部经理
江西理工大学
副处长/教授
赤泥综合利用研究报告2025
推广

热门技术
更多+

推荐企业
更多+

福建省金龙稀土股份有限公司
宣传

发布

在线客服

公众号

电话

顶部
咨询电话:
010-88793500-807