青岛垚鑫智能科技有限公司
宣传

位置:中冶有色 >

有色技术频道 >

> 失效分析技术

分类:
全部
矿山技术
冶金技术
材料制备及加工技术
环境保护技术
分析检测技术
 
全部
物理检测技术
化学分析技术
力学检测技术
无损检测技术
失效分析技术
环境检测技术
地区:
全部
北京
天津
上海
重庆
河北
山西
辽宁
吉林
黑龙江
江苏
浙江
安徽
福建
江西
山东
河南
湖北
湖南
广东
海南
四川
贵州
云南
陕西
甘肃
青海
内蒙
广西
西藏
宁夏
新疆
其他
其他
展开
 
全部

有色金属失效分析技术理论与应用

免费发布技术信息>>
汽车智能轮毂轴承单元监测预警系统

本发明涉及轴承的监测系统,汽车智能轮毂轴承单元监测预警系统,包括温度传感器、振动传感器、信号分析芯片和给信号分析芯片供电的电池,温度传感器、振动传感器都与信号分析芯片连接;还包括加密模块、无线发送模块、车载控制器、报警装置和LCD显示器,加密模块安装在信号分析芯片上,无线发送模块与信号分析芯片连接并通过加密模块将分析后的信息发送给车载控制器,LCD显示器与车载控制器连接并显示轴承温度值和振动频率,报警装置与车载控制器连接。轮毂轴承失效前温度平衡的破坏是监测和预警的重要依据,通过本发明的平台系统的实时监测和及时预警,实现轴承失效的预测和及时维修,很大程度的提高了汽车的安全性和可靠性。

标签:
失效分析
浙江 - 杭州 来源:中冶有色网 2023-03-19
基于EMMI的化合物半导体器件直流测试系统

本发明公开了基于EMMI的化合物半导体器件直流测试系统,包括测试夹具、源极直流电源、栅极直流电源、漏极直流电源和EMMI平台;化合物半导体器件装配在测试夹具中,EMMI平台采集化合物半导体器件在不加电情况下的背景噪声信号;然后采用源极、栅极和漏极直流电源通过测试夹具使得化合物半导体器件处于不同工作状态,同时EMMI平台采集化合物半导体器件的光信号,并扣除背景噪声信号,生成化合物半导体器件在工作状态下的EMMI分析图,并分析化合物半导体器件是否失效,根据EMMI分析图对失效的化合物半导体器件失效部位定位。本发明创新性的将器件的直流工作状态与电致发光原理相结合,实现化合物半导体器件的测试。

标签:
失效分析
江苏 - 南京 来源:中冶有色网 2023-03-19
割草机的控制板监测系统及其监测方法

本发明公开了一种割草机的控制板监测系统及其监测方法,其包括,电源供电模块、电源处理模块、微处理器控制模块、角度监测模块、电流处理模块电机驱动模块、看门狗模块与继电器模块。当割草机在割草的过程中检测到主板上的电子零部件的状态出现异常或微处理器模块失效后,割草机就会刹车制动,因而本发明具有割草效率高和安全性好等优点。

标签:
失效分析
江苏 - 常州 来源:中冶有色网 2023-03-19
微铣削镍基高温合金预测残余应力的仿真方法

本发明微铣削镍基高温合金预测残余应力的仿真方法属于有限元仿真切削领域,涉及一种难加工材料镍基高温合金的切削加工中,残余应力预测分析的有限元仿真方法。仿真方法运用有限元仿真方法,考虑材料弹塑性本构关系,利用Johnson-Cook断裂失效准则判断失效,从而得到不同切削参数下残余应力预测值。通过扫描电镜将实验用微铣刀拍摄成图片,使用软件将图片绘制成微铣刀实体模型;建立三维被加工工件模型,对模型网格划分。该方法不仅可测量表面残余应力,还能测量深度方向残余应力,解决了测量中沿深度方向残余应力测量困难的问题。减少成本,节省人力。在预测模型中,切削参数可变,有效实现对于难加工材料表面残余应力的预测。

标签:
失效分析
辽宁 - 大连 来源:中冶有色网 2023-03-19
新型的ESP/ABS蓄能器的测试装置及方法

本发明涉及汽车领域的测试装置,旨在提供一种新型的ESP/ABS蓄能器测试装置及方法,包括处在测试回路中的ESP/ABS待测试件,测试回路包括与往复运动装置相连的液压钢瓶、比例阀、压力传感器、位移传感器和工控机。本发明无需用总成做测试件,通过气控液简化/节省了测试所需的设备,可模拟汽车制动回路的液压力增压/减压,从而使ESP/ABS待测试件的试验环境和实际使用工况更接近;本发明进行蓄能器的PV性能曲线和耐久试验,可对ESP/ABS蓄能器性能的直接、准确、快速测试,提前预测,降低失效风险。

标签:
失效分析
上海 - 上海 来源:中冶有色网 2023-03-19
监测密封端面开闭状态的监测式动压密封装置

本发明实施例提供一种监测密封端面开闭状态的监测式动压密封装置,以解决现有技术中不能实时、精确判断密封端面开闭状态临界转速的问题。该装置包括:密封动环、密封静环、静环垫、静环座、弹性元件以及传感器组件。本发明实施例采用传感器元件检测阻止密封静环旋转的剪切阻力值大小;在剪切阻力减小的情况下,确定密封动环和密封静环之间的密封端面开启;在剪切阻力增大的情况下,确定密封动环和密封静环之间的密封端面闭合;在剪切阻力不变的情况下,确定密封动环和密封静环之间的密封端面的开闭状态不变。密封在使用中可迅速提升转速直至密封端面开启,可以有效的规避磨损转速区间,避免密封端面长时间未开启而引起的密封端面磨损失效。

标签:
失效分析
北京 - 北京 来源:中冶有色网 2023-03-19
基于测电流监测地铁站台门绝缘的方法及装置、系统

本公开提供了一种基于测电流监测地铁站台门绝缘的方法及装置、系统,主要技术方案包括:将第一电流传感器连接在引流导线上,所述引流导线用于将站台门各个上下支撑连接件上设置的泄漏电流引出装置,与电流汇集排相连接,并将泄漏电流通过所述电流汇集排接地;将第二电流传感器连接在地铁站台门与列车回流轨之间的等电位线上;监测第一电流传感器采集的第一电流,并监测所述第二电流传感器采集的第二电流;若确定所述第一电流和/或第二电流超过预设报警电流,则确定地铁站台门绝缘失效。可以根据连接在各个引流导线上的第一电流传感器,检测到绝缘故障隐患存在的上下支撑连接件,从而精准排查出故障隐患,并进行定位。

标签:
失效分析
北京 - 北京 来源:中冶有色网 2023-03-19
监测密封端面开闭状态的监测式动压密封装置与方法

本发明实施例提供一种监测密封端面开闭状态的监测式动压密封装置与方法,以解决现有技术中不能实时、精确判断密封端面开闭状态临界转速的问题。该装置包括:密封动环、密封静环、静环垫、静环座、弹性元件以及传感器组件。本发明实施例采用传感器元件检测阻止密封静环旋转的剪切阻力值大小;在剪切阻力减小的情况下,确定密封动环和密封静环之间的密封端面开启;在剪切阻力增大的情况下,确定密封动环和密封静环之间的密封端面闭合;在剪切阻力不变的情况下,确定密封动环和密封静环之间的密封端面的开闭状态不变。密封在使用中可迅速提升转速直至密封端面开启,可以有效的规避磨损转速区间,避免密封端面长时间未开启而引起的密封端面磨损失效。

标签:
失效分析
北京 - 北京 来源:中冶有色网 2023-03-19
软件可靠性的测试数据生成方法

本发明提供了一种软件可靠性的测试数据生成方法,该方法包括:软件失效模式分析步骤,软件空间分析步骤,映射步骤和测试数据生成步骤。本发明其根据研制阶段早期获得的软件失效模式,并分析软件的空间,确定软件的输入变量、输出变量、变量的取值空间、变量在取值空间内的取值规则和约束条件,然后将所述失效模式映射至软件空间,最后基于失效模式与软件空间的映射函数根据软件在使用时可能的输入、输出值生成测试数据。本发明利用研制阶段早期信息,从而提高测试用例暴露缺陷的能力,减少测试用例重复。

标签:
失效分析
北京 - 北京 来源:中冶有色网 2023-03-19
天线罩插入相位延迟测量方法

本发明公开了一种天线罩插入相位延迟测量方法,属于微波测量领域,该方法包括调整两个点聚焦透镜天线在天线罩上的焦斑位置相重合且两者成固定夹角;对矢量网络分析仪、点聚焦透镜天线A、点聚焦透镜天线B和稳相电缆进行预处理;设定测量条件下,矢量网络分析仪测量外表面加载金属反射层的天线罩的焦斑位置的S21参数相位天线罩位置、设定测量条件不变,矢量网络分析仪测量内表面加载金属反射层的天线罩的焦斑位置的S21参数相位通过插入相位延迟计算公式获得插入相位延迟的大小;本方法有效解决了现有透射法存在测量盲区以及现有反射法存在无法宽频测量、特定频率测量失效等问题,提供了一种无盲区、宽频带、高精度天线罩IPD测量方法,为天线罩IPD逐点精密测量提供了可行的工程化解决方案。

标签:
失效分析
辽宁 - 大连 来源:中冶有色网 2023-03-19
适用于尿动力学检查设备上的新型牵引机

本实用新型涉及一种适用于尿动力学检查设备上的新型牵引机,它包括电机(1)、传动丝杠(11)、滑动线夹(6)、复位失效弹簧(5)、牵引失效弹簧(7)、复位信号停止开关(10)和牵引信号停止开关(14),电机(1)与传动丝杠(11)的一端连接,传动丝杠(11)的螺纹部分与传动螺母(13)相适配,滑动线夹(6)的两侧滑动安装在丝杠套管(4)上;传动丝杠(11)的两端分别安装有牵引失效弹簧(7)和复位失效弹簧(5);电机罩(2)一侧设置有牵引信号停止开关(14),装饰外罩(9)一侧设置有复位信号停止开关(10)。本实用新型的优点在于:牵引机的牵引单元可靠性高、开关使用寿命长、外形美观和使用方便灵活。

标签:
失效分析
四川 - 成都 来源:中冶有色网 2023-03-19
具备开关电路的CAF测试板

本发明公开了一种具备开关电路的CAF测试板,包括测试基板,测试基板上设有正极测试端、负极测试端、至少两组测试孔组、开关电路以及与测试孔组数量相等的定位焊盘组,开关电路位于相邻测试孔组之间,各测试孔组的正极通过开关电路并联后连接至正极测试端,各测试孔组的负极并联后连接至负极测试端;每组测试孔组包括间隔排列的多个测试对孔,每组定位焊盘组包括沿直线间隔排列的多个失效分析定位焊盘,各失效分析定位焊盘位于测试孔组一侧并与测试对孔一一对应连接。本发明能提高CAF性能测试效率及失效分析效率。

标签:
失效分析
广东 - 广州 来源:中冶有色网 2023-03-19
半导体存储器老化测试核心板

本发明属于半导体存储器老化测试技术领域,公开了一种半导体存储器老化测试核心板,根据上位机的参数配置实时产生测试向量,输出各种类型的测试信号、各种测试图形,并对测试信号进行延时调整、加强驱动、波形控制的处理,以及对电源信号进行补偿,产生更精准的测试信号的电源信号;提升了用户对测试波形的自定义能力和灵活性;测试核心板具有分区的存储器,将测试过程中实时对比测试的数据分区保存,通过分区存储的数据对失效DUT测试过程进行控制和失效分析,实现了老化测试中对单个DUT测试过程的控制和失效分析;通过存储器譬如DRAM提供的存储空间保存每颗DUT的每一个IO足够长的测试信息,从而能够让DUT厂商对各批次失效DUT进行统计分析,改善良率,提升产品可靠性。

标签:
失效分析
湖北 - 武汉 来源:中冶有色网 2023-03-19
基于自动测试设备的MRAM存储器的测试方法

本发明提供一种基于自动测试设备的MARM存储器的测试方法,所述测试方法包括:步骤S1,将自动测试设备与MARM 存储器电连接;步骤S2,对MRAM存储器进行全芯片存储单元读写功能验证;步骤S3,根据MARM存储器工作参数设定要求,对MARM存储器进行直流参数验证和交流参数验证。本发明提供的方法利用自动测试设备针对MARM存储器进行测试,能够发现MARM存储器的故障,所述测试方法能够检测MARM存在的各种可能的失效模式,包括:全芯片存储单元读写功能验证;直流参数验证和交流参数验证。

标签:
失效分析
上海 - 上海 来源:中冶有色网 2023-03-19
汽车门锁闭锁器寿命测试装置及其测试方法

本发明提出了一种汽车门锁闭锁器寿命测试装置及其测试方法,以模拟实际情况来对门锁闭锁器寿命进行检测,为后续的设计提供参考。该汽车门锁闭锁器寿命测试装置包括主驱动气缸、门锁安装架及控制器,主驱动气缸的活塞端部安装有锁扣安装板,门锁安装架上设有反作用力装置、解外拉线气缸和解内拉线气缸;主驱动气缸、解外拉线气缸、解内拉线气缸均受控制器所控制;反作用力装置由具有通孔的支架及活动穿设于支架通孔的弹性杆构成,所述弹性杆的弹力方向朝向于所述锁扣安装板方向。本发明的汽车门锁闭锁器寿命测试装置结构简单、使用方便可靠,在测试过程中无需人工干预,节省了人力成本,测试环境更接近真实情况,能够准确地判断出门锁闭锁器是否失效。

标签:
失效分析
安徽 - 芜湖 来源:中冶有色网 2023-03-19
预测风力机齿轮箱轴承剩余寿命的方法

本发明公开了一种预测风力机齿轮箱轴承剩余寿命的方法,是一种基于竞争的改进比例失效模型的齿轮箱轴承剩余使用寿命预测方法。包括以下步骤:对齿轮箱轴承从使用到发生故障的全寿命周期内温度和振动数据进行主成分融合为一维特征量,体现轴承的退化性能;考虑风电机组齿轮箱轴承的特殊性,采用改进的比例危险模型,建立Wiener退化过程和Weibull分布突发失效的竞争失效可靠性评估模型。通过实例分析,对比退化失效和突发失效竞争模型、不相关模型及独立退化失效、突发失效模型的剩余寿命分析,验证了竞争模型的可靠性和最优性。本发明为风力机齿轮箱轴承的剩余使用寿命的分析提供了一种有效、实用、精度较高的预测方法。

标签:
失效分析
新疆 - 乌鲁木齐 来源:中冶有色网 2023-03-19
涡轮增压器密封环高温弹力测量装置及测试方法

本发明涉及一种涡轮增压器密封环高温弹力测量装置及测试方法,该装置包括高温烤箱(1)、固定夹持单元(2)、移动夹持单元(3)、加载状态测试单元(4)、弹力加载及测试单元(5),将被测密封环(6)和固定夹持单元(2)放置在高温烤箱(1)内,被测密封环(6)安装在固定夹持单元(2)上,通过转动调整组件(5c)的手柄推动移动夹持单元(3)使夹持头(3d)压紧被测密封环(6),当千分表(4a)读数为被测密封环(6)的工作状态直径时记录测力仪(5a)读数。本发明的装置及测量方法可以检测密封环高温状态下的弹力,使设计者精确掌握密封环弹力随温度的变化规律,从而避免由于密封环弹力设计不足造成的密封失效。

标签:
失效分析
天津 - 天津 来源:中冶有色网 2023-03-19
装配式水位测管及水位监测方法

本发明提供了一种装配式水位测管及水位监测方法,属于水位监测技术领域。装配式水位测管,包括测管体、过滤组件、传感器安装架和吊绳,测管体下部设有渗水孔;过滤组件设在测管体内,且用于遮挡渗水孔;传感器安装架设在过滤组件上,用于安装水位传感器;吊绳下端与过滤组件连接,上端用于与测管体上部连接,用于从测管体内牵引取出过滤组件。水位监测方法包括安装、检测和更换的步骤。本发明当过滤组件长期使用堵塞或水位传感器失效后,能够方便对过滤组件或水位传感器的更换,使用起来简单方便,能够有效解决测孔堵塞的问题,而且无需重新布设测孔,有利于保持大坝的安全性,降低施工难度和工期,也易于与原数据匹配。

标签:
失效分析
河北 - 石家庄 来源:中冶有色网 2023-03-19
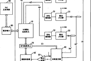
可编程逻辑控制器数字量输出装置及自检方法

本发明提供了一种可编程逻辑控制器数字量输出装置的自检方法,根据所述数字量输出装置中的I/O模块处理单元发出的选出信号采集所述数字量输出装置中驱动开关管处于导通状态/截止状态时的数字量输出;将所述采集的数字量输出与所述驱动开关管的电源电压作差分运算,得到表征驱动开关管导通压降/漏电判断参数的模拟信号;将所述模拟信号转换为数字信号;将所述数字信号与驱动开关管的导通压降参数值/与驱动开关管电源相同的电压值进行比较,以判断驱动开关管是否老化,相应的,本发明实施例还提供了一种可编程逻辑控制器数字量输出装置,能提前了解驱动开关管的衰退状况,使用户能在灾难性失效前做好设备维护。

标签:
失效分析
广东 - 深圳 来源:中冶有色网 2023-03-19
汽车电磁阀的控制保护自检电路

本发明公开了一种汽车电磁阀的控制保护自检电路,包括单片机和电磁阀,单片机设有两个控制端和两个反馈端,高边控制端通过高边控制电路与高边连接器连通,低边控制端通过低边控制电路与低边连接器连通,高边连接器和低边连接器之间装有电磁阀;高边连接器和低边连接器之间跨接有功率二极管,其阴极接高边连接器,阳极接低边连接器;高、低边反馈端分别通过高、低边反馈电路与高、低边连接器连通。本发明通过与电磁阀并联的功率二极管迅速消除电磁阀的反电动势,保证其他元器件不受冲击;通过两路控制信号和两路反馈信号的电压值判断电磁阀的工作状态以及电磁阀控制开关的正常与否,跟踪电磁阀的具体工作状态,极大降低了系统失效的风险。

标签:
失效分析
江苏 - 苏州 来源:中冶有色网 2023-03-19
车辆进水的主动探测系统和探测方法

本发明公开了一种车辆进水的主动探测系统和探测方法,包括车窗控制器和整车控制器,还包括布设于车辆上的水传感器,所述水传感器在车辆上的布置位置低于车窗控制器以先于感知外部进水,水传感器与车窗控制器电连接以将检测到的进水信息传送给车窗控制器;车窗控制器和整车控制器双向连接以将进水信息发送给整车控制器,整车控制器在接收到进水信息后控制车窗控制器关闭车窗,并在车窗关闭后立即切断车窗控制器对车窗的控制,同时将车辆进水的信息发送到指定的接收终端。本发明可以实现车内进水的主动探测,并在车窗控制器失效的情况下可避免车窗自动下降。

标签:
失效分析
重庆 - 重庆 来源:中冶有色网 2023-03-19
互连线接触高阻位置的测试方法

本发明提供了一种互连线接触高阻位置的测试方法,应用于半导体技术领域。所述方法包括:在一失效样品对应的版图上获取待分析路径;在所述待分析路径上获取一条测试回路,所述测试回路的两个测试端口位于所述失效样品的接触孔层上;将所述失效样品正面朝下后进行样品处理,使所述失效样品满足纳米探针测试条件;对处理后的所述失效样品进行纳米探针测试,以确定所述失效样品的互连线接触高阻位置。本发明的互连线接触高阻位置的测试方法,能够在电性上对芯片高阻失效进行验证,并能够准确确认芯片高阻失效位置。

标签:
失效分析
上海 - 上海 来源:中冶有色网 2023-03-19
用于确认互连线接触高阻的测试方法

本发明提供了一种用于确认互连线接触高阻的测试方法,包括以下步骤:S1、在一失效样品对应的版图上获取待分析路径,所述失效样品已研磨至当层;S2、在所述失效样品的目标区域上镀上一层保护层;S3、在所述失效样品上形成两个测试通道,两个测试通道分别由所述保护层向下延伸至所述待分析路径的两个测试端口处;S4、采用两针法进行纳米探针测试,将纳米探针伸入所述测试通道并与对应的所述测试端口接触,以确定失效样品的互连线接触高阻位置。通过特殊的样品处理方法以及纳米探针设备的测试特点,能够直接对失效路径上进行测量,从而在怀疑有高阻的互连线上寻找失效位置,找出样品的失效原因,从而推动工艺的改善。

标签:
失效分析
上海 - 上海 来源:中冶有色网 2023-03-19
预测塞拉门控制器寿命的评估方法

一种预测塞拉门控制器寿命的评估方法,包括确定施加的环境应力;选择样品,参与试验;确定样品的工作极限;选择满足试验要求的试验设备;试验应以实际工作的方式进行试验,并且利用传感器采集商品实际承受的应力大小;进行HALT试验,确定产品的工作应力极限;通过失效分析,确定影响控制器功能的薄弱、敏感部件;选择影响控制器功能的薄弱、敏感部件,进行加速寿命试验;对加速寿命试验得到的寿命数据进行处理,确定产品的寿命分布;对寿命分布,进行假设检验,判断寿命分布的正确性;根据选择的应力,选择加速寿命模型,评估计算塞拉门控制器实际工作条件下的寿命。本发明有助于预估控制器的寿命,有效的提高了塞拉门使用效率及应用可靠性。

标签:
失效分析
吉林 - 长春 来源:中冶有色网 2023-03-19
预测金属材料准静态单轴拉伸真实断裂应力的方法

本发明公开了一种预测金属材料准静态单轴拉伸真实断裂应力的方法,包括以下步骤:1)、通过准静态单轴拉伸试验获得金属材料的抗拉强度σu、截面收缩率RA和真实断裂应力σf;2)、结合步骤1)的数据,采用Manson方法进行分析,分析中采用的Manson公式为3)、在Manson方法的基础上,结合步骤1)的数据分析,通过引入修正系数k后建立预测公式为式中,本发明在Manson方法的基础上,通过引入修正系数k后,提高了预测结果的可靠度,为获取颈缩后材料断裂失效点对应的真实断裂应力提供新的预测方法,可更好的服务力学设计和安全分析。

标签:
失效分析
四川 - 成都 来源:中冶有色网 2023-03-19
快速测试IGBT模块底板弧度的测试仪器

本实用新型涉及一种快速测试IGBT模块底板弧度的测试仪器,属于IGBT模块技术领域。包括测试底座,所述测试底座上设置固定板,所述固定板上方设有治具板,所述固定板与治具板之间通过支撑柱固定连接,所述治具板上设有定位单元,所述固定板上设有传感器单元,所述传感器单元竖向布置且贯穿治具板,使得传感器单元顶部露出治具板;所述测试底座上设有电子屏,所述传感器单元与电子屏信号连接;所述传感器单元顶部设置IGBT模块,所述IGBT模块上设有压板。本申请在IGBT模块安装前对底板的弧度进行检测,保证IGBT模块的合格率,使得IGBT模块后期能够正确安装,避免了IGBT模块的失效,降低了生产使用成本,同时保证了IGBT模块和散热器之间有良好的热传导性。

标签:
失效分析
江苏 - 无锡 来源:中冶有色网 2023-03-19
正交形栅测试结构及测试装置及方法及系统

本公开实施例中提供了一种正交形栅测试结构及测试装置及方法及系统,属于半导体器件测试技术领域,具体包括半导体基底,多个鳍层,控制栅和隔离栅,其中每两个控制栅之间,间隔预定个数的隔离栅;第一金属连线,第一接触孔,交替设置于控制栅的两侧,第一接触孔中沉积有金属层,用于连接相邻的两个鳍层,以使多个鳍层形成一正交形结构。本方案用于检测因制造工艺出现问题导致的接触孔填充缺陷,有效找出工艺缺陷,获得失效点的位点图,具有较高的集成度和可观测性,有利于用户准确预测晶圆的良率。

标签:
失效分析
上海 - 上海 来源:中冶有色网 2023-03-19
基于探测器测量值的堆芯中子通量预测方法

本发明公开了一种基于探测器测量值的堆芯中子通量预测方法,在不同时间点从堆内探测系统中读取并记录堆芯不同位置的堆内探测器测量值,拟合过去时间点和当前时间点的堆内探测器测量值,外推堆内探测器测量值,采用堆芯燃料管理程序模拟计算不同时间点的中子通量,进行本征正交分解,计算未来时间点的堆芯中子通量预测值;通过堆内探测器测量值的预测,结合堆芯中子通量在线重构方法,避免了更改原有堆芯中子通量在线监测系统的核心算法,而且对每一个位置的堆内探测器测量值单独进行仅包含时间一个自变量维度的拟合外推,既保证了预测精度,也减少了由于个别或局部探测器失效所引发的预测计算整体失效,实现了对堆芯中子通量的准确预测。

标签:
失效分析
广东 - 广州 来源:中冶有色网 2023-03-19
测试座以及测试设备
测试座以及测试设备 879     
 0

本发明涉及测试装置技术领域,特别地涉及一种测试座以及测试设备。本发明提供的测试座,测试座包括第一测试座板、第二测试座板、第一密封件、第二密封件以及支撑框。第一测试座板、第二测试座板以及支撑框构成密封空腔,同时,分别在第一测试座板以及第二测试座板的外侧设置第一密封件以及第二密封件,进一步加强密封空腔的密封性能。故可有效地将外界环境与测试座内部隔离,使得处于密封空腔内的探针等测试元件处于密封的环境中,使得本申请提供的测试座在盐雾、尘土环境条件下的检测时,可有效地保护密封空腔内的探针等测试元件,避免机械零部件腐蚀、磨损失效,避免电路短路或断路,进而提高芯片的测试精度。

标签:
失效分析
广东 - 珠海 来源:中冶有色网 2023-03-19
自修复光伏发电监测系统环境监测器及其实现方法

本发明公开了一种自修复光伏发电监测系统环境监测器及其实现方法,该自修复光伏发电监测系统环境监测器包括冗余模块、故障诊断模块、可编程阵列、故障检测信号线、故障诊断信号线、传感器模块、电源管理模块和通信模块,其中冗余模块包括电源管理冗余模块和通信冗余模块,故障诊断模块由故障诊断电路串接微处理器组成,可编程阵列包括动态重构模块和冗余动态重构模块,动态重构模块由前置放大模块和低通滤波模块组成,冗余动态重构模块包括两个I/O模块、两个冗余I/O模块和两个开关。本发明提供了环境监测器高效、稳定的故障监测和自修复方案;系统实时性好;改善了环境监测器遇到天气变化和环境影响而失效的状况。

标签:
失效分析
江苏 - 常州 来源:中冶有色网 2023-03-19
上一页 507 508 509 510 511 ... 718 下一页
共718页    到第

中冶有色为您提供最新的有色金属失效分析技术理论与应用信息,涵盖发明专利、权利要求、说明书、技术领域、背景技术、实用新型内容及具体实施方式等有色技术内容。打造最具专业性的有色金属技术理论与应用平台!

全国热门有色金属设备推荐
展开更多 +
全国热门有色金属技术推荐
展开更多 +

 

江西省隆恩特环保设备有限公司
宣传

报名参会
更多+

报告下载

有色专家
更多+

广东省科学院资源利用与稀土开发研究所
教授
郑州大学
校长/党委书记
武汉理工大学
外籍院士/教授
中国矿业大学
副院长/教授
重庆理工大学
教授
赤泥综合利用研究报告2025
推广

热门技术
更多+

推荐企业
更多+

福建省金龙稀土股份有限公司
宣传

发布

在线客服

公众号

电话

顶部
咨询电话:
010-88793500-807