青岛垚鑫智能科技有限公司
宣传

位置:中冶有色 >

有色技术频道 >

分类:
全部
矿山技术
冶金技术
材料制备及加工技术
环境保护技术
分析检测技术
 
全部
功能材料技术
复合材料技术
新能源材料技术
合金材料技术
加工技术
地区:
全部
北京
天津
上海
重庆
河北
山西
辽宁
吉林
黑龙江
江苏
浙江
安徽
福建
江西
山东
河南
湖北
湖南
广东
海南
四川
贵州
云南
陕西
甘肃
青海
内蒙
广西
西藏
宁夏
新疆
其他
其他
展开
 
全部
广州
韶关
深圳
珠海
汕头
佛山
江门
湛江
茂名
肇庆
惠州
梅州
汕尾
河源
阳江
清远
东莞
中山
潮州
揭阳
云浮

广东深圳有色金属材料制备及加工技术理论与应用

免费发布技术信息>>
锂电池包及模块化锂电池

本申请涉及一种锂电池包及模块化锂电池,属于电池技术领域。该锂电池包包括电池包、第一端子、第二端子和通讯采集端子;所述电池包包括外壳及设置在外壳内的电芯本体,所述电芯本体包括第一电池包连接端、N个串联连接的电芯组、以及第二电池包连接端;所述第一电池包连接端连接第一个电芯组的第一端,第N个电芯组的第二端连接所述所述第二电池包连接端;所述电芯组连接所述通讯采集端子;所述第一电池包连接端连接所述第一端子,所述第二电池包连接端连接所述第二端子。另外,本申请还提供一种模块化锂电池。本申请的锂电池包可以根据实际需要在不同的方向进行叠加而实现自由并联扩容、串联升压,安装方便,能够满足特殊的空间需求。

标签:
加工技术
广东 - 深圳 来源:中冶有色网 2023-03-18
废旧锂离子电池负极片上锂资源回收方法

本发明提供一种废旧锂离子电池负极片上锂资源回收方法,首先将负极片表面的块状粉料制成精细粉料,并在与稀盐酸反应过程中辅以超声搅拌,实现了锂资源的高效浸出。本发明具有工艺流程简单、成本低廉,易于批量回收锂离子电池负极片并实现产业化应用的优势,而且经过该回收方法得到的高纯碳酸锂粉末可直接用于工业生产,提高了回收的经济价值。

标签:
加工技术
广东 - 深圳 来源:中冶有色网 2023-03-18
锂离子电池钛酸锂负极浆料及其制备方法

一种锂离子电池钛酸锂负极浆料及其制备方法,包括钛酸锂、导电剂、粘结剂、增稠剂、溶剂和分散剂,其特征是,还包括纳米锡粉和碳纤维。本发明将纳米锡粉和碳纤维按比例添加到锂离子电池负极之中,利用碳纤维具有强度高、导电性优良、导热性良好,以及其具有的纤维状结构特点,使其与钛酸锂、纳米锡粉导电剂等各组份相互缠绕,起到加固负极材料、增加导电性的作用。从而提高电池容量、改善电池循环寿命。

标签:
加工技术
广东 - 深圳 来源:中冶有色网 2023-03-18
锂离子电池隔膜支撑层以及锂离子电池隔膜

本申请涉及锂电池领域,涉及一种锂离子电池隔膜支撑层以及锂离子电池隔膜。支撑层包括无纺布层,无纺布层包括第一纤维,第二纤维以及第三纤维;第一纤维为有机纤维,第二纤维为无机纤维;第三纤维为有机粘结纤维。无纺布层的纵向拉伸强度5.6N/15mm~65N/15mm;横向拉伸强度3.5N/15mm~55N/15mm;平均孔径不大于5μm,最大孔径与平均孔径的比不小于1且不大于10。无机纤维的添加提高了无纺布层的耐热性能。第一纤维、第二纤维以及第三纤维的直径保证了无纺布层具有较薄的厚度。无纺布层优异的拉伸强度提高了锂离子电池隔膜的机械强度,有望提高锂离子电池的使用安全性。

标签:
加工技术
广东 - 深圳 来源:中冶有色网 2023-03-18
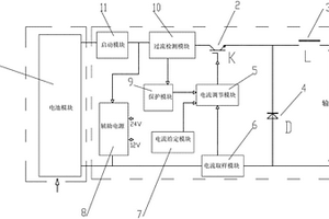
锂电池弧焊设备电源系统及锂电池弧焊设备

本实用新型公开了一种锂电池弧焊设备电源系统及锂电池弧焊设备,电源系统包括:电池模块;变换控制电路,变换控制电路包括启动模块、过流检测模块、保护模块、电流调节模块、开关模块、续流二极管和滤波模块,启动模块电连接电池模块和过流检测模块,过流检测模块电连接保护模块和开关模块,保护模块电连接电流调节模块,开关模块电连接电流调节模块和滤波模块,续流二极管电连接滤波模块和开关模块,续流二极管、滤波模块和开关模块组成Y型拓扑结构。本方案锂电池弧焊设备在实际工作时无需接入电网即可使用,工作位置变化更加灵活,而且相对于通过发电机进行供电,有效的降低了使用成本,且无任何环境污染,同时响应国家节能减排的要求。

标签:
加工技术
广东 - 深圳 来源:中冶有色网 2023-03-18
锂离子电池材料、锂离子电池材料的制备方法及连续化电解装置

本发明提供一种锂离子电池材料的制备方法,包括二氧化硅/碳/氯化钙压片的制备及二氧化硅/碳/氯化钙电解反应。本发明还提供了由上述方法制备的锂离子电池材料。本发明还提供了一种连续化电解装置。本发明制得的锂离子电池材料为硅碳多孔复合材料,其可增加电极材料和电解质接触表面,加快充放电反应速度,增加电池使用寿命和安全性。另一方面,本发明通过在熔融氯化钙熔液中连续电化学还原氧化硅,一步制成硅/碳复合结构的锂离子电池材料,可实现连续化工业生产,成本低,操作简单且生产效率高。

标签:
加工技术
广东 - 深圳 来源:中冶有色网 2023-03-18
锂离子电池用电解液及其制备方法和锂离子电池

本发明公开了一种锂离子电池用电解液及其制备方法和锂离子电池。在该锂离子电池用电解液中,包含有机溶剂、锂盐以及添加剂,该添加剂包括含三嗪环的化合物和1,3,2‑二氧磷杂己内酰磷酸酯类化合物,该含三嗪环的化合物选自通式(Ⅰ)中的化合物,该杂己内酰磷酸酯类化合物选自通式(Ⅱ)中的化合物。通过利用含三嗪环的化合物和1,3,2‑二氧磷杂己内酰磷酸酯类化合物共同作用,可以提升电解液的稳定性,抑制负极的高体积膨胀,提高电池的循环容量保持率等循环性能以及高温存储性能,而且还具有添加量少、成本低和合成简单等优点。

标签:
加工技术
广东 - 深圳 来源:中冶有色网 2023-03-18
锂离子电池负极极片以及应用该极片的锂离子电池

本发明公开了一种锂离子电池负极极片,该负极极片包括负极集流体以及涂覆于负极集流体上的活性材料层,活性材料层的原料中包括有存在平均粒径差距的颗粒状石墨混合体,较小平均粒径颗粒状石墨具有较大的比表面积和较多的孔隙,可以有效的存储更多的电解液,保证负极极片的长循环寿命。而且较小平均粒径颗粒状石墨的加入,可有效的缩减石墨材料混合体整体的体积,从而有效的提升负极极片的压实密度。本发明提供了一种应用上述负极极片的锂离子电池,该锂离子电池能够有效的改善硅基负极充放电体积膨胀大引起负极极片活性物质脱落的问题,保证锂离子电池能量密度高,循环寿命长,满足动力电池长续航里程的应用需求。

标签:
加工技术
广东 - 深圳 来源:中冶有色网 2023-03-18
利用真空磁控溅射镀膜技术制备锂电池C-Si负极涂层的方法

本发明公开一种利用真空磁控溅射镀膜技术制备锂电池C‑Si负极涂层的方法,该方法是将负极基材安装到极片架上;开启连续式真空磁控溅射镀膜设备,调整设备至可镀膜工艺条件;投入待镀膜基片架‑铜箔;离子源等离子轰击剥离铜箔表面氧化层、去除表面尖峰;直流溅镀C‑Si膜;加热退火处理;出料后特性检查;本发明通过磁控溅射真空镀膜技术在锂电池负极铜箔上沉积一层C‑Si复合负极薄膜,以提高负极电极电性能。

标签:
加工技术
广东 - 深圳 来源:中冶有色网 2023-03-18
镍钴锰酸锂锂离子电池正极片设计工艺

本发明公开了一种镍钴锰酸锂锂离子电池正极片设计工艺,主要对卷芯内层正极片相应的前3折弯折区采用单面涂布工艺。本发明的有益效果是(1)由于头部采用间隙性单面涂布,可释放对辊时正极片头部的应力,提高正极片头部(卷芯内层)的柔韧性;(2)因卷芯内外所受的弯折程度不同,由里致外逐步减弱,所以对卷芯内层的正极片前3折弯折区采用单面涂布工艺,提升卷芯内圈前3折弯折区的极片柔韧性,从而解决了极片压实密度受限的短板;(3)可有效防止卷芯内圈正极片弯折处出现“开裂”、“脆片”、“断片”等现象,提升镍钴锰酸锂正极片整体压密度。

标签:
加工技术
广东 - 深圳 来源:中冶有色网 2023-03-18
锂离子电池极芯卷绕方法及锂离子电池制备方法

为解决现有部分成品电池存在起拱变形的问题,本发明提供了一种锂离子电池极芯卷绕方法及锂离子电池制备方法。本发明一方面提供了一种锂离子电池极芯卷绕方法,包括如下步骤:S1、预卷步骤:将隔膜穿入卷针的主卷针,隔膜预卷;然后插入负极片,在恒定张力P1、恒定转速V1下预卷半圈;再插入正极片,在恒定张力P1、恒定转速V1下预卷半圈;S2、变张力转速卷绕步骤:然后逐渐降低张力和转速,持续卷绕N圈后中断卷绕;其张力降至P2,转速降至V2;S3、恒张力转速卷绕步骤:中断卷绕后插入副卷针,在恒定张力P2、恒定转速V2下卷绕;S4、拔卷针步骤:切断隔膜,然后收尾卷绕,最后抽出所述主卷针和副卷针。

标签:
加工技术
广东 - 深圳 来源:中冶有色网 2023-03-18
锂电池极片制备方法及其固态锂电池

本发明公开了一种锂电池极片制备方法,S1,在负压充气环境下,通过物理气相沉积法在金属基材表面形成带有金属镀层的半成品;S2,将S1处理好的半成品在负压充气环境下,采用激光切割的方式将半成品切割成所需要的电池极片形状。本发明提供了一种锂电池极片制备方法,解决电池极片在加工过程中的氧化问题。本发明还提供了一种固态锂电池。

标签:
加工技术
广东 - 深圳 来源:中冶有色网 2023-03-18
锂电池缓冲防爆装置及防爆锂电池

本发明公开了一种锂电池缓冲防爆装置,包括设置在电池壳体上的盖板和置于所述盖板上的防爆膜,还包括至少一层与所述盖板连接的缓冲膜,所述缓冲膜置于所述防爆膜的外层。本发明还公开了一种防爆锂电池,包括壳体、置于所述壳体内的正负极板、设置在所述壳体上的盖板和置于所述盖板上的防爆膜,还包括至少一层与所述盖板连接的缓冲膜,所述缓冲膜置于所述防爆膜的外层。本发明采用在防爆膜上加装缓冲膜,气体冲破防爆膜后,会顶起缓冲膜,起到泄压缓冲作用;防爆膜的叠合层随着压力的升高,逐层被顶起,进一步缓冲了气体压力,提高了锂电池的防爆性能。

标签:
加工技术
广东 - 深圳 来源:中冶有色网 2023-03-18
锂电池集流体、高容量圆柱形锂离子电池及制备方法

本发明公开一种锂离子电池集流体,所述集流体上设置有应力分散孔。本发明还公开了含有所述集流体的高容量圆柱形锂离子电池及其制备方法。本发明制备的锂离子电池具备高容量及较高的安全性能。

标签:
加工技术
广东 - 深圳 来源:中冶有色网 2023-03-18
锂电池盖板组件及使用该组件的锂电池

本实用新型属于锂电池技术领域,提供一种锂电池盖板组件及使用该盖板组件的锂电池。这种锂电池盖板组件,包括顶板、正极端子、负极端子和固定在顶板内侧表面的绝缘片,在顶板和绝缘片上均设有固定正极端子和负极端子的通孔,所述正极端子和负极端子上设有凹槽,凹槽中设有绝缘密封片,该凹槽部分及绝缘密封片穿过所述顶板和绝缘片的通孔并固定于其中。根据本实用新型的锂电池盖板组件,正、负极端子是整体结构,电池内阻小;电芯极耳与电池外壳内侧的正、负极端子容易焊接,外壳外侧的正、负极端子也容易连接从而方便电池组串联或并联;合板时,隔圈中的极耳弯折成”U”形,比弯折成“S”形空间利用率大。

标签:
加工技术
广东 - 深圳 来源:中冶有色网 2023-03-18
新型圆柱锂电池帽盖及新型圆柱锂电池

本申请适用于锂电池技术领域,提供了一种新型圆柱锂电池帽盖及新型圆柱锂电池,新型圆柱锂电池帽盖包括钢片、防爆片、连接片、隔离圈和密封圈,钢片上设有通孔;防爆片设于钢片的一侧,防爆片上设有包边,包边沿钢片的边缘向钢片的另一侧延伸至通孔的边缘;连接片的中部与防爆片的中部连接;隔离圈设于防爆片与连接片之间;密封圈套设于防爆片、连接片和隔离圈的外部。本申请的新型圆柱锂电池帽盖,通过在钢片上设通孔,去除了帽盖中的钢帽结构,防爆片的包边延伸至钢片上的通孔边缘,减小帽盖使用状态时的电阻,同时,使通孔处形成更大的泄爆区域,当电池内部气压过大,冲破防爆片上的刻痕,防爆片断裂,气流将在钢片通孔处排出,保证电池安全。

标签:
加工技术
广东 - 深圳 来源:中冶有色网 2023-03-18
锂离子电池负极材料尖晶石钛酸锂制备方法

本发明公开了一种锂离子电池负极材料尖晶石钛酸锂的制备方法,其步骤如下:首先按摩尔比Li∶Ti=1∶(1.15~1.2)的比例称取锂盐和二氧化钛,加入稀土化合物和分散剂,用球磨机研磨0.5~5h,使原料充分混合;然后将混合物在空气或氧气下于750~1000℃下焙烧4~32h,自然降温至常温,得到Li4Ti5O12/稀土氧化物复合电极材料。利用本发明的制备方法不仅Li4Ti5O12复合电极材料的导电性能好,而且充放电性能好;能够制备出100~300nm细小晶粒的Li4Ti5O12复合电极材料;工艺简单易得,成本低。

标签:
加工技术
广东 - 深圳 来源:中冶有色网 2023-03-18
锂离子二次电池正极及包括该正极的锂离子二次电池

一种锂离子二次电池正极,该正极包括集流体和负载在集流体上的正极材料,所述正极材料含有正极活性物质、导电剂和粘合剂,其特征在于,所述正极活性物质的平均粒径D50为2-10微米,且正极活性物质的粒度分布σ满足上式,其中,D10、D50、D90分别表示正极活性物质颗粒的累计粒度分布百分数达到10%、50%和90%时所对应的平均粒子直径。本发明提供的锂离子二次电池正极使得包括该正极的锂离子二次电池的大倍率放电性能大大提高,其中10C/0.2C可高达88.6%。

标签:
加工技术
广东 - 深圳 来源:中冶有色网 2023-03-18
导电颗粒、锂电池负极片及锂电池

本实用新型公开了一种导电颗粒、锂电池负极片及锂电池。该导电颗粒包括:无定形碳包覆层;石墨内瓤主体;硅晶体和/或硅氧化物嵌入体;其中,所述硅晶体和/或硅氧化物嵌入体数量为多个,分别嵌入于所述石墨内瓤主体内,所述无定形碳包覆层包覆所述石墨内瓤主体的外表面。通过上述实施方式,有助于提高锂电池的能量密度和使用安全性能。

标签:
加工技术
广东 - 深圳 来源:中冶有色网 2023-03-18
锂离子电池放电保护电路及锂离子电池放电系统

本实用新型公开了一种锂离子电池放电保护电路,包括MOS开关单元,与MOS开关单元分别相连的放电保护单元和直流接触器单元。放电保护单元对锂离子电池组的放电进行数据实时采集及判断比较并输出放电控制信号,MOS开关单元根据放电控制信号控制直流接触器单元来断开或导通对锂离子电池组的放电回路,起到保护锂离子电池组的作用,由于直流接触器可以通过很大的工作电流,因而本保护电路特别适合于百安培以上大电流放电的锂离子电池放电系统。

标签:
加工技术
广东 - 深圳 来源:中冶有色网 2023-03-18
锂电池的极芯和锂电池
锂电池的极芯和锂电池 1008     
 0

本实用新型涉及一种锂电池的极芯和锂电池。所述锂电池的极芯包括:正极片、隔膜层和负极片;所述正极片、隔膜层和负极片依次卷绕形成所述极芯,所述极芯具有圆弧区;所述圆弧区处设置有牺牲膜层,所述牺牲膜层位于所述隔膜层与所述正极片之间或/和所述隔膜层与所述负极片之间,所述牺牲膜层被构造为能够溶于电池的电解液。本实用新型提供的锂电池的极芯能够在充、放电过程中为处于圆弧区的正极片或负极片提供膨胀空间,减轻圆弧区的局部应力,改善极片的褶皱问题,提升了电池的容量和安全性能。

标签:
加工技术
广东 - 深圳 来源:中冶有色网 2023-03-18
改性磷酸铁锂、其制备方法及锂离子电池

本发明提供了一种改性磷酸铁锂、其制备方法及锂离子电池。改性磷酸铁锂的制备方法包括:将化学膨胀石墨与含氧化剂的浓硫酸进行控制氧化反应,得到控制氧化的化学膨胀石墨;在溶剂存在下,使控制氧化的化学膨胀石墨、锂源化合物、磷源化合物和铁源化合物混合后进行水热合成反应,得到改性磷酸铁锂前驱体;在惰性气体下,将改性磷酸铁锂前驱体进行煅烧,得到改性磷酸铁锂。采用上述制备方法制得的改性磷酸铁锂具有较好的电导率,这使得其应用过程中具有非常优异的循环性能和高倍率性能。

标签:
加工技术
广东 - 深圳 来源:中冶有色网 2023-03-18
电解液添加剂、锂二次电池电解液和锂二次电池

本发明实施例提供了一种电解液添加剂,其分子结构中包括由三个氮原子和三个磷原子构成的六元环结构,每个磷原子上包括两个取代基团,取代基团分别表示为R1、R2、R3、R4、R5、R6,所述R1、R2、R3、R4、R5、R6中至少有一个取代基团为取代磺酸基,其余取代基团分别选自氟、氯、溴、烷基、卤代烷基、烷氧基、卤代烷氧基、烯基、卤代烯基、烯氧基、卤代烯氧基、芳基、卤代芳基、芳氧基、卤代芳氧基、取代磷酸酯基、取代酰亚胺基或取代磺酰亚胺基中。该电解液添加剂兼具阻燃和耐高电压的双重特性,将其应用于锂二次电池,可有效改善锂二次电池的高电压循环性能和安全可靠性。本发明还提供了锂二次电池电解液和锂二次电池。

标签:
加工技术
广东 - 深圳 来源:中冶有色网 2023-03-18
有效抑制锂金属电池枝晶不可控生长的锂片、其制备方法及用途

本发明公开了一种有效抑制锂金属电池枝晶不可控生长的锂片、其制备方法及用途,属于电池技术领域。本发明提供了一种新型结构的锂片,该锂片具有凹陷结构,比如具有凹坑结构和/或凹槽结构,尤其是微纳结构的凹坑和/或凹槽。通过采用该特定结构的锂片作为负极可以有效抑制锂金属电池枝晶不可控生长,避免了刺穿电池隔膜的现象,提高了锂电池的性能。本发明采用纳米压印技术,特别是卷对卷纳米压印锂金属电池负极,可以实现大规模工业化量产;本发明采用的微纳加工技术,工艺成熟稳定,可实现图形尺寸的精确控制,从纳米级到微米级别的图案均可制作。

标签:
加工技术
广东 - 深圳 来源:中冶有色网 2023-03-18
锂电池正极复合材料及锂离子二次电池

本发明提供了一种锂电池正极复合材料,包括锂钴氧化物和锂锰氧化物,其中,锂锰氧化物的重量占锂钴氧化物和锂锰氧化物混合重量的5~30%,优选为15~25%。本发明还提供了使用该正极复合材料的锂离子二次电池,本发明不仅改善了锂电池的低温放电性能,还保证了常温循环性能。

标签:
加工技术
广东 - 深圳 来源:中冶有色网 2023-03-18
锂离子电池及锂金属合金的制备方法

本发明公开了一种锂离子电池,包括反应器、微孔隔板、正极储罐、正极反应液、正极液体泵、负极储罐、负极反应液、负极液体泵;所述反应器为一封闭内腔,所述微孔隔板分隔所述反应器成正极腔室和负极腔室;正极储罐、正极液体泵和正极腔室经输液管连接构成正极回路,正极反应液在正极回路内流动;负极储罐、负极液体泵和负极腔室经输液管连接构成负极回路,负极反应液在负极回路内流动;正极反应液和负极反应液用于参加反应产生能量,负极反应液包括液态锂金属合金。该锂离子电池避免了钠硫电池对电池体系加热,提升了安全性,降低了成本。还具有液流电池能量密度高、功率密度高、成本低、且污染小的特点。另,还公开了一种锂金属合金的制备方法。

标签:
加工技术
广东 - 深圳 来源:中冶有色网 2023-03-18
软包装锂电池卷绕式电芯及其制作方法和锂电池

本发明涉及一种软包装锂电池卷绕式电芯,包括由正、负极片绕卷形成的卷绕体、将正、负极片隔开的隔膜以及将正、负极片的电极引出的正、负极耳,正、负极片包括正、负极集流体及涂覆在正、负极集流体表面的正、负极活性物质,其中,所述负极片位于所述卷绕体内的自由端与所述正极片位于所述卷绕体内的自由端均朝向同一方向排列。该软包装锂电池卷绕式电芯,位于卷绕体最内层的负极片重叠卷绕两次,从而卷绕体最内层的正极片与两层负极片相对,即使内层的负极片不能入片到位,正极片仍然可以与次内层的负极片匹配反应,从而不会导致正极容量损失。此外,本发明还涉及一种该软包装锂电池卷绕式电芯的制作方法和采用该卷绕式电芯的锂电池。

标签:
加工技术
广东 - 深圳 来源:中冶有色网 2023-03-18
磷酸铁锂电池的正极材料、使用该正极材料的磷酸铁锂电池及其制备方法

本发明提供一种磷酸铁锂电池的正极材料、使用该正极材料的磷酸铁锂电池及其制备方法。该正极材料按以下重量分数组成:磷酸铁锂:40%-55%;第一导电剂:1%-2%;第二导电剂:0-1.5;粘结剂:2%-5%,以及溶剂:42%-57%。该电池包括涂覆前述正极材料的正极极片。该电池的制备方法包括使上述正极材料经过三辊研磨机研磨的工艺。利用本发明的磷酸铁锂电池的正极浆料经过三辊研磨机研磨后制作的极片柔韧度增强、且不会出现开裂、掉粉的现象。另外,应用该极片的电池的容量发挥程度为5Ah-5.2Ah,且经研磨的浆料与未经研磨的浆料相比容量提升4%左右。

标签:
加工技术
广东 - 深圳 来源:中冶有色网 2023-03-18
锂离子电池负极粘结剂、负极片及锂离子电池

本发明公开一种锂离子电池负极粘结剂、负极片及锂离子电池,所述粘结剂包括第一高分子聚合物和第二高分子聚合物乳液。将其应用于制备锂离子电池负极片时,第一高分子聚合物包裹在负极活性物质颗粒表面形成第一高分子聚合物弹性层,第二高分子聚合物乳液中的第二高分子聚合物乳液粒子存在于第一高分子聚合物弹性层中。第一高分子聚合物弹性层由于其具有良好的弹性,可随着负极活性物质颗粒的膨胀和收缩而收缩和膨胀,抑制负极活性物质颗粒的膨胀以及碎裂。同时,第二高分子聚合物乳液粒子可以在第一高分子聚合物弹性层中形成网络结构,提高粘结力,增强锂离子传输能力,增强负极片的韧性,保证负极活性物质颗粒长期循环的结构稳定。

标签:
加工技术
广东 - 深圳 来源:中冶有色网 2023-03-18
锂离子电池负极材料、锂离子电池及制备方法

一种锂离子电池负极材料、锂离子电池及制备方法,属于二次电池技术领域。锂离子电池负极材料包括由锌盐和1H‑1,2,3三氮唑反应获得的MOF材料,碳化后获得锌和氰化锌掺杂的多孔碳材料。该多孔碳材料具有良好的电子导电性,较大体积膨胀容忍性,且锌和氰化锌具有亲锂特性,可降低锂金属成核电势,实现锂离子的均匀沉积和剥离,避免锂枝晶的形成和生长,以提高锂离子电池的循环性能和安全性能。

标签:
加工技术
广东 - 深圳 来源:中冶有色网 2023-03-18
上一页 505 506 507 508 509 ... 771 下一页
共771页    到第

中冶有色为您提供最新的广东深圳有色金属材料制备及加工技术理论与应用信息,涵盖发明专利、权利要求、说明书、技术领域、背景技术、实用新型内容及具体实施方式等有色技术内容。打造最具专业性的有色金属技术理论与应用平台!

全国热门有色金属设备推荐
展开更多 +
全国热门有色金属技术推荐
展开更多 +

 

江西省隆恩特环保设备有限公司
宣传

报名参会
更多+

报告下载

有色专家
更多+

有研科技集团有限公司
首席科学家
武汉工程大学
教授
长沙矿冶研究院有限责任公司
中国工程院院士
紫金矿业信息化研发中心
副总经理
任灵宝金源矿业股份有限公司
技术发展部经理
赤泥综合利用研究报告2025
推广

热门技术
更多+

推荐企业
更多+

福建省金龙稀土股份有限公司
宣传

发布

在线客服

公众号

电话

顶部
咨询电话:
010-88793500-807