青岛垚鑫智能科技有限公司
宣传

位置:中冶有色 >

有色技术频道 >

> 加工技术

分类:
全部
矿山技术
冶金技术
材料制备及加工技术
环境保护技术
分析检测技术
 
全部
功能材料技术
复合材料技术
新能源材料技术
合金材料技术
加工技术
地区:
全部
北京
天津
上海
重庆
河北
山西
辽宁
吉林
黑龙江
江苏
浙江
安徽
福建
江西
山东
河南
湖北
湖南
广东
海南
四川
贵州
云南
陕西
甘肃
青海
内蒙
广西
西藏
宁夏
新疆
其他
其他
展开
 
全部
重庆

重庆有色金属加工技术理论与应用

免费发布技术信息>>
锂离子电池封装结构
锂离子电池封装结构 1006     
 0

本实用新型公开了一种锂离子电池封装结构,包括盒状的防水壳及密封盖,防水壳能够和密封盖通过密封卡接机构卡接配合并在其内形成整体呈矩形体的安装腔室,锂离子电池安装于安装腔室内,防水壳表面还设置有充电接口和放电接口,充电接口和放电接口和锂离子电池电连接,其特征在于,安装腔室内还设置有振动发电模块,所述振动发电模块和锂离子电池电连接并形成充电电路,所述充电电路中设置有开关,所述开关安装在防水壳表面。本实用新型具有方便充电以延长使用时间,具备较好的防水保护效果,且方便拆装等优点。 1

标签:
加工技术
重庆 - 重庆 来源:中冶有色网 2023-03-18
镍钴锰酸锂热处理装置

本实用新型提出一种镍钴锰酸锂热处理装置,包括反应炉,所述反应炉上部为锥形框,所述锥形框顶部设置有圆形管道,所述圆形管道上设置有进风管道;所述反应炉中部为长方体框,其两端侧面对称设置有运料口,所述运料口处设置有轨道,所述轨道下端设置有滑轮,所述滑轮通过皮带与轨道连接,所述滑轮之间设置有加热器;所述反应炉底部设置有电机框,所述电机框内设置有电机,所述电机上的连接轴通过皮带与滑轮连接。本实用新型镍钴锰酸锂热处理装置的有益技术效果通过进风管道进入空气,保证了反应炉中的温度平衡,使镍钴锰酸锂原料热处理充分,并且提高了镍钴锰酸锂性能。

标签:
加工技术
重庆 - 重庆 来源:中冶有色网 2023-03-18
氧化亚钴纳米片阵列/碳布复合锂离子电池柔性负极材料的制备方法

本发明提供了一种氧化亚钴纳米片阵列/碳布复合锂离子电池柔性负极材料的制备方法,包括以下步骤:(1)清洗炭布,放入高压反应釜内衬;(2)1~4mmolCo(NO3)2·6H2O,0~8mmolNH4F,5~10mmolCO(NH2)2(尿素)混合后溶解在去离子水中后转移至高压反应釜内衬中,对反应釜加热,自然冷却,得到长有中间体碱式碳酸钴的碳布;(3)对长有中间体的碳布煅烧得到氧化亚钴纳米片/碳布复合材料。本发明采用导电性好且廉价的碳布作为生长基底,活性材料与碳布接触非常好,有利于锂离子在材料中的嵌入/脱出,大幅度减弱了使用中样品形貌被破坏的现象,这种三维阵列产量高,作为锂离子电池负极具有巨大的优势,这种新颖的多级复合结构具有很高的实用价值。

标签:
加工技术
重庆 - 重庆 来源:中冶有色网 2023-03-18
电动汽车磷酸铁锂动力电池检测装置

本实用新型提供一种电动汽车磷酸铁锂动力电池检测装置,它包括电压检测模块、温度检测模块和数字信号控制器模块;数字信号控制器模块将检测到的电压和温度信息作出分析判断,经过磁耦合隔离器件和CAN驱动器,将检测到的信息通过CAN总线上传到液晶显示器。本实用新型采用磁耦合隔离器件实现对隔离电路的简化;采用宽供电电压范围的数字信号控制器芯片,不再对磷酸铁锂动力电池的端电压进行DC/DC转换和稳压,而直接由所检测电池提供数字信号控制器电源,简化其数字信号控制器供电电路。大大降低了磷酸铁锂动力电池检测装置的制造成本,提高了检测信号的稳定性和准确性,实现了高精度、低功耗的数据采集。

标签:
加工技术
重庆 - 重庆 来源:中冶有色网 2023-03-18
锂带包装筒
锂带包装筒 1031     
 0

本实用新型公开了一种锂带包装筒,包括一端开口的筒体和嵌合盖于筒体开口端的筒盖,所述筒体和筒盖均由塑料制成,与现有技术中的纸制包装盒相比,本实用新型的锂带包装筒强度大大提高,防水防潮效果更好,可有效地保护锂带不受挤压而产生变形,并且保持内部干燥,安全性高。另外,包装筒尺寸选择合理,可在标准外包装桶内放置成四层,每层呈品字形排列,空间利用率高,有利于存储和运输。

标签:
加工技术
重庆 - 重庆 来源:中冶有色网 2023-03-18
锂电池组装箱体
锂电池组装箱体 1123     
 0

本实用新型公开了一种锂电池组装箱体,包括散热箱和组装箱,所述散热箱的上端表面固定连接在组装箱的下端底面上,所述组装箱的上端的两侧契合连接有盖板,所述组装箱的内壁的左右两侧的表面上固定连接有连接块,所述连接块的内部滑动连接有支撑板,所述支撑板的上端的表面上穿孔连接有散热组件,所述散热组件的下端穿孔连接在组装箱的下端中部和散热箱的上端中部。通过设置散热组件,通过散热杆与支撑板的连接将放置在散热杆之间且底面固定在支撑板的上端的锂电池产生的热量通过散热杆导入组装箱下端的散热箱,实现对组装箱内部的热量的传递,避免组装箱内部热量过高导致锂电池寿命变短。

标签:
加工技术
重庆 - 重庆 来源:中冶有色网 2023-03-18
锂电池浆料搅拌主机
锂电池浆料搅拌主机 1107     
 0

本实用新型公开了一种锂电池浆料搅拌主机,包括外筒、搅拌内筒以及搅拌桨,所述搅拌内筒转动配合安装于外筒内并可被驱动转动,所述搅拌桨偏心设置于内筒内,所述搅拌桨转动配合安装于外筒顶部并可被驱动转动,所述搅拌内筒斜置设置。本实用新型中搅拌桨和搅拌内筒自转,且搅拌桨相对搅拌内筒公转,大大提高了搅拌效率,且搅拌过程中无死角,而且搅拌内筒倾斜一定角度旋转,使锂电浆料在混合时形成速度差很高的交错性混合料物流和逆向性混合料物流,保证锂电浆料均匀,提高了浆料混合效果。

标签:
加工技术
重庆 - 重庆 来源:中冶有色网 2023-03-18
锂离子动力电池电芯精确定位双边同步水平冲孔的装置

本发明涉及锂离子电池制造技术领域,特别是涉及一种锂离子动力电池电芯精确定位双边同步水平冲孔的装置,包括底座固定板、左右推动总成、定模、上模总成、动力驱动机构,所述左右推动总成和定模固定连接所述底座固定板。整个装置结构简单、操作安全、工作效率高、自动化程度高、打孔一致性好,具有很好的实用性。同时还便于锂离子电池生产效率和综合性能的提高。

标签:
加工技术
重庆 - 重庆 来源:中冶有色网 2023-03-18
可用于金属锂电池和金属钠电池的复合隔膜及其制备方法以及应用

本发明提供了一种可用于金属锂电池和金属钠电池的复合隔膜,包括:聚合物隔膜;复合于所述聚合物隔膜表面的功能涂层,所述功能涂层由硫化钒、单宁酸和经过还原的氧化石墨烯制备得到。本发明提供的可用于金属锂电池和金属钠电池的复合隔膜可以有效提高金属锂/钠电池的循环稳定性和安全性,并且工艺简单,成本低。

标签:
加工技术
重庆 - 重庆 来源:中冶有色网 2023-03-18
锂离子电池回收组合预处理成套工艺

本发明涉及锂离子电池回收技术领域,具体涉及一种锂离子电池回收组合预处理成套工艺,包括如下步骤:放电后的锂离子电池,通过上料机,送入步进精拆装置,实现电芯和电池壳体的分离,电池壳体直接回收;电芯在分离过程被切成两半,在输送过程实现了打散,之后进入闭路风选装备,实现了隔膜和正负极材料的分离,隔膜被直接回收,少量的切削杂质也被分离出系统,获得相对纯净的正负极材料;正负极材料进入组合热处理系统后,被逐级加热,利用控氧燃烧,实现物料中碳基物料的烧蚀,获得相对纯净的正极材料,实现回收;本发明具备如下优点:本发明中的精确拆分去皮,有效实现了壳体的完全回收,全系统的负压环境进行,保障散逸的电解液被有效处置。

标签:
加工技术
重庆 - 重庆 来源:中冶有色网 2023-03-18
复合集流体以及具有其的正极极片以及锂离子电池

本发明提出了一种复合集流体以及具有其的正极极片以及锂离子电池,所述复合集流体包括第一铝箔;塑料层,所述塑料层设置在所述第一铝箔的一侧;第二铝箔,所述第二铝箔设置在所述塑料层背离所述第一铝箔的一侧;安全层,所述安全层设置在所述第一铝箔背离所述塑料层的一侧的至少部分区域和/或所述第二铝箔背离所述塑料层的一侧的至少部分区域,所述安全层包括活性物质,所述活性物质包括锂铁氧化物。由此,该复合集流体安全性更高,电池能量密度高,电池重量轻,电池比能量高。

标签:
加工技术
重庆 - 重庆 来源:中冶有色网 2023-03-18
类球形粉体氧化铁锂离子电池负极材料造粒除杂方法

本发明公开了一种类球形粉体氧化铁锂离子电池负极材料造粒除杂方法,在利用从下到上吹出热风形成的热风流场实现氧化铁颗粒造粒的过程中,其特征在于,对热风流场施加一个位于下方的磁场作用,使得氧化铁产物中的四氧化三铁颗粒受磁场作用力而整体降低在热风流场中的位置,进而和被吹至热风流场上方的三氧化二铁颗粒分离,使得生成的三氧化二铁颗粒物料更好地从上方随风流外排,实现不同氧化铁产品的分离除杂。本发明具有简单,可靠,能够进一步提高对氧化铁除杂效果的优点,能够实现类球形粉体氧化铁锂离子电池负极材料造粒过程中的深度除杂。

标签:
加工技术
重庆 - 重庆 来源:中冶有色网 2023-03-18
杂化芳纶涂覆的锂电池复合隔膜及其制备方法

本发明公开了一种杂化芳纶涂覆的锂电池复合隔膜及其制备方法,电池隔膜的单侧或双侧涂覆有杂化芳纶涂层,所述杂化芳纶涂层由含有杂化芳纶的浆液涂覆而成,所述杂化芳纶为聚间苯二甲酰对苯二胺和聚对苯二甲酰间苯二胺中的一种或两种。本发明利用杂化芳纶涂覆成为芳纶涂层,杂化芳纶对水的敏感度较低,不易析出,易储存,从而极大程度改善了芳纶浆液对水分的耐受度,降低了芳纶涂覆浆液的存储成本以及对涂覆设备的要求,适用于工业化生产芳纶涂覆的锂电池隔膜。

标签:
加工技术
重庆 - 重庆 来源:中冶有色网 2023-03-18
不含氯化锂和添加剂的聚苯硫醚及其制备方法与应用

本发明涉及一种不含氯化锂和添加剂的聚苯硫醚及其制备方法与应用。S101:惰性气体氛围下,将硫磺粉末和催化剂加入反应釜中,之后加入溶剂,加热并搅拌均匀,直至形成均匀悬浮液;S102:向悬浮液中加入二氯苯,以1~5℃/min的速率升温至120~150℃并恒温搅拌1~3h;S103:将S102得到的产物冷却至室温,之后固液分离并取固相;S104:将固相采用去离子水洗涤后干燥,得到聚苯硫醚树脂。本发明提供的制备方法,不仅有效避免了传统方法中氯化锂和添加剂的使用,而且制备得到的聚苯硫醚树脂性能优异、氯含量极低、流动性和热稳定性好,合成成本也进一步降低,从而能够有效提高生产过程中的经济效益和社会效益。

标签:
加工技术
重庆 - 重庆 来源:中冶有色网 2023-03-18
退役锂电池分选方法及其系统

本发明提供了一种退役锂电池分选方法,包括以下步骤:测量单体电池的开路电压Vocv;当开路电压Vocv不低于开路电压下限Vl时,进入充电阶段;测量计算充电时间Tc时刻该单体电池的端电压Vcr;当Tc时刻该单体电池的端电压Vcr不超过Tc时刻端电压上限Vcrh,且不低于Tc时刻端电压下限Vcrl时,进入静置阶段;测量从静置阶段0时刻的静置电压到静置阶段Ts时刻的静置电压变化Vcd;当静置电压变化Vcd不超过静置电压变化上限Vcdh时进入放电阶段;测量计算从放电阶段0时刻的电压到放电阶段Td时刻的电压变化Vdd;综合计算评分并根据评分结果进行分级;其效果是:能快速有效地对退役动力锂电池进行分选,为其梯次利用与合理回收创造条件。

标签:
加工技术
重庆 - 重庆 来源:中冶有色网 2023-03-18
手机锂电池壳体用铝合金带材及其制备方法

采用本发明生产的手机锂电池壳体用铝合金带材的抗拉强度可以达到170MPa~190MPa、断后伸长率3.0%~5.0%、制耳率3%~4%,能满足现代新型手机电池壳的非对称盒式大比例变薄拉伸冲制成型要求。本发明的手机锂电池壳体用铝合金带材的制备方法通过严格控制各合金元素的质量百分比;热轧前经均匀化退火处理消除了Mn元素的晶内偏析,使材料组织均匀、不存在粗大且不均匀的第二相粒子;由于添加了一定Mg元素,所以在提高材料强度的同时,其成品晶粒度可以控制到一级以下;从而使材料的强度、韧性和深冲等综合性能都得到较大幅度的提高。

标签:
加工技术
重庆 - 重庆 来源:中冶有色网 2023-03-18
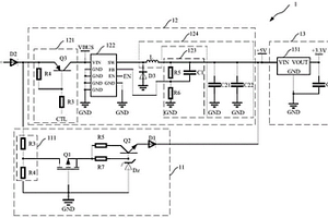
低功耗供电模块、锂电池保护板、电源电路及产生方法

本发明提供一种低功耗供电模块、锂电池保护板、电源电路及产生方法,包括:分压单元、PMOS管、第一电阻、第二电阻、稳压二极管及NPN三极管;所述分压单元接收输入电压,对所述输入电压进行分压;所述PMOS管的漏极连接所述分压单元的输出端,栅极接地,源极分别经由所述第一电阻及所述第二电阻连接所述NPN三极管的基极及集电极;所述稳压二极管的阴极连接所述NPN三极管的基极,阳极接地;所述NPN三极管的发射极输出预设电压。本发明对锂电池保护板的电源部分做改进,从而减小锂电池保护板电源部分的静态功耗,减少电能的浪费,提高电池的使用寿命。

标签:
加工技术
重庆 - 重庆 来源:中冶有色网 2023-03-18
锂电池浆料搅拌系统
锂电池浆料搅拌系统 735     
 0

本发明公开了一种锂电池浆料搅拌系统,包括外筒、搅拌内筒、搅拌桨以及热循环装置,所述搅拌内筒转动配合安装于外筒内并可被驱动转动,所述搅拌桨偏心设置于内筒内,所述搅拌桨转动配合安装于外筒顶部并可被驱动转动,外筒外圆与搅拌内筒内圆之间具有环形封闭热交换腔,所述热循环装置将低温冷却介质输入至热交换腔中,所述热交换腔中的高温冷却介质回流至热循环装置中冷却后重新输入至热交换腔中。本发明中搅拌桨和搅拌内筒自转,且搅拌桨相对搅拌内筒公转,大大提高了搅拌效率,且搅拌过程中无死角,而且热循环装置用于吸收锂电浆料在混合搅拌过程中产生的物理发热,以控制锂电浆料维持在一定的恒温范围内,提高了浆料混合效果。

标签:
加工技术
重庆 - 重庆 来源:中冶有色网 2023-03-18
快离子修饰硅酸盐型锂电池正极复合材料及其制备方法

本发明公开一种快离子修饰硅酸盐型锂电池正极复合材料及制备方法,正极复合材料由硅酸盐活性材料Li2FexMn1‑xSiO4及包覆在其外表面的快离子导体层构成,所述硅酸盐活性材料与快离子导体层的质量比为1:(0.05‑0.3)。与现有技术相比,本发明的正极复合材料能大幅提高电池容量,而且其循环性能、倍率性能、过充性能及安全性能都得到很大改善;采用原位碳化复合和球磨/喷雾干燥制备的硅酸盐前驱体,可防止硅酸盐颗粒间的烧结和团聚,缩短锂离子的传输路径,在硅酸盐活性材料外表面包覆快离子导体层,内外相互扩散使其有机地连接起来,形成镶嵌型结构,避免了材料与电解液的直接接触,提升锂离子扩散能力,降低了材料与电解液间的界面电阻。

标签:
加工技术
重庆 - 重庆 来源:中冶有色网 2023-03-18
掺杂金属元素改性的磷酸锰锂复合正极材料及其制备方法

本发明公开了一种掺杂金属元素改性的磷酸锰锂复合正极材料及其制备方法,该复合正极材料的化学通式为LiMnxMyPO4/C,其中0.6≤x≤0.9,x+y=1,M为Fe、Mg、V、Zn、Zr、Ti中的一种或者多种。其制备方法是以锰源可溶性物质为原料制备得到锰源前驱体,然后与锂源、磷源、碳源、M源进行球磨混合,再将混合物在氩气气氛中进行高温烧结,最终得到复合正极材料。本发明所制备的掺杂金属元素的改性磷酸锰锂复合正极材料电化学性能优异,有较高放电比容量和循环稳定性且制备工艺简单适合大批量工业化生产。

标签:
加工技术
重庆 - 重庆 来源:中冶有色网 2023-03-18
铝锂合金锥筒模具
铝锂合金锥筒模具 1013     
 0

本实用新型公开了一种铝锂合金锥筒模具,包括用于放置坯料的下凹模、用于冲压坯料的预锻冲头和终锻冲头;终锻冲头包括冲头主体、套装在冲头主体上端部的上模座以及用于固定上模座和冲头主体的卡爪,终锻冲头采用冲头主体和上模座的分体结构,冲头主体可使用废旧模具进行制作加工,与采购新模料并制作整体终锻冲头相比,可提高废旧模具利用率,减小新模具制造费用,并缩短铝锂合金锥筒的生产周期。

标签:
加工技术
重庆 - 重庆 来源:中冶有色网 2023-03-18
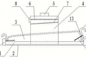
锂离子电池极片涂布装置

本实用新型公开了一种锂离子电池极片涂布装置,包括水平设置的底座,底座上设置有涂布台,底座上还配合设置有加热装置,加热装置设置在一个滑座上,滑座包括两个竖向设置的滑动侧板和连接两个滑动侧板的顶板,滑动侧板下端可平动地配合在底座上且涂布台位于两个滑动侧板平动路径之间,滑座的顶部下表面高出涂布台至少一个锂离子电池极片的厚度。该装置可以避免集流体的来回转运,在一台装置上即可完成涂布和干燥,减少了转运过程避免了杂质的引入,提高了电池极片的质量。

标签:
加工技术
重庆 - 重庆 来源:中冶有色网 2023-03-18
汽车锂电池电芯分布式检测系统和方法以及测量模块

本发明公开了汽车锂电池电芯分布式检测系统和方法以及测量模块;一种汽车锂电池电芯分布式检测方法,其特征在于:包括如下步骤:A、上位机与电池管理系统连接,电池管理系统通过通讯接口与所有的测量模块连接;每个测量模块均与一个电池电芯并联连接;B、将上位机连接电池管理系统,根据测量模块上的“模块ID号”,上位机为每个测量模块配置其在本检测系统中的“模块逻辑编号”;C、电池管理系统通过通讯接口RS‑485接口依次向所有的测量模块发送“采集命令”;对应的测量模块收到该命令后立即回复一个确认标志,并按照命令测量相关参数,参数包括锂电池电芯的温度、电压和内阻;本发明可广泛应用于各类电动力车中。

标签:
加工技术
重庆 - 重庆 来源:中冶有色网 2023-03-18
废旧锂电池资源化回收工艺

本发明公开了一种废旧锂电池资源化回收工艺,包括以下步骤:将新能源动力电池根据型号不同进行分类、放电处理并拆解成单体电芯,用溶剂对单体电芯进行淋洗、浸泡、真空抽滤,滤液为电池的电解液;采用溶剂对单体电芯的正、负极片进行浸取,回收粉料与集流体;将符合元素分离要求pH的浸取液直接进行元素分离,将不符合元素分离要求pH的浸取液分离出来并调节其pH直至符合元素分离要求pH后再进行元素分离;将经过元素分离步骤后的浸取液进行循环利用。本发明的废旧动力锂电池的回收工艺路线短,通过浸取液的循环减少了资源的消耗,安全环保,回收率高,可有效地对废旧动力锂电池的有价值成分进行回收利用。

标签:
加工技术
重庆 - 重庆 来源:中冶有色网 2023-03-18
磷酸铁锂电池加热装置、蓄电池及车辆

本发明提供了一种磷酸铁锂电池加热装置、蓄电池及车辆,其中,该电池加热装置包括:温度检测装置、主控制器和加热元件;其中,温度检测装置与主控制器相连接,主控制器与加热元件相连接,加热元件设置于电池的周围;上述温度检测装置,用于采集电池的表面温度信号,并将该温度信号传输至上述主控制器;上述主控制器,用于根据上述温度信号控制上述加热元件对电池进行加热或者停止加热,以使电池的表面温度控制在预设温度范围内。本发明实施例通过利用主控制器控制加热元件对电池进行加热,以使电池的表面温度控制在预设范围内,保证了在0℃以下磷酸铁锂电池的放电及充电速率,进而解决了在0℃以下磷酸铁锂电池不能正常工作的问题。

标签:
加工技术
重庆 - 重庆 来源:中冶有色网 2023-03-18
利用粉煤灰固体废弃物制备锂离子电池硅负极材料的方法及其材料

本发明公开了一种利用粉煤灰固体废弃物制备锂离子电池硅负极材料的方法,包括如下步骤:1)以粉煤灰为原材料进行碱熔融处理;2)将经步骤1)处理后的材料进行金属热还原处理;3)将经步骤2)处理后的材料在粘结剂中分散均匀;4)将经步骤3)处理后的材料涂布在铜箔上,进一步真空干燥得锂离子电池硅负极材料。本发明充分利用了粉煤灰中二氧化硅含量高的特点,通过对粉煤灰进行改性和加工,开发出高性能以及高性价比的锂离子电池硅负极材料,其与传统的二次锂离子电池负极材料石墨相比明显表现出了更优异的倍率性能。这样不但可以大幅度提升粉煤灰的商业价值,同时减少了粉煤灰固体废弃物对环境的污染,具有较大的社会效益和经济效益。

标签:
加工技术
重庆 - 重庆 来源:中冶有色网 2023-03-18
拼组稳固的新能源汽车锂电池

本实用新型涉及锂电池技术领域,具体为一种拼组稳固的新能源汽车锂电池,包括壳体,壳体的两侧靠顶端的位置均设置有螺栓,壳体的两侧靠中间的位置均开设有若干组散热孔,壳体的两侧内壁靠顶端的位置均与盖体的两侧相贴合,盖体的底端开设有若干组固定槽,壳体的底端内壁位置设置有卡轨,卡轨的外表面卡接有若干组弹性卡块,卡轨的内部开设有若干组螺纹槽,若干组弹性卡块的内壁均设置有阻尼垫,若干组弹性卡块的顶端均设置有锂电池组,若干组锂电池组的顶端均设置有固定块,若干组螺纹槽的内部设置有螺杆,若干组螺杆的顶端均设置有石墨散热板。通过卡轨和弹性卡块的设置可以解决不能方便、快捷的对锂电池进行拼装的问题。

标签:
加工技术
重庆 - 重庆 来源:中冶有色网 2023-03-18
新型锂电池组
新型锂电池组 1187     
 0

本实用新型公开了一种新型锂电池组,属于电池领域。它包括相互串联的至少两只单体锂电池构成的电池组,所述每个单体锂电池的外壳壳壁为0.1-0.2mm,在所述电池组的正极串联有一只二极管,在所述电池组的负极串联有至少一只保险管;在所述二极管与保险管外分别设有将二极管、保险管与所述电池组封闭在一起而形成所述锂电池组的热缩管。本实用新型的优点是该锂电池组性能稳定且安全可靠,而且能实现节能环保和增容。

标签:
加工技术
重庆 - 重庆 来源:中冶有色网 2023-03-18
锂电池辅助测试治具
锂电池辅助测试治具 785     
 0

本实用新型公开了一种锂电池辅助测试治具,具体涉及锂电池生产制造领域,现有锂电池产品尺寸规格繁多,专用测试仪器数量不足以满足日益繁多的不同规格型号电芯通用,测试效率缓慢,包括底板和支撑立柱,四根所述支撑立柱纵向固定在底板四个角位,四根所述支撑立柱上端共同固定有电池定位板;电芯定位夹具与挤压测试辅助治具相对独立,可连续完成不同型号的挤压测试,受压活动本身不施加力,根据气缸推杆本身施加的力,可完成不同压力标准下的挤压测试,挤压辅助治具本身简洁轻便,可独立放入密封箱体内进行测试,测试完成后可取出,多套挤压辅助治具可独立、依次替换使用,大大提高测试效率。

标签:
加工技术
重庆 - 重庆 来源:中冶有色网 2023-03-18
圆柱软包锂电池的高度整形装置

本实用新型公开了一种圆柱软包锂电池的高度整形装置,其涉及圆柱形锂电池的生产领域,其包括基座、装设在基座上的电池治具、装设在基座上且位于电池治具一侧的第一发热系统、装设在基座上且位于电池治具另一侧的第二发热系统以及装设在基座上的直线驱动装置;所述第二发热系统与直线驱动装置传动连接;所述电池治具上设置有若干个弧形槽;所述直线驱动装置驱动第一发热系统向电池治具的方向靠近或远离;当所述第一发热系统最靠近电池治具时,位于弧形槽内的圆柱电池的一端面与第一发热系统紧密接触,其另一端面与第二发热系统紧密接触;本实用新型解决现有圆柱软包锂电池生产工艺中由于折叠后的铝袋具有张力而导致电池高度不可控的技术问题。

标签:
加工技术
重庆 - 重庆 来源:中冶有色网 2023-03-18
上一页 46 47 48 49 50 ... 69 下一页
共69页    到第

中冶有色为您提供最新的重庆有色金属加工技术理论与应用信息,涵盖发明专利、权利要求、说明书、技术领域、背景技术、实用新型内容及具体实施方式等有色技术内容。打造最具专业性的有色金属技术理论与应用平台!

全国热门有色金属设备推荐
展开更多 +
全国热门有色金属技术推荐
展开更多 +

 

江西省隆恩特环保设备有限公司
宣传

报名参会
更多+

报告下载

有色专家
更多+

武汉工程大学
教授
湖南科技大学
所长/教授
江西理工大学
副处长/教授
中国铝业股份有限公司
总裁 党委副书记
清华大学
研究员
赤泥综合利用研究报告2025
推广

热门技术
更多+

推荐企业
更多+

福建省金龙稀土股份有限公司
宣传

发布

在线客服

公众号

电话

顶部
咨询电话:
010-88793500-807