青岛垚鑫智能科技有限公司
宣传

位置:中冶有色 >

有色技术频道 >

> 加工技术

分类:
全部
矿山技术
冶金技术
材料制备及加工技术
环境保护技术
分析检测技术
 
全部
功能材料技术
复合材料技术
新能源材料技术
合金材料技术
加工技术
地区:
全部
北京
天津
上海
重庆
河北
山西
辽宁
吉林
黑龙江
江苏
浙江
安徽
福建
江西
山东
河南
湖北
湖南
广东
海南
四川
贵州
云南
陕西
甘肃
青海
内蒙
广西
西藏
宁夏
新疆
其他
其他
展开
 
全部
郑州
开封
洛阳
平顶山
安阳
鹤壁
新乡
焦作
濮阳
许昌
漯河
三门峡
商丘
周口
驻马店
南阳
信阳
济源

河南新乡有色金属加工技术理论与应用

免费发布技术信息>>
锂电池用防止晃动的放置盒

本实用新型公开了一种锂电池用防止晃动的放置盒,包括盒体,盒体底部的两侧内壁上焊接有处于同一水平线的两根螺杆,且螺杆的两端螺纹连接有调节螺母,螺杆的靠近调节螺母的一侧外壁上活动连接有夹板,且螺杆顶部外壁的中心处放置有放置板,放置板的底部外壁上通过螺栓固定安装有散热风机,且散热风机的顶部与放置板之间相互连通。本实用新型能很好的对锂电池起到防护作用,从而达到延长锂电池使用寿命的效果,提升了锂电池在盒体内部的稳定程度,结构简单,操作方便,实用性强,使得盒体内部的锂电池更加的稳固牢靠,在盒体运动的过程中液压连杆和弹簧对盒体内部的锂电池起到了一定程度的减震作用。

标签:
加工技术
河南 - 新乡 来源:中冶有色网 2023-03-18
阵状排列石墨烯基锂离电池

本发明公开的一种阵状排列石墨烯基锂离电池,包括阵状排列石墨烯基锂离子电池组,所述阵状排列石墨烯基锂离子电池组的上端连接有限位紧固结构,且限位紧固结构包括顶盖、连接片、限位固定套、第一通孔、电池组收缩套和第二通孔。本发明所述的一种阵状排列石墨烯基锂离电池,属于阵状排列石墨烯基锂离子电池组领域,通过导热件、电池组散热板和弹性侧板的相互配合,导热件设置的电池组导热板、电池组导热环能够实现阵状排列石墨烯基锂离子电池组的导热,电池组导热板和电池组散热板相互接触,能够实现阵状排列石墨烯基锂离子电池组的散热,一定程度上提高阵状排列石墨烯基锂离子电池组的散热效率,弹性侧板方便电池组散热板的安装。

标签:
加工技术
河南 - 新乡 来源:中冶有色网 2023-03-18
废旧磷酸铁锂正极材料资源化用于铁空气电池的方法

本发明公开了一种废旧磷酸铁锂正极材料资源化用于铁空气电池的方法,属于废旧锂离子电池磷酸铁锂正极材料回收技术和碱性二次电池领域。本发明的技术方案要点为:以废旧磷酸铁锂材料为原料,将其与铁盐、铋盐和有机添加剂混合均匀后,在惰性气氛下经过煅烧处理制得磷酸铁锂基复合材料,然后将该磷酸铁锂基复合材料用于制备铁空气电池负极。本发明可以高效回收废旧锂离子电池正极材料并用于制备碱性二次电池负极,实现废旧磷酸铁锂材料的循环再生利用。

标签:
加工技术
河南 - 新乡 来源:中冶有色网 2023-03-18
尖晶石复合钛酸锂的制备方法

一种尖晶石复合钛酸锂的制备方法,属于电池领域。本发明的目的是 提供一种尖晶石复合钛酸锂的制备方法。本发明的技术方案要点是,一种 尖晶石复合钛酸锂的制备方法,尖晶石复合钛酸锂的分子式为 LixTi1.25-yMyO3/wz,其制备方法步骤有:(1)将锂:钛的原子比为0.6-1的 锂源和钛源与掺杂改性剂混匀后分散到有机溶剂中进行球磨8-24小时,烘 干,(2)将工步(1)制得的烘干物在300-600℃下进行热处理10-24小时 后自然冷却;(3)将工步(2)得到的材料与包覆材料进行混合球磨8-24 小时,在氮气保护下与700-1000℃下进行烧结10-24小时后,冷却过筛得 到本发明尖晶石符合钛酸锂。本发明用于锂电池的制备。

标签:
加工技术
河南 - 新乡 来源:中冶有色网 2023-03-18
锂电池电芯拆解装置及分类系统

本实用新型涉及一种锂电池电芯拆解装置及分类系统;包括锂电池电芯拆解装置,锂电池电芯拆解装置的正表面下部设有传送带,传送带顶部设有真空吸盘,传送带外侧设有正极片储存箱,传送带的末端设有负极片及隔膜存储箱,锂电池电芯拆解装置中拆解支架的下部设有涂敷层粉末收集箱;锂电池电芯拆解装置包括压紧旋转单元,压紧旋转单元底部设有拆卸单元,压紧旋转单元和拆卸单元之间设有刀片装置;具有结构简单、设计合理、通过辊轴形式对锂电池电芯进行开卷处理,使正负极片实现有效分离,为后续工艺回收正极材料、负极材料、磷酸铁锂粉与石墨粉奠定了基础,提供了材料分类回收再利用率的优点。

标签:
加工技术
河南 - 新乡 来源:中冶有色网 2023-03-18
软包锂电池的串并联固定板

本实用新型公开了一种软包锂电池的串并联固定板,包括固定板本体,固定板本体包括基板,基板一侧外壁上靠近底部处与一侧外壁靠近顶部处均开设有两个通孔一,基板一侧外壁上靠近底部处与一侧外壁靠近顶部处均开设有四个通孔二,基板一侧外壁靠近相邻的两个通孔一处焊接有铜片一,基板一侧外壁靠近相邻的四个通孔二处焊接有铜片二。本实用新型有益效果在将多个软包锂电池串并联在一起时,可以将极耳穿过基板上的通孔一、通孔二,使得基板与软包锂电池安装在一起,能很好的保护锂电池,避免锂电池极耳处受损,同时,限位组件可以对锂电池进行限位,降低极耳焊接在铜片一、铜片二上后所承载的拉力,避免极耳因锂电池过重断裂。

标签:
加工技术
河南 - 新乡 来源:中冶有色网 2023-03-18
安全组合圆柱锂电池盖帽组件

本发明公开了一种安全组合圆柱锂电池盖帽组件,包括圆柱锂电池本体,圆柱锂电池本体包括有防护壳,防护壳的顶部设置有盖帽,盖帽的底部焊接有弧形架,弧形架的底部一体成型有伸缩架,伸缩架的外部和防护壳之间设置有绝缘圈,圆柱锂电池本体的内部设置有电芯,电芯的顶部焊接有接触板,防护壳的内壁一侧焊接有固定板,伸缩架的两侧焊接有限位板,限位板的底部开有固定槽,固定槽的内部设置有绝缘垫,绝缘垫的底部设置有压缩弹簧。本发明避免在圆柱锂电池不使用发生电量外泄现象,提高圆柱锂电池使用的便利性,提高圆柱锂电池使用的稳定性,避免圆柱锂电池发生失火时火焰外泄,提高圆柱锂电池使用的安全性。

标签:
加工技术
河南 - 新乡 来源:中冶有色网 2023-03-18
锂电池系统自供电过放保护装置

本实用新型涉及一种锂电池系统自供电过放保护装置,包括自供电保护模块,自供电保护模块包括主控制器和电源电路,主控制器还连接有双线圈继电器,双线圈继电器的一个常闭开关与钥匙开关串联;自供电保护模块还连接有锂电池管理模块,当锂电池组放电电压低于深度欠压保护阈值时,锂电池管理模块向主控制器发送隔离保护信号,主控制器接收所述隔离保护信号后控制所述双线圈继电器的常闭开关断开。该锂电池系统自供电过放保护装置在钥匙未拔除、或钥匙开关长期处于闭合状态时,如果电池管理系统自身仍持续消耗锂电池组的电量导致锂电池深度欠压,可切断钥匙开关的供电回路,使得锂电池组完全停止输出,由此可防止锂电池系统自供电时过放。

标签:
加工技术
河南 - 新乡 来源:中冶有色网 2023-03-18
圆柱锂离子电池正极双极耳对位方法

本发明适用于锂离子制备技术领域,提供了一种圆柱锂离子电池正极双极耳对位方法,包括以下步骤:获取基础数据以及第一极耳和第二极耳分别与正极片前端之间的预设距离,基础数据包括正极片的长度和厚度、电芯初始直径、负极片的厚度和隔膜的厚度;根据基础数据和预设距离计算卷绕状态下第一极耳和第二极耳之间的初始间隔圈数;判断初始间隔圈数是否为整数;若初始间隔圈数不是整数,根据初始间隔圈数和基础数据确定第一极耳和第二极耳分别与正极片前端之间的修订距离;根据修订距离,调整第一极耳和第二极耳的位置。采用本发明提供的圆柱锂离子电池正极双极耳对位方法,可实现正极双极耳的重叠对位。

标签:
加工技术
河南 - 新乡 来源:中冶有色网 2023-03-18
锂离子电池负极用粘结剂及负极浆料

本发明公开了一种锂离子电池负极用粘结剂及负极浆料,该粘结剂包括如下质量份数组分:羧甲基纤维素钠46‑50份、丁苯橡胶43‑47份、成膜添加剂2‑5份;成膜添加剂为碳酸亚乙烯酯、碳酸亚乙酯、亚硫酸乙烯脂、亚硫酸丙烯脂、碳酸二乙酯、二甲基亚硫酸脂、二乙基亚硫酸脂、1,2‑三氟乙酸基乙烷中的一种或几种。本发明负极浆料由以下方法制成:46‑50质量份羧甲基纤维素钠、2‑5质量份成膜添加剂加入1000质量份去离子水中混匀得粘结剂液体A;4300质量份石墨加入粘结剂液体A中混匀得预混浆料;43‑47份丁苯橡胶加到预混浆料中混匀过滤得锂离子电池负极浆料。用本发明的粘结剂及负极浆料制备的负极极片粘结力强,由此制得的锂离子电池容量保持率和循环性能显著提升。

标签:
加工技术
河南 - 新乡 来源:中冶有色网 2023-03-18
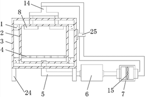
锂电池生产工艺用的烘烤装置

本发明属于一种锂电池生产工艺用的烘烤装置;包括装置外壳,装置外壳通过连接柱与烘烤箱相连,烘烤箱的顶部设有进气系统,烘烤箱的中下部设有带通孔的支撑板,烘烤箱的底部设有出气管;出气管通过加热装置以及引风装置与进气系统相连;具有结构简单、设计合理、通过空气进行加热、加热效率快、加热效果好、热量损失小、功耗低、能够使锂电池受热均匀从而提高锂电池品质的优点。

标签:
加工技术
河南 - 新乡 来源:中冶有色网 2023-03-18
铁醇盐硫化制备花状锂电池负极材料铁硫化合物的方法

本发明公开了一种铁醇盐硫化制备花状锂电池负极材料铁硫化合物的方法,采用可溶性铁盐、二醇和二胺作为原材料,通过控制反应条件溶剂热制得具有微纳空心球结构铁醇盐;将铁醇盐用无水乙醇多次洗涤,干燥得到结晶度高的铁醇盐空心球固体粉末;将铁醇盐空心球固体粉末置于管式炉中控制气氛比例、升温速率和烧结温度最终制备花状锂电池负极材料铁硫化合物。本发明具有工艺简单、操作方便、易于调控以及成本低廉等优点,所得花状铁硫化合物既具有微米球便于加工的特点,又具有纳米片反应活性高的特点,并且材料的电化学性能优良,可用作高性能锂电池负极材料,具有较好的应用前景。

标签:
加工技术
河南 - 新乡 来源:中冶有色网 2023-03-18
镍钴锰酸锂三元材料的制备方法

本发明公开了一种镍钴锰酸锂三元材料的制备方法,通过共沉淀法制得氢氧化镍钴锰沉淀,将氢氧化镍钴锰沉淀用洗涤溶液即通入二氧化碳的去离子水洗涤,控制洗涤溶液的pH为6.50~6.70;洗涤完成后,抽滤、干燥,得到前驱体氢氧化镍钴锰三元材料;然后与碳酸锂进行混合,置于高温炉内分段烧结;烧结完成后,将材料取出,用破碎机破碎得到镍钴锰酸锂三元材料。通入二氧化碳的洗涤液呈弱酸性,易将前驱材料洗至中性,该方法安全简单。二氧化碳分别与残余的氢氧化钠和氨水结合为碳酸氢钠和碳酸氢铵,对环境友好,无污染。该制备方法新颖,能够迅速降低前驱体材料的pH值,进而降低成品三元材料的pH值,改善电池的电化学性能。

标签:
加工技术
河南 - 新乡 来源:中冶有色网 2023-03-18
结构稳定的锂电池安装盒

本实用新型涉及一种结构稳定的锂电池安装盒,包括安装盒,所述安装盒一端设有固定装置,所述固定装置包括基座,所述基座内设有T型凹槽,所述T型凹槽的横向凹槽一端贯通基座一侧,所述T型凹槽的竖向凹槽贯通基座底面,所述T型凹槽的横向凹槽内设有推杆,所述T型凹槽的竖向凹槽内设有锁杆,所述锁杆顶面为斜面,所述锁杆顶部与推杆之间设有联动件,所述锁杆中部套设有弹簧,所述弹簧设置在弹簧槽内,所述锁杆贯穿弹簧槽,所述锁杆底部设有按压件,本实用新型通过按压件挤压锂电池使锂电池与安装盒固定到一起,保证了锂电池的牢固固定,同时也比较防震,防止了刚性碰撞造成的锂电池的损害,结构简单,适应性强。

标签:
加工技术
河南 - 新乡 来源:中冶有色网 2023-03-18
大容量锂离子电池组
大容量锂离子电池组 861     
 0

本实用新型属于锂离子电池领域,具体涉及一种由多个单体锂离子电池组成的大容量锂离子电池组;包括若干个锂离子电池联接构成,所述的若干个锂离子电池参数电性能一致,所述的若干个锂离子电池安装在壳体内,若干个锂离子电池与壳体之间依次设置有海绵胶和环氧树脂板;所述的若干个锂离子电池的正负极两端与若干个锂离子电池的正负极相连的镍带相连,与电池的正负极相连的镍带与集流板之间设置有镍带,集流柱穿过壳体与集流板相连;具有应用电池并联原理,提高了电池的配组率,减少因不能配组造成的电池积压浪费;结构简单、设计合理,散热效果好且在恶劣的情况下不会引发电池组循环寿命缩短的优点。

标签:
加工技术
河南 - 新乡 来源:中冶有色网 2023-03-18
用于高能量密度全固态锂离子电池的正极复合材料的制备方法

本发明公开了一种用于高能量密度全固态锂离子电池的正极复合材料的制备方法,包括如下步骤:提供醋酸锰、硝酸镧、醋酸钴以及硝酸镍,并将其溶解于蒸馏水中,搅拌,得到混合盐;对混合盐进行煅烧,得到前驱体;将前驱体与氢氧化锂混合,处理后获得第一正极材料组分;提供金属钴以及氢氧化锂,处理后获得第二正极材料组分;将第一正极材料组分及第二正极材料组分进行球磨混合,得到正极材料原料;对正极材料原料压片并进行第一热处理,并进行深冷处理并破碎,得到正极材料中间体粉末;以及对正极材料中间体粉末压片并进行第二热处理。通过本发明的方法制备的高能量密度全固态锂离子电池的正极复合材料能够显著提高电池性能,有利于产业化推广应用。

标签:
加工技术
河南 - 新乡 来源:中冶有色网 2023-03-18
锂硫电池用正极复合材料

本发明公开了一种锂硫电池用正极复合材料,该正极复合材料包含以下重量份数的组分:膨润土4份、单质硫3~6份。本发明的锂硫电池用正极复合材料,采用膨润土与单质硫复配,膨润土比表面积较大,吸附能力较强,可以很好的固载单质硫;膨润土复合单质硫之后,改善了锂硫电池在充放电过程中,多硫化物过多的溶于电解液而导致的活性物质损失的问题,从而使电池拥有良好的循环性能,放电比容量较高,循环性能稳定;膨润土作为合成锂硫电池用正极材料的新基体,极大地降低了正极材料的成本,膨润土本身无污染,具有良好的经济效益和环境效益,适合推广应用。

标签:
加工技术
河南 - 新乡 来源:中冶有色网 2023-03-18
具有自动摆动抖散功能的锂电池隔膜纸分切装置

一种具有自动摆动抖散功能的锂电池隔膜纸分切装置,包括供料装置、展开装置和分切收纳装置;所述的分切收纳装置包括分切架和收纳架,所述的分切架和收纳架之间设置分切刀;所述的收纳架的侧面设置测速装置;本实用新型的有益效果在于:本装置通过供料装置、展开装置和分切收纳装置组合设置,能够实现对锂电池隔膜纸原料进行抖散、展开、切割和收纳,通过测速装置检测收纳轴的运动速度控制供料装置抖散动作,同时操作人员也能够调整抖料液压推杆运动行程可实现原料抖散程度;这样不仅能够实现自动化高效的进行锂电池隔膜纸原料的分切操作,而且测速装置和抖料液压推杆配合能够保证锂电池隔膜纸原料安全平稳的将锂电池隔膜纸原料进行分切和收纳。

标签:
加工技术
河南 - 新乡 来源:中冶有色网 2023-03-18
锂电池圆柱钢壳加工收料装置

本实用新型公开了一种锂电池圆柱钢壳加工收料装置,包括操作台,操作台底部的一侧通过螺栓连接有收料箱,且收料箱内壁的一侧通过螺栓连接有计数传感器,收料箱的一侧开设有出料口,收料箱的另一侧开设有流通口,收料箱靠近流通口的内壁一侧焊接有固定板,收料箱底部的两侧均通过螺栓连接有伺服电动缸,且伺服电动缸的顶部焊接有收料底板,收料底板的顶部设置有收料盒。本实用新型通过设置的收料箱与计数传感器,计数传感器对锂电池圆柱钢壳进行计数,当达到一定数量时,伺服电动缸使收料底板向下移动,收料盒叠加在收料箱中,方便锂电池圆柱钢壳的多次收料与统计,矫直板对锂电池圆柱钢壳的收料角度进行矫正,减少锂电池圆柱钢壳偏移。

标签:
加工技术
河南 - 新乡 来源:中冶有色网 2023-03-18
球形二氧化钛包裹硫化锂/硫复合材料的制备方法

本发明公开了一种球形二氧化钛包裹硫化锂/硫复合材料的制备方法,属于硫化锂功能材料的合成技术领域。本发明的技术方案要点为:将1‑12g干燥后的硫粉在水浴条件下溶于100mL醇类有机溶剂中得到溶液A;待水浴温度升高至55‑60℃时向液A中加入0.655g氢氧化锂,升高水浴温度至80℃并保持10min得到溶液B;向溶液B中加入钛酸四丁酯并进行反应得到溶液C,将溶液C置于旋转蒸发器中旋蒸出溶剂即得球形二氧化钛包裹硫化锂/硫复合材料。本发明制得的球形二氧化钛包裹硫化锂/硫复合材料易于储存,而且二氧化钛包裹能够有效阻止放电产物多硫化物的溶解并缓解体积膨胀,进而提高材料的电化学性能。

标签:
加工技术
河南 - 新乡 来源:中冶有色网 2023-03-18
琼脂糖固态电解质膜的制备方法及其在固态锂离子电池中的应用

本发明公开了一种琼脂糖固态电解质膜的制备方法及其在固态锂离子电池中的应用,属于固态锂离子电池技术领域。本发明的技术方案要点为:将具有线性结构的多聚物琼脂糖作为固体电解质的主体成分溶于有机溶剂中,再添加锂盐、塑化剂或无机纳米氧化物颗粒中的一种或多种并搅拌混合均匀,在基底上成膜并烘干后制得琼脂糖固态电解质膜。本发明还具有公开了该琼脂糖固态电解质膜在固态锂离子电池中的应用。本发明选择合适的复合体系不仅可以有效保证固态电解质较强的机械性能,同时也可以保证使用该固态电解质膜的固态锂离子电池具有较好的高压电性能。

标签:
加工技术
河南 - 新乡 来源:中冶有色网 2023-03-18
动力、储能锂电池专用软包装膜及其制备方法

本发明公开了一种动力、储能锂电池专用软包装膜及其制备方法。本发明的技术方案要点为:动力、储能锂电池专用软包装膜,它由外到内依次设有耐热树脂薄膜层、铝箔芯层和热塑性树脂薄膜层,铝箔芯层分别与耐热树脂薄膜层和热塑性树脂薄膜层通过粘合剂层和热塑性弹性体粘接层采用流涎法共挤复合成型,所述的铝箔芯层为0态铝箔,该铝箔芯层的厚度为65-100μm。本发明还公开了该动力、储能锂电池专用软包装膜的制备方法。本发明不仅可以提高动力、储能锂电池的单电芯容量空间,而且温度适用范围广,抗持续震动效果优于现有的普通锂电池软包装膜。

标签:
加工技术
河南 - 新乡 来源:中冶有色网 2023-03-18
圆柱锂电池盖帽加装防爆片包边装置

本实用新型公开了一种圆柱锂电池盖帽加装防爆片包边装置,包括底座,底座顶部外壁上焊接有加工台,且加工台顶部外壁的轴心处开设有定位槽,定位槽底部内壁的轴心处焊接有套筒,且套筒的内部插接有支撑杆,支撑杆位于套筒内部一端的外壁上焊接有弹簧,且支撑杆通过弹簧滑动连接在套筒的内部,支撑杆的顶端焊接有模板,且模板滑动连接在定位槽的内部。本实用新型支撑杆通过弹簧在套筒内部滑动,使得模板具有一定的缓冲作用,使得锂电池加工时能够得到很好的防护作用,结构新颖,操作方便,实用性强;移动块带动夹板向定位槽移动,使得夹板能很好的对锂电池进行夹持,提升了锂电池加工时的稳定性。

标签:
加工技术
河南 - 新乡 来源:中冶有色网 2023-03-18
锂电池极片烘烤装置
锂电池极片烘烤装置 904     
 0

本实用新型公开了一种锂电池极片烘烤装置,涉及锂电池加工技术领域,具体为包括箱体,所述箱体的内部固定连接有放置板,所述放置板的上方开设有放置槽,所述放置槽的上表面开设有升降槽,所述升降槽的内表面滑动连接有升降块,所述升降块的内部固定连接有弹簧,所述放置槽的底部固定连接有第一加热器,所述放置槽的内部设置有放置盘,所述放置板的下方固定连接有电动推杆。该锂电池极片烘烤装置,通过电动推杆和压紧板的设置,使该电池极片烘烤装置具备了压紧电池极片,烘烤过程中电池极片各处张力相同的效果,避免电池极片在高温烘烤的过程中电池极片发生变形的问题,减少锂离子电池极片出现质量问题的可能性。

标签:
加工技术
河南 - 新乡 来源:中冶有色网 2023-03-18
高克比容量球形镍钴锰酸锂生产用高混机

本实用新型公开了一种高克比容量球形镍钴锰酸锂生产用高混机,包括搅拌桶,搅拌桶的顶部安装有顶盖,顶盖的顶部安装有第一电机,搅拌桶的侧面安装有温度表,搅拌桶的内部安装有搅拌销,搅拌销的顶部安装有转杆,搅拌桶的底部安装有冷凝器,搅拌桶的内壁嵌入设置有温度传感器,搅拌桶的一侧和另一侧均安装有支撑杆。本实用新型通过设置凸轮、转轴、第二电机、支撑杆套管和减震弹簧,解决了传统高混机多为高混机内部对镍钴锰酸锂原料进行搅拌,为静态搅拌处理,容易导致高混机内壁粘附镍钴锰酸锂原料,既降低了混合精度,且镍钴锰酸锂原料长期粘附高混机内壁,容易导致高混机内壁损坏的问题。

标签:
加工技术
河南 - 新乡 来源:中冶有色网 2023-03-18
锂电池动力储能聚合物正负极专用粘合剂

本发明公开了一种锂电池动力储能聚合物正负极专用粘合剂,它涉及一种粘合剂。它由以下重量配比的组分组成:丙烯酸乳液120份,乳化剂20-90份,氢氧化锂20份,聚丙烯酰胺1-10份,填料30份,稀释剂300份,羧甲基纤维素0.5-9份,抗氧化剂0.1-6份,活性剂1.5-20份。本发明以水为溶剂,在合浆和涂布过程中无有机溶剂挥发,安全节能环保。水性粘合剂与锂离子电解液有很好的相容性,在电解液中浸泡24h胶膜的溶胀率不大于0.8%,可以保持电极尺寸的稳定性。水性粘合剂采用多元有机酸酯共聚合成,实现了胶膜刚性和柔性的完美平衡,使采用水性粘合剂制作的锂离子电池具有很好的循环性能。

标签:
加工技术
河南 - 新乡 来源:中冶有色网 2023-03-18
用于电动小火车便于安装拆卸的锂电池钢壳

本实用新型公开了一种用于电动小火车便于安装拆卸的锂电池钢壳,包括下壳和上壳,下壳的内壁滑动连接有放置板,放置板的底部固定连接有第一伸缩套杆,第一伸缩套杆的外表面套接有第一弹簧,第一伸缩套杆的底部固定连接有第一梯形块,下壳的内底壁滑动连接有第二梯形块,第二梯形块的一侧固定连接有第二伸缩套杆,第二伸缩套杆的外表面套接有第二弹簧。本实用新型通过设置上接耳、下接耳、螺栓、螺母、橡胶垫、顶框、活动板、活动杆、第三弹簧和压板,解决了不便于锂电池的安装和拆卸,不方便锂电池的更换和维修,锂电池会与钢壳发生磕碰的情况,导致锂电池外壳破裂的问题。

标签:
加工技术
河南 - 新乡 来源:中冶有色网 2023-03-18
液相制备纳米级磷酸铁锂的方法

发明公开了一种液相制备纳米级磷酸铁锂的制备方法。该方法可以在常压液相中快速完成反应,合成出的磷酸铁锂粉体粒径小而均匀,其粒径为50-400nm。本发明的技术方案是:按等摩尔比配制一定浓度的亚铁盐和磷酸混合水溶液,将混合水溶液放入反应器中,加入与水溶液体积比为0.5-2∶1的二甲亚砜等高沸点极性有机溶剂和0.5-3%的聚丙烯酰胺等晶体生长抑制剂,搅拌下缓慢加入氢氧化锂溶液至反应液的pH值在6-7,然后加热至溶液沸点回流反应0.5-3h,生成物经常规的过滤、洗涤和真空干燥即可得本发明产品。本发明产品用于锂离子电池正极材料。

标签:
加工技术
河南 - 新乡 来源:中冶有色网 2023-03-18
溴化锂吸收式机组
溴化锂吸收式机组 1115     
 0

本实用新型公开了一种溴化锂吸收式机组,包括溴化锂机组主体,所述溴化锂机组主体的顶端中间设置有发生器,且发生器和溴化锂机组主体通过螺母旋转连接固定,所述发生器的一侧设置有管道,所述溴化锂机组主体的一侧表面设置有冷水入口,所述冷水入口的底端设置有冷却水入口,所述冷却水入口的底端设置有冷凝管,溴化锂进口的内部设置有聚乙烯管,聚乙烯管的一侧设置有固定檐,固定檐的表面设置有固定孔,聚乙烯管的设置有效的减缓了溴化锂液体对金属的腐蚀,所以溴化锂液体并不能对聚乙烯管造成伤害,这就延长了溴化锂机组的使用寿命,减小了机组的故障率,减少了经济损失,增加了产品合格率,增加了经济效益。

标签:
加工技术
河南 - 新乡 来源:中冶有色网 2023-03-18
正极材料前驱体中锂含量快速定量检测方法

本发明提一种正极材料前驱体中锂含量快速定量检测方法,将正极材料与锂源一次混合,取一定量的混合后的样品置入烧杯中;用去离子水溶解烧杯中所述混合后的样品;将铵盐溶液加入到配置好的溶液中,以使烧杯中的溶液呈酸性;不需要酸碱等滴定液;适用范围广,测量精度高,不仅仅三元正极材料,在锰酸锂,钴酸锂,磷酸铁锂等正极材料中一样适用;测试速度快,精度高,适合大范围普及,其数据对于生产有准确的指导意义。

标签:
加工技术
河南 - 新乡 来源:中冶有色网 2023-03-18
上一页 37 38 39 40 41 ... 47 下一页
共47页    到第

中冶有色为您提供最新的河南新乡有色金属加工技术理论与应用信息,涵盖发明专利、权利要求、说明书、技术领域、背景技术、实用新型内容及具体实施方式等有色技术内容。打造最具专业性的有色金属技术理论与应用平台!

全国热门有色金属设备推荐
展开更多 +
全国热门有色金属技术推荐
展开更多 +

 

江西省隆恩特环保设备有限公司
宣传

报名参会
更多+

报告下载

有色专家
更多+

郑州大学
副院长/教授
江西理工大学
教授
中冶沈勘秦皇岛工程技术有限公司
原矿山院院长/教授级高工
中国矿业大学
副院长/教授
中南大学
教授、博士生导师
赤泥综合利用研究报告2025
推广

热门技术
更多+

推荐企业
更多+

福建省金龙稀土股份有限公司
宣传

发布

在线客服

公众号

电话

顶部
咨询电话:
010-88793500-807