青岛垚鑫智能科技有限公司
宣传

位置:北方有色 >

有色技术频道 >

分类:
全部
矿山技术
冶金技术
材料制备及加工技术
环境保护技术
分析检测技术
 
全部
废水处理技术
大气治理技术
固/危废处置技术
土壤修复技术
地区:
全部
北京
天津
上海
重庆
河北
山西
辽宁
吉林
黑龙江
江苏
浙江
安徽
福建
江西
山东
河南
湖北
湖南
广东
海南
四川
贵州
云南
陕西
甘肃
青海
内蒙
广西
西藏
宁夏
新疆
其他
其他
展开
 
全部
济南
青岛
淄博
枣庄
东营
烟台
潍坊
济宁
泰安
威海
日照
滨州
德州
聊城
临沂
菏泽

山东淄博有色金属环境保护技术理论与应用

免费发布技术信息>>
维生素C生产过程中高盐废水联产回收工艺

本发明公开了一种维生素C生产过程中高盐废水联产回收工艺,属于化工生产技术领域。其技术方案为:高盐废水经过滤和浓缩得到盐度提高的浓液以及含盐低的淡水,含盐低的淡水送至污水处理厂处理;浓液经蒸发,离心,得到湿品氯化钠;湿品氯化钠加水制成饱和卤水,与碳酸氢铵反应生成碳酸氢钠和氯化铵,反应结束后,过滤,离心得到固态碳酸氢钠和氯化铵溶液,固态碳酸氢钠干燥得到小苏打成品;氯化铵溶液冷却结晶得到固态物料和上层清液;固态物料经盐析,结晶,过滤,离心,得到氯化铵产品。本发明采用氯化钠和碳酸氢铵的复分解反应,将钠盐转变成离交过程产生的高盐废水中的氯化钠转变成碳酸氢钠和氯化铵,实现副产物的回收利用。

标签:
废水处理
山东 - 淄博 来源:北方有色网 2023-03-19
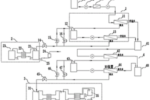
钛白粉生产中酸性废水处理系统

本实用新型涉及一种钛白粉生产中酸性废水处理系统,钛白粉生产装置通过管路连接酸性废水收集池,酸性废水收集池通过管路连接自清洗过滤器,自清洗过滤器通过管路连接超滤装置,超滤装置通过管路连接第一精密过滤器,第一精密过滤器通过管路连接第一膜分离系统,第一膜分离系统分别通过管路连接废硫酸回收池和硫酸亚铁收集池,废硫酸回收池通过管路连接第二精密过滤器,第二精密过滤器通过管路连接第二膜分离系统,第二膜分离系统通过管路连接纯水收集池和硫酸回收池。本实用新型结构简单,大大减少了污水的排放量,提高了废水的利用率,节能减排,达到生产废水的循环利用。有效节约生产用硫酸使用量,提高经济效益,减少对环境的污染。

标签:
废水处理
山东 - 淄博 来源:北方有色网 2023-03-19
用于树脂生产过程的废水收集装置

本实用新型的目的在于提供一种用于树脂生产过程的废水收集装置,包括进水槽、阀门、第一过滤网、磁铁、第二过滤网和浮球装置,所述进水槽底部连接有第一水管,所述第一水管远离进水槽一侧连接有蓄水箱,所述蓄水箱一侧连接有第二水管,所述第二水管与第一水管垂直,所述第二水管远离蓄水箱一侧连接有高温箱,所述阀门安装在第二水管一侧,所述阀门位于第二水管上,所述阀门位于第二水管中线处,所述第一过滤网设置在进水槽靠近第一水管一侧,所述第一过滤网位于进水槽内。该用于树脂生产过程的废水收集装置设置有高温箱可以将废水进行蒸发利用,水蒸气通过冷凝管进行冷却液化进入消毒箱中,通过紫外线进行消毒进行杀菌消毒,通过第一出水口排出。

标签:
废水处理
山东 - 淄博 来源:北方有色网 2023-03-19
硫酸钙废水的软化处理装置

本实用新型提供硫酸钙废水的软化处理装置,涉及废水处理技术领域,包括软化箱,软化箱的底部固定安装有支撑架,沉淀箱内部相对的一侧均开设有滑槽,两个滑槽的内部均活动嵌设有滑动板,两个滑动板相对的一侧固定安装有收泥盒,收泥盒的前表面固定安装有挡板,挡板的前表面固定安装有拉杆,挡板的后表面固定安装有固定板。本实用新型中,当进行使用时,软化后的废水顺着流通管流入沉淀箱内,收泥盒底部开设有很多极其细小的孔,仅可以让水通过,废水中的泥块经过一段时间沉淀后,落到收泥盒内,沉淀后的废水通过排水管排出,然后取下螺丝钉,拉住拉杆,将收泥盒从沉淀箱内部抽出,即可清理里面的泥块,操作方便快速,从而达到方便清理泥块的效果。

标签:
废水处理
山东 - 淄博 来源:北方有色网 2023-03-19
聚乙烯制备粉末涂料加工用废水再利用设备

本实用新型属于聚乙烯技术领域,尤其是一种聚乙烯制备粉末涂料加工用废水再利用设备,针对现有的废水浪费的问题,现提出如下方案,其包括壳体,所述壳体底部固定安装有连接管,连接管穿过壳体延伸至壳体内,连接管的底部固定安装有动力箱,所述壳体顶部内壁上开设有转动孔,转动孔上转动安装有搅拌杆,搅拌杆的一端延伸至壳体外,搅拌杆的另一端延伸至壳体内,搅拌杆的延伸至壳体内的两侧均固定安装有搅拌棒,所述动力箱内转动安装有转轮,转轮四周均匀分布有多个扇叶。本实用新型将废水下方设置有转轮和扇叶,极大的利用了废水,也避免了浪费水资源。

标签:
废水处理
山东 - 淄博 来源:北方有色网 2023-03-19
造纸废水过滤装置
造纸废水过滤装置 1089     
 0

一种造纸废水过滤装置,属于废水过滤装置技术领域。包括栅网过滤器,其特征在于栅网过滤器的底部设置渣液引管,引管的渣液出口处设有斜面过滤器,斜面过滤器的横截面为梯形,其上端为均液槽,侧面为斜面过滤网,底部过滤网的两侧分别为渣槽和滤液槽。该装置通过对现有装置的改进和斜面过滤器的增设,有效的解决了现有过滤装置效率和能力低下的缺点,使过滤效果提高、过滤速度同时也增加,为造纸废水的降解处理工序减轻了负担,节约了废水处理费用。

标签:
废水处理
山东 - 淄博 来源:北方有色网 2023-03-19
明胶高盐废水资源化零排放装置

本发明涉及一种明胶高盐废水资源化零排放装置,涉及高盐废水技术领域,用于提供一种资源化处理废水的装置。本发明的明胶高盐废水资源化零排放装置包括第一浓缩分离装置、第二浓缩装置和氯化钙浓盐水处理装置,通过将第二浓缩装置的淡化水输出侧与高含盐明胶废水箱的输入侧相连,使第二浓缩装置输出的淡化水进入高含盐明胶废水箱中以用来洗涤明胶废水,因此系统无需加入额外的淡水,剩余淡化水回用到生产中,从而节约大量的淡水资源。

标签:
废水处理
山东 - 淄博 来源:北方有色网 2023-03-19
高含盐废水浓缩处理装置

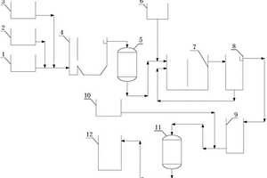
本实用新型涉及一种高含盐废水浓缩处理装置,包括含盐废水储罐,含盐废水储罐通过管路连接预处理、软化罐,预处理、软化罐通过管路连接RO装置Ⅰ,RO装置Ⅰ通过管路连接RO装置Ⅱ,RO装置Ⅱ通过管路连接RO装置Ⅲ,RO装置Ⅲ通过管路连接ED装置,ED装置通过管路连接浓缩废水储罐;ED装置通过管路连接RO装置Ⅲ,RO装置Ⅲ通过管路连接RO装置Ⅰ。本实用新型废水浓缩倍率可在传统浓缩倍率的基础上进一步有效提升,浓缩废液不影响后续蒸发设备的运行要求。浓缩效果较原有效果提高1倍以上,节省设备投资40%以上,降低能源消耗50%以上,零排放系统整体运行成本节约25%以上。

标签:
废水处理
山东 - 淄博 来源:北方有色网 2023-03-19
甘油法环氧氯丙烷生产废水的处理装置

本实用新型涉及废水处理装置的环保技术领域,具体涉及一种甘油法环氧氯丙烷生产废水的处理装置。所述的甘油法环氧氯丙烷生产废水的处理装置,包括环化液废水进水管、节能式预热换热器、pH调节池、微波处理器、臭氧催化氧化反应装置依次连接,臭氧催化氧化反应装置上端连接有尾气吸收系统,一侧连接有出水管线和有机物浓度在线监测系统、DCS控制系统;臭氧催化氧化反应装置从下往上依次分为一级反应区、二级反应区、三级反应区;一级反应区底部设置有微气泡曝气组件和内循环涡流组件,外部连接有臭氧发生装置,设置有催化剂承托层。本实用新型提供一种甘油法环氧氯丙烷生产废水的处理装置,该装置处理效率高,成本低,污水处理效果好。

标签:
废水处理
山东 - 淄博 来源:北方有色网 2023-03-19
带有废水收集装置的烟气脱硫脱硝一体化装置

本实用新型公开了一种带有废水收集装置的烟气脱硫脱硝一体化装置,包括进烟管,进烟管和净化塔连接,净化塔左侧设有储料室,净化塔通过管道和右侧烟筒连接,净化塔下方设有废水收集池,废水收集池的右侧设有废液桶,废水收集池的上方左侧设有液位器,废水收集池的上方右侧设有液压泵,液压泵的进水端口位于废水收集池的底端,液压泵的出水口位于废液桶,本实用通过排料管将废液排放至废液收集池中,再由液压泵排放至废液桶中进行运输,保证人员的安全,分配板,缓冲腔和导流板三者协同作用,保证了烟气风速的稳定和均匀。

标签:
废水处理
山东 - 淄博 来源:北方有色网 2023-03-19
悬浮法生产PVC糊树脂工艺废水处理装置

本实用新型涉及一种悬浮法生产PVC糊树脂工艺废水处理装置,属于废水处理装置技术领域。所述的废水处理装置包括废水储存池,废水储存池、絮凝池、第一砂滤器、生化曝气池、二沉池、清水池、第二砂滤器、回用水罐依次相连;其中,废水储存池、絮凝池之间的管路上分别连接PAC/PAM加药器和NaOH加药器;第一砂滤器、生化曝气池之间的管路上连接生活污水储存池;清水池、第二砂滤器之间的管路上连接PAC加药器。本实用新型对洗釜废水采用物化处理与生化处理结合的手段进行处理,从而达到废水回用、节约水源的目的。本实用新型得到的回用水,达到COD小于60mg/L的国家循环水回用标准。

标签:
废水处理
山东 - 淄博 来源:北方有色网 2023-03-19
含有机碘高盐废水资源化零排放装置

本发明涉及一种含有机碘高盐废水资源化零排放装置,涉及高盐废水处理技术领域,本发明的一种含有机碘高盐废水资源化零排放装置,包括一级有机碘分离提纯装置、二级有机碘分离提纯装置和浓缩装置,通过一级有机碘分离提纯装置和二级有机碘分离提纯装置能够对废水进行循环脱盐处理,由于其与浓缩装置选择性地连通,因此能够分别控制浓缩装置开始浓缩处理和结束浓缩处理的时刻,以使脱盐处理和浓缩处理的高效进行,从而更有效的实现有机碘与盐的分离,达到有机碘的高效回收利用,以及高纯度盐的资源化利用,从而实现了废水的循环利用。

标签:
废水处理
山东 - 淄博 来源:北方有色网 2023-03-19
脱硫废水用于制备融雪剂并用于风机叶片化冰的方法

本发明属于污水处理领域,涉及脱硫废水用于制备融雪剂并用于风机叶片化冰的方法,并且基于本发明融雪剂制备工艺,可实现脱硫废水零排放过程,并对脱硫废水中的盐分建立合理的去向,包括有机物深度分离、重金属深度分离、浓缩蒸发、融雪剂制备等过程。本发明不仅将脱硫废水中的盐分,转化为融雪剂,避免了固废的处理或影响粉煤灰等资源型固体物质的品质。本发明所述融雪剂制备过程,较传统脱硫废水零排放工艺而言,具有更低的运行成本和占地面积,更为简化的工艺路线。因此该工艺不仅实现了当前脱硫废水处理过程中,盐分无合理化处理路线的问题,同时大幅简化了脱硫废水零排放工程建设,避免了固体废弃物的处置或影响其它资源型固体物质。

标签:
废水处理
山东 - 淄博 来源:北方有色网 2023-03-19
印染高盐废水资源化零排放装置

本发明涉及一种印染高盐废水资源化零排放装置,涉及印染废水处理技术领域,用于解决现有技术中存在的资源化处理处理效率不高的技术问题。本发明的印染高盐废水资源化零排放装置,其包括分离单元、无机盐浓缩提纯单元和有机盐资源化单元,无机盐浓缩提纯单元以及有机盐资源化单元均选择性地与分离单元相连通,即只有当满足一定的条件时,才能处于连通的状态,从而能够保证无机盐浓缩提纯单元以及有机盐资源化单元有效处理,真正实现印染高盐废水资源化零排放。

标签:
废水处理
山东 - 淄博 来源:北方有色网 2023-03-19
去除聚三氟氯乙烯废水中COD的装置和方法

本发明公开了一种去除聚三氟氯乙烯废水中COD的装置和方法,该装置包括废水池、废水输送泵、过滤器、微孔过滤器、双氧水计量罐、双氧水计量泵、微混合器、微波无极紫外UV光解废水净化器、连续式超级氧化二级反应器、多相流泵、高铁酸钾溶液计量罐、高铁酸钾溶液计量泵、微反应器、中间水池、中间水池提升泵、活性炭吸附装置、气液接触冷却器、回用水池、空压机,通过该装置对聚三氟氯乙烯废水进行处理,进行UV光解协同微波、双氧水、臭氧对废水中的COD进行超级氧化,并通过活性炭吸附装置吸收少量剩余COD,处理后的废水COD降至20~60mg/L,可进行循环利用。本发明方法工艺先进,连续运行、效果好,可广泛应用于聚三氟氯乙烯废水的处理。

标签:
废水处理
山东 - 淄博 来源:北方有色网 2023-03-19
钛白粉酸性废水处理及回收工艺

本发明属于废水处理技术领域,具体的涉及一种钛白粉酸性废水处理及回收工艺。钛白粉酸性废水进入超滤系统经中空纤维超滤膜过滤,得膜过滤液;所得膜过滤液进入离子交换系统经树脂吸附,分离得到的含有铁盐的废水回收铁盐再利用,对吸附了游离酸的树脂进行清洗,得到相对纯净的稀硫酸;将得到的相对纯净的稀硫酸泵入纳滤系统进行过滤,膜透过液为纯净硫酸,然后经多效蒸发再浓缩,得到≥50%的洁净硫酸回用于钛白粉生产系统。本发明所述的钛白粉酸性废水处理及回收工艺,酸性废水中硫酸、水、亚铁实现高效分离,可全部回用于生产工艺循环使用或资源化再利用,最终实现钛白粉酸性废水的“零排放”。

标签:
废水处理
山东 - 淄博 来源:北方有色网 2023-03-19
吡唑生产过程中的废水处理装置

本实用新型涉及吡唑生产设备技术领域,具体涉及一种吡唑生产过程中的废水处理装置。所述的吡唑生产过程中的废水处理装置,包括依次相连的氧化塔、硫酸铵溶液储罐、蒸发器、高浓度硫酸铵搅拌釜、离心机、螺旋提升机和回转窑;离心机还与母液储罐相连,回转窑还与空气加热器相连。本实用新型的吡唑生产过程中的废水处理装置,结构简单,操作方便,不仅对生产废水进行了处理,对环境无污染,还回收利用了废水中的硫酸铵,提高了生产效益。

标签:
废水处理
山东 - 淄博 来源:北方有色网 2023-03-19
协同降解含多元酚废水的装置和方法

本发明公开了一种协同降解含多元酚废水的装置和方法,该装置包括组合式超级氧化技术单元和生化处理单元,通过三通道微混合器将含多元酚废水、双氧水、臭氧进行强化混合,大大提高装置处理COD效率,经微波无极紫外UV光解装置协同微波、紫外光、双氧水、臭氧对废水中难降解的多元酚类物质进行超级氧化,利用组合式超级氧化技术,打断多元酚链段,有效分解含多元酚类废水中有毒物质,使其降解变成小分子有机物,解决了含有多元酚类有机废水对后续生化处理装置中有益菌的毒害问题,保障了生化处理装置的稳定运行,经成熟的生化处理系统,可有效去除含多元酚类废水中COD,使废水实现循环利用,同时避免了有机污染物对环境造成的污染。

标签:
废水处理
山东 - 淄博 来源:北方有色网 2023-03-19
工业污水处理厂污泥深度脱水处置工艺

本发明公开了一种工业污水处理厂污泥深度脱水处置工艺,属于污泥脱水技术领域,包括以下步骤:S1:将原污泥与厌氧污泥提升至厌氧消化罐内;S2:厌氧驯化;S3:废水通过排水口排出;S4:腐熟的污泥通过排泥口输送至污泥调理罐内;S5:加药脱水;S6:抽滤脱水,污泥通过装运车装运,污水经污水收集罐暂存;S7:取样分析,确定配方;S8:污水净化;S9:净化污水用于调理剂配置;本发明先将原污泥和厌氧污泥投放至厌氧消化罐,再根据设计工艺参数进行厌氧驯化,后污泥通过排泥口进入污泥调理罐,与投加至污泥调理罐的无机调理剂进行反应脱水,后将污泥送入全自动板框机进行抽滤脱水,后将污泥通过装运车进行装运处理,该种深度脱水方法脱水效果好。

标签:
废水处理
山东 - 淄博 来源:北方有色网 2023-03-19
印染废水处理用陶瓷膜过滤元件的制备方法

本发明涉及一种印染废水处理用陶瓷膜过滤元件的制备方法,属于污水处理技术领域。本发明所述的方法是先采用球形铝矾土骨料,添加一定的外加剂,采用冷等静压近净尺寸成型技术制备陶瓷过滤支撑体,再经溶胶-凝胶工艺制备出均一稳定的透明TiO2溶胶,最后将制备出的陶瓷过滤支撑体浸入TiO2溶胶中,经烘干、热处理制得。即采用球型骨料制备出单通道过滤陶瓷支撑体,并在此支撑体基础上,涂覆TiO2膜。与现有技术相比,本发明制备出的陶瓷膜过滤元件采用单通道管状结构,水通量得到大大提高,并且孔径大,不易堵塞,易清洗,有效阻止了膜污染及通量衰减。

标签:
废水处理
山东 - 淄博 来源:北方有色网 2023-03-19
肠衣生产用废水处理及胶原纤维回收利用装置及工艺

本发明公开了肠衣生产用废水处理及胶原纤维回收利用装置及工艺,涉及工业废料处理技术领域。本发明包括气浮箱、回收箱和分液墙,其中回收箱内设输送轴,分液墙内设空压缸,气浮箱内设排气板,输送轴利用偏心轮驱动空压缸相排气板内压入空气进行气浮分离。本发明通过设置分液墙,利用分液墙内部的输送轴表面焊接的偏心轮和空压缸相配合,能够利用回收箱中输送回收胶原纤维的动力压缩空气实现气浮分离胶原纤维的过程,使设备内部的动力过程能够循环;通过设置排料杆和刮板,在回收板运行至刮板下方时将其表面的胶原纤维基团刮取并排出,主要通过设置蜗杆和控制杆,利用往复丝杠结构带动排料杆往复滑动控制开合驱动电机,并使其定点停机回收物料。

标签:
废水处理
山东 - 淄博 来源:北方有色网 2023-03-19
去除工业反渗透浓水中难降解有机物的方法

本发明属于废水处理领域,具体涉及一种去除工业反渗透浓水中难降解有机物的方法。将臭氧协同紫外Fenton的高级氧化方法同腐殖质微生物活性炭有机的结合在一起,充分利用高级氧化方法降解大分子和提高浓水可生化性的能力,以及活性炭对污染物的吸附性能,腐殖质微生物对有毒及难降解污染物的还原去除能力,强化降解反渗透浓水复杂及难降解有机物,实现工业反渗透浓水的深度净化,减轻对城市污水处理厂的负荷和对环境的危害。

标签:
废水处理
山东 - 淄博 来源:北方有色网 2023-03-19
工业循环冷却水杀菌除硬装置及处理方法

一种工业循环冷却水杀菌除硬装置及处理方法,属于废水处理设备领域。工业循环冷却水杀菌除硬装置,其特征在于:双效反应槽(3)内部、在进水口(1)与出水口(7)之间按照水流方向安装平行设置的碳胶阴极(4)和催化阳极(5)。工业循环冷却水杀菌除硬装置的杀菌除硬方法,其特征在于:待处理循环水进入双效反应槽(3);水中的阴离子在催化阳极(5)的阳极涂层的催化作用下发生氧化反应;水中的阳离子被吸附到碳胶阴极(4)中;进行碳胶阴极(4)的再生处理。本发明可同时完成循环冷却水的杀菌除硬,杀菌除硬的效率更高,且阴极再生不伤害电极,既能保证阳极、阴极的长时间使用,延长了电极的使用寿命,绿色环保。

标签:
废水处理
山东 - 淄博 来源:北方有色网 2023-03-19
一体化废水处理设备
一体化废水处理设备 866     
 0

本实用新型涉及一种一体化废水处理设备,其特征在于包括:沉降池、料泵、结晶釜、过滤器、富马酸储罐、一级冷凝器、气液分离器、二级冷凝器和洗涤水槽,沉淀池出料口通过管道连接料泵,料泵连接结晶釜的进料口,结晶釜下端通过管道连接过滤器,过滤器下端连接富马酸储罐,结晶釜上端气相出口、一级冷凝器、气液分离器和二级冷凝器通过管路依次连接,二级冷凝器下端连接洗涤水槽。该设备有效解决了尾气塔堵塞问题;减压蒸馏处理后得到大量蒸馏水可作为尾气吸收用水和顺酐精制洗釜用水,达到循环利用的目的;增加了工业富马酸回收量;并且达到了苯酐和顺酐生产过程中废水零排放。

标签:
废水处理
山东 - 淄博 来源:北方有色网 2023-03-19
用于聚合物多元醇生产过程中的废水废气处理装置

本实用新型涉及一种用于聚合物多元醇生产过程中的废水废气处理装置,包括有往复式真空泵、脱臭装置、真空冷却缓冲罐、循环水泵和生产装置,采用往复式真空泵代替水环真空泵,在POP生产管线上增加一个真空冷却缓冲罐,将排出的水进行循环利用,不再有废水,利用活性炭对废气处理,节约了水资源,改善了空气,质量产品质量也因此得到提高和改进。

标签:
废水处理
山东 - 淄博 来源:北方有色网 2023-03-19
从多巴类生产废水中回收制备L(+)-2,3-二羟基丁二酸的方法

本发明属于废水处理领域,具体涉及一种多巴类生产过程中,含L(+)‑2,3‑二羟基丁二酸钠的废水中,回收制备L(+)‑2,3‑二羟基丁二酸的方法。本发明操作简单,易于控制,所得产品纯度高,回收率高,实现了生产废液的综合回收利用,实现了循环经济,降低了生产成本,该工艺稳定,适合工业化生产要求。

标签:
废水处理
山东 - 淄博 来源:北方有色网 2023-03-19
高浓度含酚废水处理装置

本实用新型属于污水处理装置领域,具体涉及一种处理工业、企业生产过程中所产生的含酚废水的高浓度含酚废水处理装置。其特征在于包括好氧反应器,好氧反应器分别与进水管、沉淀池、营养液储罐、氢氧化钠储罐、鼓风机连接。本实用新型具有处理量相对较大、处理流程简单合理,运行操作方便,处理效果好,处理成本低、无二次污染,且其硬件设施和工艺流程均成熟可靠的优点。

标签:
废水处理
山东 - 淄博 来源:北方有色网 2023-03-19
工业反渗透浓水中难降解有机物深度处理的工艺

本发明属于废水处理领域,提供了一种针对工业反渗透浓水中难降解有机物处理的工艺。其工艺装置包括依次连接的储水池、隔膜泵、pH调节池、加药池、光催化氧化装置、斜板过滤沉降池、中和池、微生物活性炭吸附装置、消毒池。本发明装置结构简单,设计合理,经本发明的工艺系统处理的反渗透浓水出水可实现工业反渗透废水的达标排放或进一步深度处理,减轻对城市污水处理厂的负荷和对环境的危害。

标签:
废水处理
山东 - 淄博 来源:北方有色网 2023-03-19
含溴废水中提取溴素的装置

本实用新型属于工业废水处理技术领域,具体的涉及一种含溴废水中提取溴素的装置。包括提溴塔和水洗精馏塔,提溴塔中上部设置进料口,提溴塔塔釜的中上部一侧设置氯气进料管线,提溴塔上部出料口通过管路与分溴瓶连接,分溴瓶底部通过管路与粗品溴素收集槽连接,粗品溴素收集槽底部通过管路与水洗精馏塔下部连接,水洗精馏塔上部通过管路与精品溴素收集槽连接,精品溴素收集槽底部通过管路与浓硫酸搅拌釜连接。本实用新型所用装置简便,不需要特殊提取设备,只需要两套普通精馏塔和一套吸收塔及一套搅拌釜,易于取材组装,有较强的实用性,且设置了吸收塔防止氯气的逸出,放空管路有稀碱液吸收,安全性好。

标签:
废水处理
山东 - 淄博 来源:北方有色网 2023-03-19
废水降温装置
废水降温装置 925     
 0

本实用新型涉及一种废水降温装置,属于工业热交换工艺领域,包括换热器,其特征在于换热器依次串联设置三组,各换热器的循环冷却水管依次通过管路构成密闭的联通循环腔,其中第一组换热器的换热腔进水口联通高温废水管路,出口联通污水处理场;第二组换热器的换热腔进水口联通除盐水管路,出口联通热力装置;第三组换热器的换热腔进水口联通生产水管路,出口联通化水装置,循环冷却水管路上串装循环水泵。本实用新型具有易于对现有设备进行改造实施,改造后的设备能够消除高温废水中有机物的挥发,且设备运行后显著提高企业生产效率,设备运行稳定可靠的优点。

标签:
废水处理
山东 - 淄博 来源:北方有色网 2023-03-19
上一页 35 36 37 38 39 ... 40 下一页
共40页    到第

北方有色为您提供最新的山东淄博有色金属环境保护技术理论与应用信息,涵盖发明专利、权利要求、说明书、技术领域、背景技术、实用新型内容及具体实施方式等有色技术内容。打造最具专业性的有色金属技术理论与应用平台!

全国热门有色金属设备推荐
展开更多 +
全国热门有色金属技术推荐
展开更多 +

 

江西省隆恩特环保设备有限公司
宣传

报名参会
更多+

报告下载

有色专家
更多+

中国瑞林工程技术有限公司
中国工程院院士
江西理工大学
教授
矿冶科技集团有限公司工程公司
副总经理
矿冶科技集团
副所长/研究员
中国矿业大学(北京)
教授
赤泥综合利用研究报告2025
推广

热门技术
更多+

推荐企业
更多+

福建省金龙稀土股份有限公司
宣传

发布

在线客服

公众号

电话

顶部
咨询电话:
010-88793500-807