青岛垚鑫智能科技有限公司
宣传

位置:中冶有色 >

有色技术频道 >

分类:
全部
矿山技术
冶金技术
材料制备及加工技术
环境保护技术
分析检测技术
 
全部
功能材料技术
复合材料技术
新能源材料技术
合金材料技术
加工技术
地区:
全部
北京
天津
上海
重庆
河北
山西
辽宁
吉林
黑龙江
江苏
浙江
安徽
福建
江西
山东
河南
湖北
湖南
广东
海南
四川
贵州
云南
陕西
甘肃
青海
内蒙
广西
西藏
宁夏
新疆
其他
其他
展开
 
全部
济南
青岛
淄博
枣庄
东营
烟台
潍坊
济宁
泰安
威海
日照
滨州
德州
聊城
临沂
菏泽

山东潍坊有色金属材料制备及加工技术理论与应用

免费发布技术信息>>
纤维复合材料外壳和电子设备

本实用新型公开一种纤维复合材料外壳和应用该纤维复合材料外壳的电子设备。其中,纤维复合材料包括内预浸料层、外预浸料层以及中间导热层;外预浸料层与内预浸料层相对设置;中间导热层夹设在内预浸料层和外预浸料层之间;其中,内预浸料层包括至少一层纤维层,外预浸料层包括至少一层纤维层。本实用新型的技术方案能够提升纤维复合材料的导热性能。

标签:
复合材料
山东 - 潍坊 来源:中冶有色网 2023-03-18
SiO2/ACR纳米复合材料的制备方法

本发明公开了一种SiO2/ACR纳米复合材料的制备方法,属于纳米复合材料技术领域,所述制备方法由以下步骤组成:制备第一种子胶乳,制备第二种子胶乳,制备内核,预包覆,制备SiO2/ACR纳米复合材料;所述制备第二种子胶乳,将甲基丙烯酸甲酯、偶氮二氰基戊酸、十六烷基三甲基溴化铵、木质素磺酸钠、二甲基二烯丙基氯化铵、去离子水加入反应器中,控制反应器的温度为40‑45℃,搅拌,得到第二种子胶乳;本发明制备的SiO2/ACR纳米复合材料在聚氯乙烯树脂中的分散性好,而且能够提高聚氯乙烯树脂的低温抗冲击性、拉伸强度、断裂伸长率、弯曲强度、耐磨性、透明度。

标签:
复合材料
山东 - 潍坊 来源:中冶有色网 2023-03-18
无机晶须阻燃增强CPE复合材料及其制备方法

本发明适用于塑料改性技术领域,提供了一种无机晶须阻燃增强CPE复合材料,由如下重量份数的原料组成:CPE 100份,无机晶须10~20份,乙烯和辛烯高聚物(POE)2~4份,稳定剂3~6份,阻燃剂5~8份,润滑剂2~5份,抗氧剂0.5~2份,本发明还提供了一种制备该复合材料的方法,本发明制备方法操作简便,不需要硫化,易于回收,环境污染程度低或者无污染;用该方法制备复合材料,晶须的填充程度高,晶须的长径比得到保持,而且晶须在基体聚合物中的分布均匀,与基体界面粘结好,充分发挥了晶须的增强特性,得到的复合材料具有易于成型加工、制品表面光洁度好、阻燃性能好以及力学性能优异的特点,使用寿命长、环保无害。

标签:
复合材料
山东 - 潍坊 来源:中冶有色网 2023-03-18
光热双重固化振膜复合材料及其制备方法

本发明涉及高分子化学领域,尤其涉及一种光热双重固化振膜复合材料及其制备方法,本发明所述的光热双重固化振膜复合材料由第一功能薄膜层、第二功能薄膜层和由阻尼胶水经光热双重固化得到的阻尼胶膜层构成。光热双重固化振膜复合材料的制备步骤包括:丙烯酸酯预聚体的制备、阻尼胶水的制备、阻尼胶膜层的制备、振膜复合材料的制备。在阻尼胶水配方中加入光、热固化剂,实现胶膜光热双重固化,降低胶层流淌,使振膜各部分厚度相差更小,有效降低总谐波失真,提高听音良率。振膜成型过程中通过不同光、热固化条件的改变,调节胶层内聚强度,使得振膜在一定范围内可以灵活调节谐振频率,缩短寻找振膜不同组合工作时间,提升工作效率。

标签:
复合材料
山东 - 潍坊 来源:中冶有色网 2023-03-18
二硫化锡/二氧化钛/碳复合材料及其制备方法和应用

本发明提供一种二硫化锡/二氧化钛/碳复合材料及其制备方法和应用。本发明利用表面限域原位生长机理制备出二硫化锡/二氧化钛/碳复合材料,在该复合材料中,纳米级二硫化锡和二氧化钛密封于多孔碳骨架中。多孔碳骨架不仅提高了二硫化锡的导电性,同时增加了活性材料与电解液的接触面积,缩短了离子/电子的传输途径。纳米级二氧化钛具有一定的弹性和极性吸附,不仅为二硫化锡在脱/嵌钠离子所引起的体积膨胀提供了缓冲作用而且能够吸附二硫化锡在脱/嵌钠离子过程中产生的多硫化钠产物。多孔碳骨架和二氧化钛相结合共同改善了二硫化锡的循环稳定性和倍率性能。本复合材料作为钠离子电池负极材料具有优异的循环稳定性和倍率性能。

标签:
复合材料
山东 - 潍坊 来源:中冶有色网 2023-03-18
玻璃纤维树脂复合材料及其制备方法

本发明涉及发动机用复合材料技术领域,尤其是一种玻璃纤维树脂复合材料及其制备方法。该种玻璃纤维树脂复合材料主要由玻璃纤维与酚醛树脂基材胶液按照重量比为7:3‑4制成,酚醛树脂基材胶液主要由如下重量份数的原料组成:热塑性酚醛树脂90‑120份、纳米二氧化硅15‑20份、氧化铝粉3‑6份、阴极型缓蚀剂3‑5份、阳离子表面活性剂3‑5份、聚丙烯酰胺1‑3份和羧甲基纤维素2‑5份,阴极型缓蚀剂选用乙二胺四甲叉膦酸钠,阳离子表面活性剂选用十二烷基三甲基氯化铵。本发明应用于发动机领域,提高复合材料的耐热性、韧性、弯曲强度和耐腐蚀性。

标签:
复合材料
山东 - 潍坊 来源:中冶有色网 2023-03-18
金属基复合膜的电磁屏蔽碳纤维复合材料夹层结构

一种基于金属基复合膜的电磁屏蔽碳纤维复合材料夹层结构,该制品主要包括碳纤维复合材料1,金属基复合膜2。本专利通过金属基复合膜铺贴于碳纤维复合材料内层,类夹心结构一体成型,以达到良好的电磁屏蔽效能。该应用技术的关键是制备工艺及碳纤维复合材料制品的电磁屏蔽效能,较传统方式节约成本,提高劳动效率,在电磁屏蔽碳纤维复合材料制品中具有广泛的应用前景。

标签:
复合材料
山东 - 潍坊 来源:中冶有色网 2023-03-18
用于高性能橡胶轮胎的复合材料及其生产方法

本发明公开了一种用于高性能橡胶轮胎的复合材料,按质量百分比计包括以下成分:天然橡胶20‑25%、氯丁橡胶14‑18%、氟橡胶8‑13%、软化剂5.5‑7.6%、硫磺5.15‑7.18%、过氧化苯甲酰3.85‑3.95%、硫化促进剂4.2‑4.8%、竹炭粉2.24‑2.48%、氧化石墨烯2.25‑3.14%、邻苯二甲酸二丁酯3.5‑4.2%、橡胶防老剂4.8‑6.6%、高温橡胶耐热剂为余量;本发明还公开了一种用于高性能橡胶轮胎的复合材料的生产方法,包括以下步骤:硫化混合、加热搅拌、制得高性能混合橡胶乳液、冷却凝固和干燥脱水;该高性能橡胶轮胎的复合材料,以天然橡胶为主要原料,配合添加了氯丁橡胶和氟橡胶对其进行改性,赋予复合材料优异的耐热性、耐老化性、耐磨性和弹性,显著降低了生产成本,同时赋予复合材料优异的拉伸和撕裂性能。

标签:
复合材料
山东 - 潍坊 来源:中冶有色网 2023-03-18
含有聚酰亚胺的碳/碳复合材料浸渍浆料的制备方法及应用

本发明公开了一种含有聚酰亚胺的碳/碳复合材料浸渍浆料的制备方法及应用,属于碳/碳复合材料技术领域。所述制备方法包括以下步骤:将聚酰亚胺和无水乙醇混合,进行球磨处理,然后烘干、过筛,得到聚酰亚胺粉末;将所述聚酰亚胺粉末与石墨粉混合,加入水,球磨处理8~12h,再加入增稠剂、表面活性剂和分散剂,继续球磨处理8~12h,得到所述含有聚酰亚胺的碳/碳复合材料浸渍浆料。将所述浆料用于制备碳/碳复合材料可有效提高液相浸渍法中单次浸渍裂解的基体残碳量,缩短液相浸渍裂解法的生产周期。同时可以使得炭化物强度增加,流变性能更好,进而实现充分流动致密化的目的,使得制备的碳/碳复合材料产品的性能更加出色、完善。

标签:
复合材料
山东 - 潍坊 来源:中冶有色网 2023-03-18
复合材料及其制备方法、以及可穿戴设备

本发明公开一种复合材料及其制备方法、以及可穿戴设备,所述复合材料包括依次层叠设置的金属基材层、连接导热层以及无机导热层,其中,所述无机导热层的材质密度小于所述金属基材层的材质密度。本发明将低密度的无机导热层与金属基材层复合,在确保散热效果的条件下,降低了复合材料的重量,满足了产品轻量化的需求;同时,通过在无机导热层与金属基材层之间设置连接导热层,增强了无机导热层与金属基材层之间的附着力,提高了复合材料的导热率,保证了散热效果。

标签:
复合材料
山东 - 潍坊 来源:中冶有色网 2023-03-18
安全帽用阻燃复合材料及其制备方法

本申请公开了一种安全帽用阻燃复合材料及其制备方法,属于安全帽用阻燃复合材料技术领域。一种安全帽用阻燃复合材料,包括以下重量份数的组分:ABS塑料60‑75份,改性坡缕石粉2‑10份,APP/PER复合阻燃剂25‑40份,增塑剂1.5‑3份,抗氧化剂0.5‑1.2份和润滑剂0.5‑1份。该安全帽用阻燃复合材料及其制备方法,通过加入改性坡缕石粉,进一步提高安全帽的阻燃效果,同时解决了因阻燃剂加入导致材料力学性能降低的问题。

标签:
复合材料
山东 - 潍坊 来源:中冶有色网 2023-03-18
纤维复合材料的制备方法

本发明提供了一种纤维复合材料的制备方法,涉及复合材料领域。一种纤维复合材料的制备方法,包括如下步骤:将木质原料粉碎后,置于85‑100℃下蒸制130‑150min,取出蒸制后的原料,将其通过混合酶溶液预处理,得到酶处理产物;向酶处理产物加入氢氧化钠溶液中浸泡20‑28h,再漂洗至中性,烘干,得到碱处理产物;将硅烷偶联剂加入无水乙醇中稀释后,加入碱处理产物,混合,再烘干,得到第一处理物;将第一处理物、基材,抗氧剂和润滑剂按比例称取,加入双螺杆挤出机中,在170‑220℃、60‑80r/min下进行高温混炼,得到共混物;将共混物破碎后,再注塑成型,冷却脱模,得到纤维复合材料。本发明具有生物降解性好和不易断裂的优点。

标签:
复合材料
山东 - 潍坊 来源:中冶有色网 2023-03-18
增韧高透明抗菌聚丙烯复合材料及其制备方法

本发明提供一种增韧高透明抗菌聚丙烯复合材料,其特征在于,按重量份数计,由以下原料组成:聚丙烯50‑70份、乙丙橡胶5‑10份、空心玻璃微珠3‑5份、纳米氧化铈0.3‑0.5份、HMSPP 8‑15份、成核剂0.5‑1.0份、纳米银壳聚糖复合抑菌剂5‑10份、增容剂2‑3份、稳定剂1.5‑3份,另外本发明还提供了增韧高透明抗菌聚丙烯复合材料的制备方法,制备出的增韧高透明抗菌聚丙烯复合材料抗冲击性能好,韧性大,25℃悬臂梁缺口冲击强度达到21.8‑23.5KJ/m2,同时该复合材料还具有高透明度和低雾度,具有抑菌防霉的作用,是一种性能优异的高透明抗菌材料。

标签:
复合材料
山东 - 潍坊 来源:中冶有色网 2023-03-18
原位制备黑磷-碳纳米管复合材料的方法

本发明提供了一种原位制备黑磷‑碳纳米管复合材料的方法,属于能源材料技术领域。本发明提供的方法包括如下步骤:将碳纳米管、金属盐和溶剂混合后,加入还原剂,进行还原反应,得到碳纳米管/金属复合物;将所述碳纳米管/金属复合物、红磷和碘在密闭条件下,进行第一煅烧,得到碳纳米管/金属‑红磷‑碘复合材料;将所述碳纳米管/金属‑红磷‑碘复合材料与红磷在密闭条件下进行第二煅烧,然后经清洗,得到黑磷‑碳纳米管复合材料。本发明所提供的方法所得黑磷‑碳纳米管复合材料中碳纳米管和黑磷分散均匀,且黑磷的含量易于控制,可满足不同应用领域对于黑磷‑碳纳米管组成结构的需求,同时具有较高的收率,适合工业化生产。

标签:
复合材料
山东 - 潍坊 来源:中冶有色网 2023-03-18
复合材料及其制备方法、电子设备

本公开实施例公开了一种复合材料及其制备方法、电子设备,该复合材料包括金属层、陶瓷层和塑性层,所述金属层的第一表面具有第一微孔;所述陶瓷层的第二表面具有第二微孔,所述第二表面与所述第一表面相对设置;所述塑性层注塑成型于所述第二表面与所述第一表面之间并嵌入所述第一微孔和所述第二微孔中。本公开实施例的复合材料兼具金属材料良好外观、质量轻和防水性好的特点,及陶瓷材料无信号屏蔽、良好质感和耐磨性好的特点;该制备方法将所述塑性层填充到所述金属层和所述陶瓷层之间形成了紧密结合的结构,该方法得到的复合材料连接强度高,而且操作工艺简单便捷;该复合材料可以广泛应用于电子设备的壳体中。

标签:
复合材料
山东 - 潍坊 来源:中冶有色网 2023-03-18
浆状复合材料及其制备方法和模具

本发明公开一种浆状复合材料,按照质量百分含量包括:55%~85%的A组分、8%~28%的固体填料、2%~10%悬浮剂和2%~10%的助剂;所述A组分按照质量百分含量包括:70%~90%的环氧丙烯酸酯溶液、3%~17%的聚氨酯预聚体、3%~9%的引发剂和2%~6%的促进剂。本发明还公开所述浆状复合材料的制备方法及使用所述浆状复合材料制作的模具。本发明公开的浆状复合材料,可以可常温固化成型;使用本发明公开的浆状复合材料制作模具,制作效率好、制作成本低,制作的模具强度高,形变量小,尺寸精度高,抗吸湿性能好,满足铸造用模具的反复使用需求。

标签:
复合材料
山东 - 潍坊 来源:中冶有色网 2023-03-18
应用于瓦斯抽放管道的阻燃抗静电氯化聚乙烯复合材料及其制备方法

本发明公开了一种应用于瓦斯抽放管道的阻燃抗静电氯化聚乙烯复合材料及其制备方法。复合材料由如下重量份的原料混合制成:氯化聚乙烯50~100份;聚氯乙烯10~50份;增塑剂10~30份;稳定剂3~6份;润滑剂3~6份;复合抗静电剂18~30份和填料10~30份。本发明选择氯化聚乙烯作为基体,通过添加复合抗静电剂,使复合材料的表面电阻可不超过104Ω。本发明的复合材料,可以用于制作矿用瓦斯管材料,具有阻燃、抗静电、耐低温、使用寿命长和成本低的优点,不仅具有阻燃抗静电性能,而且耐低温性能好,其低温脆性可达到‑33℃,在北方的冬天可以正常使用。

标签:
复合材料
山东 - 潍坊 来源:中冶有色网 2023-03-18
高强度玻纤复合材料及其制备方法

本发明公开了一种高强度玻纤复合材料,由如下重量份的组分制成:2,2′‑二溴螺硅芴5,5′‑亚甲基双水杨酸聚酰胺类树脂100份、玻璃纤维10‑20份、偶联剂1‑3份。所述高强度玻纤复合材料的制备方法,包括如下步骤:按比例将各组分加入高速搅拌机中混合均匀,后加入双螺杆挤出机中熔融共混挤出成型,得到高强度玻纤复合材料。本发明公开的高强度玻纤复合材料耐高温性能更好、强度更大、耐候性更优异,阻燃性和韧性更佳,尺寸更稳定,抗蠕变,耐疲劳的同时,还拥有良好的外观。

标签:
复合材料
山东 - 潍坊 来源:中冶有色网 2023-03-18
复合材料低惯量离心压气机叶轮及其配合安装装置

本发明公开了复合材料低惯量离心压气机叶轮及其配合安装装置,该复合材料低惯量离心压气机叶轮,包括叶轮主体,叶轮主体上一体连接有叶轮轮毂,叶轮轮毂上设置有叶轮叶片和叶轮进气前缘和与之贯通的叶轮出气后缘,复合材料低惯量离心压气机叶轮整体采用树脂复合材料制成,叶轮主体内开设有安装孔,叶轮主体上位于叶轮轮毂的后方一体连接有加强筋组件,本发明能够产品化实现生产,并且生产便捷,可以将传统的涡轮增压器的压气机叶轮、氢燃料电池的空气压缩机叶轮、其它燃烧器的离心压气机叶轮中的响应性、耐腐蚀性、成本要素的场景得到有效实现;产品批量制造能力更好、成本低,能够满足各种离心压气机增压需求。

标签:
复合材料
山东 - 潍坊 来源:中冶有色网 2023-03-18
磷-金属有机框架复合材料及其制备方法和应用

本发明公开了一种磷‑金属有机框架复合材料及其制备方法和应用。本申请将红磷与金属有机框架有机结合,利用金属有机框架高的比表面积和可协调的多孔结构,将红磷与金属有机框架结合形成磷‑金属有机框架复合材料。单质红磷在磷‑金属有机框架复合材料的脱嵌锂过程中作为重要的电化学活性中心,通过加入金属有机框架,磷基负极材料的电化学稳定性被大大改善,对红磷负极材料的应用具有重要意义。本发明采用简便的一步水热法合成磷‑金属有机框架复合材料,制备工艺简单,易规模化,作为负极具有良好的电化学循环性能以及结构稳定性,应用前景广阔。

标签:
复合材料
山东 - 潍坊 来源:中冶有色网 2023-03-18
电脑用聚苯乙烯复合材料的制备方法

本发明提供一种电脑用聚苯乙烯复合材料的制备方法,其特征在于:所述聚苯乙烯复合材料,按重量份数计,原料包括阻燃功能添加物。所述原料还包括:二甲基甲酰胺、柠檬酸酯、人造石透明粉、邻苯二甲酸二丁酯、改性大豆蛋白、聚苯乙烯、二甲基二氯硅烷、二苯基二氯硅烷、纳米纤维素粉、改性矿粉。本发明在制备电脑用聚苯乙烯复合材料的过程中,各物料流动性好,均匀性好,工艺适应性强,制备的聚苯乙烯复合材料稳定性好;本发明在制备的电脑用聚苯乙烯复合材料的过程中,可使聚苯乙烯复合材料具有良好的阻燃性能。

标签:
复合材料
山东 - 潍坊 来源:中冶有色网 2023-03-18
再生纤维素/SiO2纳米复合材料的制备方法

一种再生纤维素 /SiO2纳米复合材料的制备,通过 SiO2的纳米化提高 SiO2的阻燃活性。并使纳米 SiO2均匀的分布与再生纤维素 基体中。用粘胶-SiO2前驱物溶 液进入再生-凝胶化酸浴中,纤维素黄酸钠与再生-凝胶化酸 浴中的硫酸发生反应生成纤维素, SiO2前驱物硅酸盐发生凝胶化 生成SiO2,得到再生纤维素 /SiO2纳米复合材料。可以根据不 同的成形方式,使纳米复合材料制成各种塑料薄膜、胶片、包 装材料及纤维。

标签:
复合材料
山东 - 潍坊 来源:中冶有色网 2023-03-18
多层界面改性碳陶复合材料的制备方法及发动机活塞

本发明涉及发动机活塞用陶瓷基复合材料领域,具体涉及一种内燃机活塞用多层界面改性炭纤维增强陶瓷基(C/SiC)复合材料的制备方法,其中,C/SiC复合材料是以炭纤维作为增强体,编织成准三维针刺结构预制体后在惰性气体保护气氛下高温热处理,然后经化学气相沉积法在预制体纤维表面依次交替制备BN界面和SiC界面,之后利用化学气相渗积法在预制体孔隙内部制备热解碳基体得到碳纤维增强热解碳基体(C/C),最后采用液硅浸渗法进一步致密化,制备得到内燃机活塞用多层界面改性C/SiC复合材料。本发明所制备的内燃机活塞用C/SiC复合材料,具有增强体炭纤维损伤程度小、密度低、机械强度高和高温力学性能衰减小的高性能碳陶复合材料的制备方法。

标签:
复合材料
山东 - 潍坊 来源:中冶有色网 2023-03-18
复合材料成型设备及其用于复合材成型的工艺

本发明公开了一种复合材料成型设备,主控系统通过网路与各模块各自配备的控制器连接,对各模块发出运行指令使其运行;电磁输出模块接受主控系统发送的运行指令,以脉冲方式输出电磁感应电流;电磁功率分配加热模块将电磁输出模块输出的电流分配到各加热模块,使各加热模块以特定的组合方式和时序对复合材料成型模具进行加热;加压装置为压力容器或机械加压装置,复合材料成型模具置于加压装置中,实现对模具上铺放的复合材料施加压力;真空控制模块具有抽真空功能,用管路与复合材料模具连接,接受主控系统的指令,对模具进行抽真空。本发明大幅缩短复合材料固化成型工艺周期,具有减少运输成本、节约能耗的优点。

标签:
复合材料
山东 - 潍坊 来源:中冶有色网 2023-03-18
从铝塑复合材料中提取铝的方法

本发明涉及一种从铝塑复合材料中提取铝的方法。通过将铝塑复合材料碎片与有机溶剂混合后高温处理,使铝塑复合材料中的塑料溶解在有机溶剂中,最后再将回收的铝箔粉碎形成铝粉加以利用。该方法回收率高、生产效率高。

标签:
复合材料
山东 - 潍坊 来源:中冶有色网 2023-03-18
SMC复合材料撕膜裁切装置

本发明公开了SMC复合材料撕膜裁切装置,所述SMC复合材料撕膜裁切装置包括本体,本体上设置有撕膜装置、裁切装置,取料台,所述撕膜装置包括主电机、主送片辊轴、上撕膜辊轴、下撕膜辊轴、导料板,所述裁切装置包括切料台、第二液压机、压料板、无杆气缸、切割刀片,所述取料台位于无杆气缸下方,所述取料台上设置有伺服电机、取料输送带。本发明该SMC复合材料撕膜裁切装置通过设置撕膜装置,能够实现对SMC复合材料进行撕膜操作,设置裁切装置方便对SMC复合材料进行裁切,具有结构简单,操作方便等特点。

标签:
复合材料
山东 - 潍坊 来源:中冶有色网 2023-03-18
基于纯碳石墨烯与杜仲天然胶共混的橡胶复合材料的方法

本发明公开了一种基于纯碳石墨烯与杜仲天然胶共混的橡胶复合材料的方法,涉及橡胶复合材料技术领域。本发明橡胶复合材料的制备方法工艺中将石墨烯和杜仲天然胶进行混合分散,其次加入分散剂、硅烷偶联剂、促进剂以及硫化剂,制得纯碳石墨烯与杜仲天然胶共混的橡胶,通过炼胶和硫化制得纯碳石墨烯与杜仲天然胶共混的橡胶复合材料复合材料,在制备的过程中使得石墨烯能在橡胶材料中均匀分散,有助于橡胶复合材料的力学性能、电性能以及导热性等综合性能;本发明方法工艺简单成本低廉,生产效率高、可控性好,并且能够制备高填充量的复合材料,能够满足不同工程的需要,解决了以往填充量过多,石墨烯难以分散均匀的问题。

标签:
复合材料
山东 - 潍坊 来源:中冶有色网 2023-03-18
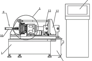
复合材料工况测试试验机

本实用新型公开了一种复合材料工况测试试验机,包括机架,机架上固定安装有支座,支座上固定安装有固定热板,滑动安装有活动热板座,活动热板座上固定安装有与固定热板对应的活动热板,固定热板内凹设有呈锥台状的试验腔,活动热板凸出设有与试验腔对应的试验台,固定热板和活动热板上分别设有加热器;机架上设有驱使试验台压向试验腔的推动装置,机架上还设有驱使试验台离开试验腔的推出装置。本实用新型能够模拟复合材料的摩擦使用状态,通过对复合材料多次加热和加压,判断摩擦时复合材料的使用寿命;可以测试复合材料耐磨面的摩擦系数,检测复合材料使用性能,从而为选择使用耐磨复合材料提供有力参考,设计合理,测试使用方便。

标签:
复合材料
山东 - 潍坊 来源:中冶有色网 2023-03-18
粘弹性夹芯材料、大阻尼夹芯复合材料及其制备方法与应用

本发明涉及高分子材料技术领域,具体涉及粘弹性夹芯材料、大阻尼夹芯复合材料及其制备方法与应用。所述大阻尼夹芯复合材料为碳纤维预浸料作为中性层嵌入到双马树脂基复合材料中,所述碳纤维预浸料表面带有不同厚度的粘弹性夹芯材料,所述粘弹性夹芯材料的成分质量份数为:四丙氟橡胶90‑110份;交联剂TAIC 4‑6份;硫化助剂HVA‑2 4‑6份;硫化剂BIBP 1‑1.5份;ZDMA 30‑50份;活化剂NASA 1‑2份;短纤维10‑20份。大阻尼夹芯复合材料具有良好的耐高温性能及高界面剪切强度,同时其断裂面发生在中性层的夹芯材料,复合结构具有优异的力学性能;并且夹芯材料的嵌入大幅度地提升了复合材料的阻尼性能,在航空航天上有着广泛的应用前景。

标签:
复合材料
山东 - 潍坊 来源:中冶有色网 2023-03-18
镍铁硫化物-石墨烯复合材料、其制备方法及应用

本发明实施例提供了镍铁硫化物‑石墨烯复合材料、其制备方法及应用,其中,所述镍铁硫化物中的镍、铁、硫的原子比例依次为0.75:0.25:2,铁原子以晶格掺杂的方式掺入到硫化镍晶格中。本发明还提供了镍铁硫化物‑石墨烯复合材料的制备方法,包括:(1)、将氧化石墨烯分散于溶剂,得到氧化石墨烯分散液;(2)、将镍盐溶液、铁盐溶液与氧化石墨烯分散液混合,得到反应混合物;(3)、将所述反应混合物在100‑180℃下反应9‑18小时,得到复合材料前体;(4)、将所述复合材料前体与硫粉在惰性气氛中进行煅烧硫化。本发明的镍铁硫化物‑石墨烯复合材料,硫化物中的镍铁采取晶格掺杂的存在形式,具有良好的析氧反应催化活性。

标签:
复合材料
山东 - 潍坊 来源:中冶有色网 2023-03-18
上一页 34 35 36 37 下一页
共37页    到第

中冶有色为您提供最新的山东潍坊有色金属材料制备及加工技术理论与应用信息,涵盖发明专利、权利要求、说明书、技术领域、背景技术、实用新型内容及具体实施方式等有色技术内容。打造最具专业性的有色金属技术理论与应用平台!

全国热门有色金属设备推荐
展开更多 +
全国热门有色金属技术推荐
展开更多 +

 

江西省隆恩特环保设备有限公司
宣传

报名参会
更多+

2025年10月15日 ~ 17日
2025年10月17日 ~ 19日
2025年10月31日 ~ 11月02日
2025年11月07日 ~ 09日

报告下载

有色专家
更多+

西北稀有金属材料研究院宁夏有限公司
党委书记 / 董事长
北京科技大学
主任/教授
武汉理工大学
外籍院士/教授
长沙矿冶研究院
总经理
洛阳有色矿业集团有限公司
生产技术部经理
赤泥综合利用研究报告2025
推广

热门技术
更多+

推荐企业
更多+

福建省金龙稀土股份有限公司
宣传

发布

在线客服

公众号

电话

顶部
咨询电话:
010-88793500-807