青岛垚鑫智能科技有限公司
宣传

位置:中冶有色 >

有色技术频道 >

> 加工技术

分类:
全部
矿山技术
冶金技术
材料制备及加工技术
环境保护技术
分析检测技术
 
全部
功能材料技术
复合材料技术
新能源材料技术
合金材料技术
加工技术
地区:
全部
北京
天津
上海
重庆
河北
山西
辽宁
吉林
黑龙江
江苏
浙江
安徽
福建
江西
山东
河南
湖北
湖南
广东
海南
四川
贵州
云南
陕西
甘肃
青海
内蒙
广西
西藏
宁夏
新疆
其他
其他
展开
 
全部
杭州
宁波
温州
绍兴
湖州
嘉兴
金华
衢州
台州
丽水
舟山

浙江金华有色金属加工技术理论与应用

免费发布技术信息>>
能够对锂电池检测并充电的设备

本发明涉及锂电池相关领域,尤其是一种能够对锂电池检测并充电的设备,包括机身,所述机身内设置有工作腔,所述工作腔内可转动的设置有第一转轴,所述第一转轴表面固定设置有第一电机和第一齿轮,所述第一转轴左侧可转动的设置有第二转轴,所述第二转轴表面固定设置有第一皮带轮和第二皮带轮,所述第二转轴左侧设置有质量检测装置,所述质量检测装置可以对锂电池的质量进行检测,将质量不足的设备收集,合格的锂电池进行后续充电处理。

标签:
加工技术
浙江 - 金华 来源:中冶有色网 2023-03-18
用于12.6V三串锂电池包的最小配置型保护板

本实用新型公开了一种用于12.6V三串锂电池包的最小配置型保护板,包括:控制芯片,所述控制芯片的电源负极输入管脚GND管脚与电源正极输入管脚VCC管脚配合使用为所述控制芯片提供电源。通过上述方式,本实用新型用于12.6V三串锂电池包的最小配置型保护板通过采用新型保护板用于三串锂电池包的保护,可实现多级电流保护、温度保护、反向保护、稳压保护等多重保护功能,在确保上述功能实现的情况下将延时电路内置于控制芯片内部,降低了由于元器件误差导致的延时时间浮动,同时简化了整体系统,降低成本的同时可将整套系统应用于小空间的场所,在用于12.6V三串锂电池包的最小配置型保护板的普及上有着广泛的市场前景。

标签:
加工技术
浙江 - 金华 来源:中冶有色网 2023-03-18
监测并降温的锂电池防爆设备

本发明公开了一种监测并降温的锂电池防爆设备,包括机身,所述机身顶壁内设置有冷却液腔,所述冷却液腔底壁内设置有异常冷却腔,所述异常冷却腔中放置有锂电池,所述锂电池左壁抵接电连设置有接线块,所述异常冷却腔底壁连通设置有断电压缩弹簧腔,所述断电压缩弹簧腔内设置有通过锂电池异常高温导致双金属片变形实现解除所述接线块限位的限位装置,本发明通过锂电池异常高温导致双金属片变形配合弹簧实现物理性断电,通过锂电池过充时电流减小的特点配合电磁实现过充时断电的功能,通过温控元件启动电机带动齿轮齿条触发齿轮离合从而带动泵启动实现冷却液的循环。

标签:
加工技术
浙江 - 金华 来源:中冶有色网 2023-03-18
冲转式锂电工具的触电保护装置

本发明公开了冲转式锂电工具的触电保护装置,包括电机组件,钻夹头组件,输出轴组件,控制板,所述控制板与所述电机组件电性连接,所述控制板设置有过载电阻;自动脱开装置,所述自动脱开装置与所述控制板电性连接,安装在所述输出轴的第二端外侧,用于对所述输出轴组件起限位作用;锂电池组,所述锂电池组为所述控制板、电机组件以及自动脱开装置提供电源;当工作时钻削到电线时,可以实现自动切断内部的传动机构,使锂电工具立即停止转击动作,并且也保护了使用者的安全。本发明可有效运用于电钻、冲击钻、电锤、电镐等冲转式锂电工具上。

标签:
加工技术
浙江 - 金华 来源:中冶有色网 2023-03-18
应用在锂电池模块上的密封水冷板结构

本发明涉及一种应用在锂电池模块上的密封水冷板结构,包括焊接在一起的铝板和铝盖板,所述铝板上压铸有水冷通道,所述水冷通道的进口端和出口端分别插接有可旋转式水冷接头,所述可旋转式水冷接头的插接部的周壁上嵌设有至少一径向密封圈,该径向密封圈与水冷通道的孔壁密封配合,所述可旋转式水冷接头的插接部的外侧嵌设有一轴向限位压片,该轴向限位压片通过螺钉锁固在铝板或铝盖板上。本发明既可保证电流不发生泄漏,又可使水冷接头在360°范围内灵活转动,保证接水位置的灵活性,且不会因转动而产生水泄漏,还可提高锂电池模块的散热效果,并有利于水冷板的组装与固定。

标签:
加工技术
浙江 - 金华 来源:中冶有色网 2023-03-18
锂离子电池通用模块
锂离子电池通用模块 935     
 0

一种锂离子电池通用模块,属于电动车载电源领域,其包括外壳和锂电池组,所述外壳由U形盒体、顶盖及前、后散热板组成,所述锂电池组由多节片式锂电池通过串、并联或串联或并联连接组成,所述的多节片式锂电池并排设置在所述U形盒体限制的空间内,相邻的两节片式锂电池之间通过泡沫胶固定,并由此在相邻的两节片式锂电池之间形成锂电池伸缩间隙。本发明在锂电池之间设计了可伸缩且强壮的隔离层,即可有效隔离失效锂电池,防止发生燃烧、爆炸等事故,而且还可以提供电池芯级防撞保护。

标签:
加工技术
浙江 - 金华 来源:中冶有色网 2023-03-18
电动汽车锂电池主动均衡管理系统

本发明涉及电动汽车的锂电池控制领域,一种电动汽车锂电池主动均衡管理系统主要包括单体电池CPU检测系统、DC/DC电池管理系统、矩阵输出电路、动力锂电池组,所述DC/DC电池管理系统与所述动力锂电池组并联,所述矩阵输出电路连接于所述DC/DC电池管理系统与所述动力锂电池组之间,所述矩阵输出电路选用双开双闭10A/12V小型继电器,所述继电器与所述动力锂电池组的单体电池一一对应连接以实现对最低电池单体进行充电,所述继电器两个触点均分别连接所述DC/DC电池管理系统的正极和负极;所述单体电池CPU检测系统组对组地连接在所述矩阵输出电路与所述动力锂电池组之间并能实时检测单体电池的电压,同时又与所述矩阵输出电路连接以实现对不同电压间进行均衡控制和管理。

标签:
加工技术
浙江 - 金华 来源:中冶有色网 2023-03-18
钛酸锂电池的高温夹具化成方法

本发明涉及一种钛酸锂电池的高温夹具化成方法,属于锂电池技术领域。为了解决现有的化成效率低和易胀气导致循环性能差的问题,提供一种钛酸锂电池的高温夹具化成方法,包括将注液预封后的钛酸锂电池进行高温搁置;再进行一次化成处理,化成温度为60~90℃;先以0.1~0.5C充电至第一截止电压;再以0.5~2.0C充电至第二截止电压;高温搁置后,预封装;再进行二次化成处理,先以0.5~2.0C放电至放电截止电压;再以0.5~2.0C充电至充电截止电压;再经过高温搁置老化,进行抽气封装。本发明能形成稳定SEI膜,抑制胀气现象,具有化成效率高和循环性能好的效果。

标签:
加工技术
浙江 - 金华 来源:中冶有色网 2023-03-18
锂电池负压化成系统
锂电池负压化成系统 768     
 0

本发明涉及电池化成技术领域,具体是一种锂电池负压化成系统,包括:吸气结构,包括相连接的吸气管和吸嘴,所述吸嘴用于连通锂电池的注液孔;负压组件,包括负压杯和定位杆,所述定位杆设置在所述负压杯的杯体上,所述负压杯的进气端连通所述吸气管,所述负压杯的出气端设有抽气孔;转动机构,设置在所述负压杯的侧壁上,能够带动所述负压杯和吸气结构绕所述定位杆的中轴线转动;导气组件,包括负压管道、余液罐和缓冲罐,所述负压杯的抽气孔与所述负压管道连接,所述负压杯、余液罐和缓冲罐通过负压管道依次连通。本发明不需要反复提升和压合吸嘴,且吸嘴能够与锂电池注液孔双重密封连接,有效提高锂电池化成合格率。

标签:
加工技术
浙江 - 金华 来源:中冶有色网 2023-03-18
高温下可快速吸收CO2的锆酸锂材料的制备方法

本发明涉及一种高温下可快速吸收CO2的锆酸锂材料的制备方法。本发明针对现有的锆酸锂材料在高温下吸收CO2吸收速率低的不足之处,提供一种在高温下可快速吸收CO2的锆酸锂材料的制备方法。本发明高温下可快速吸收CO2的锆酸锂材料的制备方法是采用柠檬酸溶胶-凝胶法,该方法为:将可溶性锆盐和可溶性锂盐溶于柠檬酸水溶液中,在含有可溶性锆盐和可溶性锂盐的柠檬酸水溶液中加入氨水、尿素溶液中的一种以上,经搅拌、干燥、高温煅烧得到锆酸锂材料。本发明所制备的锆酸锂材料CO2吸收性能好,在0.5bar?CO2气氛中,温度为550℃下,15~60min内可以达到平衡吸收,平衡吸收量达20~25wt.%。

标签:
加工技术
浙江 - 金华 来源:中冶有色网 2023-03-18
锂电池拆解分离装置
锂电池拆解分离装置 777     
 0

本实用新型提供了一种锂电池拆解分离装置,属于锂电池技术领域。它解决了现有技术中对锂电池壳体拆解效果不佳的问题。一种锂电池拆解分离装置,包括机架和用于拆解锂电池的切刀,机架上设置有用于设置切刀的安装座,安装座的一侧设置有用于夹紧定位锂电池的上支撑块和下支撑块,上支撑块位于下支撑块上方且两者相对设置,上支撑块与下支撑块均能周向转动,安装座包括定位块和水平滑动设置在定位块上的移动块,切刀设置在移动块上,移动块能驱动切刀横向移动伸入上述上支撑块和下支撑块之间,移动块上设置有能带动切刀纵向移动的驱动结构。本实用新型能够有效对锂电池进行拆解。

标签:
加工技术
浙江 - 金华 来源:中冶有色网 2023-03-18
废旧锂电池的回收处理方法

本发明公开了一种废旧锂电池的回收处理方法,该废旧锂电池的回收处理方法包括以下步骤;将废旧锂电池通过上料传送带运输到筛选装置上的筛筒内,不同大小的废旧锂电池沿着筛网上不同孔径大小的筛孔流出,并经过下料框流入到清洗装置上的清洗槽内;在清洗槽内加入清洗溶剂并浸泡去除废旧锂电池外表面上的污迹;表面粘有清洗溶剂的废旧电池经过传输带向前运输,同时,启动第三驱动电机扇形往返转动,使得壳体沿着支柱扇形往返转动,多组的扇叶同时转动,将电加热板上的热量吹向运输的锂电池上,使得锂电池在运输收集过程中进行烘干处理;本发明可以对根据废旧电池的尺寸大小进行分类筛选,对同一型号大小的废旧锂电池进行集中回收处理。

标签:
加工技术
浙江 - 金华 来源:中冶有色网 2023-03-18
圆柱形锂离子电池及其制造方法

本发明公开了一种圆柱形锂离子电池及其制造方法,属于锂离子电池技术领域。该圆柱形锂离子电池包括正极极片、正极极耳、负极极片、负极极耳、绝缘片和隔膜,第一正极集流体区、第二正极集流体区和第三正极集流体区的正反两面均完全覆盖有绝缘片,且正极极耳位于绝缘片和第三正极集流体区之间;第一负极集流体区和第二负极集流体区的两侧或一侧覆盖有绝缘片,且负极极耳位于绝缘片和第一负极集流体区之间以及绝缘片和第二负极集流体区之间;正极极片的初始卷绕端和负极极片的初始卷绕端沿卷绕方向位于隔膜不同的位置上。该圆柱形锂离子电池及其制造方法降低了正负极短路的风险,减少失效风险。

标签:
加工技术
浙江 - 金华 来源:中冶有色网 2023-03-18
锂电池负极匀浆混料搅拌装置

本发明公开的一种锂电池负极匀浆混料搅拌装置,包括混合箱,所述混合箱内设有动力腔,所述混合箱内设有位于所述动力腔下侧的混合腔,所述混合腔下侧端面上设有电磁阀,所述动力腔内设有搅拌装置,所述搅拌装置用于搅拌混合锂电池负极原料,所述动力腔内设有为所述搅拌装置提供升降振动的升降振动装置,所述动力腔内设有脉冲气流装置,所述脉冲气流装置能产生脉冲气流,从而加快对原料的搅拌混合的速度,所述升降振动装置下侧设有用于投放原料的送料装置,本发明能实现上下振动、脉冲气流和旋转搅拌的复合混合运动,因此能提高锂电池负极原料的搅拌混合速率和效果。

标签:
加工技术
浙江 - 金华 来源:中冶有色网 2023-03-18
用于锂电池生产检测的自动化充电设备

本发明公开了一种用于锂电池生产检测的自动化充电设备,包括充电座,所述充电座的左右面上固定安装可以放置锂电池的电池放置座,当启动移动电机时,移动电机可以带动螺纹杆转动,螺纹杆转动可以带动移动座在螺纹杆空间上左右进行移动可以使移动座将锂电池带到充电的位置,能够对带充电的电池和已经充好的电池进行更换,可以实时的对已经充好电的电池进行检测,增加处理效率,在进行充电的时候,可以将电池夹紧,保证充电时的正常进行,在电池充满电之后,可以对电池进行断电控制,防止过充。

标签:
加工技术
浙江 - 金华 来源:中冶有色网 2023-03-18
锂离子电池应用于UPS电源的充放电同口设计装置

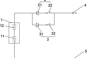
本实用新型公开了一种锂离子电池应用于UPS电源的充放电同口设计装置,包括电池组,所述电池组的正极端连接有充电动力线和放电动力线,所述充电动力线的正极端与放电动力线连接,所述充电动力线包括第一二极管,所述第一二极管的负极端与电池组的正极端连接,所述第一二极管的正极端连接有充电接触器,所述放电动力线包括第二二极管,所述第二二极管正极端与第一二极管的负极端连接,所述第二二极管的负极端连接有放电接触器,所述放电接触器的输出端与充电接触器连接,本实用新型涉及锂离子电池技术领域。解决了现有锂离子电池充放电口无法达到控制电池过冲的效果,也不能保持电池随时放电的能力等问题。

标签:
加工技术
浙江 - 金华 来源:中冶有色网 2023-03-18
锂电工具的电池抗振装置

本实用新型公开了锂电工具的电池抗振装置,包括固定安装筒,所述固定安装筒底部外壁通过螺纹固定有底座,且固定安装筒顶部焊接有连接盖,连接盖顶部外壁开有三个安装孔,固定安装筒顶部圆周外壁转动连接有固定环,固定环内设置有锁紧机构,固定环靠近旋转锁紧机构上方圆周内壁焊接有盖板,盖板的顶部圆心外壁开有卡槽,卡槽内壁卡接有顶盖,所述锁紧机构包括内齿轮、三个外齿轮、三个卡拨片、三个卡环和三个转轴,且三个转轴分别通过螺纹固定于三个安装孔内,三个所述外齿轮分别套接于三个转轴的圆周外壁上。本实用新型达到了对锂电池顶端限位固定的作用,保证了锂电池在固定安装筒内的稳定,又使得整体装置简单易用,提高了实用性。

标签:
加工技术
浙江 - 金华 来源:中冶有色网 2023-03-18
采用离子选择性膜的半液锂离子电池的制备方法

本发明涉及一种采用离子选择性膜的半液锂离子电池的制备方法,取一定量的聚乙烯和聚丙烯,将其溶解四氢呋喃中,充分搅拌;取10~15ml上述混合溶液,再向其中加入0.5mol/L高氯酸钾溶液1~1.3ml,混合均匀;取重量份数为85~89份的工业锰酸钾、重量份数为7份的乙炔黑、重量份数为4~8份的PTFE的混合粉末,将上述混合粉末加热至熔化状态后,通过挤出或压延的方法将其压在镍网上制备成膜;再将混合溶液涂布在该膜上,经81~85°C的温度真空加热12~13小时,冷却至室温,与上述装配成半液锂离子电池。本发明的方法制备的采用离子选择性膜的半液锂离子电池具有强度、稳定性好且造价低廉的优点。

标签:
加工技术
浙江 - 金华 来源:中冶有色网 2023-03-18
锂电池生产用吊装装置
锂电池生产用吊装装置 1009     
 0

本实用新型属于锂电池技术领域,尤其为一种锂电池生产用吊装装置,针对在锂电池的生产过程中传统的方法通常是采用人工对锂电池进行搬运,劳动强度大,且费时费力,工作效率低的问题,现提出如下方案,其包括顶板,所述顶板的底部四角均固定安装有支腿,四个支腿的底部均固定安装有移动轮,顶板的底部固定安装有四个电动伸缩杆,四个电动伸缩杆的活塞轴上固定连接有同一个连接座,连接座的顶部固定安装有电机,电机的输出轴转动安装在连接座的顶部。本实用新型结构设计合理,操作简单,便于对锂电池的吊装移位,使用方便,解决了需要人工操作搬运劳动强度大,费时费力的问题,提高了其工作效率。

标签:
加工技术
浙江 - 金华 来源:中冶有色网 2023-03-18
电动汽车锂电池主动均衡管理系统

本实用新型涉及电动汽车的锂电池控制领域,一种电动汽车锂电池主动均衡管理系统主要包括单体电池CPU检测系统、DC/DC电池管理系统、矩阵输出电路、动力锂电池组,所述DC/DC电池管理系统与所述动力锂电池组并联,所述矩阵输出电路连接于所述DC/DC电池管理系统与所述动力锂电池组之间,所述矩阵输出电路选用双开双闭10A/12V小型继电器,所述继电器与所述动力锂电池组的单体电池一一对应连接以实现对最低电池单体进行充电,所述继电器两个触点均分别连接所述DC/DC电池管理系统的正极和负极;所述单体电池CPU检测系统组对组地连接在所述矩阵输出电路与所述动力锂电池组之间并能实时检测单体电池的电压,同时又与所述矩阵输出电路连接以实现对不同电压间进行均衡控制和管理。

标签:
加工技术
浙江 - 金华 来源:中冶有色网 2023-03-18
可快速充电的无人机锂电池充电装置

本实用新型提供一种可快速充电的无人机锂电池充电装置。所述隔板的背面固定连接于所述蓄电池的表面中部;所述左侧板的背面固定连接于所述蓄电池的表面左侧;所述右侧板的背面固定连接于所述蓄电池的表面右侧;所述前盖板的背面两侧分别固定连接于所述左侧板和右侧板的表面;两个所述卡锁组件分别设置于所述左侧板和右侧板的相背一侧的顶部。本实用新型提供的可快速充电的无人机锂电池充电装置具有便于使用不同型号的无人机锂电池的充电使用,可以同时对两个不同的电池进行同步充电,使用方便快捷,操作简单,实用性强,保持快速稳定的充电,避免更换下来的缺电电池长时间亏电而损坏影响使用寿命,随用随充,延长无人机的续航时间。

标签:
加工技术
浙江 - 金华 来源:中冶有色网 2023-03-18
适用于新能源汽车的多组锂电池管控装置

本实用新型提供一种适用于新能源汽车的多组锂电池管控装置,属于锂电池加工技术领域,包括设备箱、支撑基座、操作面板、设备箱侧板和设备箱顶板,设备箱的底部设有支撑基座,且支撑基座均匀的分布在设备箱的底部四角,设备箱的正面表面中部设有操作面板,设备箱左右两侧设有设备箱侧板,设备箱的顶部设有设备箱顶板,操作面板表面的左端设有电流开关。该种适用于新能源汽车的多组锂电池管控装置通过结构的改进,使本装置在实际使用时对多组锂电池的控制效果好,能够将锂电池内的电压控制在正常的范围,实用性强,并且现有的适用于新能源汽车的多组锂电池管控装置可以适用不同的天气和环境、且对锂电池固定后的稳定性好。

标签:
加工技术
浙江 - 金华 来源:中冶有色网 2023-03-18
锂硫离子电池改性隔膜的制备方法

本发明涉及一种锂硫离子电池改性隔膜的制备方法,属于电池技术领域。为了解决锂硫电池的穿梭效应提高电池循环性能,提供一种锂硫离子电池改性隔膜的制备方法,该方法包括将隔膜的基膜的表面进行粗化处理后,再放入金属氯化物的盐酸溶液中浸泡处理,烘干,得到相应的预处理基膜;将分散剂和粘结剂溶于相应的溶剂中,再加入导电剂混合,使得到导电剂的固含量为0.5%~40%的导电浆料;在经过预处理的基膜单面或双面的表面上涂覆导电浆料形成导电涂层,烘干,得到相应的锂硫离子电池改性隔膜。本发明能够起到较好的保液和吸液能力,降低接触电阻,有效的减小其作为电池隔膜后的电池内阻和提高电池高倍率的稳定性能。

标签:
加工技术
浙江 - 金华 来源:中冶有色网 2023-03-18
锂电池组充放电保护板采样控制电路

本发明公开了一种锂电池组充放电保护板采样控制电路,包括上拉电阻、充电采样信号放大电路、放电采样信号放大电路及基准电压比较器,所述充电采样信号放大电路和放电采样信号放大电路均与所述基准电压比较器连接;所述上拉电阻连接于所述锂电池组正极和充电控制晶体管的控制极之间;所述放电采样信号放大电路连接于锂电池组的正极和放电控制晶体管的控制极之间。本发明可有效避免锂电池组的过充或过放,且采用发光二极管确定基准电压,提高了电路的稳定性和抗干扰性能;利用三极管上下偏置的相反温度效应和恰当的电阻阻值选择,有效克服了温漂,进而提高采样电路的采样控制速度,出现过充或过放时,有利于及时关停相应的充电或放电动作。

标签:
加工技术
浙江 - 金华 来源:中冶有色网 2023-03-18
用于锂电池组焊接的自动点焊机

本发明公开了一种用于锂电池组焊接的自动点焊机,包括底座,所述底座的顶面上固定安装第一料道板和第二料道板,所述底座的顶面上固定安装不完全齿轮空间,当将锂电池组放置在第一料道板和第二料道板之间之后,启动第一电机,第一电机带动第二锥齿轮转动,第二锥齿轮转动带动拨动板转动,拨动板将锂电池组送入到焊接的位置,可以自动的进行分组,将单个的锂电池自动组合在一起焊接,减少了人工进行分组的工序,可以适应生产线快速生产的要求,电池组在焊接的时候,为了能够保证焊接和编组的质量通过卡紧环将单个电池卡紧在一起,不会自动散开。

标签:
加工技术
浙江 - 金华 来源:中冶有色网 2023-03-18
锂电池线路板焊接机构
锂电池线路板焊接机构 1106     
 0

本实用新型涉及本实用新型涉及线路板技术领域,特别是涉及一种锂电池线路板焊接机构,包括锂电池线路板,所述锂电池线路板底部设有焊接底座,所述锂电池线路板顶部表面与底部表面均设有若干个焊接点,所述焊接点顶部设有镍片,所述焊接点顶部焊接镍片;针对以前电线焊接方式的线路板,以镍点贴片的方式进行生产,大大提升了线路板的产能与因人工造成的掉线或虚焊。不良率的降低达到了生产成本的缩减。锂电池线路板的焊接点位置固定后,用镍片点焊固定,再通过镍片与电池的点焊连接,取代了以往通过电线用人工“锡”焊与电池的连接方式,从而节省了“锡”的成本,与“人工”焊锡的成本,降低了生产的成本。

标签:
加工技术
浙江 - 金华 来源:中冶有色网 2023-03-18
高压实磷酸铁锂材料的制备方法

本发明公开了一种高压实磷酸铁锂材料的制备方法。该方法包括:1)将锂源、铁源、磷源混料,然后加入到篮式研磨机中研磨;2)研磨达到粒度要求后倒入至砂磨机中进行研磨;3)将步骤2)所得浆料进行喷雾干燥,获得磷酸铁锂球形大颗粒前驱体A;4)将锂源、铁源、磷源在有机溶剂中进行混料,然后加入到篮式研磨机中研磨;5)研磨达到粒度要求后倒入至砂磨机中进行研磨;6)将步骤5)所得浆料进行静态干燥,获得磷酸铁锂非球形前驱体B;7)将前驱体A和B进行混合;8)将步骤7)中得到的混合样进行烧结。本发明的方法在提升磷酸铁锂压实密度的情况下,不降低材料的电性能容量,制备出一种高压实的磷酸铁锂材料。

标签:
加工技术
浙江 - 金华 来源:中冶有色网 2023-03-18
应用于锂电池的防护器及其防护系统

本发明公开了一种应用于锂电池的防护器及其防护系统,属于锂电池防护领域,本方案通过增加多层断电措施来加强对锂电池组的保护,在绝缘密封壳从电学方面对锂电池组进行断电后再对锂电池组进行物理性断电,以此提高保护性能,通过绝缘密封壳触发微型气泵向绝缘气囊中鼓入绝缘气体,以实现了两个保护壳的脱离,从而让通电的两个导电块实现断电,彻底切断了锂电池组的通电电路,而在绝缘密封壳触发微型气泵从绝缘气囊中向外抽出绝缘气体时,变瘪的绝缘气囊使两个保护壳重新接触,实现了两个导电块的接触通电,此外在绝缘密封壳自身出现问题时,锂电池组内部的自检系统也会启动微型气泵进行断电,进一步保护了锂电池组。

标签:
加工技术
浙江 - 金华 来源:中冶有色网 2023-03-18
预防锂电池过充保护设备

本发明公开了一种预防锂电池过充保护设备,包括预防箱,所述预防箱中设有收纳腔,所述收纳腔内设有升降机构,所述升降机构包括可在所述收纳腔内上下移动的插座,所述预防箱内设有电机腔,所述电机腔内设有转动机构,所述转动机构包括固定在所述电机腔左端壁的电机,所述预防箱内设有电机腔,所述电机腔内设有转动机构,所述转动机构包括固定在所述电机腔左端壁的电机,本发明能在对锂电池充电后,当电流减小时,停止对锂电池充电,避免了锂电池长期充电,而存在的安全隐患,保障了人身安全,减小了财产损失,提高了锂电池的使用寿命。

标签:
加工技术
浙江 - 金华 来源:中冶有色网 2023-03-18
一款新纪元洲际导弹动力装置的可再生能源锂电池式发电机组电磁力推进核心技术

本发明关于一款新纪元洲际导弹动力装置的可再生能源锂电池式发电机组电磁力推进核心技术涉及开发可再生能源锂电池式发电机组电磁力应用在洲际导弹三节推进的发动机上领域。结构由锂电池组、电动机、发电机与能量转换装置的电源整流器、变压器、时间继电器及电流转换器组装成一种可再生能源的锂电池式发电机组的万能公式化机器。发明原理:应用法拉第电磁感应定律和把“地球最开始旋转起来的能量”就是从“原始太阳”的这些“旋转园盘”得到的最原始“动力来源”的绝对原理应用在本发明中的电动机最开始是怎样转动起来的——电动机最开始转动起来的能量就是从“原始太阳”的这些“旋转园盘”锂电池组中得到的。电磁力推进技术应用在洲际导弹三节推进的发动机上。

标签:
加工技术
浙江 - 金华 来源:中冶有色网 2023-03-18
上一页 32 33 34 35 36 ... 39 下一页
共39页    到第

中冶有色为您提供最新的浙江金华有色金属加工技术理论与应用信息,涵盖发明专利、权利要求、说明书、技术领域、背景技术、实用新型内容及具体实施方式等有色技术内容。打造最具专业性的有色金属技术理论与应用平台!

全国热门有色金属设备推荐
展开更多 +
全国热门有色金属技术推荐
展开更多 +

 

江西省隆恩特环保设备有限公司
宣传

报名参会
更多+

报告下载

有色专家
更多+

昆明理工大学
副校长
赣州江钨钨合金有限公司
工程师
中南大学
粉末冶金国家重点实验室 主任
中科院过程工程研究所循环经济技术中心
主任
清华大学
教授
赤泥综合利用研究报告2025
推广

热门技术
更多+

推荐企业
更多+

福建省金龙稀土股份有限公司
宣传

发布

在线客服

公众号

电话

顶部
咨询电话:
010-88793500-807