青岛垚鑫智能科技有限公司
宣传

位置:中冶有色 >

有色技术频道 >

> 加工技术

分类:
全部
矿山技术
冶金技术
材料制备及加工技术
环境保护技术
分析检测技术
 
全部
功能材料技术
复合材料技术
新能源材料技术
合金材料技术
加工技术
地区:
全部
北京
天津
上海
重庆
河北
山西
辽宁
吉林
黑龙江
江苏
浙江
安徽
福建
江西
山东
河南
湖北
湖南
广东
海南
四川
贵州
云南
陕西
甘肃
青海
内蒙
广西
西藏
宁夏
新疆
其他
其他
展开
 
全部
杭州
宁波
温州
绍兴
湖州
嘉兴
金华
衢州
台州
丽水
舟山

浙江金华有色金属加工技术理论与应用

免费发布技术信息>>
掺杂改性的磷酸铁锂的制备方法

本发明公开一种掺杂改性的磷酸铁锂的制备方法,其是在表面活性剂存在的条件下,按 比例将锂化合物、铁盐、磷酸盐、碳前驱体和掺杂物混合,球磨处理后采用高温固相法处理 混合物得到化学式为LiFexM1-xPO4的磷酸铁锂材料。本发明采用表面活性剂作为辅助添加剂 在水溶液中可以均匀分散前驱体,并在固相反应中进行碳化,不影响材料的纯度,并在晶体 周围均匀包覆碳,提高了材料导电性,并有效抑制晶体的长大,最后得到纳米级的均匀分散 的磷酸铁锂材料。

标签:
加工技术
浙江 - 金华 来源:中冶有色网 2023-03-18
新能源汽车无须地上充电用锂电池作启动的可再生能源交流发电机组纯电动车

本发明关于新能源汽车世界版无须地上充电锂电池作启动的可再生能源交流发电机组纯电动车,涉及新能源汽车的动力来源用交流发电机本能可再生能源电力推进的纯电动车领域。结构由锂电池组、电动机、发电机与能量转换装置的电源整流器、变压器、时间继电器及电流转换器组装成一台可再生能源动力来源的“机器”。发明原理:把“地球最开始旋转起来的能量”就是从“原始太阳”的“旋转园盘”中得到的最原始“动力来源”的绝对原理应用在本发明中的交流发电机组中电动机最开始是怎样转动起来的——电动机最开始转动起来的能量就是从“原始太阳”的“旋转园盘”锂电池组中得到的(第一原动力)——全球通用新能源汽车内的锂电池。

标签:
加工技术
浙江 - 金华 来源:中冶有色网 2023-03-18
防水型锂电池包
防水型锂电池包 901     
 0

本实用新型公开了防水型锂电池包,包括第一壳体及第二壳体,所述第一壳体及第二壳体之间设有用于防水的密封件,所述密封件内设有可受力变形的支撑件,所述密封件上设有与第一壳体相配合的第一密封部,所述密封件向第二壳体内延伸设置有与第二壳体内壁相配合的第二密封部,本实用新型提供了一种可靠的防水型锂电池包,通过多出密封部的设置,使锂电池包防水效果更好,同时采用弹性骨架,便于拆卸和更换,大大提升了锂电池包的使用寿命和防水效果,同时也提升了密封件的更换效率。

标签:
加工技术
浙江 - 金华 来源:中冶有色网 2023-03-18
电池涂炭工艺及一种锂离子电池的制备方法

本发明涉及电池生产工艺技术领域,提供了一种电池涂炭工艺及一种锂离子电池的制备方法,电池涂炭工艺包括步骤:S1、制作涂炭浆料,所述涂炭浆料包括质量百分比为10%‑20%的导电碳黑、70%‑80%的去离子水、5%‑10%的丁苯橡胶和2%‑4%的分散剂;S2、将所述涂炭浆料喷涂到锂离子电池的小尺寸圆柱钢壳或圆柱铝壳的内表面。锂离子电池的制备方法是通过在小的圆柱钢壳或小的圆柱铝壳电池内表面进行涂炭处理,改善了钢壳或铝壳的集流体与活性物质的电子导电性,进而降低锂离子电池的内阻,提升锂离子电池的容量,从而增加了锂离子电池内部的空间利用率。

标签:
加工技术
浙江 - 金华 来源:中冶有色网 2023-03-18
锂离子电池及其制作方法和用途

本发明提供了一种锂离子电池及其制作方法和用途,所述锂离子电池包括正极片、负极片、第一隔膜和电解液,所述负极片包括负极活性物质层和第二隔膜,所述负极活性物质层设置于所述第二隔膜表面,且所述负极片不包括负极集流体,但含有负极极耳。所述锂离子电池的电池容量和能量密度得到提高,由于不含有负极集流体,降低了锂离子电池成本,简化了锂离子电池的制作工艺,所述锂离子电池适用于中小电流放电领域。

标签:
加工技术
浙江 - 金华 来源:中冶有色网 2023-03-18
锂电钻用安全辅助装置
锂电钻用安全辅助装置 1016     
 0

本实用新型公开了一种锂电钻用安全辅助装置,包括锂电钻本体,所述锂电钻本体的内侧壁滑动连接有调节按钮,所述调节按钮的侧壁固定连接有支撑板,所述支撑板的侧壁固定连接有推杆,所述推杆的侧壁贯穿连接有安装盒,所述锂电钻本体的内侧壁与安装盒的侧壁为固定连接,所述安装盒的内侧壁固定连接有保护腔,所述安装盒的内侧壁固定连接有两个对称分布的支撑杆。本实用新型涉及锂电钻安全设备技术领域,通过推杆和滑板等,使等腰梯形块挤压第二弹簧,利用第一弹簧、第二弹簧,第三弹簧和第四弹簧的压缩而蓄积的力,使滑板上的接触电极快速接触到顺时针转动电极或者逆时针转动电极,达到了安全调节钻头转向的效果。

标签:
加工技术
浙江 - 金华 来源:中冶有色网 2023-03-18
锂电池防火防爆隔离仓

本发明属于锂电池技术领域,特指一种锂电池防火防爆隔离仓,包括外壳以及设置在外壳上端盖,所述外壳外壁开设有若干第一出气孔,所述外壳内设有若干储电装置,所述储电装置包括防爆壳,所述防爆壳内设有至少一组电池组,所述电池组下端设有充电接口,所述充电接口设置在外壳底面,所述电池组上端设有控制器,控制器上设有灭火装置,所述灭火装置上端设有防爆盖,所述防爆盖与防爆壳相卡接,所述防爆盖上设有防爆装置,所述防爆装置包括设置在防爆盖上的安装座,所述安装座一侧抵接有至少一组防爆组件。本发明的目的是提供一种结构稳定、防爆性能好、安全性能高的锂电池防火防爆隔离仓。

标签:
加工技术
浙江 - 金华 来源:中冶有色网 2023-03-18
下垫片及锂电池
下垫片及锂电池 953     
 0

本实用新型公开了一种下垫片及锂电池,属于锂电池技术领域,下垫片包括底板和环绕底板周向设置且垂直于所述底板的侧板,所述底板和所述侧板形成容纳极组的容纳空间,且所述侧板内壁涂覆有一层能够吸附电解液的吸附层。本实用新型提出的下垫片,通过设置底板和侧板,不仅能够将极组和钢壳底部有效地的隔离绝缘,而且由于设置有侧板,能够避免锂电池在振动测试时,极组相对底板发生滑动与钢壳接触而导致短路,提高锂电池的安全性能。通过在侧板内壁设置吸附层,能够在填充电解液时,吸附层内存储一定量的电解液,随着锂电池的电解液在充放电过程中逐渐消耗,吸附层内的电解液能够对电解液进行补充,延长锂电池的使用寿命,提高锂电池的电性能。

标签:
加工技术
浙江 - 金华 来源:中冶有色网 2023-03-18
用于21V五串锂电池包的温度保护型保护板

本实用新型公开了一种用于21V五串锂电池包的温度保护型保护板,包括:控制芯片,电源正极输入管脚VCC管脚与电源负极输入管脚GND管脚配合使用为所述控制芯片提供电源。通过上述方式,本实用新型用于21V五串锂电池包的温度保护型保护板通过采用新型保护板用于21V五节锂电池包的保护,可实现多级电流保护、温度保护、反向保护、稳压保护等多重保护功能,在用于21V五串锂电池包的温度保护型保护板的普及上有着广泛的市场前景。

标签:
加工技术
浙江 - 金华 来源:中冶有色网 2023-03-18
锂电喷雾器
锂电喷雾器 990     
 0

本实用新型要达到的目的就是提供一种锂电喷雾器,能兼容各种不同形状,不同容量但是电压相同的锂电池。同时简化水箱和密封盖之间的连接结构,使其兼顾密封效果和安装便利性。为了达到上述目的,本实用新型采用如下技术方案:一种锂电喷雾器,包括相互连接的机身和水箱,所述机身尾部设有电池固定槽,所述电池固定槽内设有匹配内胆架.采用上述技术方案后,本实用新型具有如下优点:通过可更换的匹配内胆架来确保电池固定槽能匹配各种不同型号尺寸的锂电池。同时也确保了安装后的设备的封闭性和安全便利性。

标签:
加工技术
浙江 - 金华 来源:中冶有色网 2023-03-18
用于21V五节电池串联结构锂电池包的保护板

本实用新型公开了一种用于21V五节电池串联结构锂电池包的保护板,包括:控制芯片,所述控制芯片的电源正极输入管脚VCC管脚依次通过功耗电阻R6、上电防反接二极管D1电性连接所述第五锂电池的正极端,所述控制芯片的电源正极输入管脚VCC管脚通过稳压电容C6电性连接所述第一锂电池的负极端。通过上述方式,本实用新型用于21V五节电池串联结构锂电池包的保护板通过采用新型保护板用于21V五节锂电池包的保护,可实现多级电流保护、温度保护、反向保护、稳压保护等多重保护功能,在用于21V五节电池串联结构锂电池包的保护板的普及上有着广泛的市场前景。

标签:
加工技术
浙江 - 金华 来源:中冶有色网 2023-03-18
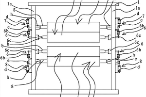
锂电池回收处理装置
锂电池回收处理装置 1070     
 0

本发明公开了一种锂电池回收处理装置,包括机体,所述机体上部设置有挤压室,所述挤压室下方设置有第一传动腔,所述挤压室内设置有挤压组件,所述挤压组件包括与所述第一传动腔底端固定安装的第一电机,所述第一电机末端动力连接有上下延伸的第一转轴,所述第一转轴上端穿入所述挤压室且固定连接有第一锥齿轮,所述第一锥齿轮上端啮合有第二锥齿轮,该装置工作时,能过通过挤压组件对锂电池进行挤压并且降温清洗组件对锂电池进行降温以防止爆炸与冲洗,并通过开关组件使锂电池进入分离组件中进行分离,能够通过吹风组件对分离后的材料进行吹干并且使电解液进入电解液处理组件进行处理,防止危害环境。

标签:
加工技术
浙江 - 金华 来源:中冶有色网 2023-03-18
锂电池管理组的温度控制系统

本实用新型公开了锂电池管理组的温度控制系统,能够有效解决现有IC管理系统受温度影响而产生检测精度下降的问题。锂电池管理组的温度控制系统,包括微型风扇、温度传感器、触发器、驱动元件,所述温度传感器与触发器连接,所述触发器与驱动元件连接,所述驱动元件与微型风扇连接。本实用新型的优点是:能够较精准的检测IC系统的温度,当温度过高时可为其降温或者停止充电,使锂电池包的使用安全性得到很大的提高。

标签:
加工技术
浙江 - 金华 来源:中冶有色网 2023-03-18
锂电钻用机械式齿轮箱
锂电钻用机械式齿轮箱 1155     
 0

本实用新型公开了一种锂电钻用机械式齿轮箱,包括设置在锂电钻内部的齿轮箱本体,所述齿轮箱本体内侧顶端中部固定连接有轮轴,所述轮轴外部套接有轮套,所述轮套两端均套接有行星轮,一个所述行星轮外侧啮合连接有主动齿轮,另一个所述行星轮外侧啮合连接有从动齿轮,所述从动齿轮内部套接有钻轴,所述齿轮箱本体内侧底端中部固定连接有导杆,所述导杆外部滑动连接有连接块。本实用新型涉及锂电钻技术领域,通过轮轴、轮套、行星轮、主动齿轮和从动齿轮,能够带动钻轴与驱动电机的转动方向相同,实现相同方向的旋转,通过第一齿圈、第二齿圈和滑动槽,带动钻轴与驱动电机的转动方向相反,无需改变驱动电机的转动方向,实现钻轴的正反转。

标签:
加工技术
浙江 - 金华 来源:中冶有色网 2023-03-18
锂长石造纸涂料搅拌捣浆设备

本发明公开了一种锂长石造纸涂料搅拌捣浆设备,包括底板,底板的上表面一侧设有第一电机开关、第二电机开关和电动伸缩杆开关,底板的上表面左侧设有支撑柱,支撑柱的上端设有搅拌桶,搅拌桶的上表面中部设有投料口,搅拌桶的底部凹槽内卡装有轴承,底板的上表面左侧设有第一电机,第一电机的输入端与第一控制开关的输出端电连接,第一电机的输出轴通过联轴器与第一转轴连接,第一转轴的一端设有搅拌机构。本锂长石造纸涂料搅拌捣浆设备,操作简单,使用便利,方便移动装置,能够快速均匀地搅拌锂长石造纸涂料,能够过滤掉锂长石造纸涂料中的残渣,防止影响纸张质量,捣浆更加充分,提高了工作效率。

标签:
加工技术
浙江 - 金华 来源:中冶有色网 2023-03-18
六氟磷酸锂的提纯工艺

本发明公开了一种六氟磷酸锂的提纯工艺,包括如下步骤:1)溶解;2)硅过滤;3)结晶;4)重复操作;5)干燥。本发明设计合理,工艺步骤简单易操作,原料来源广泛,生产成本低,无危害,能够有效去除六氟磷酸锂中的无机和有机杂质,使得得到的六氟磷酸锂产品质量高,具有良好的社会价值和经济价值,易于推广和使用,针对六氟磷酸锂粗品溶于有机溶剂溶剂后的混合液采用过滤桶进行过滤处理,过滤效率好,通过过滤筛网和环形过滤网的双重过滤作用,将不溶性的杂质去除,有效确保过滤后的滤液质量,从而提高最终的产品质量。

标签:
加工技术
浙江 - 金华 来源:中冶有色网 2023-03-18
高容量高压实密度磷酸铁锂材料的制备方法及其产品

本发明属于锂离子电池正极材料领域,公开了提供一种高容量高压实密度磷酸铁锂材料的制备方法,包括(1)将锂源、Fe3+源、磷酸盐、掺杂剂和有机碳源进行混合,然后喷雾造粒,(2)制备预烧产品,(3)将预烧产品和无机碳源混合砂磨,再经喷雾干燥,得到二次喷雾粉料,(4)将二次喷雾粉料在真空条件或在保护性气氛中加热处理,恒温下烧结;(5)将上述烧结后的半成品通过二次球磨或气流磨后,得到磷酸铁锂产品。本发明解决了采用二价铁源导致产品成本增加、涂布困难和极片压实密度不高的缺陷,具有生产成本低,所制备的极片加工性能、导电性能和电化学性能良好的特点。

标签:
加工技术
浙江 - 金华 来源:中冶有色网 2023-03-18
锂电池pack焊接定位装置

本实用新型涉及一种焊接定位装置。一种锂电池pack焊接定位装置,包括支架,在支架上设有电池支撑滑动槽,在支架的两侧设有滑动槽,滑动板的两端分别安装在两个滑动槽内,在滑动板上设有支撑限位面,在支架的一端开设有定位面,所述的保护板的一端抵接在支撑限位面上,保护板的另一端抵接在定位面上。本实用新型提供了一种结构简单,可靠性高,通用性好,安装效率高,成本低的一种锂电池pack焊接定位装置;解决了现有技术中存在的锂电池pack焊接结构时,治具的通用性不好,安装效率低,成本高的技术问题。

标签:
加工技术
浙江 - 金华 来源:中冶有色网 2023-03-18
锂电池组装置
锂电池组装置 711     
 0

本实用新型公开了一种锂电池组装置,锂电池组装置,包括电池组、电池插接组件以及电池组的综合保护电路,且该电池组通过充电器进行充电,并为电器提供电能,所述电池组的综合保护电路包括充电保护电路和放电保护电路,且充电保护电路集成在充电器上,放电保护电路集成在电器上。优化后,电池插接组件包括线路板、线路板支架,线路板上设有均呈“X”形的B极插脚和正负极插脚,同时,充电器和电器上的接线端子均为直形插脚。采用上述装置后,本实用新型所具有的优点是:锂电池组装置的成本较低;电池插接组件性能可靠。

标签:
加工技术
浙江 - 金华 来源:中冶有色网 2023-03-18
磷酸铁锂/碳复合材料中铁含量的检测方法

本发明公开了一种磷酸铁锂/碳复合材料中铁含量的检测方法,属于铁含量测定方法技术领域。本发明采用原子吸收分光光度计检测磷酸铁锂/碳复合材料中铁含量的检测方法,包括如下步骤:磷酸铁锂待测液制备、待测溶液中铁的测定等过程。本发明不适用重铬酸钾等有毒试剂,利用保护环境。在测试过程中通过添加氯化镧作为掩蔽剂有效地排除磷酸根对铁离子测试的干扰,此方法测量磷酸铁锂中铁的含量稳定性好,精密度高。

标签:
加工技术
浙江 - 金华 来源:中冶有色网 2023-03-18
锂离子电池自放电的测试方法

本发明涉及锂离子电池测试领域,公开了一种用于测试锂离子电池自放电大小的方法。该方法可以在短时间内测试挑选锂离子电池,即利用电池自放电电池本身存在微短路电流产生磁场感应原理,利用特斯拉计或高斯计测试其磁场感应强度大小差异即可判断电池自放电大小。

标签:
加工技术
浙江 - 金华 来源:中冶有色网 2023-03-18
在高温下可高效吸收CO2的锂基锆酸盐材料的制备方法

本发明涉及一种在高温下可高效吸收CO2的锂基锆酸盐材料的制备方法。本发明一种在高温下可高效吸收CO2的锂基锆酸盐材料的制备方法,其制备方法包括以下步骤:(1)将锆盐和锂盐溶于水中,配制成锂锆盐混合溶液;(2)在锂锆盐混合溶液中加入淀粉,搅拌均匀;(3)在加有淀粉的锂锆盐混合溶液中加入pH调节剂和掺杂元素的物质,合成体系经搅拌、加热、干燥、高温煅烧后制得锆酸锂材料。本发明具有生产成本低,操作过程简单,重复性好的特点。

标签:
加工技术
浙江 - 金华 来源:中冶有色网 2023-03-18
锂离子电池用聚酰亚胺粘结剂及其制备方法、硅碳负极片

发明公开了一种锂离子电池用聚酰亚胺粘结剂,由二酐单体、二胺单体和树枝状聚酰胺‑胺共聚制得,其中,树枝状聚酰胺‑胺是以对苯二胺为核,与丙烯酸甲酯、乙二胺依次交替反应制得。本发明还公开了上述锂离子电池用聚酰亚胺粘结剂的制备方法,包括如下步骤:在惰性气体氛围中,向溶有机碱、二胺单体和树枝状聚酰胺‑胺的有机溶剂中加入二酐单体,进行反应得到聚酰胺酸溶液,然后进行亚胺化,提纯,再经酸中和处理得到锂离子电池用聚酰亚胺粘结剂。本发明公开了一种硅碳负极片。本发明具有良好的粘结性能,能改善硅碳负极片在充放电过程中体积变化较大的问题,提高锂离子电池的性能。

标签:
加工技术
浙江 - 金华 来源:中冶有色网 2023-03-18
锂离子电池检漏装置
锂离子电池检漏装置 749     
 0

本实用新型属于锂离子电池生产制造技术领域,具体公开了一种锂离子电池检漏装置,包括接料台、保压仓、吸盘和检测机构,保压仓和接料台相互配合形成保压腔,保压腔用于放置电芯;吸盘安装在接料台和/或保压仓上,吸盘贴合于电芯表面,吸盘内腔的压强大于或小于保压腔的压强;检测机构用于检测电芯表面是否鼓起。本实用新型提供的一种锂离子电池检漏装置,其通过利用高气压向低气压流动原理,当电芯漏液时,电芯表面会有鼓起现象,并通过检测机构判定是否鼓起来判定电芯是否漏液,其无需人工判定,避免了人工检测失误率高的风险,增强了电芯漏液检测的准确性,易于实现自动化。

标签:
加工技术
浙江 - 金华 来源:中冶有色网 2023-03-18
磷酸铁锂-改性导电碳黑复合电极材料的制备方法

本发明涉及储能和动力电池材料技术领域,具体涉及一种磷酸铁锂-改性导电碳黑复合电极材料的制备方法,包括(1)将普通导电炭黑退火处理后,再在强氧化剂中氧化处理制得改性导电炭黑,和(2)制备磷酸铁锂-改性导电碳黑复合电极材料。本发明通过添加改性SP,易于分散,使合成的磷酸铁锂-改性导电碳黑复合电极材料比表面小,利于电池制备。

标签:
加工技术
浙江 - 金华 来源:中冶有色网 2023-03-18
带应急电源功能的锂电高压清洗机

本实用新型公开了一种带应急电源功能的锂电高压清洗机,包括枪体、增压装置以及电源组件,所述增压装置包括无刷电机与柱塞泵,所述柱塞泵包括泵体、设置在泵体内的柱塞以及驱动柱塞往复运动的偏心轮,所述泵体上设有进水口与出水口,偏心轮包括中心轴与偏心轴,中心轴由无刷电机驱动旋转,偏心轴驱动柱塞;电源组件包括锂电池,所述锂电池上设有汽车应急电源控制器与输出端。本实用新型的带应急电源功能的锂电高压清洗机,增加了偏心轮的偏心距离,在不大幅提高整体体积的同时,能够大大提高工作功率,还包括便携式大容量移动组合水箱,同时,当清洗机在停止使用时,可以方便的关闭外接水源,另外,其中的电源组件可以作为外接应急电源使用。

标签:
加工技术
浙江 - 金华 来源:中冶有色网 2023-03-18
锂离子电池有机阻燃电解液的制备方法

本发明涉及新能源领域,具体关于一种锂离子电池有机阻燃电解液的制备方法;包括含氟聚醚阻燃溶剂、碳酸乙烯酯、稀释剂和锂盐混合得到;本方法提供了一种锂离子电池有机阻燃电解液,该种电解液的主要成分为一种含氟聚醚阻燃溶剂,该种溶剂由全氟聚醚端羟基化后与4‑氯甲酰基丁酸甲酯反应生成的碳酸甲酯封端的全氟聚醚构成,该结构中含氟官能团引起的电子的离域,降低了电解质中氧原子的亲核性,导致其与锂离子的结合强度降低,促进了阳离子在介质中的迁移;本发明添加一种电解液电导助剂,能进一步提升电解液的导电性能;本发明的电解液具有阻燃、粘度小,导电率高,电化学极化低的优点。

标签:
加工技术
浙江 - 金华 来源:中冶有色网 2023-03-18
锂电池故障的诊断方法

本发明公开了一种锂电池故障的诊断方法,该方法具体包括下述步骤:步骤一:通过采集模块采集锂电池使用时的电池信息,并将电池信息传输至接收单元;步骤二:接收单元接收电池信息,并对其进行标记处理,得到电池型号数据、电池品牌数据、工作时长数据、电池温度数据、电流数据和电压数据,并将其一同传输至分析模块;步骤三:分析模块对电池型号数据、电池品牌数据、工作时长数据、电池温度数据、电流数据和电压数据进行分析操作,本发明通过判定单元的设置,对分析模块的分析结果进行计算分析,并依据计算分析的结果判定锂电池是否故障,并分析出故障的影响因素,节省对锂电池故障判断所消耗的时间,提高工作效率。

标签:
加工技术
浙江 - 金华 来源:中冶有色网 2023-03-18
锂离子电池的集流体基材清洁装置

本实用新型提供了一种锂离子电池的集流体基材清洁装置,属于锂离子电池技术领域。它解决了现有技术中对锂离子电池的集流体基材清洁效果慢且效果不佳的问题。一种锂离子电池的集流体基材清洁装置,包括机架,所述机架上设置有能周向转动的清洁辊,所述清洁辊的表面包裹有具有粘性的胶层,所述清洁辊的两端分别连接有能驱动清洁辊上下移动的驱动机构,所述驱动机构固定在机架上。本实用新型能够快速有效对锂离子电池的集流体基材进行清洁。

标签:
加工技术
浙江 - 金华 来源:中冶有色网 2023-03-18
新型组合式锂离子电池组的组合方法

本发明公开了一种新型组合式锂离子电池组的组合方法,该新型组合式锂离子电池组包括壳体、对称设置在所述壳体左右两端的左容槽和右容槽、设置在所述左容槽和右容槽之间的通电槽、连通在所述通电槽下方的下滑槽、设置在所述壳体中且位于所述左容槽和右容槽上方的上滑槽、设置在所述上滑槽与所述通电槽之间的联动装置;本发明通过一个电机工作,即可实现左锂离子电池和右锂离子电池的锁定和解锁作业,以及左供电孔和右供电孔的通电和断电作业,从而使得用电设备通电安全稳定,且通过两个锂离子电池为用电设备供电,大大提高了供电量,使得用电设备使用时间更长,整个装置操作简单方便,运行安全稳定,降低了触电事故的发生。

标签:
加工技术
浙江 - 金华 来源:中冶有色网 2023-03-18
上一页 29 30 31 32 33 ... 39 下一页
共39页    到第

中冶有色为您提供最新的浙江金华有色金属加工技术理论与应用信息,涵盖发明专利、权利要求、说明书、技术领域、背景技术、实用新型内容及具体实施方式等有色技术内容。打造最具专业性的有色金属技术理论与应用平台!

全国热门有色金属设备推荐
展开更多 +
全国热门有色金属技术推荐
展开更多 +

 

江西省隆恩特环保设备有限公司
宣传

报名参会
更多+

报告下载

有色专家
更多+

江西理工大学
副校长
南方科技大学
外籍院士
广东省科学院资源利用与稀土开发研究所
教授
武汉工程大学
教授
武汉科技大学
校学术委员会主任 / 教授
赤泥综合利用研究报告2025
推广

热门技术
更多+

推荐企业
更多+

福建省金龙稀土股份有限公司
宣传

发布

在线客服

公众号

电话

顶部
咨询电话:
010-88793500-807