青岛垚鑫智能科技有限公司
宣传

位置:中冶有色 >

有色技术频道 >

> 复合材料技术

分类:
全部
矿山技术
冶金技术
材料制备及加工技术
环境保护技术
分析检测技术
 
全部
功能材料技术
复合材料技术
新能源材料技术
合金材料技术
加工技术
地区:
全部
北京
天津
上海
重庆
河北
山西
辽宁
吉林
黑龙江
江苏
浙江
安徽
福建
江西
山东
河南
湖北
湖南
广东
海南
四川
贵州
云南
陕西
甘肃
青海
内蒙
广西
西藏
宁夏
新疆
其他
其他
展开
 
全部
合肥
芜湖
蚌埠
淮南
马鞍山
淮北
铜陵
安庆
黄山
阜阳
宿州
滁州
六安
宣城
池州
亳州

安徽有色金属复合材料技术理论与应用

免费发布技术信息>>
尼龙/膨润土纳米复合材料

本发明提供一种尼龙/膨润土纳米复合材料,即将膨润土阳离子交换反应后,通过尼龙单体插层,形成插层膨润土,在催化剂作用下,进行阴离子聚合反应,使层状硅酸盐与尼龙基体紧密结合,并以纳米尺度均匀分散于尼龙基体内,制备高性能的尼龙/膨润土纳米复合材料及其铸型制品。本发明的生产工艺简单、效率高、成本低且复合材料性能大幅度提高,超过同类材料50%左右,应用范围宽,市场广阔。

标签:
复合材料
安徽 - 芜湖 来源:中冶有色网 2023-03-18
Ni/Fe纳米复合材料、其制备方法及应用

本发明公开了一种Ni/Fe纳米复合材料、其制备方法及应用,其特征是在直径为50-100nm的针状金属铁表面负载粒径小于20nm的金属镍颗粒。本发明复合材料具有纳米结构、活化能低、高催化活性。该复合材料可以应用于生物质气化炉热解气焦油催化裂解净化及其他各类有机物的催化裂解。

标签:
复合材料
安徽 - 合肥 来源:中冶有色网 2023-03-18
细菌纤维素复合材料纱线的制备方法

本发明提供了一种细菌纤维素复合纱线的制备方法,包括:在轴向拉力的作用下,将长条状的细菌纤维素复合材料水凝胶旋转揉捻至线状,保持轴向拉力干燥,得到细菌纤维素复合材料纱线。本申请以细菌纤维素复合材料水凝胶作为原料,通过轴向拉伸且旋转揉捻的方式,制备了细菌纤维素复合材料纱线,该细菌纤维素复合材料纱线具有功能性,且制备方法简单。

标签:
复合材料
安徽 - 合肥 来源:中冶有色网 2023-03-18
抑菌外科手术面罩用的PC复合材料及其制备方法

本发明涉及医疗领域,具体涉及一种抑菌外科手术面罩用的PC复合材料及其制备方法,其成分包括:聚乙烯、无碱纤维、石墨纤维、润滑剂、抗老剂、抗菌金属离子盐溶液、促溶剂;本发明所制备的PC复合材料的外科手术面罩具有耐温耐寒性好、耐腐蚀性强、抗老化性、延伸率高和粘结效果好等优点,尤其抗老化性能提升数十倍;另外本发明加入抗菌金属离子盐溶液,使得所制备的PC复合材料的外科手术面罩的抗菌能力显著提高;在高温搅拌釜中进行充分搅拌和预熔融,所制备的PC复合材料的外科手术面罩混合均匀、整体结构密实和利于双螺杆挤出机二次熔融;另外在冷空气条件下进行冷却,使所制备的PC复合材料的外科手术面罩成型速度快,强度高,冷却时间短。

标签:
复合材料
安徽 - 宿州 来源:中冶有色网 2023-03-18
高强度高耐热硅藻土改性丙烯酸酯微球复合材料及其制备方法

本发明公开一种高强度高耐热硅藻土改性丙烯酸酯微球复合材料及其制备方法,复合材料由以下组分按重量份制备而成:丙烯酸酯类微球100份;硅藻土5~45份;偶联剂0.3~1.5份;光稳剂0.05~0.45份;抗氧剂0.05~0.5份;润滑剂0.1~0.5份;热稳定剂0.1~0.5份。本发明制备的复合材料具有高强度、高耐热以及优异的尺寸稳定性等特点,同时可大幅提高复合材料的成型速度,节省时间成本。此外本发明所涉及的制备工艺简单且无污染,所制备的复合材料可以直接应应用于激光烧结快速成型领域,加快快速成型原料领域的拓展。

标签:
复合材料
安徽 - 合肥 来源:中冶有色网 2023-03-18
PS复合材料及其制备方法

本发明涉及一种PS复合材料及其制备方法,复合材料按重量份由以下组分组成:PS为80份‑100份;PPTA纤维为20份‑30份;抗静电母粒为10份‑16份;抗氧剂为0.1份‑0.5份;润滑剂为0.1份‑0.3份;聚对苯二甲酰对苯二胺纤维(PPTA纤维)是经过碳酸酯偶联剂处理后的PPTA纤维。本申请中的PPTA纤维有三个作用:它可以搭建成“网络”,抗静电母粒与“网络”很容易形成导电网络,进一步加强PS复合材料的抗静电性能;它可以提升PS复合材料的拉伸强度、弯曲强度、抗冲击强度;PPTA纤维本身具有一定的阻燃性,它的加入提升了PS复合材料的阻燃性能。

标签:
复合材料
安徽 - 合肥 来源:中冶有色网 2023-03-18
用于打磨锅体内壁的纤维复合材料的制备方法

本发明提供一种用于打磨锅体内壁的纤维复合材料的制备方法,涉及复合新材料领域,步骤为:将木质素磺酸钠加入热水中,配置混合液A,升温至80℃,再加入棕榈酸,搅拌混合均匀,得混合液B;将石英砂与180目碳酸钙、230目碳酸钙混合得混合物料A,均匀加热至75℃,将混合液B雾化喷洒于混合物料A;混合物料A与混合液B混合均匀后,再加入玻璃纤维,在气流的作用下,达到混料、干燥的目的;出料,得纤维复合材料。本发明制备的纤维复合材料,用于打磨锅体的内壁,纤维复合材料的颗粒表面硬度相比较金刚石略小,但纤维复合材料的颗粒是由多种材料的颗粒团聚而成,具有不规则的棱角,打磨效果好。

标签:
复合材料
安徽 - 蚌埠 来源:中冶有色网 2023-03-18
阻燃高性能PET复合材料及其制备方法

本发明公开了一种PET复合材料,该PET复合材料由以下组分按重量份制备而成:PET 80份‑100份,八溴双酚S醚18份‑20份,次磷酸铝包覆的硅灰石8份‑12份,PET‑g‑LDI 0.2份‑0.4份,抗氧剂0.1份‑0.5份。该复合材料中的次磷酸铝包覆的硅灰石不仅充当八溴双酚S醚的协效阻燃剂,提升PET复合材料的阻燃性能;还可以作为PET复合材料的异相成核剂,提高PET的结晶速率,完善PET的结晶性能,提高PET的力学性能。复合材料中的PET‑g‑LDI可以改善PET树脂和阻燃填料之间的相容性,用它改善PET得到的复合材料的力学性能更优。

标签:
复合材料
安徽 - 滁州 来源:中冶有色网 2023-03-18
抗冲击性强的PVC木塑复合材料及其制备方法

本发明提供抗冲击性强的PVC木塑复合材料及其制备方法,涉及复合材料领域,PVC木塑复合材料按重量份包括以下组分:PVC树脂80~120份、木粉15~35份、碳酸钙15~35份、氢氧化镁8~20份、加工助剂6~10份、稳定剂5~10份、改性剂2~4份、润滑剂2~4份、偶氮二甲酰胺1~3份以及偶联剂1~2份;改性剂按重量份包括:高密度聚乙烯55~75份、邻苯二甲酸二甲氧基乙酯2~4份、顺丁烯二酸酐2~4份、过氧化二苯甲酰0.5~1.5份以及三氯苯15~25份;制备方法包括木粉预处理与复合材料制备。本申请通过使用上述复合材料配方以及制备方法,解决了PVC木塑复合材料抗冲击性能不佳的问题。

标签:
复合材料
安徽 - 池州 来源:中冶有色网 2023-03-18
高灼热丝、耐水煮阻燃聚丙烯复合材料及制备方法

本发明提供一种高灼热丝、耐水煮阻燃聚丙烯复合材料及制备方法,高灼热丝、耐水煮阻燃聚丙烯复合材料由PP树脂72‑76份、氮磷系膨胀型阻燃剂24‑28份、抗滴落剂0.1‑0.2份、抗氧剂0.2‑0.3份、润滑剂0.4‑0.6份、高效协效剂0.1‑0.2份组成。本发明方法制得的阻燃聚丙烯复合材料,在保证材料能够通过UL94 1.6mm‑V0测试达到高效阻燃的同时,具备有高灼热丝(875℃,GWIT)、耐水煮(100℃)、耐析出、低烟以及抗热氧老化变色(150℃)性能。

标签:
复合材料
安徽 - 合肥 来源:中冶有色网 2023-03-18
碳纳米管增强氧化铝陶瓷复合材料及其制备方法

一种碳纳米管增强氧化铝陶瓷复合材料,包括以下质量百分比的各组分:Al2O391-98%、CNTs0.5-8%、MgO0.5-1.5%、Y2O30.05-0.15%。其制备方法是首先将配比量的Al2O3、MgO和Y2O3湿球磨24-72小时,然后加入配比量的经预处理的CNTs继续湿球磨8-12小时得到混合浆料,经干燥、研磨得到混合粉料(I),将混合粉料(I)加入含有石蜡的溶剂汽油中超声分散1-2小时,干燥、研磨过60-200目筛得到混合粉料(II),混合粉料(II)经压片、脱蜡后得到试样片,将试样片置于石墨炉中,在Ar气气氛下于1500-1800℃埋粉常压烧结0.5-4小时得到本复合材料。本复合材料的致密度可达到95%以上,三点抗弯强度提高40%以上,断裂韧性提高15%左右。

标签:
复合材料
安徽 - 合肥 来源:中冶有色网 2023-03-18
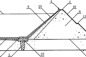
复合材料面板土石坝
复合材料面板土石坝 1010     
 0

本实用新型公开了一种复合材料面板土石坝,包括了夹膜铺盖、板座、复合材料面板、防浪墙、过渡层、土石坝体等,所述的复合材料面板土石坝的横断面为梯形形状,坝顶有防浪墙,上游河床上有平铺的夹膜铺盖,上游坡脚处有一条从河床至两侧坝肩的板座,板座下设有帷幕,整个上游坝坡面上有复合材料面板,复合材料面板的底面与板座连接,复合材料面板的顶面与防浪墙连接,复合材料面板与土石坝体之间有上薄下厚且斜置的过渡层,下游坝坡面上有块石护坡且设置马道,下游坡脚处有贴坡排水体。由所述的夹膜铺盖、树脂膜止水、板座、帷幕、复合材料面板、两岸坝肩、防浪墙构成封闭的防渗体。该坝适建于岩石、砂砾、土等不同的坝基,具有蓄水高、防渗效果好、构造简单、施工简便等的特点,是水库枢纽中新的挡水建筑物。

标签:
复合材料
安徽 - 合肥 来源:中冶有色网 2023-03-18
连续碳纤维增强的C-SiC双元基复合材料及其制备方法

本发明涉及连续碳纤维增强的C-SiC双元基复合材料及其制备方法。其中,该方法包括:(1)粉碎BN粉或SiC粉;(2)将所得到的细粉与无水酒精进行混合、分散、加入硼酚醛树脂并加热,获得浆料;(3)将二维碳纤维布浸入得到的浆料中进行浸渍,以便得到经过包覆的二维碳纤维布;(4)利用饱和硼树脂胶液,将经过包覆的二维碳纤维布进行连续叠层,得到碳纤维增强的树脂基复合材料素坯体;(5)将碳纤维增强的树脂基复合材料素坯体进行裂解,得到多孔碳纤维增强的炭基复合材料预制体;(6)将多孔碳纤维增强的炭基复合材料预制体埋在硅粉中,以便得到连续碳纤维增强的C-SiC双元基复合材料。利用该方法,能够有效地制备连续碳纤维增强的C-SiC双元基复合材料。

标签:
复合材料
安徽 - 滁州 来源:中冶有色网 2023-03-18
应用于高频领域的复合材料

本发明提供一种应用于高频领域的复合材料,涉及高频领域铁氧体加工技术领域。所述应用于高频领域的复合材料为充磁后的软磁、硬磁复合材料,所述软磁、硬磁复合材料为锰锌铁氧体/锶铁氧体复合材料或者镍锌铁氧体/锶铁氧体复合材料。本发明克服了现有技术的不足,通过软磁铁氧体和硬磁铁氧体生产复合材料后经过充磁有效降低磁损耗,提升在高频领域的应用价值。

标签:
复合材料
安徽 - 合肥 来源:中冶有色网 2023-03-18
低损耗软磁复合材料的制备方法

本发明提供了一种低损耗软磁复合材料的制备方法,属于磁性材料技术领域。制备操作为:将金属磁粉放入氯化镁与氯化铝的混合溶液中,再在混合溶液中加入过量氨水,通过两步煅烧及压制、退火处理,得到氧化镁与氧化铝复合绝缘的低损耗软磁复合材料。以相对磁导率级别为60的气雾化铁硅铝软磁复合材料为例,采用此方法制备的磁芯相较于常规方法制备的磁芯,压制密度提升2.8%,磁滞损耗降低24.6%。软磁复合材料电阻率从6.224×109μΩ∙cm提升至8.565×109μΩ∙cm,500kHz/50mT的涡流损耗降低了69mW/cm3,该方法通过两步煅烧得到的氧化镁与氧化铝复合绝缘层,明显提升了软磁复合材料的压制密度与电阻率,同时降低了软磁复合材料的磁滞损耗与涡流损耗。

标签:
复合材料
安徽 - 芜湖 来源:中冶有色网 2023-03-18
复合材料轨道交通地板及其制备方法

本发明公开了一种复合材料轨道交通地板及其制备方法,涉及轨道交通地板材料领域,所述复合材料轨道交通地板为三明治夹芯结构,所述三明治夹芯结构由上面板、夹芯层和下面板通过真空袋压或模压工艺制备而成。本发明制备的复合材料轨道交通地板,上面板采用石英砂复合材料,具有高硬度,耐磨,易清理,阻燃等特点,中间采用泡沫、轻木铝蜂窝等芯材,具有阻尼系数较高,减震、降噪等效果,下面板为玻纤复合材,轻质高强。本发明复合材料轨道交通地板,低VOC,符合相应的环保标准。本发明复合材料轨道交通地板不仅轻质高强,阻燃降噪,拆装与维修方便,且省去地板革的二次粘接,更为环保。

标签:
复合材料
安徽 - 芜湖 来源:中冶有色网 2023-03-18
POM复合材料及其制备方法

本发明公开了一种POM复合材料及其制备方法。POM复合材料按重量百分比由以下组分组成:POM树脂76.0-91.6%;石墨烯微片5.0-15.0%;抗氧剂0.5-1.0%;润滑剂0.5-3.0%;分散剂1.0-3.0%;甲醛吸收剂0.2-2.0%;成核剂0.2-1.0%。本发明的POM复合材料具有摩擦系数低、磨损量小、机械性能好等特点,能够应用在负荷大、工作时间长的传动产品上,在高端传动轴套领域具有广阔的应用前景;同时,本发明所用的制备方法对生产设备要求低,效率高,便于大规模生产。

标签:
复合材料
安徽 - 芜湖 来源:中冶有色网 2023-03-18
制备金属氧化物-碳纤维纳米复合材料的方法

本发明提供了一种制备金属氧化物-碳纤维纳米复合材料的方法,包括以下步骤:(a)称取脱脂棉,用去离子水清洗干净后,待用;(b)配制含有相应金属离子的前驱体溶液;(c)把步骤(a)中清洗后的所述脱脂棉浸泡在步骤(b)中所述金属离子的前驱体溶液中,在80-100℃静置12-24小时后,取出脱脂棉,经洗涤、干燥后获得负载有金属氧化物的脱脂棉;(d)最后把步骤(c)中负载有金属氧化物的脱脂棉置于氮气炉中,升温至500-600℃保温2-5小时,得到金属氧化物-碳纤维纳米复合材料。本发明方法,原料易得、工艺简单、制备效率高、成本低,便于大规模生产,能够用于制备多种氧化物-碳纤维纳米复合材料。

标签:
复合材料
安徽 - 淮南 来源:中冶有色网 2023-03-18
室温制备银-石墨烯纳米复合材料的两电极电化学还原法

本发明公开了一种室温制备银?石墨烯纳米复合材料的两电极电化学还原法,其特征在于:以硝酸银(AgNO3)溶液、稀H2SO4溶液和聚乙烯吡咯烷酮(PVP)溶液的混合液作为电解液、以石墨电极作阳极、以氧化石墨烯涂覆的硅片作阴极,室温下电化学还原3~8小时,即获得银纳米粒子均匀分散在石墨烯上的银?石墨烯纳米复合材料。本发明方法与其它银?石墨烯纳米复合材料电化学合成方法相比,制备方法十分简单、成本低,且所获得的石墨烯还原度高。

标签:
复合材料
安徽 - 合肥 来源:中冶有色网 2023-03-18
可降解聚合物基生物炭电磁屏蔽复合材料及制备方法

本发明提供了一种可降解聚合物基生物炭电磁屏蔽复合材料,包括上薄膜层、中间芯层和下薄膜层;其中,上薄膜层和下薄膜层为纳米生物炭‑聚吡咯复合材料薄膜层,中间芯层为生物炭‑聚丁二酸丁二醇酯‑甲壳素复合材料层。本发明还提供了一种上述电磁屏蔽复合材料的制备方法,步骤如下:松果纤维的预处理与活化,松果生物炭的制备,镀镍纳米松果生物炭制备,复合材料的制备。本发明采用生物可降解聚合物作复合材料的基体,可解决传统基体的不环保问题,同时利用松果生物炭生物炭来代替传统导电填料,可解决传统导电填料造成的材料体积大、密度高、易腐蚀问题。

标签:
复合材料
安徽 - 合肥 来源:中冶有色网 2023-03-18
耐UVC照射聚丙烯/聚乙烯耐候复合材料及其制备方法

本发明公开了一种耐UVC照射聚丙烯/聚乙烯耐候复合材料及其制备方法,复合材料由下述原料组成:聚丙烯、聚乙烯、沉淀硫酸钡、抗氧剂、分散剂、紫外吸收剂、光稳剂、色粉。本发明选用聚丙烯/聚乙烯复合材料,使得制品在保证一定强度的同时具有较高的耐冲击性及低温韧性。本发明使用紫外线吸收剂UV‑1577的同时复配大分子量的受阻胺类光稳剂2020,使得复合材料的光热老化能力大大提高,且同时以抗氧剂1010和抗氧剂168的混合物为抗氧剂,使得复合材料在短波紫外线下持续照射后基本性能保持率在80%以上,颜色基本不变,大大提高了UVC光源下聚丙烯/聚乙烯复合材料的耐候性能及使用寿命。

标签:
复合材料
安徽 - 合肥 来源:中冶有色网 2023-03-18
带有液氮冷屏的复合材料液氦杜瓦

本发明实施例公开了一种带有液氮冷屏的复合材料液氦杜瓦,包括复合材料制成的内筒、中筒、外筒以及复合材料等制成的低漏热塞子,外筒用于真空保持,中筒用于储存液氮,内筒用于储存液氦,中筒和内筒、外筒所围空间可长期保持≤10‑3Pa的高真空,内筒、中筒和外筒的圆柱壳体及下底板采用纤维编织,并通过真空压力浸渍环氧树脂固化成型,所得复合材料的气隙率<1%。内筒外表面、中筒外侧面及其下底面固定的圆盘形复合材料隔板外表面附着的多层绝热材料起到冷屏作用,降低外筒下底板对内筒下底板的辐射热。由金属镀膜防辐射屏、低导热材料、复合材料空心管和螺母组成的低漏热塞子降低杜瓦上部开口漏热。

标签:
复合材料
安徽 - 合肥 来源:中冶有色网 2023-03-18
高温耐化学品PC/ABS复合材料及其制备方法

本发明提供一种高温耐化学品PC/ABS复合材料及其制备方法,涉及高分子材料技术领域。本发明高温耐化学品PC/ABS复合材料由以下原料制成:改性PC树脂、ABS树脂、共聚酯、聚甲基丙烯酸甲酯、填料、成核助剂、羟丙基甲基纤维素、增韧剂、硅酮粉、白矿油、相容剂。本发明复合材料具有较好的高温耐化学品性能,改性后的PC树脂提高材料表面的致密性,用以在高温下抵御酸碱以及热油对PC/ABS复合材料基材的侵蚀,极大的提高PC/ABS复合材料在高温下耐化学品性,该复合材料还具有优异的力学性能,材料在复杂化学腐蚀环境的适应性,尤其适用在在发动机周边部件使用,提高汽车的安全性。

标签:
复合材料
安徽 - 芜湖 来源:中冶有色网 2023-03-18
用于快速成型的丙烯酸酯类微球复合材料及其制备方法

本发明提供了一种超短玻纤改性丙烯酸酯类微球复合材料,其由以下原料组成:丙烯酸酯类微球100份、超短玻纤10~50份、偶联剂0.2~0.6份、光稳剂0.2~0.6份、抗氧剂0.02~0.1份、润滑剂0.03~0.15份及热稳定剂0.02~0.1份。本发明创新性地以超短玻纤改性丙烯酸酯类微球,制备了一种用于快速成型的丙烯酸酯类微球复合材料。本发明制备的复合材料具有力学强度大、尺寸稳定性好、耐磨性强和成型速度快等特点,同时以超短玻纤作为改性材料大幅降低了复合材料的综合成本。此外本发明涉及的复合材料制备工艺简单,所制备的复合材料可应用于激光烧结快速成型领域并制备具有三维结构的复杂制件。

标签:
复合材料
安徽 - 合肥 来源:中冶有色网 2023-03-18
聚酯/聚乙烯/碳纳米管三元复合材料及其制备方法

本发明涉及一种聚酯/聚乙烯/碳纳米管三元复合材料及其制备方法,该三元复合材料以环状聚酯低聚物,聚乙烯,碳纳米管为主要原料,通过反应共混的方法来制备,利用碳纳米管独特的性能来促进聚酯和聚乙烯不相容体系的相容性,所得到的三元复合材料通过场发射扫描电镜可以看出聚酯和聚乙烯的相容性有所提高,因而实现了碳纳米的增容效果。与现有技术相比,本发明具有方法简单易行、易于工业化生产等优点。

标签:
复合材料
安徽 - 合肥 来源:中冶有色网 2023-03-18
一维碱式碳酸钴@二维CoSe/NF异质结构复合材料及其制备方法和应用

本发明公开了一种一维碱式碳酸钴@二维CoSe/NF异质结构复合材料及其制备方法和应用,该制备方法包括:将碱式碳酸钴纳米线Co(CO3)0.5(OH)·0.11H2O、硒源、钴源于溶剂中进行溶剂热反应以制得一维碱式碳酸钴@二维CoSe/NF异质结构复合材料;其中,碱式碳酸钴纳米线负载于泡沫镍NF上。该异质结构复合材料具有优异的电催化和循环性能进而使其能够应用到电催化水解中,同时该制备方法具有工艺简单、价格低廉的优势。

标签:
复合材料
安徽 - 芜湖 来源:中冶有色网 2023-03-18
三维钴酸镍@硒化钴(II)纳米针阵列复合材料及其制备方法和应用

本发明公开了一种三维钴酸镍@硒化钴(II)纳米针阵列复合材料及其制备方法和应用,该制备方法包括:将ZnCo2O4纳米针阵列、硒氢化钠和钴源于水中进行水热反应以制得三维ZnCo2O4@CoSe纳米针阵列复合材料。该三维钴酸镍@硒化钴(II)纳米针阵列复合材料具有优异的电催化活性和循环稳定性,可以在电催化水解的电极材料中得以应用,同时该制备方法操作简单、成本低廉、条件温和、绿色环保。

标签:
复合材料
安徽 - 芜湖 来源:中冶有色网 2023-03-18
复合材料铺叠工艺
复合材料铺叠工艺 834     
 0

本发明公开了一种复合材料铺叠工艺,属于复合材料生产技术领域,包括如下步骤:模具预处理,将模具的内外进行清洁防护;将固定尺寸的复合材料按铺层要求分多次逐层铺贴在步骤1的模具内﹐抽真空热压处理后并初步压紧;将第一次铺贴好的复合材料连同模具放入固化炉内,设定好温度﹑压力以及固化时间参数后,进行后初步固化,测量碳纤维复合材料铺层固化30%~40%,当固化达到要求时,准备进行后二次铺叠工序。本发明增加热封压,利用树脂在产生化学反应前,通过加热,树脂粘度下降,流动性增加,再施加真空压实能够有效的把树脂中气泡铺叠过程中的气泡赶出,有效的保证复合材料的质量。

标签:
复合材料
安徽 - 宿州 来源:中冶有色网 2023-03-18
新型掺杂石墨复合材料及其制备方法

本发明公开了一种新型掺杂石墨复合材料及其 制备方法。将具有自烧结功能的生焦粉和沥青混合破碎后, 再添加B4C、Si粉、Ti粉混合球磨、筛分, 经热压成型和高温石墨化处理。与常规高密度、高强度和高纯石墨相比, 该型复合材料的热导值可达150W/m.K以上, 而常规“三高”石墨在70~80W/m.K, 其抗化学溅射能力提高五倍以上, 且抗拉强度、抗热冲击能力和真空性能都有显著提高, 综合性能优异。本发明复合材料除可应用在大型超导磁约束聚变装置第一壁外, 还可应用在航空、航天等高技术领域, 具有很高的应用价值。

标签:
复合材料
安徽 - 合肥 来源:中冶有色网 2023-03-18
氮化钛和碳双重包覆磷酸锰铁锂复合材料的制备方法

本发明公开一种氮化钛和碳双重包覆磷酸锰铁锂复合材料的制备方法,在合成前驱体的过程中加入一定量碳源;再结合烧结过程中,保护性气氛下,通入NH3,以N2作为载气引入TiCl4,利用化学气相沉积法在磷酸锰铁锂表面均匀沉积一层氮化钛包覆层,实现了表面具有均匀氮化钛和碳包覆磷酸锰铁锂复合材料的制备。合成过程中通过调节碳源加入量和气相沉积过程中三种气体的流量及沉积时间可调节包覆层粒度、厚度及堆积密度,获得氮化钛和碳均匀包覆的磷酸锰铁锂复合材料;该材料包覆层具有良好均匀性和一致性,材料振实密度高、导电性好,使用该复合材料作为锂离子正极材料时,具有较好的充放电倍率及循环稳定性;制备过程简单可控,易于工业化生产。

标签:
复合材料
安徽 - 合肥 来源:中冶有色网 2023-03-18
上一页 228 229 230 231 232 ... 241 下一页
共241页    到第

中冶有色为您提供最新的安徽有色金属复合材料技术理论与应用信息,涵盖发明专利、权利要求、说明书、技术领域、背景技术、实用新型内容及具体实施方式等有色技术内容。打造最具专业性的有色金属技术理论与应用平台!

全国热门有色金属设备推荐
展开更多 +
全国热门有色金属技术推荐
展开更多 +

 

江西省隆恩特环保设备有限公司
宣传

报名参会
更多+

报告下载

有色专家
更多+

中国矿业大学(北京)
院长/教授
江西理工大学
教授
湖南科技大学
所长/教授
重庆理工大学
教授
昆明冶金研究院有限公司
党委书记、执行董事
赤泥综合利用研究报告2025
推广

热门技术
更多+

推荐企业
更多+

福建省金龙稀土股份有限公司
宣传

发布

在线客服

公众号

电话

顶部
咨询电话:
010-88793500-807