青岛垚鑫智能科技有限公司
宣传

位置:中冶有色 >

有色技术频道 >

> 复合材料技术

分类:
全部
矿山技术
冶金技术
材料制备及加工技术
环境保护技术
分析检测技术
 
全部
功能材料技术
复合材料技术
新能源材料技术
合金材料技术
加工技术
地区:
全部
北京
天津
上海
重庆
河北
山西
辽宁
吉林
黑龙江
江苏
浙江
安徽
福建
江西
山东
河南
湖北
湖南
广东
海南
四川
贵州
云南
陕西
甘肃
青海
内蒙
广西
西藏
宁夏
新疆
其他
其他
展开
 
全部
南京
无锡
徐州
常州
苏州
南通
连云港
淮安
盐城
扬州
镇江
泰州
宿迁

江苏南京有色金属复合材料技术理论与应用

免费发布技术信息>>
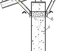
地下隧道和廊道增强增韧阻燃型复合材料电缆支架

一种地下隧道和廊道增强增韧阻燃型复合材料电缆支架,属电力设施辅助装置,包括有复合材料立柱1和复合材料横臂2,所述的复合材料立柱1和复合材料横臂2为一体结构,所述的复合材料横臂2呈悬臂状设置在复合材料立柱1上;所述的复合材料立柱1的截面为“工”形;所述的复合材料横臂2在与复合材料立柱1结合根部截面也为“工”形;所述的复合材料立柱1与复合材料横臂2结合部预埋有钢板制成的增强骨架3,所述的复合材料立柱1上有电缆支架安装孔4。该电缆支架不仅耐腐、绝缘、阻燃,而且承载力强、性价比高。

标签:
复合材料
江苏 - 南京 来源:中冶有色网 2023-03-18
编入光纤传感器的编织复合材料工艺和性能的测试方法

一种编入光纤传感器的编织复合材料工艺和性能的测试方法,属编织复合材料工艺过程及材料性能的测试方法。它是利用由上盖a、型腔模b和底板c所构成的树脂传递模塑成型工艺模具,在编织复合材料结构中编入点式光纤传感器和分布式光纤传感器,其具体编织方法有两种:(1).光纤传感器与编织材料一起进行编织;(2).光纤传感器参加某一层或几层的编织。本方法能监测编织复合材料的工艺过程,检测复合材料内部的各种参数,使得力学性能及损伤情况的测试分析更加准确、可靠。

标签:
复合材料
江苏 - 南京 来源:中冶有色网 2023-03-18
复合材料热管
复合材料热管 824     
 0

本发明涉及一种采用复合材料作为壳体的热管,属于热管技术领域,包括壳体、工质、排气口,所述壳体内填充有工质,所述壳体上设有排气口,所述壳体为复合材料和金属双层复合结构,金属层在复合材料层外。这样处理过的复合材料管可以达到更好的真空度,金属粒子可以很好的填充在复合材料空隙间,而由于金属的导热性很好,不会影响整个管子的导热性能,复合材料作为内层,与内部的工质如水等的相容性很好,不会产生不凝性气体。所述复合材料和金属双层复合结构中的复合材料是碳纤维复合材料或者是玻璃纤维复合材料。所述复合材料和金属双层复合结构中的金属为铜、碳钢、不锈钢或者铝。在所述壳体内还可以设有吸液芯。

标签:
复合材料
江苏 - 南京 来源:中冶有色网 2023-03-18
铁钛复合材料的制备方法及其应用

本发明公开了一种铁钛复合材料的制备方法,所述方法以钛酸四丁酯为钛源、四氧化三铁为铁源,以乙醇与丙三醇混合液为溶剂,通过醇热法制备获得铁钛复合材料。本发明还公开了上述铁钛复合材料制备方法制得的铁钛复合材料在光催化降解抗生素方面的应用。本发明制备方法具有合成温度低、晶化温度低、可通过外磁力回收铁钛复合材料的优点,通过控制nFe/nTi的投加比例,在一定温度和压力下反应即可获得晶化的较大比比表面积(Fe2.5Ti0.5)1.04O4介孔复合材料;制得的铁钛复合材料对抗生素具有良好的光催化降解活性。

标签:
复合材料
江苏 - 南京 来源:中冶有色网 2023-03-18
考虑纤维断裂影响的编织陶瓷基复合材料振动阻尼的预测方法

本发明提供了一种考虑纤维断裂影响的编织陶瓷基复合材料振动阻尼的预测方法,属于复合材料振动阻尼预测技术领域。本发明根据断裂力学界面脱粘准则,建立编织陶瓷基复合材料动态加载界面脱粘长度方程、卸载界面反向滑移长度方程以及重新加载界面新滑移长度方程;之后根据振动载荷条件下编织陶瓷基复合材料的应变能以及纤维相对基体在界面脱粘区的能量耗散,利用上述方程建立编织陶瓷基复合材料损伤时振动阻尼方程;最后根据编织陶瓷基复合材料无损伤时振动阻尼方程以及损伤时振动阻尼方程,建立编织陶瓷基复合材料总振动阻尼方程,以此能够准确预测考虑纤维断裂影响的编织陶瓷基复合材料振动阻尼。

标签:
复合材料
江苏 - 南京 来源:中冶有色网 2023-03-18
原位制备α-硫化镍与碳的纳米棒状复合材料的方法

本发明公开了一种原位制备α-硫化镍与碳的纳米棒状复合材料的方法,该方法主要是采用纳米棒状碳包覆镍原位回流硫化的方法制备α-硫化镍与碳纳米棒的复合材料,并利用碳纳米棒的纳米限域作用实现对硫化镍晶相的可控调节。与现有合成技术相比,本发明方法合成的α-硫化镍与碳的纳米复合材料中,α-硫化镍的晶相单一,α-硫化镍在碳纳米棒中分布均匀、合成过程简单、可重复性好,该纳米复合材料作为超级电容器电极有较大的比电容值和良好的循环稳定性。

标签:
复合材料
江苏 - 南京 来源:中冶有色网 2023-03-18
钛合金硅藻土氧化铁钡复合材料及其制备方法

本发明提供一种钛合金硅藻土氧化铁钡复合材料及其制备方法,该复合材料吸波性能高,并且具有优越的阻尼性能。该方法工艺简单,生产成本低,适于工业化生产。该复合材料以钛合金为基体,在基体上分布着硅藻土氧化铁钡复合物,该硅藻土氧化铁钡复合物占复合材料的体积百分比为45-55%;硅藻土氧化铁钡复合物颗粒的为0.5-1mm;该钛合金基体的化学成分的重量百分含量:Al为3%~8%,Ta为0.001%~0.005%,Si为0.5%-1%,其余为Ti;硅藻土氧化铁钡复合物是氧化铁钡钻入硅藻土的孔隙中,在孔隙壁面形成一层薄膜。

标签:
复合材料
江苏 - 南京 来源:中冶有色网 2023-03-18
具有夹层结构的耐高温热塑性复合材料

本实用新型公开了一种具有夹层结构的耐高温热塑性复合材料,该复合材料包括耐高温尼龙基复合材料芯层和位于芯层两侧的耐高温尼龙基复合材料面层,其中,芯层为具有瓦楞结构的纤维增强聚对苯二甲酰/间苯二甲酰己二胺基体复合材料;面层为纤维增强聚对苯二甲酰己二胺/己内酰胺基体复合材料片材,芯层所用树脂熔点较面层所用树脂熔点高40℃。芯层和面层复合材料所用树脂为同一树脂体系,赋予复合材料高的界面强度,且不需要引入其他粘接层材料,铺层简单,生产效率高,且克服了传统夹层结构复合材料界面性能差、易分层等缺点。

标签:
复合材料
江苏 - 南京 来源:中冶有色网 2023-03-18
缝合复合材料冲击损伤及剩余强度全程分析方法

本发明公开了一种缝合复合材料冲击损伤及剩余强度全程分析方法,包括如下步骤:(1)缝合复合材料在冲击载荷下的瞬态应力分析;(2)确定缝合复合材料的冲击损伤判据;(3)确定缝合复合材料冲击损伤的力学性能退化方法;(4)缝合复合材料的静力学分析;(5)确定缝合复合材料的剩余强度损伤判据;(6)确定缝合复合材料的材料性能退化方法;(7)确定缝合复合材料的结构失效判据。本发明提供了一种全程性的冲击损伤及冲击后剩余强度的分析方法,不但考虑了冲击后复合材料结构的实际损伤类型和损伤程度等实际情况,而且不需要通过观察冲击损伤来提升对于剩余强度预测的准确性,所以本发明的方法连贯性高,拓展性好,预测精度高,具有可观的工程应用前景。

标签:
复合材料
江苏 - 南京 来源:中冶有色网 2023-03-18
太阳能复合材料支架系统及其制作方法

本发明公开了一种太阳能复合材料支架系统及其制作方法,包括复合材料横梁、复合材料纵梁、复合材料短柱、多根钢筋混凝土立柱、复合材料支撑及抱箍;所述多根钢筋混凝土立柱排列成支架阵列,每根钢筋混凝土立柱的顶端通过膨胀螺栓安装有复合材料短柱,复合材料短柱的上端通过螺栓与复合材料横梁连接,为提高每榀的稳定性,复合材料横梁沿阵列纵向与复合材料纵梁连接,每根钢筋混凝土立柱上均套设有钢片箍,所述复合材料支撑的下端与抱箍连接,复合材料支撑的上端与复合材料横梁连接。本发明通过用复合材料太阳能支架取代镀锌钢支架系统,可以提高使用寿命能力,还可以减轻重量,耐腐蚀,适用于未来发展趋势。

标签:
复合材料
江苏 - 南京 来源:中冶有色网 2023-03-18
聚苯胺/活性炭复合材料及其制备方法

本发明公开了一种聚苯胺/活性炭复合材料的制备方法,包括以下步骤:将活性炭加入甲基橙溶液中,搅拌混合均匀,边搅拌边加入质子酸和苯胺单体,继续搅拌混合使充分反应,最后再加入氧化剂,充分反应,氧化后所得的聚苯胺负载在活性炭上,洗涤,真空干燥,最终得到聚苯胺/活性炭复合材料;所述聚苯胺的质量占复合材料总质量的10~20%;同时所述甲基橙质量占复合材料总质量的0.05~2.5%。本发明利用甲基橙与苯胺单体之间的静电力加强了聚苯胺与活性炭之间的相互作用,并且甲基橙中的磺酸根可以作为苯胺聚合的掺杂剂,提高了苯胺的聚合度,与未加入甲基橙的聚苯胺/活性炭复合材料相比,有更高的的电容性质。

标签:
复合材料
江苏 - 南京 来源:中冶有色网 2023-03-18
浮动式复合材料桥墩消能防撞组合装置

一种浮动式复合材料桥墩消能防撞装置,其特征是它至少包括一圈沿桥墩布置的内层防撞圈(16),该内层防撞圈(16)由若干个沿桥墩周向布置的复合材料格构套箱(17)组成,各复合材料格构套箱(17)通过纵向复合材料预应力筋(6)及横向复合材料预应力筋(7)连接成一个整体结构,在每个格构套箱(17)的侧面均设有锚头(10),每个格构套箱(17)的上、下表面上均预埋有与相邻格构套箱(17)相连的预埋件(11);所述的组成内层防撞圈(16)的部分或全部格构套箱(17)连接有与滑轮(13);在相邻的格构套箱(17)的接缝处均设置有密封体;在格构套箱(17)接触水的一面上设有消浪孔(15)。本发明比传统钢套箱具有更好的抗冲击能力和耐久性,质量轻巧,安装、修复都很方便,能够节约材料,缩短施工工期。

标签:
复合材料
江苏 - 南京 来源:中冶有色网 2023-03-18
应力氧化环境下单向陶瓷基复合材料力学性能分析方法

本发明公开了一种应力氧化环境下单向陶瓷基复合材料力学性能分析方法,包括以下步骤:确定单向陶瓷基复合材料基体的裂纹数随应力的变化;确定裂纹宽度变化规律;根据已有的400-900℃无应力氧化环境下,单向陶瓷基复合材料的氧化机理,确定考虑应力作用下单向陶瓷基复合材料基体开裂对质量失重率λr变化的影响;确定考虑单向陶瓷基复合材料基体裂纹的情况下,单向陶瓷基复合材料剩余模量在应力氧化环境下的变化规律;根据单向陶瓷基复合材料体积分数变化规律,确定考虑基体裂纹情况下,单向陶瓷基复合材料剩余强度在应力氧化环境下的变化情况。本发明为UD-CMC在应力氧化环境下力学性能的分析提供了相关理论支持。

标签:
复合材料
江苏 - 南京 来源:中冶有色网 2023-03-18
聚苯胺纳米管阵列/氧化铜/二氧化锰复合材料电极及其制备方法和应用

本发明提供了一种聚苯胺纳米管阵列/氧化铜/二氧化锰复合材料电极及其制备方法和应用,属于新能源产品领域。该复合材料电极包括聚苯胺纳米管阵列/氧化铜/二氧化锰复合材料和导电基底,氧化铜和二氧化锰以纳米尺度分散在聚苯胺纳米管阵列的空隙中,二氧化锰包覆在氧化铜表面,形成聚苯胺纳米管阵列/氧化铜/二氧化锰复合材料,复合材料涂覆在导电基底之上,不需要导电剂和粘结剂,形成聚苯胺纳米管阵列/氧化铜/二氧化锰复合材料电极。本发明的复合材料电极导电性好,结构稳定且能自支撑,循环性能及电容性能优异;制备该复合材料电极的方法易于操作、环境友好;使用该复合材料电极的超级电容器,电容量高,循环性能好。

标签:
复合材料
江苏 - 南京 来源:中冶有色网 2023-03-18
光伏发电用复合材料水上浮体架台系统及其制作流程

本发明公开了一种光伏发电用复合材料水上浮体架台系统及其制作流程,该浮体架台系统包括复合材料浮体单元A、复合材料胶接梁或复合材料浮体单元B、复合材料拉挤型材;当采用复合材料胶接梁时:所述复合材料浮体单元A的上表面每隔一段距离开设凹槽,复合材料胶接梁搁置在凹槽内,并通过螺栓与复合材料浮体单元A连接,将多个复合材料浮体单元A沿横向连成整体;当采用复合材料浮体单元B时,复合材料浮体单元A与复合材料浮体单元B之间通过预埋钢片连成整体。本发明适用于水上光伏电站的建设,将传统高密度聚乙烯浮体单元和镀锌钢支架分别用复合材料浮体单元和拉挤型材替代,提高了整个浮体架台系统的使用寿命。

标签:
复合材料
江苏 - 南京 来源:中冶有色网 2023-03-18
金属基复合材料拉压疲劳迟滞回线预测方法

本发明公开了一种金属基复合材料拉压疲劳迟滞回线预测方法,具体为:根据BHE剪滞模型确定单向碳化硅纤维增强钛基复合材料脱粘段和未脱粘段的纤维、基体、剪应力分布;确定脱粘区长度、界面初始脱粘应力与界面完全脱粘应力;确定反向滑移区长度以及反向滑移临界应力;确定复合材料拉伸加、卸载阶段的应力应变关系;确定复合材料压缩加、卸载阶段的应力应变关系;确定裂纹间距、界面剪应力随循环数的变化规律;确定给定循环数的纤维断裂分数;给定循环数N,结合以上步骤,得到复合材料随循环数变化的疲劳迟滞回线。本发明可以准确的预测出复合材料在不同基体裂纹间距、不同滑动界面剪应力、不同纤维断裂体积分数下以及不同循环数下的应力应变关系。

标签:
复合材料
江苏 - 南京 来源:中冶有色网 2023-03-18
金纳米星/二硫化钼复合材料的制备方法及其应用

本发明公开了一种金纳米星/二硫化钼复合材料的制备方法及其应用,方法为:将二硫化钼种子溶液和氯金酸溶液混合,经原位生长、提纯得到金纳米星/二硫化钼复合材料。优点为:(1)制备获得的复合材料具有多枝状星形形貌和均一的尺寸;粒子之间无团聚,具有良好的分散性和生物相容性,且在二硫化钼片层结构上,金纳米星的负载密度较大;(2)该复合材料的紫外-可见吸收光谱峰值在600-1000nm之间,在近红外激光照射下温度迅速升高,因而具有较好的光热转化性能,在生物医学领域的肿瘤光热治疗方面具有巨大的应用潜力;(3)该金纳米星/二硫化钼复合材料的制备过程工艺简单易操作,设备要求低;制备得到的复合材料的杂质含量少,产量高。

标签:
复合材料
江苏 - 南京 来源:中冶有色网 2023-03-18
聚苯胺包覆纳米TiO2粒子或聚苯胺包覆TiO2晶须/氰酸酯复合材料及其制备方法

一种聚苯胺包覆纳米 TiO2粒子或聚苯胺包覆 TiO2晶须/氰酸酯复合材料及其 制备方法,属于有机-无机纳米复合粒子改性氰酸酯复合材 料。该复合材料的原料组分按重量计:氰酸酯单体100,聚苯 胺包覆纳米TiO2复合粒子或聚 苯胺包覆TiO2晶须0.1~100,消 泡剂为粒子重量的0.1~0.5%。其中聚苯胺包覆纳米 TiO2是通过化学氧化原位聚合 法合成的,经过表面包覆的纳米复合粒子可以均匀的分散在氰 酸酯基体中,然后通过溶液共混、加热固化的方法制得聚苯胺 包覆纳米TiO2/氰酸酯复合材 料。用此配方制得的复合材料综合了纳米复合粒子和氰酸酯二 者的吸波性能,在不改变复合材料介电常数的条件下,增加了 介电损耗,具有一定的吸波性。

标签:
复合材料
江苏 - 南京 来源:中冶有色网 2023-03-18
碳纤维杆增强树脂基复合材料导热性能的结构及方法

本发明公开了一种碳纤维杆增强树脂基复合材料导热性能的结构及方法。属于功能复合材料技术领域。一种碳纤维杆增强树脂基复合材料导热性能的结构,其特征在于:在碳纤维增强树脂基复合材料的厚度方向植入高导热碳纤维杆,以提高复合材料厚度方向的导热性能。所述的高导热碳纤维杆由高导热纤维及树脂组成。本发明可以显著提高碳纤维增强树脂基复合材料厚度方向的导热性能,弥补了其厚度方向导热性能差的缺点。同时本发明可以通过设计碳纤维杆的间距、截面尺寸、数量等参数,得到复合材料厚度方向不同的导热率,而且所用碳纤维杆轻质高强,制造成本低,满足航空航天事业对高导热复合材料的要求。

标签:
复合材料
江苏 - 南京 来源:中冶有色网 2023-03-18
基于SLM成形的铝基纳米复合材料及其制备方法

本发明属于铝基纳米复合材料领域,具体来说是一种基于SLM成形的铝基纳米复合材料及其制备方法,所述铝基纳米复合材料是由铝基纳米复合粉末经SLM成形获得;所述铝基纳米复合粉末包括陶瓷相、稀土相和铝基体相;SLM成形工艺参数为:激光功率在100W,120W和130W或者100?130W之间,扫描间距为30μm以及铺粉层厚为50μm;有效体能量密度控制在288?398.65?J/mm3。有效的解决铝基纳米复合材料在激光增材过程中工艺性能与力学性能不匹配、增强颗粒分布不均匀以及陶瓷相与基材相之间润湿性较差的问题,使得所获得的产品具备良好的界面结合以及优异的力学性能。

标签:
复合材料
江苏 - 南京 来源:中冶有色网 2023-03-18
耐蚀镁合金及含有耐蚀镁合金的复合材料及其制备方法

一种耐蚀镁合金,合金成分的质量百分含量为:SN 0.5~9%、PB 0.05~5%、SR≤2%、SB≤0.2%、TE≤0.2%,其余为MG。一种含有耐蚀镁合金的多孔复合材料,该材料为含有无机非金属相混合颗粒的金属基复合材料。本发明的耐蚀镁合金,仅使用普通锡铅或锡、铅及锶等常规元素,避开了稀贵元素的使用,生产制备工艺简单,合金的成本较低,但耐蚀性能良好,塑性好。本发明的耐蚀镁基多孔复合材料由耐蚀镁合金和密度极小的耐蚀的无机多孔材料组成,复合材料不仅具有耐蚀作用,而且具有良好的阻尼性能。可广泛用于汽车等快速机械上的耐蚀吸振零部件,具有良好的吸振、隔音、防噪效果。

标签:
复合材料
江苏 - 南京 来源:中冶有色网 2023-03-18
通过切线模量预测纤维增强陶瓷基复合材料界面属性的方法

本发明属于纤维增强陶瓷基复合材料界面属性预测技术领域,具体涉及一种通过切线模量预测纤维增强陶瓷基复合材料界面属性的方法。本发明提供了的通过切线模量预测纤维增强陶瓷基复合材料界面属性的方法,首先分析陶瓷基复合材料拉伸损伤后的细观应力场,获得纤维轴向应力分布,采用断裂力学方法确定拉伸损伤过程中的界面脱粘长度,采用随机开裂模型确定基体裂纹间距,采用总体承担载荷确定纤维断裂概率,获得复合材料不同损伤阶段的应力‑应变本构关系,对所述应力‑应变本构关系求导获得复合材料的切线模量,利用切线模量计算得到纤维增强陶瓷基复合材料的界面剪应力;从而实现对纤维增强陶瓷基复合材料界面性能的综合评估。

标签:
复合材料
江苏 - 南京 来源:中冶有色网 2023-03-18
航空用新型混杂复合材料铆接方法及装置

本发明公开了一种航空用新型混杂复合材料铆接方法及装置,包括顶把、铆枪、铆枪冲头、上复合材料垫圈、下复合材料垫圈、金属垫圈,顶把顶部设置有容纳铆钉钉头的凹陷部,铆钉钉头置于顶把的凹陷部中,铆钉杆部穿过混杂复合材料的铆钉孔,顶把和混杂复合材料底部之间为下复合材料垫圈,下复合材料垫圈中间设置有空洞,铆钉钉头可穿过,铆钉钉头在顶把和下复合材料垫圈的保护下,铆接锤击过程中不会发生形变。本发明可以有效解决纤维金属超混杂层板的铆接工艺问题,显著提高该层板铆接结构的服役稳定性和疲劳寿命。

标签:
复合材料
江苏 - 南京 来源:中冶有色网 2023-03-18
基于染料敏化的上转换发光复合材料及其制备方法

本发明公开一种基于染料敏化的上转换发光复合材料及其制备方法,该基于染料敏化的上转换发光复合材料包括质量比为50~2500 : 1的上转换纳米颗粒和染料分子IR-806,该上转换纳米颗粒的化学表达式为NaY0.78F4 : Yb0.2, Er0.02@NaY0.9-x1F4 : Yb0.1, Ndx1,其中,x1为0.1~0.9。该基于染料敏化的上转换发光复合材料通过将上转换纳米颗粒和染料分子IR-806混合制得。本发明通过将染料分子IR-806和上转换纳米颗粒进行复合,通过两者的协同作用成功实现了激发光波长由980nm移动到800nm左右,避免了980nm激发光长时间照射导致的水的温升;且本发明利用染料分子IR-806和上转换纳米颗粒之间的能量传递,制得的上转换发光复合材料与上转换纳米颗粒相比,发光强度显著增强。

标签:
复合材料
江苏 - 南京 来源:中冶有色网 2023-03-18
氮元素掺杂强韧化金属玻璃复合材料及其制备方法

本发明公开了一种氮元素掺杂强韧化金属玻璃复合材料及其制备方法,其原子百分比表达式为:TiaZrbNbcCudAleBefNg,52≤a≤60,14≤b≤18,7.5≤c≤9,3≤d≤8,2≤e≤4,6≤f≤14,0.5≤g≤2,a+b+c+d+e+f+g=100。制备方法如下:熔炼母合金锭,铸成母合金型材;将母合金型材放入坩埚内加热至完全熔化,并进行过热处理,熔解杂质相;将温度降低到固液两相区内,进行半固态处理,使掺杂的氮元素偏聚固溶于先析出的β-Ti中,并控制析出的固溶体相的形貌和尺寸;再实施半固态快速顺序凝固形成高强高韧的大尺寸金属玻璃复合材料。本发明制备了高强高韧的大尺寸(30mm)金属玻璃复合材料,该复合材料具有显著的加工硬化能力和优异的拉伸强度及塑性。

标签:
复合材料
江苏 - 南京 来源:中冶有色网 2023-03-18
氮掺杂石墨烯/ 氮掺杂碳纳米管/钴酸锌复合材料的制备方法与应用

本发明公开一种氮掺杂石墨烯/?氮掺杂碳纳米管/钴酸锌复合材料的制备方法,具体步骤为:(a)向氧化石墨烯中加入高锰酸钾、盐酸和过氧化氢,搅拌反应制备多孔石墨烯;(b)将多孔石墨烯透析8-12天后超声分散,再加入碳纳米管,超声混合后,抽滤成膜;(c)膜干燥后,加入氨水反应24h;(d)加入硝酸锌、硝酸钴、尿素、氟化铵、无水乙醇和蒸馏水反应4h;(e)将混合物转移至管式炉,氮气氛围下烧结2h,即获得所述复合材料;该复合材料有较好的柔韧性,在弯曲成各种角度后电化学性能变化小,其比电容值最高可高达1802F/g,相比较单纯的石墨烯,碳纳米管,以及大部分石墨烯和碳纳米管的复合材料都有显著的提高。

标签:
复合材料
江苏 - 南京 来源:中冶有色网 2023-03-18
压电复合材料传感层智能监测免维护屈曲约束支撑

本发明公开了一种压电复合材料传感层智能监测免维护屈曲约束支撑,包括耗能钢芯、GFRP约束段、波形节、成型泡沫、传感层数据传输线和压电复合材料传感层,所述GFRP约束段的两端设有波形节,GFRP约束段和波形节的内部中心设有耗能钢芯,GFRP约束段沿耗能钢芯对称布置,所述压电复合材料传感层位于GFRP约束段内,压电复合材料传感层平行设置在耗能钢芯的长边两侧,压电复合材料传感层与耗能钢芯之间留有间隙,压电复合材料传感层与传感层数据传输线连接,压电复合材料传感层与GFRP约束段连接形成整体结构的空隙内填充有成型泡沫,所述压电复合材料传感层由压电智能夹层、玻璃纤维布和环氧树脂组成。

标签:
复合材料
江苏 - 南京 来源:中冶有色网 2023-03-18
具有良好阻尼性能的导电橡胶复合材料及其制备方法

本发明提供一种具有良好阻尼性的导电橡胶复合材料及其制备方法,该复合材料导电性能好,可减轻橡胶制品的重量。该复合材料的橡胶基体中均匀分布着聚苯胺/珍珠岩复合颗粒,复合颗粒为孔隙和表面具有聚苯胺的珍珠岩颗粒,复合颗粒的尺寸为1~5MM,复合颗粒占复合材料的体积百分比为25~50%。橡胶基体为丁苯橡胶基体或丁基橡胶基体。

标签:
复合材料
江苏 - 南京 来源:中冶有色网 2023-03-18
复合材料的制造方法
复合材料的制造方法 1161     
 0

本发明公开了一种复合材料的制造方法,其方法包括如下步骤:称取以下质量百分比的原料:30%~40%的碳化硅,20~30%的氮化硅,20~30%的氧化铝,1~5%的粘结剂,1~2%的分散剂,1~2%的固化剂,1~2%的催化剂,1~2%的引发剂;本发明通过改进陶瓷复合材料的制造方法,具有可以有效增加陶瓷复合材料的结构强度,防止陶瓷复合材料内部存在缺陷,进而能够提升陶瓷复合材料生产制造质量的优点,解决了目前陶瓷复合材料中的陶瓷含量比较低,使得陶瓷复合材料的结构强度较差,同时陶瓷复合材料的内部存在气孔和杂质等缺陷,无法满足实际使用需求,且陶瓷复合材料的成型比较困难的问题,从而达到简化工艺和降低成本的目的。

标签:
复合材料
江苏 - 南京 来源:中冶有色网 2023-03-18
用于热塑性复合材料与轻质合金激光连接的可控渐进加载装夹设备和方法

本发明公开了一种用于热塑性复合材料与轻质合金激光连接的可控渐进加载装夹设备和方法;包括工作平台,固定系统,监测与反馈系统,控制中心,施压系统,和回型框架。其中工作平台用来承载装夹设备和热塑性复合材料;监测与反馈系统用于测量连接件表面所受到的压力并实时反馈给控制中心;控制中心根据预设递增压力曲线和实时压力信息给出命令;施压系统依据命令实时调整连接件表面的压力。本发明可以实时监测和调控连接件表面所受到的压力,可控渐进加载施加给连接件表面的压力,促进界面处树脂的流动和扩散,增大有效连接面积,提高热塑性复合材料与轻质合金的结合能力,确保获得高质量的热塑性复合材料与轻质合金激光连接件。

标签:
复合材料
江苏 - 南京 来源:中冶有色网 2023-03-18
上一页 159 160 161 162 163 ... 167 下一页
共167页    到第

中冶有色为您提供最新的江苏南京有色金属复合材料技术理论与应用信息,涵盖发明专利、权利要求、说明书、技术领域、背景技术、实用新型内容及具体实施方式等有色技术内容。打造最具专业性的有色金属技术理论与应用平台!

全国热门有色金属设备推荐
展开更多 +
全国热门有色金属技术推荐
展开更多 +

 

江西省隆恩特环保设备有限公司
宣传

报名参会
更多+

报告下载

有色专家
更多+

华东理工大学
主任/教授
矿冶科技集团有限公司
所长/研究员级高工
矿冶科技集团
副所长/研究员
赣州江钨钨合金有限公司
副总经理
江西省科学院应用化学研究所
副主任/副研究员
赤泥综合利用研究报告2025
推广

热门技术
更多+

推荐企业
更多+

福建省金龙稀土股份有限公司
宣传

发布

在线客服

公众号

电话

顶部
咨询电话:
010-88793500-807