青岛垚鑫智能科技有限公司
宣传

位置:北方有色 >

有色技术频道 >

> 复合材料技术

分类:
全部
矿山技术
冶金技术
材料制备及加工技术
环境保护技术
分析检测技术
 
全部
功能材料技术
复合材料技术
新能源材料技术
合金材料技术
加工技术
地区:
全部
北京
天津
上海
重庆
河北
山西
辽宁
吉林
黑龙江
江苏
浙江
安徽
福建
江西
山东
河南
湖北
湖南
广东
海南
四川
贵州
云南
陕西
甘肃
青海
内蒙
广西
西藏
宁夏
新疆
其他
其他
展开
 
全部
天津

天津有色金属复合材料技术理论与应用

免费发布技术信息>>
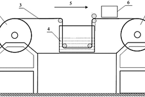
多层机织物复合材料及成型模具和方法

本发明涉及多层机织物复合材料制造技术。其特征是作复合材料骨架的多层机织物3层间交织点4的四根经纱1中,有两根经纱1不与该处纬纱2交织,呈直线状,另两根经纱1与该处的两层纬纱2交织,使该两层进而使多层机织物3连接为整体,在未交织的层间处交错形成层间缝5;采用本发明配套设计的成型模具和使用本发明的支撑成孔法的成型方法,可制成质地均匀、孔眼方正、力学性能优良的复合材料。

标签:
复合材料
天津 - 天津 来源:北方有色网 2023-03-18
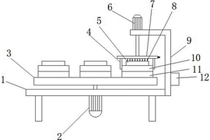
模块化设计的复合材料成型模具

本实用新型涉及复合材料生产技术领域,公开了一种模块化设计的复合材料成型模具,包括操作台,操作台的底部固定安装有第一驱动电机,第一驱动电机的电机轴活动贯穿操作台,第一驱动电机的电机轴上固定连接有转盘,转盘的顶部等距可拆式安装有若干个相同的下模具。本实用新型通过第一驱动电机、上模具、下模具、第二驱动电机、电动液压缸和夹板的设置,通过上模具和下模具接触对复合材料进行成型,然后第一驱动电机带动转盘转动使成型的模具转动到另一侧进行冷却,然后另一组模具继续对复合材料进行成型,从而复合材料在冷却时能够继续加工,无需等待冷却后出料继续加工,进而提高复合材料成型的加工效率。

标签:
复合材料
天津 - 天津 来源:北方有色网 2023-03-18
TiC/SiC/Al复合材料
TiC/SiC/Al复合材料 1115     
 0

本发明涉及一种TiC/SiC/Al复合材料,该复合材料外层为TiC反应层,内部为SiC/Al复合层,该复合材料的制备方法包括以下步骤:(1)铝合金的制备:铝合金中的各元素质量百分比为:Al,50‑90wt.%;Ti,5‑20wt.%;Si,5‑30wt.%;(2)SiC陶瓷的预处理;(3)反应熔渗工艺:在箱式炉中熔化步骤(1)中所制备的铝合金得到铝合金液,并将步骤(2)中处理好的SiC陶瓷浸入到铝合金液中,放入箱式炉中保温,熔渗温度为1150‑1200℃,熔渗时间为0.5‑8h,取出试样冷却至室温即可得到TiC/SiC/Al复合材料。该复合材料在保证弯曲强度的前提下又具有较好的断裂韧性,且制备工艺简单,适于大规模工业化生产。

标签:
复合材料
天津 - 天津 来源:北方有色网 2023-03-18
具有防冰除冰功能的纤维增强复合材料塔杆

本发明公开了一种具有防冰除冰功能的纤维增强复合材料塔杆,包括塔杆本体,塔杆本体从内向外依次为绝缘隔热层、结构层、碳纤维加热层、绝缘防护层,碳纤维加热层利用碳纤维作为加热元件,两端分别连接导电电极,导电电极通过导线与杆塔空腔内的控制开关装置相连。本发明实现了在低温结冰环境下纤维增强复合材料塔杆表面防冰除冰,避免了由于结冰对复合材料塔杆内部结构的影响,增强了复合材料塔杆的力学性能及承载能力,增加了复合材料塔杆的使用寿命,能够在天气寒冷,环境恶劣地区使用。

标签:
复合材料
天津 - 天津 来源:北方有色网 2023-03-18
碳纳米管/石墨烯体相复合材料、其制备方法及用途

本申请提供了碳纳米管/石墨烯体相复合材料,所述复合材料包含碳纳米管和还原氧化石墨稀,所述复合材料的孔隙率为90%以上、92%以上、95%以上、97%以上或99%以上。本申请还提供了碳纳米管/石墨烯体相复合材料的制备方法以及根据该制备方法制得的碳纳米管/石墨烯体相复合材料及其用途。在一些实施方案中,本申请的所述碳纳米管/石墨烯体相复合材料可以用作或者用于制备电磁波隐身材料或装置以及电磁波屏蔽材料或装置。

标签:
复合材料
天津 - 天津 来源:北方有色网 2023-03-18
聚合物-木质素复合材料纤维膜的制备方法和应用

一种聚合物-木质素复合材料纤维膜的制备方法和应用,本发明公开了一种含木质素基材的锂离子电池隔膜及其制备方法。所述的复合材料纤维膜是由聚合物材料与木质素材料复合构成;其中:聚合物材料在复合材料纤维膜中的质量百分比含量为30-90%,木质素材料在复合材料纤维膜中的质量百分比含量为10-70%;所述的复合材料纤维膜其特征在于,其厚度为20-40μm,孔隙率为40-80%,经过热压后,提高了该复合膜的机械强度,拉伸强度为20-60MPa。所述的复合材料纤维膜保留了静电纺隔膜孔隙率,吸液率高的优点,同时解决了静电纺膜中纤维之间无有效粘结点力学性能不好的缺点。本发明提供的隔膜应用在锂离子电池中,可提高电池的电化学稳定性及安全性。

标签:
复合材料
天津 - 天津 来源:北方有色网 2023-03-18
磺化单层石墨与聚合物复合材料及其制备和应用

本发明涉及一种磺化单层石墨与聚合物复合材料及其制备和应用。具体为一种使用磺化单层石墨材料作为掺杂剂,掺杂PEDOT(聚3,4-乙烯二氧噻吩)后形成的复合材料。按照下述重量份数配比制备:磺化单层石墨材料0.1~100份,聚合物0.1~100份。本发明提供的磺化单层石墨与聚合物复合材料高透光,高导电,可溶水和有机溶剂,价格便宜。在有机电致光显示、有机太阳能电池等有机光电器件中可得到广泛应用,例如有望替代PSS(聚苯乙烯磺酸)-PEDOT,将成为一种新型空穴传输材料。

标签:
复合材料
天津 - 天津 来源:北方有色网 2023-03-18
改性硬碳硅碳复合材料及其制备方法和应用、锂离子电池

本发明涉及一种改性硬碳硅碳复合材料及其制备方法和应用、锂离子电池,其包括以下步骤:将硬碳前驱体与氧化亚硅混合进行第一煅烧,制备硬碳硅碳复合材料;将硬碳硅碳复合材料与填充有有机锂化合物的碳纳米管混合进行第二煅烧,制备预锂化硬碳硅碳复合材料;将预锂化硬碳硅碳复合材料与氮源、磷源及有机聚合物混合进行第三煅烧。各步骤之间共同作用,使制备得到的改性硬碳硅碳复合材料用作负极材料时,首次循环效率和克容量较高,且循环性能较好。

标签:
复合材料
天津 - 天津 来源:北方有色网 2023-03-18
机织管状立体复合材料力学性能的分析方法

本发明提供一种机织管状立体复合材料力学性能的分析方法,所述分析方法步骤为:机织管状立体复合材料的细观结构分析;机织管状立体复合材料的刚度分析:机织碳纤维圆管复合材料的有限元分析:在以下两种情况下对圆管进行有限元分析:第一种是圆管在相同材料、不同受力情况;第二种是圆管在相同受力、不同材料情况:在相同的尺寸和受力情况下分别进行有限元分析并得出结论。本发明通过细观力学的理论和方法对机圆织管状复合材料进行分析设计,充分发挥其材料潜力,优化复合材料的力学性能,使之能够应用的更加广泛。

标签:
复合材料
天津 - 天津 来源:北方有色网 2023-03-18
复合材料管材与金属管材的连接方法

本发明关于一种复合材料管材与金属管材的连接方法,属于异质制件连接领域。该方法的具体步骤为:首先,对金属管材连接端内部加工成锥形结构,并在连接区域周身加工出镂空孔洞;其次,将复合材料预浸料在可吹气加压的芯模上裹覆以制作复合材料管,连接处也为锥形结构;将金属管材锥形结构的连接端与复合材料管锥形结构的连接端进行扣合;第四,将复合材料预浸料小块粘贴在金属管镂空处;第五,将粘贴完成的金属管材、复合材料预浸料管材连同芯模置于成型模具内合模,固化并成型。本发明连接方法有效解决了机械连接孔边应力集中、重量大,以及胶接分散性大、可靠性低等缺点。

标签:
复合材料
天津 - 天津 来源:北方有色网 2023-03-18
预氧丝毡/环氧树脂复合材料产品及其制备方法

本发明提供一种以预氧丝毡为增强体、环氧树脂为基体的预氧丝毡/环氧树脂复合材料产品,其制备方法为:(1)环氧树脂基体的制备:称取一定量的环氧树脂,加入无水乙醇进行稀释,然后用电动搅拌机搅拌10-30min,让其充分的溶解,最后加入固化剂,并充分搅拌混合均匀;(2)预氧丝毡的预处理:将预氧丝毡无纺布放入浓度为2-5%的乙醇溶液中浸渍洗涤10min,然后将试样放入烘箱中60-80℃烘干30-60min;(3)复合材料的模压成型:将调配好的环氧树脂基体在室温条件下采用手糊法让预氧丝毡充分浸润,然后用平板敞开式模具对复合材料进行模压成型。本发明用价格较低的预氧丝毡替代价格较高的碳纤维毡,产品力学性能良好,制备方法工艺简单、易于操作、成本较低。

标签:
复合材料
天津 - 天津 来源:北方有色网 2023-03-18
复合材料表面磁控溅射镀层增厚方法

本发明公开了一种复合材料表面磁控溅射镀层增厚方法,包括步骤:1,预清洗,采用乙醇试剂对所述复合材料表面进行清洗、干燥;2,预处理,通过等离子体产生辉光放电对铝靶材和所述预清洗后的复合材料进行预处理;3,磁控溅射镀膜,采用铝靶材对预处理后复合材料进行磁控溅射镀膜,电流强度3.8~4.2A,磁控溅射镀膜开始时真空压力低于10‑3Pa,氩气保护,5.5~6.5小时;所述复合材料为环氧树脂基材料。本方法在环氧树脂基为主的复合材料表面的制备纯铝镀层厚度超过20μm,镀层外观合格,无起鼓、开裂、脱落等不良现象,层‑基结合强度>0.4MPa。镀后膜层性能良好,并且工作温度小于环氧树脂材料的玻璃化温度。

标签:
复合材料
天津 - 天津 来源:北方有色网 2023-03-18
聚苯乙烯复合材料框的制备方法

本发明公开一种聚苯乙烯复合材料框的制备方法,该制备方法所述聚苯乙烯复合材料框包括回收的聚苯乙烯材料和其重量5~10%的发泡剂,经常规生产设备和下述工艺制成:1.先将回收聚苯乙烯材料在压机中进行物理脱泡,再将消泡后的大块回收聚苯乙烯材料加入到高速粉碎机中粉碎,然后加入到双螺杆挤出机中挤出造粒;2.将造好的聚苯乙烯粒料和发泡剂加入到高速混合机中混合5~10min后,卸料至低速冷混机中,再混合5~10min,得到预混料;3.将预混料通过双螺杆挤出机组按复合材料框设计要求挤出成型即得;所述双螺杆挤出机组加热温度控制在130~185℃,模口温度控制在155~190℃。

标签:
复合材料
天津 - 天津 来源:北方有色网 2023-03-18
阻燃苯乙烯聚合物复合材料的制备方法

本发明公开一种阻燃苯乙烯类聚合物复合材料的制备方法,复合材料原料组成(重量)包括100份回收苯乙烯聚合物、10~30份阻燃剂、1~5份抑烟剂和5~30份增强剂,其制备方法工艺是:1.在105~150℃、转速600~1000r/min条件下,在高混机中搅拌增强剂至含水率为1~2%;2.将回收聚苯乙烯聚合物制品在高速粉碎机中粉碎后,加入到双螺杆机中挤出造粒;3.将造粒、干燥木粉、阻燃剂和抑烟剂依次加入到高混机中,预混5~10min,然后卸料至低速冷混机中,再混合5~10min,得预混料;4.将预混料通过双螺杆机组或单螺杆机熔融造粒,即得到阻燃苯乙烯聚合物复合材料。

标签:
复合材料
天津 - 天津 来源:北方有色网 2023-03-18
钛铝合金复合材料及其制备方法

本发明一种钛铝合金复合材料及其制备方法,涉及钛基合金,是一种Ti‑Al‑Nb‑Fe‑V‑SiCw高强度钛铝合金复合材料,其组成成分的原子百分比:Al为40~44at.%、Nb为1~2at.%、Fe为1~2at.%、V为1~2at.%、SiCw 为2~3at.%和其余部分为Ti,SiCw为碳化硅晶须,仅加入少量高密度合金元素,同时引入低密度晶须协同作用强韧化,采用熔炼浇注方式,一步到位即获得高强度钛铝合金复合材料,该钛铝合金复合材料的密度显著降低,具有高的比强度,还克服了现有技术方法需要利用原材料的粉体,通过球磨加热压烧结、高温烧结或放电等离子烧结工艺,铸造方法需要采用高成本成型工艺的缺陷。

标签:
复合材料
天津 - 天津 来源:北方有色网 2023-03-18
树脂基复合材料表面涂料的激光清洗方法

本发明公开了一种树脂基复合材料表面涂料的激光清洗方法,可解决纤维增强材料表面涂料去除易损伤基底以及激光清洗过程中难以实时判断清洗状况导致基底发生损伤的问题。具体步骤包括:将覆盖表面涂层的树脂基复合材料放置于合适的操作空间内;将树脂基复合材料置于合适厚度的液体层中,使溶液层覆盖树脂基复合材料表面涂层;确认清洗树脂基复合材料表面涂料时,纤维增强体刚发生损伤时表面涂料的温度;根据表面涂料和树脂成分设定合适的激光清洗参数;打开激光器,对树脂基复合材料的表面涂料进行清洗;确认阈值温度,并根据表面温度监控实时反馈来调节功率大小;高压液流喷射树脂基复合材料表面的涂层使其脱离复合材料表面。

标签:
复合材料
天津 - 天津 来源:北方有色网 2023-03-18
糖基介孔含锆复合材料及其制备方法和应用

本发明提供了一种糖基介孔含锆复合材料及其制备方法和应用,属于复合材料技术领域。本发明提供的制备方法,包括以下步骤:(1)将锆源的醇溶液、天然糖的水溶液、有机致孔剂混合,进行溶胶‑凝胶反应,得到前驱体凝胶;(2)对所述前驱体凝胶依次进行干燥和煅烧,得到糖基介孔含锆复合材料。本发明以天然糖为有机配体,其结构中富含的含氧官能团具有强大的金属配合能力,与锆离子具有良好的配合作用,能够增强锆的Lewis酸性。天然糖基有机配体能够充当保护剂,在溶胶‑凝胶过程中,有利于锆纳米颗粒的分散。本发明所得糖基介孔含锆复合材料的孔结构为介孔,能够增强催化点位的可及性,且利于传质。

标签:
复合材料
天津 - 天津 来源:北方有色网 2023-03-18
具有双层谐波结构的石墨烯包覆稀土元素负载铜复合材料的制备方法

本发明涉及一种具有双层谐波结构的石墨烯包覆稀土元素负载铜复合材料,其特征在于,具有稀土元素负载小粒径铜,小粒径铜再负载在大粒径铜上,外面包覆一层石墨烯改善铜‑石墨烯复合材料的强度与延伸率的双层谐波结构。采用铜粉作为铜‑石墨烯复合材料的母材,所采用的石墨烯是通过碳源在铜表面上原位生长出的,并加入稀土元素进行修饰。本发明还给出此种复合材料的制备方法。

标签:
复合材料
天津 - 天津 来源:北方有色网 2023-03-18
短切钨纤维增强钒铬基复合材料及其制备方法

本发明提供了一种短切钨纤维增强钒铬基复合材料及其制备方法,涉及聚变堆材料技术领域,能够兼顾低活化和低成本的双重要求,获得强韧性好、耐高温、综合性能优异的复合材料;该复合材料包括:直径为0.1~0.25毫米、长度为1~5厘米的短切钨纤维;平均粒径为10~80微米的金属钒粉;和平均粒径为10~80微米的金属铬粉;其致密度为97~99.1%,拉伸强度为74~113MPa,断裂韧性为10.3~13.6MPa·m1/2,热导率为51~61W/(m·K)。本发明提供的技术方案适用于短切钨纤维增强钒铬基复合材料制备的过程中。

标签:
复合材料
天津 - 天津 来源:北方有色网 2023-03-18
通过高温热处理制备二氧化硅与碳复合材料的方法

本发明公开了一种二氧化硅与碳的纳米复合材料,其特征在于,该材料是由碳包覆二氧化硅纳米颗粒复合构成,其中二氧化硅粒径尺寸为10‑30nm,碳层厚度为1‑10nm,在该复合材料中二氧化硅与碳的质量百分比为:(0.5~0.8):(0.5~0.2),该二氧化硅与碳的纳米复合材料应用于锂离子电池负极。本发明同时提供一种通过高温热处理制备上述二氧化硅与碳复合材料的方法。

标签:
复合材料
天津 - 天津 来源:北方有色网 2023-03-18
用于光电催化的核壳结构纳米复合材料的制备方法

本发明公开了属于半导体复合材料制备领域的用于光电催化的ZnO/CdS/Ag2S核壳结构纳米复合材料的制备方法。首先通过溶胶凝胶法制备ZnO种子层溶胶;采用浸渍?提拉法在ITO导电玻璃基底上涂覆ZnO种子层,经过热处理后,将长有ZnO种子层的导电玻璃放置在ZnO生长溶液中经过热水浴处理,得到ZnO纳米棒;采用离子交换法将CdS、Ag2S纳米粒子沉积到ZnO纳米层上,得到ZnO/CdS/Ag2S核壳结构纳米复合材料。本发明所获得的ZnO/CdS/Ag2S核壳结构纳米复合材料垂直生长于基底,平均直径达到120nm,表面附着CdS、Ag2S颗粒均匀,其吸光达到373nm,光电流达到1.52mA·cm2(1.2V?vs?Ag/AgCl),光电性能显著提高。本发明提供的方法的特点:1、设备要求低、工艺简单易控。2、扩大光响应范围、提高光电效率。3、有效抑制光生电子空穴复合,促进电子空穴有效分离。

标签:
复合材料
天津 - 天津 来源:北方有色网 2023-03-18
低翘曲、高光泽、高韧性的ASA复合材料及其制备方法和应用

本发明公开了一种低翘曲、高光泽、高韧性的ASA复合材料及其制备方法和应用。该ASA复合材料包括AS树脂、ASA胶粉1、ASA胶粉2、丙烯酸酯低聚物改性叶腊石填充物、相容剂和加工助剂;本发明提供的低翘曲、高光泽、高韧性的ASA复合材料以AS树脂为基材,添加丙烯酸酯低聚物改性叶腊石填充物、不同丙烯酸橡胶粒径的ASA胶粉进行综合改性,得到的ASA复合材料具有低翘曲、高光泽、高韧性的优点。

标签:
复合材料
天津 - 天津 来源:北方有色网 2023-03-18
贵金属掺杂的金属有机框架复合材料在检测河豚毒素中的应用、河豚毒素的检测方法

本发明涉及河豚毒素的检测技术领域,尤其涉及贵金属掺杂的金属有机框架复合材料在检测河豚毒素中的应用、河豚毒素的检测方法。本发明提供了贵金属掺杂的金属有机框架复合材料在检测河豚毒素中的应用,贵金属掺杂的金属有机框架复合材料包括金属有机框架和掺杂在所述金属有机框架多孔结构中的贵金属纳米颗粒;检测河豚毒素的方法为荧光检测或表面增强拉曼检测;检测河豚毒素的过程中,以Cy3荧光染料标记的河豚毒素适配体为识别元件。所述贵金属掺杂的金属有机框架复合材料可以提高对河豚毒素的检测灵敏性和准确性,同时还可以实现检测手段的多样性,应用性较好。

标签:
复合材料
天津 - 天津 来源:北方有色网 2023-03-18
碳纤维复合材料的电磁无损检测的建模方法

本发明提供了碳纤维复合材料的电磁无损检测的建模方法,包括以下步骤:S1:在准静态三点弯曲的条件下,构建碳纤维复合材料的载荷弯曲‑电导率模型;S2:基于碳纤维复合材料的电无效长度,构建碳纤维复合材料的纤维断裂‑电导率模型;S3:利用纤维断裂‑电导率模型对载荷弯曲‑电导率模型修正,构建最终模型。本发明将电无效长度后的“纤维断裂‑电导率”模型相结合,同时考虑了宏观上由于承受载荷导致弯曲应变的电导率变化和微观上纤维断裂之后相互褡裢,重新形成导电路径,导致的电导率变化,推广得到三点弯曲下的机电耦合模型。

标签:
复合材料
天津 - 天津 来源:北方有色网 2023-03-18
用于电力电子集成的低温固化高磁导率磁性复合材料及制备方法

本发明涉及一种用于电力电子集成的低温固化高磁导率磁性复合材料及制备方法,将苯并环丁烯、Metglas 2705M片状粉末、坡莫合金球形粉末混合,并加入聚丙烯酰胺和丙酮,在球磨机中振动混合后制成具有良好流动性的磁性浆料,然后将磁性浆料浇注入模具中,在低温下加热固化,冷却脱模后得到磁性复合材料磁芯。由于片状Metglas 2705M粉末为磁通提供了导通路径,因而相比于软磁铁氧体而言,本发明可以提高复合材料在高频下的磁导率,在兆赫级频率下,复合材料的相对磁导率可以达到26以上。同时,在250℃以下就可以固化,相比于软磁铁氧体900℃以上的加工温度,不仅进一步简化了制备工艺,而且减少能耗。

标签:
复合材料
天津 - 天津 来源:北方有色网 2023-03-18
土工复合材料及其制造方法

本发明涉及一种土工复合材料,还涉及这种土工复合材料的制造方法。其特征在于该土工复合材料的构成从上至下分别是一层土工膜、上层土工织物、膨润土层、下层土工织物。膨润土通过化学粘和而位于两层土工织物之间,土工膜与上层土工织物复合在一起,这种土工复合材料的制造方法是首先完成土工膜与上层土工织物的高温高压热复合,其次完成上层土工织物下表面和下层土工织物上表面的涂粘合剂并撒膨润土,然后将土工膜、上层土工织物、膨润土层、下层土工织物进行挤压压实,成型。本发明因为通过化学粘和而位于两层土工织物之间的膨润土和与上层土工织物复合在一起的土工膜,两者均对液体气体渗漏起防止作用,形成两层液体气体屏障,防止液体气体渗漏效果好,使用方便、安全、可靠。

标签:
复合材料
天津 - 天津 来源:北方有色网 2023-03-18
NITI/PZT复合材料的应用

本发明设计了一种NiTi/PZT复合材料的新用途。它直接将片状NiTi/PZT复合材料作为阻尼器,使用在工程结构的振动环境中。所述NiTi/PZT复合材料的厚度为100-150μm,其中:以NiTiSMA材料为基体,PZT以1-10μm厚度的薄膜形式复合在NiTiSMA两侧表面上,并在NiTiSMA基体与PZT之间有1μm-5μm厚度的TiO2过渡层。本发明直接将片状NiTi/PZT复合材料作为阻尼器,结构中没有任何其它电子结构、机械结构,及任何封装结构,仅通过NiTiSMA与PZT两种阻尼材料的阻尼特性及两种材料复合后的优势互补,在空气环境中实现对环境的振动阻尼。

标签:
复合材料
天津 - 天津 来源:北方有色网 2023-03-18
碳纳米管-碳纤维混合增强环氧树脂复合材料的制备方法

一种碳纳米管‑碳纤维混合增强环氧树脂复合材料的制备方法。其包括对碳纤维表面进行改性处理;制备含碳纳米管的上浆剂;制备碳纳米管‑碳纤维增强体;制备含碳纳米管增强环氧树脂基体;制备碳纳米管‑碳纤维混合增强环氧树脂复合材料等步骤。本发明提供的碳纳米管‑碳纤维混合增强环氧树脂复合材料较传统的碳纤维增强环氧树脂复合材料力学性能得到明显改善,其中,界面剪切强度提高了34~42%,复合材料层间剪切强度提高了31~34%。本发明提供的复合材料制备方法具有成型工艺简单,力学性能优异等优点。

标签:
复合材料
天津 - 天津 来源:北方有色网 2023-03-18
用于锂硫电池正极的碳硫复合材料及其制备方法

一种用于锂硫电池正极的碳硫复合材料,为注入多孔空心碳球的单质硫,其中多孔空心碳球通过简单的模板法合成,并采用熔融扩散的方法将单质硫注入到多孔空心碳球中;该碳硫复合材料用于制备高性能锂硫纽扣电池的正极材料,正极由碳硫复合材料、粘合剂和导电剂组成,粘结剂为聚四氟乙烯或聚偏氟乙烯;导电剂为碳纳米纤维、导电石墨、乙炔黑、Super?P中的一种或两种以上任意比列的混合物。本发明的优点:与已报道的锂硫二次电池体系相比,该正极材料具有制备方法简单、比容量较大为1450mAhg-1、库伦效率高,大于99.0%、循环性能好,循环50周后仍保持初始容量的93.6%等优点,有望应用于下一代大规模储能电池。

标签:
复合材料
天津 - 天津 来源:北方有色网 2023-03-18
石墨烯/二硫化钼复合材料及其液相制备方法

本发明本发明属于二维复合材料领域,具体涉及一种石墨烯/二硫化钼复合材料及其液相制备方法。该复合材料的结构为表面包覆二硫化钼纳米片的石墨烯微片。具体制备方法包括:首先将四硫代钼酸铵与石墨烯粉末溶解于去离子水中;之后将混合溶液转移至反应容器中,在高温下进行水热反应;最后通过离心和洗涤获得反应产物。通过改变二硫化钼的层数来调控二硫化钼的带隙宽度,从而可以吸收不同波长的光,可以极大地扩展基于该复合材料制成的光电器件的光谱响应范围,同时利用石墨烯高载流子迁移率的性质,可以极大地扩展基于该复合材料制成的光电器件的灵敏度。

标签:
复合材料
天津 - 天津 来源:北方有色网 2023-03-18
上一页 95 96 97 98 99 ... 105 下一页
共105页    到第

北方有色为您提供最新的天津有色金属复合材料技术理论与应用信息,涵盖发明专利、权利要求、说明书、技术领域、背景技术、实用新型内容及具体实施方式等有色技术内容。打造最具专业性的有色金属技术理论与应用平台!

全国热门有色金属设备推荐
展开更多 +
全国热门有色金属技术推荐
展开更多 +

 

江西省隆恩特环保设备有限公司
宣传

报名参会
更多+

报告下载

有色专家
更多+

武汉科技大学
校学术委员会主任 / 教授
江西理工大学
副校长/教授
江西省科学院应用化学研究所
副主任/副研究员
中国有色金属工业协会
副会长兼秘书长
中铝郑州有色金属研究院有限公司
党委书记 董事长
赤泥综合利用研究报告2025
推广

热门技术
更多+

推荐企业
更多+

福建省金龙稀土股份有限公司
宣传

发布

在线客服

公众号

电话

顶部
咨询电话:
010-88793500-807