青岛垚鑫智能科技有限公司
宣传

位置:北方有色 >

有色技术频道 >

> 复合材料技术

分类:
全部
矿山技术
冶金技术
材料制备及加工技术
环境保护技术
分析检测技术
 
全部
功能材料技术
复合材料技术
新能源材料技术
合金材料技术
加工技术
地区:
全部
北京
天津
上海
重庆
河北
山西
辽宁
吉林
黑龙江
江苏
浙江
安徽
福建
江西
山东
河南
湖北
湖南
广东
海南
四川
贵州
云南
陕西
甘肃
青海
内蒙
广西
西藏
宁夏
新疆
其他
其他
展开
 
全部
天津

天津有色金属复合材料技术理论与应用

免费发布技术信息>>
用于锂/钠离子电池负极的氧化锡/碳纤维复合材料及制备方法

本发明提供用于锂/钠离子电池负极的氧化锡/碳纤维复合材料及制备方法。将聚丙烯腈加到二甲基甲酰胺中,搅拌得到混合溶液;将氢氧化锡酸锌在马弗炉中进行煅烧,后将产物Zn‑Sn‑O纳米颗粒加入到混合溶液中并充分搅拌均匀;将得到的混合溶液移入到注射器中进行静电纺丝,得到Zn‑Sn‑O纳米颗粒/聚丙烯腈的复合材料;将得到的复合材料首先在空气中预煅烧,然后在惰性气体下煅烧得到Zn‑Sn‑O纳米颗粒/碳纤维复合材料;最后通过稀盐酸刻蚀,洗涤,干燥得到多孔的氧化锡/碳纤维复合材料。当用在钠离子电池中,在100mA g‑1的电流密度下,循环200次其比容量可达280mA h g‑1以上,库伦效率接近100%。

标签:
复合材料
天津 - 天津 来源:北方有色网 2023-03-18
石墨烯和氧化物陶瓷复合材料及制备方法

本发明涉及一种石墨烯和氧化物陶瓷复合材料及制备方法,是以氧化石墨为石墨烯前驱体,与氧化锆陶瓷粉按照一定比例混合,成型和烧结形成石墨烯和氧化锆陶瓷复合材料。由本发明制备的石墨烯和氧化锆陶瓷复合材料具有纳米片层石墨烯均匀分布于陶瓷基体构成网络连接的纳米复合结构,该纳米复合结构有利于增强陶瓷,赋予陶瓷半导体、导电、导热和电化学等功能特性,该复合材料可用于发展传感器、电磁屏蔽、电加热器件、导热材料和储能电极等,用于航空航天、电子、化工和能源领域。该石墨烯和氧化物陶瓷复合材料在烧结过程中一步形成,不需功能化和混合等过程,制备过程简单,适于规模化生产。

标签:
复合材料
天津 - 天津 来源:北方有色网 2023-03-18
用于医学的高性能复合材料及其制备方法

本发明提供一种用于医学的高性能复合材料及其制备方法,涉及复合材料技术领域。该一种用于医学的高性能复合材料,包括以下重量份比组成聚乳酸50‑60份、纳米银增强体15‑20份、PEG复合膜材料10‑15份、抗老化剂1‑1.7份、分散剂1‑1.7份、DH‑2塑料增强剂2‑3份,所述制得的复合材料的表面覆盖有增强层,所述增强层的材料为医用高分子固化树脂,所述增强层的厚度为0.15‑0.4mm。通过选用合理的塑料材料原料聚乳酸,使其均有可降解的性能,能够很好的进行回收处理,通过加入纳米银增强体和PEG复合膜材料,能够使制得的复合材料均有一定的抗菌性能,而且能够使制得复合膜材料的强度‑重量比较大,应用于医疗仪器的各种支架结构中,具有很大的市场价值。

标签:
复合材料
天津 - 天津 来源:北方有色网 2023-03-18
超分子作用结合的聚丙烯酸/氧化石墨烯纳米复合材料及其制备方法和应用

本发明公开了一种以金刚烷/环糊精超分子作用结合的聚丙烯酸/氧化石墨烯纳米复合材料及其制备方法和应用。该复合材料能负载的具有共轭体系的药物,能使负载药物避免受胃部酸性环境和酶的作用。同时,该纳米复合材料能用做污水处理的自分离吸附剂,因为通过超分子作用连接于氧化石墨烯上的聚丙烯酸聚合物具有pH值响应性,因此该复合材料能够吸附污水中的染料颜料等,通过改变pH值,复合材料能负载污染物从污水中沉淀分离出来。

标签:
复合材料
天津 - 天津 来源:北方有色网 2023-03-18
氧化石墨烯掺杂单向C/C复合材料的制备方法

一种氧化石墨烯掺杂单向C/C复合材料的制备方法,属于材料技术领域。主要包括氧化石墨烯的热处理和氧化石墨烯掺杂单向C/C复合材料的制备工艺过程。具体方法如下:首先制备出氧化石墨烯预制体,将该氧化石墨烯预制体进行超声、干燥以及热处理后,将其与炭纤维和沥青置于模具中,按照一定的工艺方法制备出氧化石墨烯掺杂单向C/C复合材料。本发明的工艺过程简单、稳定且易控,原材料容易获得,不会对环境造成损害。还可有效消除单向C/C复合材料炭化制品的内部结构缺陷,使复合制品中纤维与基体的热致伸缩性趋于一致,提高单向C/C复合材料导热性能。

标签:
复合材料
天津 - 天津 来源:北方有色网 2023-03-18
反应型纤维素纳米纤丝/聚乳酸复合材料的同步制备工艺

本发明公开了一种反应型纤维素纳米纤丝/聚乳酸复合材料的同步制备工艺,属于植物基纳米复合材料制备领域。其基本特点是以聚乳酸为基体聚合物,改性纤维为增强相,采用双螺杆挤出法完成复合材料的制备。通过对纸浆纤维进行硅烷化改性,降低其亲水性的同时,借助双螺杆挤出机的高剪切和高温实现纤丝的解离,将纤维解离为纳米级别,使得硅烷偶联剂上的功能基团(‑NH2)能够更好的与聚乳酸基质中的羧基反应形成化学键,界面作用明显提高,同时也简化了复合材料的生产工艺,复合材料的力学性能得到了极大提升。

标签:
复合材料
天津 - 天津 来源:北方有色网 2023-03-18
四氧化三铁-聚苯胺-金纳米复合材料的制备方法及其应用

本发明公布了一种四氧化三铁-聚苯胺-金纳米复合材料的制备方法,是通过溶剂热法合成纳米Fe3O4作为复合材料的内核,然后将Fe3O4均匀分散到PVP水溶液中,在冰浴和持续搅拌的条件下,分别加入苯胺单体、柠檬酸和引发剂过二硫酸铵,使得苯胺在纳米Fe3O4表面聚合形成聚苯胺,从而制备Fe3O4-PANI核壳结构复合材料。随后将预先制备好的纳米金溶胶通过静电吸引同Fe3O4-PANI组装到一起,最后用种子生长法,用甲醛和还原金盐溶液使金种子长大形成金壳,制备出四氧化三铁-聚苯胺-金纳米复合材料。本发明提供了一种成本低廉、工艺简单、性能优良的四氧化三铁-聚苯胺-金纳米复合材料的制备方法及其在催化污染物对硝基苯酚的应用过程中具有灵敏快速、可重复利用等优点。

标签:
复合材料
天津 - 天津 来源:北方有色网 2023-03-18
金属过氧化物基氧气缓释复合材料及制备方法

本发明涉及污染地下水生物修复技术领域,特别涉及金属过氧化物基氧气缓释复合材料及制备方法。将金属过氧化物40%~60%、磷酸钙骨水泥20%~50%、无水硫酸钙1%~3%和黏土5%~10%混合均匀,加水送入造粒机造粒;将所得的固体颗粒浸入丙烯酸-衣康酸共聚液中,其中固体颗粒与丙烯酸-衣康酸共聚液的质量比为1∶3~1∶10,浸泡1~3分钟后取出,在18~25℃下晾干固化,即得金属过氧化物基氧气缓释复合材料。该复合材料用于污染地下水的修复时,可极大减缓金属过氧化物与水的反应速率,降低金属过氧化物的无谓损失,提高金属过氧化物的使用效率和使用周期。

标签:
复合材料
天津 - 天津 来源:北方有色网 2023-03-18
石墨烯/四氧化三铁复合材料、其制备方法及用途

本申请提供了石墨烯/四氧化三铁复合材料,所述复合材料包含还原氧化石墨烯和四氧化三铁纳米粒子,并且所述复合材料为三维多孔结构。本申请还提供了石墨烯/四氧化三铁复合材料的制备方法以及根据该制备方法制得的石墨烯/四氧化三铁复合材料及其用途。在一些实施方案中,本申请的所述石墨烯/四氧化三铁复合材料可以用作或者用于制备电磁波屏蔽材料或电磁波吸收材料。

标签:
复合材料
天津 - 天津 来源:北方有色网 2023-03-18
摩擦磨损性能得到提高的改性无机纳米颗粒/环氧树脂复合材料及其制备方法

一种摩擦磨损性能得到提高的改性无机纳米颗粒/环氧树脂复合材料,按质量百分比,由以下组分组成:环氧树脂95%~99.9%、改性无机纳米粒子0.1%~5.0%,上述组分总量为100%。该材料首先是将原始碳纳米管分别进行羧基化和胺基功能化改性,然后将得到的胺基化的碳纳米管和环氧树脂进行机械混合,固化,得到碳纳米管增强环氧树脂复合材料,最后通过表面化学复合镀技术在环氧树脂复合材料表面再镀上一层Ni-P-CNTs复合镀层。通过纳米颗粒的填充和表面化学复合镀技术的有机结合起到减摩耐磨的效果。此外,本发明工艺简单、易于实施,使得环氧树脂的耐磨性得到了显著的提高。

标签:
复合材料
天津 - 天津 来源:北方有色网 2023-03-18
航空复合材料性能检测装置

本实用新型公开了航空复合材料性能检测装置,包括箱体、振动板和U型夹;所述箱体前侧面中部上方螺丝固定连接有旋钮定时开关,所述旋钮定时开关底部连接有电源线,所述箱体内腔中部横向设置有振动板,所述振动板顶端中部螺栓固定连接有高频振动电机,所述振动板顶部左右两侧对称垂直固定焊接有振动杆,两组所述振动杆外壁上均缠绕有弹簧A和弹簧B,两组所述振动杆顶部对称固定焊接有U型夹。本实用新型转动转盘,转盘带动螺纹杆转动,螺纹杆转动的过程中通过轴承带动夹块下降至航空复合材料顶部,使得两组夹块将航空复合材料固定夹持在两组U型夹内,使得本装置可以方便的对航空复合材料进行固定,进而可以方便的对航空复合材料进行检测工作。

标签:
复合材料
天津 - 天津 来源:北方有色网 2023-03-18
5G天线罩复合材料及其制作方法

本发明公开了一种5G天线罩复合材料及其制作方法,涉及天线罩技术领域,所述复合材料原料按重量份包括以下组分:聚丙烯60~70份、玻璃纤维15~20份、闪烧高岭土15~20份和助剂0.1~3份。本发明天线罩复合材料以聚丙烯(PP)作为基材,填充玻璃纤维增强其力学性能,在此基础上辅以闪烧高岭土降低材料的密度及介电常数,使得该天线罩复合材料具有轻量化、低介电的优点,解决了现有技术中天线罩复合材料重量及介电常数较高的问题;本发明制作方法简单,成本较低,采用本发明制作方法制得的天线罩复合材料在不影响其力学性能的基础上,进一步降低了5G天线罩材料的密度及介电常数,达到了轻量化、低介电的目的,适宜广泛推广。

标签:
复合材料
天津 - 天津 来源:北方有色网 2023-03-18
氮化物陶瓷-微晶玻璃复合材料及其制备方法

本发明公开了一种氮化物陶瓷-微晶玻璃复合材料及其制备方法,该氮化物陶瓷-微晶玻璃复合材料由20~90wt.%的氮化硅、10~70wt.%的氧化硼和0~70wt.%的二氧化硅混合后烧制而成;其中氧化硼由硼酸脱水转化得到。其制备方法为先称取原料,采用湿法混磨至均匀,得到浆料;然后干燥,得到固体粉末后装入模具,在真空或惰性气体保护条件下于200~700℃保温1~3h,然后以5~20℃/min的速率升温;当温度升至1550~1850℃时,加压,维持压力在5~20MPa热压1~3h;冷却、脱模,得到所述氮化物陶瓷-微晶玻璃复合材料。该方法制备周期短,产量高,制得产品性能均一。

标签:
复合材料
天津 - 天津 来源:北方有色网 2023-03-18
金属与复合材料缝合连接方法

本发明关于一种金属与复合材料缝合连接方法,属于异种材料连接领域。该连接方法包括以下步骤:首先,对金属部件预与复合材料进行连接的部位加工出整齐排列的通透槽孔;第二,对金属部件预与复合材料连接重合的接触区域进行表面的粗糙改性;第三,用预浸有树脂的纤维或干纤维塞入槽孔,将复合材料预成型体与金属部件重叠放置,并用夹具夹持固定;第四,用缝针牵引缝线穿过金属槽孔和复合材料预成型体,依次穿过相邻的槽孔进行缝合。最后,将夹具卸下,再将连接件放入成型模具中一体固化成型。本发明的缝合连接方法由于引入了Z向缝合线,可以大大的提高金属与复合材料之间的连接强度,不但连接部件重量轻,而且不会引起应力集中。

标签:
复合材料
天津 - 天津 来源:北方有色网 2023-03-18
阻燃天然纤维复合材料及其制备方法

本发明提供了一种阻燃天然纤维复合材料及其制备方法,属于复合材料制备技术领域。所述阻燃天然纤维复合材料的制备方法,包括以下步骤:利用NaOH对天然纤维进行处理,对NaOH处理后的纤维进行阻燃处理,其次制备天然纤维预浸料,利用尿素和偶联剂对天然纤维预料进行处理,最后利用模压成型工艺对天然纤维预浸料进行热压,得到阻燃天然纤维复合材料。这种复合材料具有优异的阻燃性能且能提升复合材料的力学性能,应用前景广泛。

标签:
复合材料
天津 - 天津 来源:北方有色网 2023-03-18
碳纳米管和碳的复合材料及其制备方法

本发明涉及一种碳纳米管和碳的复合材料及其制备方法。以碳纳米管宏观体为预制体,采用化学气相沉积法热解含碳前驱体将碳沉积于碳纳米管宏观体,制备出碳纳米管和碳的复合材料,碳纳米管的质量分数为0.5-95%。该方法选用碳纳米管取向和排布的各种碳纳米管宏观体为预制体,获得具有高度分散、高体积含量和各种取向排布的碳纳米管和碳的复合材料;纤维预制体设计可构造和制备纤维、薄片和块体等不同形态和各种尺度的复合材料;选用碳源,控制沉积温度、反应时间和气压等进行沉积碳制备,进而获得多种力学和电学性能的碳纳米管和碳的复合材料,有望作为高性能复合材料、导电导热材料和功能材料,用于航空航天、国防装备和功能材料器件等领域。

标签:
复合材料
天津 - 天津 来源:北方有色网 2023-03-18
具有核壳结构的二维石墨烯包裹铜复合材料及其制备方法和应用

本发明公开了一种具有核壳结构的二维石墨烯包裹铜复合材料及其制备方法和应用,所述石墨烯包覆铜复合材料的结构为纳米铜颗粒由外层石墨烯包裹形成的核壳结构,所述石墨烯包覆铜复合材料通过静电吸附自组装法构建,石墨烯包覆铜后不仅可以避免铜颗粒氧化,保证复合材料本征的催化能力和导电性,也能控制金属粒子的膨胀/压缩,促进两种材料之间的协同作用从而显著提高复合材料整体性。具有核壳结构的二维石墨烯包裹铜复合材料拥有优异的电磁屏蔽性能。

标签:
复合材料
天津 - 天津 来源:北方有色网 2023-03-18
可呼吸的层状纳米多孔铜银复合材料及其制备方法

本发明为一种可呼吸的层状纳米多孔铜银复合材料。该复合材料为薄带,该材料包括中间的纳米多孔铜银,以及向两侧依次为纳米多孔铜、纳米多孔铜银。本发明以CuxZryTizAgw为前驱体合金,其中x,y,z,w为原子百分比,35≤x≤45,15≤y≤25,15≤z≤25,10≤w≤30且x+y+z+w=100;该材料每层上的纳米孔洞完全通透、孔径可调,并且层与层之间通过纳米孔洞相通,所以该复合材料不但可以起到对细菌的多层屏障的作用,而且完全可呼吸。在口罩过滤片材料领域具有更好的过滤杀菌性能。

标签:
复合材料
天津 - 天津 来源:北方有色网 2023-03-18
高导热石墨复合材料的制备方法

本发明涉及一种高导热石墨复合材料的制备方法,其特征是:1)将鳞片石墨完全浸没在硝酸和硫酸(体积比1:3)混酸中进行插层处理,制备可膨胀石墨。2)瞬间受热,制备得到多层面石墨片;3)用真空浸渍的方法表面涂敷一层聚碳硅烷PCS,并碳化,使表面产生碳化硅层;4)用浮游催化法,在表面生长碳纳米管阵列CNT,生成G/CNT复合材料;5)用G/CNT复合材料与GO溶液浸渍,使表面包覆一层GO,最终制备出G/CNT/GO复合材料;6)用G/CNT/GO复合材料热压制备复合石墨块。

标签:
复合材料
天津 - 天津 来源:北方有色网 2023-03-18
透气PVC复合材料生产方法

本发明公开了一种透气PVC复合材料生产方法,其通过将原料高速搅拌混合均匀,而后经过密炼和开炼,之后经压延、冷却、牵引,得到卷状PVC膜,最后通过压花、粘结得到透气PVC复合材料。本发明针对3D织物花纹压花时纤维组织变形的问题,通过压花机与织物接触加热轮循环降低温度,以保证织物不被高温加热变形;另外,为使复合材料总厚度变薄,通过调整压花轮间隙及压花点温度以得到较薄的PVC复合材料;此外,针对现有技术中表面花纹不清晰的问题,通过精准控制压花点温度,可保证PVC复合材料总厚度和花纹清晰。

标签:
复合材料
天津 - 天津 来源:北方有色网 2023-03-18
硅基氧化物(SiO2_ x)/合成橡胶复合材料的制备方法

本发明提供一种硅基氧化物(SiO2_ x)—纳米二氧化硅/合成橡胶复合材料的制备方法,该方法包括硅基氧化物(SiO2_ x)—纳米二氧化硅、合成橡胶和硅烷偶联剂或硅烷化合物本发明的优点是(1)在制造期间设备、工艺简单可靠,在随后使用从复合材料制造的制品期间不增添设备,(2)改进合成橡胶弹性体复合物的过早硫化安全性,它采用硅基氧化物(SiO2_ x)—二氧化硅作为合成橡胶改性剂和含羟基的硅烷偶联剂作为接枝改性材料(3)与目前本领城已知的类似复合材料相比,显著提高复合材料的强力、耐磨性、耐候性和热老化性能,降低复合材料的综合成本。

标签:
复合材料
天津 - 天津 来源:北方有色网 2023-03-18
磁性石墨烯基氧化锌复合材料的制备方法

一种磁性石墨烯基氧化锌复合材料的制备方法,首先通过溶剂热法合成不同尺寸Fe3O4纳米微球修饰的磁性石墨烯复合材料,然后通过溶胶凝胶法制备纳米氧化锌溶胶,最后以磁性石墨烯和氧化锌溶胶为原料,通过机械搅拌,合成磁性石墨烯基氧化锌复合材料。本发明的优点:该磁性石墨烯基氧化锌复合材料制备方法简单,工艺合理、易于实施;制备的磁性石墨烯基氧化锌复合材料用于光催化染料时具有良好的催化性能;该制备方法集磁性石墨烯与氧化锌纳米粒子的特性于一身,表现出良好的吸附、电子转移、光催化、易于分离等能力,提供了一种磁性石墨烯基氧化锌复合材料的制备方法,拓宽了磁性石墨烯材料在光催化应用领域的范围。

标签:
复合材料
天津 - 天津 来源:北方有色网 2023-03-18
太阳能电池互连片用钼/银层状金属基复合材料与制备工艺

本发明涉及一种太阳能电池互连片用钼/银层状金属基复合材料与制备工艺。采用真空金属等离子注入技术,将金属元素按照一定能量和剂量注入到经过打磨、脱脂处理和酸洗活化处理的钼金属箔互连片材料中,采用无氰电镀的方法在钼金属箔表面覆银。随后再进行氩气保护下的高温退火,使银金属元素扩散渗入钼金属箔中,形成钼/银界面的冶金结合,从获得了具有高界面结合强度、高焊接强度的钼/银层状金属基复合材料,单点电阻点焊时其焊接(界面)强度达到了460克力(gf)。本发明摒弃了添加中间金属层和有氰电镀银,制备出了钼/银层状金属基复合材料,通过了地面测试,达到了性能要求。

标签:
复合材料
天津 - 天津 来源:北方有色网 2023-03-18
复合材料筒爆破用密封装置

本实用新型公开了一种复合材料筒爆破用密封装置,包括放置于复合材料筒两端内部的上密封具和下密封具、Ⅰ号密封圈、Ⅱ号密封圈以及设置于复合材料筒两端外部的卡箍,上密封具由通过螺钉固定的上密封具上部和上密封具下部组成,下密封具由通过螺钉固定的下密封具上部和下密封具下部组成;上密封具下部和下密封沿外圆周壁均形成凹槽,Ⅱ号密封圈设置于凹槽内;上密封具下部向上形成上凸台,其外部设置有四个通过弹簧与其连接的上圆弧板;下密封具上部向下形成下凸台,其外部设置有四个与其通过弹簧连接的下圆弧板,四个上圆弧板和四个下圆弧板外部均设置有Ⅰ号密封圈。本实用新型操作简单,密封效果好,不易损坏、适用于不同尺寸的复合材料筒。

标签:
复合材料
天津 - 天津 来源:北方有色网 2023-03-18
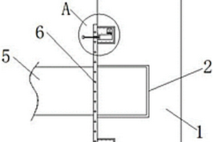
适用于复合材料叶片钻孔的定位装置

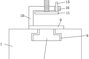
本实用新型涉及复合材料叶片加工领域,公开了一种适用于复合材料叶片钻孔的定位装置,针对现有技术中复合材料叶片加工效率慢和精度差的问题,现提出如下方案,其包括操作台,所述操作台的顶部一侧开设有滑槽,滑槽的内部滑动连接有两个滑块,两个滑块的顶部均延伸至滑槽的外部,两个滑块位于滑槽外部的一端均固定有固定座,两个固定座的顶部均固定有固定架,两个固定架均为字形结构,两个固定架的顶部均螺纹连接有螺纹柱,且螺纹柱贯穿固定架设置。本实用新型结构合理,设计巧妙,操作简单,可以很方便的对叶片进行固定和定位叶片上钻孔的位置,解决了现有技术中复合材料叶片加工效率慢和精度差的问题,易于推广使用。

标签:
复合材料
天津 - 天津 来源:北方有色网 2023-03-18
添加炭化FF 的HDPE/FF 复合材料及其制备方法

本发明涉及一种添加炭化FF的HDPE/FF复合材料及其制备方法,具体涉及将再生天然纤维进行表面处理,此外,将天然纤维自身进行炭化处理,用活化剂进行活化处理,将改性后的天然纤维与高分子材料通过熔融共混复合;在高密度聚乙烯/鸡毛纤维(HDPE/FF)复合材料中添加活化改性后的炭化FF,改性后的复合材料不仅保留了HDPE/FF原有的优良的特性,还很好的增强了复合材料的韧性;使得复合材料的实际产业化生产提供了可能;并研究了非等温结晶动力学和驰豫行为,为蛋白质类再生天然纤维/高分子复合材料的生产提供了理论依据。

标签:
复合材料
天津 - 天津 来源:北方有色网 2023-03-18
磁性石墨烯基二氧化钛复合材料的制备方法

一种磁性石墨烯基二氧化钛复合材料的制备方法,首先通过溶剂热法合成不同尺寸Fe3O4纳米微球修饰的磁性石墨烯复合材料,然后以磁性石墨烯和钛酸四丁酯为原料,通过机械搅拌,合成磁性石墨烯基二氧化钛复合材料。本发明的优点:该磁性石墨烯基二氧化钛复合材料制备方法简单,工艺合理、易于实施;制备的磁性石墨烯基二氧化钛复合材料用于光催化染料时具有良好的催化性能;该制备方法集磁性石墨烯与二氧化钛纳米粒子的特性于一身,表现出良好的吸附、电子转移、光催化、易于分离等能力,提供了一种磁性石墨烯基二氧化钛复合材料的制备方法,拓宽了磁性石墨烯材料在光催化应用领域的范围。

标签:
复合材料
天津 - 天津 来源:北方有色网 2023-03-18
使用共轭聚合物和氮化硼复合材料吸附二氧化碳及监测其缓慢释放的方法

本发明提供了一种使用共轭聚合物和氮化硼复合材料吸附二氧化碳吸附及监测其缓慢释放的方法。所述共轭聚合物的结构式如式(I)所示。该方法根据二氧化碳对该刺激响应共轭聚合物的荧光共振能量转移(FRET)技术以及氮化硼对二氧化碳的吸附,赋予复合材料双重功能,来检测复合材料对CO2的吸附和缓慢释放过程。同时,这一过程又会促使刺激响应聚合物和氮化硼通过疏水作用及静电相互作用进一步组装,形成超分子聚合物体系,进而通过二氧化碳调控共轭聚合物和氮化硼的聚集状态或者构象。

标签:
复合材料
天津 - 天津 来源:北方有色网 2023-03-18
二硫化钼-埃洛石纳米管复合材料的制备方法

本发明二硫化钼‑埃洛石纳米管复合材料的制备方法,涉及复合材料,采用微波水热法制备二硫化钼‑埃洛石纳米管复合材料,步骤是:制备埃洛石纳米管;配制钼酸盐、硫化物和埃洛石纳米管的反应物原料混合液;将该反应物原料混合液倒入聚四氟乙烯反应釜置于微波水热设备中完成反应物的微波水热法有效复合;微波水热法所得产物经洗涤干燥制得二硫化钼‑埃洛石纳米管复合材料。本发明克服了二硫化钼复合材料制备的现有技术在干燥或退火过程中二硫化钼复合材料容易重新聚集或堆叠,以及制备工艺复杂、反应周期长、能耗高和成本高的缺陷。

标签:
复合材料
天津 - 天津 来源:北方有色网 2023-03-18
航空复合材料构件与金属构件的连接机构

本实用新型涉及构件连接技术领域,公开了一种航空复合材料构件与金属构件的连接机构,包括复合材料构件和金属构件;所述复合材料构件的一侧开设有安装槽和四组固定槽,四组所述固定槽均置于安装槽的外侧,所述固定槽的顶端内壁开设有插槽。本实用新型通过安装槽和固定槽,方便复合材料构件与金属构件的插接,通过第一活塞槽、通槽、第二活塞槽、第一活塞、第二活塞和插销的结合,转动螺杆能够推动第一活塞移动,把第一活塞槽内的空气压入至第二活塞槽内,进一步把第二活塞顶端的插销推入至插槽内,使固定槽与固定块固定连接,反向转动螺杆,能带动插销收入至第二活塞槽内,方便复合材料构件和金属构件的安装和拆卸。

标签:
复合材料
天津 - 天津 来源:北方有色网 2023-03-18
上一页 93 94 95 96 97 ... 105 下一页
共105页    到第

北方有色为您提供最新的天津有色金属复合材料技术理论与应用信息,涵盖发明专利、权利要求、说明书、技术领域、背景技术、实用新型内容及具体实施方式等有色技术内容。打造最具专业性的有色金属技术理论与应用平台!

全国热门有色金属设备推荐
展开更多 +
全国热门有色金属技术推荐
展开更多 +

 

江西省隆恩特环保设备有限公司
宣传

报名参会
更多+

报告下载

有色专家
更多+

太原理工大学
院长/教授
广西大学
处长/教授
中冶沈勘秦皇岛工程技术有限公司
原矿山院院长/教授级高工
北京科技大学
副院长/教授
重庆理工大学
教授
赤泥综合利用研究报告2025
推广

热门技术
更多+

推荐企业
更多+

福建省金龙稀土股份有限公司
宣传

发布

在线客服

公众号

电话

顶部
咨询电话:
010-88793500-807