青岛垚鑫智能科技有限公司
宣传

位置:中冶有色 >

有色技术频道 >

> 复合材料技术

分类:
全部
矿山技术
冶金技术
材料制备及加工技术
环境保护技术
分析检测技术
 
全部
功能材料技术
复合材料技术
新能源材料技术
合金材料技术
加工技术
地区:
全部
北京
天津
上海
重庆
河北
山西
辽宁
吉林
黑龙江
江苏
浙江
安徽
福建
江西
山东
河南
湖北
湖南
广东
海南
四川
贵州
云南
陕西
甘肃
青海
内蒙
广西
西藏
宁夏
新疆
其他
其他
展开
 
全部
天津

天津有色金属复合材料技术理论与应用

免费发布技术信息>>
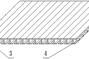
高强度可模块化设计复合材料车厢底板

本发明创造公开了一种高强度可模块化设计复合材料车厢底板,包括依次贴合设置的多个工字梁,工字梁包括腹板、上平板和下平板,下平板的长度小于上平板的长度,在腹板上开设有多个杆孔,且多个工字梁通过插装在杆孔内的连接杆固定;所述工字梁和连接杆均采用复合材料并通过拉挤工艺生产,具有结构稳定,成本低,易安装,易于实现规模化生产的优点,同时可用于模块化设计的物流车厢复合材料底板结构,解决了复合材料在物流车厢主承力结构——底板部分,在制造及应用中存在的一系列难题,的底板有效减轻车身重量,提高运输效率,并延长了车厢的使用寿命,极大的提高了经济效益。

标签:
复合材料
天津 - 天津 来源:中冶有色网 2023-03-18
基于表面阳极氧化纳米多孔钼的钼/铂/银层状复合材料制备方法

本发明公开了一种基于表面阳极氧化纳米多孔钼的钼/铂/银层状复合材料的制备方法,主要包括配制电解液、镀Pt液和镀Ag液,通过阳极氧化处理在钼箔表面形成具有纳米多孔,在具有纳米多孔的钼箔表面电镀Pt得到Mo/Pt电镀试样,对Mo/Pt电镀试样进行清洗、除气、压延和退火处理得到Mo/Pt层状试样,最后对该Mo/Pt层状试样进行银金属层复合。首先通过阳极氧化法在Mo表面制备出纳米多孔结构,以提高Mo箔的表面活性、然后制备Mo/Pt/Ag层状复合材料。本发明制备方法是一种能有效提高Mo/Pt/Ag层状复合材料界面结合强度以及焊接性能的制备方法。将本发明得到的Mo/Pt/Ag层状复合材料与空间砷化镓电池的电阻点焊拉伸结合强度可以满足国军标GJB2602‑1996和航天用户提出的160gf指标要求。

标签:
复合材料
天津 - 天津 来源:中冶有色网 2023-03-18
气凝胶复合材料及其制备方法

本发明属于保温材料技术领域,尤其涉及一种气凝胶复合材料,包括以下重量份的原料:高级脂肪烃20‑45份,多元醇10‑30份,多羟基羧酸10‑15份,成炭剂5‑10份,发泡剂8‑10份,改性氢氧化铝5‑20份,改性氢氧化镁10‑40份,聚脲5‑35份,水性树脂2‑15份,改性氢氧化铝2‑25份,本发明还提出了一种气凝胶复合材料制备方法,包括以下步骤:S1、粉碎:按重量份,选取高级脂肪烃、多元醇、多羟基羧酸、成炭剂、发泡剂、改性氢氧化铝、改性氢氧化镁、聚脲。本发明中的气凝胶复合材料具有良好的防火性能,提高耐火极限,同时还提高气凝胶复合材料的力学性能及使用寿命。

标签:
复合材料
天津 - 天津 来源:中冶有色网 2023-03-18
生物炭磁性复合材料及其制备方法和应用

本发明属于生物炭材料技术领域,公开了一种生物炭磁性复合材料及其制备方法和应用,以纳米四氧化三铁和花生壳为原材料,通过用乙醇融合纳米四氧化三铁与酸改性生物炭的方法赋磁,之后经真空冷冻干燥,制得生物炭磁性复合材料。将制得的生物炭磁性复合材料应用于含六价铬的水溶液中,在室温下翻转振荡,反应完成后将生物炭磁性复合材料从溶液中分离,完成对水中六价铬的去除以及对吸附剂的分离回收。本发明具有成本低、操作简便、处理效率高等优点,并且该吸附剂原材料来源广泛,实现了生物质的资源化利用,具有磁性,便于分离回收和再利用,无二次污染,可应用于电镀厂、制革厂、冶炼厂等含六价铬工业废水的处理。

标签:
复合材料
天津 - 天津 来源:中冶有色网 2023-03-18
复合材料主起支架及其制造装配方法

本发明公开了一种复合材料主起支架及其制造装配方法,属于航空飞行器配件的技术领域。复合材料主起支架包括弧形板和侧支板;弧形板与侧支板均采用复合材料制作,并且弧形板与侧支板之间为一体成型;弧形板用于连接航空飞行器的机身下部,侧支板的数量为两个,两个侧支板分别连接在弧形板的两个端面,两个侧支板分别用于连接两个轮毂。解决了现有技术中,主起支架采用金属的材质,整体重量沉;采用两个液压杆和轮毂支撑的方式,主起支架的重量沉,操作费力,通用性能差的技术问题。本发明的弧形板和侧支板均采用复合材料制作,整体重量轻;在弧形板的两端分别连接一个侧支板,每个侧支板上连接轮毂,整个支架的重量轻,通用性好。

标签:
复合材料
天津 - 天津 来源:中冶有色网 2023-03-18
用于钠离子电池负极的二硫化铁/氧化石墨烯复合材料及制备方法

本发明提供了一种用于钠离子电池负极的二硫化铁/氧化石墨烯复合材料及制备方法,将氧化石墨烯加入到乙二醇及N,N‑二甲基甲酰胺的混合液中,超声得到氧化石墨烯分散均匀的混合液;向该混合液中加入硫酸亚铁、升华硫和尿素并充分搅拌后,转移到水热反应釜中反应;离心分离沉淀物,用去离子水和酒精洗涤,然后真空干燥得到二硫化铁/氧化石墨烯复合材料。该二硫化铁/氧化石墨烯复合材料中氧化石墨烯分散在二硫化铁球之间,形成氧化石墨烯连通通道,其中氧化石墨烯直径≦3μm。该复合材料中氧化石墨烯连通通道能提高材料的导电性,同时缓冲二硫化铁在充放电过程中的体积膨胀,大大提高二硫化铁材料作为钠离子负极的循环稳定性。

标签:
复合材料
天津 - 天津 来源:中冶有色网 2023-03-18
用于燃料电池氧还原催化剂的多孔纳米复合材料

一种用于燃料电池氧还原催化剂的多孔纳米复合材料,为M-N-C多孔纳米复合材料,M-N-C中M为非贵金属铁、钴或镍,N为氮,C为碳,小粒径的金属纳米颗粒均匀地分散、嵌在氮掺杂的多孔碳载体材料内部,其中非贵金属纳米颗粒的粒径范围为5-100nm,多孔碳载体中含氮的质量百分比为3-7%。本发明的优点在于:该多孔M-N-C纳米复合材料由于其碳基底的原位氮掺杂,分布均匀的非贵金属纳米颗粒的嵌入,高比表面积的多孔结构的形成明显改善了其催化氧还原的能力,有利于提高材料的循环稳定性;该复合材料制备的前驱体成本低、容易制得,制备过程易于控制,操作简单,便于实现工业化大规模生产。

标签:
复合材料
天津 - 天津 来源:中冶有色网 2023-03-18
荧光量子点微纳米级封装的复合材料结构

本发明公开了一种荧光量子点微纳米级封装的复合材料结构。该复合材料结构包括荧光量子点、具有纳米栅格结构的介孔颗粒材料和阻挡层,其中荧光量子点分布在介孔颗粒材料中,阻挡层包覆在介孔颗粒材料的外表面。该复合材料结构能有效的减缓量子点的团聚,表面包覆的阻挡层,阻止了水氧小分子的侵蚀,同时提高了复合的荧光颗粒的相容性和稳定性,大大提高了荧光量子点微纳米级封装的复合材料的使用寿命。

标签:
复合材料
天津 - 天津 来源:中冶有色网 2023-03-18
磷酸钒锂/氧化钴锂复合材料及其制备方法

本发明公开了一种磷酸钒锂/氧化钴锂复合材料及其制备方法,该制备方法包括如下步骤:首先将锂盐、钒盐或钒的氧化物、磷酸盐、金属盐或金属氧化物、碳源和去离子水加入球磨机中混合均匀得到浆料;然后将浆料干燥后在800~850℃焙烧12~24h;而后将产物与高电压氧化钴锂材料混匀,压片;在350~450℃焙烧12~24h,粉碎,得到产品;其分子式为[Li3V2-xMx(PO4)3](0.6~0.9)/[LiCoO2](0.1~0.4),其中M为Fe、Mn、Co或Ni,0.01≤x≤0.10。该制备方法简单,制得磷酸钒锂/氧化钴锂复合材料的安全性能优于氧化钴锂,比容量和碾压密度高于磷酸钒锂。

标签:
复合材料
天津 - 天津 来源:中冶有色网 2023-03-18
碳纳米纤维/纳米颗粒复合材料的制备方法

本发明公开了一种碳纳米纤维/纳米颗粒复合材料的制备方法。其内容是将经发泡剂改性后的纳米颗粒与聚合物共混纺丝,然后借助预氧化以及碳化工艺制备碳纳米纤维/纳米颗粒复合材料。由于发泡剂在高温下分解释放气体,不仅在纤维表面形成大量的介孔结构,而且会驱动纳米颗粒逐步向碳纳米纤维表面析出,使纳米颗粒部分暴露,形成独特的半包覆结构,由此制备出半包覆和介孔形貌的碳纳米纤维/纳米颗粒复合材料。基于该方法制备的复合材料,具有纳米颗粒负载量大、分布均匀、与纤维界面结合强度高和纤维表面吸附性能强的优势。

标签:
复合材料
天津 - 天津 来源:中冶有色网 2023-03-18
金刚石复合材料用微晶玻璃陶瓷结合剂

本发明公开了一种金刚石复合材料用微晶玻璃陶瓷结合剂,其特征是,向基础玻璃粉中外加10~20%质量百分比的复合助溶剂,以降低析晶温度。其基础玻璃粉原料组分及其质量百分比含量为:1~5%Li2O,15~27%Al2O3,55~70%SiO2,2~10%MgO,3~8%ZnO,2~6%P2O5。复合助熔剂的组成及质量百分比:1~45%B2O3,1~55%Na3AlF6,1~60%Na2O。采用粉末烧结法得到微晶玻璃结合剂,其烧结析晶温度为680~780℃,热膨胀系数为2.6~3.4×10-6/℃,金刚石复合材料的抗弯强度达到60~100MP。本发明提供了热膨胀系数低、析晶温度低、强度高,适合金刚石复合材料的微晶玻璃结合剂,提高了金刚石复合材料的性能。

标签:
复合材料
天津 - 天津 来源:中冶有色网 2023-03-18
等离子表面引发烯系单体聚合制备复合材料的方法

本发明涉及一种等离子表面引发烯系单体聚合制备复合材料的方法。将无机非金属颗粒、金属粉末,经过等离子体表面处理,物质表面生成活性基团,进而能引发烯系单体聚合。引发得到的聚合物分子量有明显提高,聚合速率也明显变大,并且物料能引发烯系单体的接枝聚合。然后在190-220℃的温度下共混密炼将整个体系混合均匀,制得复合材料。本发明简便可靠,所得产物结构、性质稳定,可以进行工业化生产。

标签:
复合材料
天津 - 天津 来源:中冶有色网 2023-03-18
树脂传递模塑工艺制备复合材料的设备和方法

本发明涉及一种树脂传递模塑工艺制备复合材料的设备和方法。该设备的特征在于它包括氮气瓶,氮气瓶依次经压力表、压力阀门、树脂罐、注液阀门与U形下模具的注液孔管接,U形下模具的出液孔经抽空阀门与真空泵管接,与U形下模具匹配的T形上模具与压机压头相连,注液孔开在U形下模具的一侧,位置不高于预制件装入U形下模具内的最低上表面,出液孔开在U形下模具的另一侧,位置要高于预制件装入U形下模具内的最低上表面;U形下模具的底面和T形上模具的顶面分别内装可调温的加热器。该方法采用本发明的设备,并包括如下工艺:①装模;②合模;③连接管路;④充模;⑤抽真空;⑥加压。本发明可大幅减少复合材料的孔隙率。

标签:
复合材料
天津 - 天津 来源:中冶有色网 2023-03-18
环保复合材料加工系统及其加工方法

本发明公开的一种环保复合材料加工系统及其加工方法,复合材料加工系统,所述复合材料加工系统包括架体,所述架体内设置有开放朝向前侧及上侧的开放性打印腔,所述打印腔内左右对称且可滑动的设置有升降架体,所述升降架体之间固定设置有可在所述打印腔内滑动的基板,所述架体的左右两侧内壁内设置有可带动所述基板在所述打印腔内升降或发生翻转偏移以此完成对飞机机体内部镂空部位打印的底板进给机构,本例中,旨在设计一种能够对机翼或机体等一些较为精细的板材进行打印的环保复合材料加工系统及其加工方法来完成对机翼镂空部位内部及一些内部结构较为复杂且不方便通过传统加工方式进行加工铸造的飞行器部件。

标签:
复合材料
天津 - 天津 来源:中冶有色网 2023-03-18
在硅微粉表面原位生长碳纳米管增强铝基复合材料的方法

本发明涉及一种在硅微粉表面原位生长碳纳米管增强铝基复合材料的方法,包括以下过程:用聚乙烯醇水溶液表面改性处理硅微粉;在改性的硅微粉表面负载催化剂前驱体;利用原位化学气相沉积工艺在硅微粉表面生长碳纳米管;硅‑碳纳米管/铝复合粉末的制备;硅‑碳纳米管/铝复合材料块体的压制‑烧结成型;硅‑碳纳米管/铝复合材料块体的挤压变形处理。采用该方法制备的硅‑碳纳米管/铝复合材料,以硅微粉作为中间载体,为碳纳米管的生长提供了惰性的表面,提高了碳纳米管的生长质量和结构完整性,在显著提升材料抗拉强度的同时塑韧性得到很好的保持。

标签:
复合材料
天津 - 天津 来源:中冶有色网 2023-03-18
界面处引入碳纳米管提高碳纤维复合材料抗疲劳性能的方法

一种界面处引入碳纳米管提高碳纤维复合材料抗疲劳性能的方法,具体是将功能化碳纳米管引入碳纤维表面,然后复合成型制备碳纳米管-碳纤维多尺度增强树脂复合材料。该方法充分利用碳纳米管来强韧化界面微区的树脂基体,在界面处构筑抵抗疲劳裂纹形成及扩展的“屏障”,延缓裂纹直接进攻纤维,提高复合材料的疲劳寿命。相对于传统的碳纳米管与树脂共混法制备纤维复合材料,该发明中碳纳米管更易均匀分散、用量少,且适用的成型工艺范围广,具有成本低、适合工业化生产等优点。

标签:
复合材料
天津 - 天津 来源:中冶有色网 2023-03-18
低气味、低散发、抗菌ABS复合材料及其制备方法

本发明公开了一种低气味、低散发、抗菌ABS复合材料及其制备方法,包含组分:ABS树脂:47-97.4%;改性剂:0-40%;相容剂:1-3%;抗菌剂:0.5-2%;水母粒1-5%;助剂0.1-3%;所述抗菌剂为光触媒抗菌剂与银系无机抗菌剂复配而成的抗菌剂;其制备方法是将ABS树脂、改性剂、相容剂、抗菌剂和助剂在高混机里混合1-3min;混合均匀,置于双螺杆挤出机的主喂料口中,从侧喂料口加入水母粒,熔融挤出,造粒干燥,即得。本发明使用以高熔体发泡PP为载体的水母粒作为气提剂,可以有效去除加工过程中产生的各种挥发性小分子和有机化合物,添加抗菌剂后,材料的抗菌能力明显增加,所制备的ABS复合材料不仅具有低气味、低散发的特性,而且具有优异的抗菌效果。

标签:
复合材料
天津 - 天津 来源:中冶有色网 2023-03-18
剑麻纤维表面上浆剂及剑麻纤维复合材料的制备方法

本发明公开了一种剑麻纤维表面上浆剂及剑麻纤维复合材料的制备方法。剑麻纤维表面上浆剂是由改性树脂成膜剂(1-60wt%)、偶联剂(0.5-8wt%)、流平剂(0-1wt%)、润湿剂(0-8wt%)、表面活性剂(0.5-8wt%)、水等按照相反转乳化方法制备组成的水性乳液,剑麻纤维经过上浆剂处理后与一定量树脂混合,经注塑机一步注塑成型,得到剑麻纤维复合材料。本发明上浆剂很好的改善剑麻纤维和基体树脂的相容性,有效的提高了剑麻纤维复合材料的拉伸强度。本发明剑麻纤维复合材料的制备方法简单,节约成本,纤维含量容易控制,很好的解决了剑麻纤维与基体结合性不好的问题,可用于工业化生产。

标签:
复合材料
天津 - 天津 来源:中冶有色网 2023-03-18
增强型复合材料中空膜的制造方法及设备

本发明涉及一种增强型复合材料中空膜的制造方法及设备,该制造方法包括:1.编织三维立体管状增强织物,其特征在于还包括:2.对增强织物做通孔处理,使其为空心管状态;3.在保持增强织物空心管状态下将其输送到复合区,用温度为25-80℃、粘度为4000-8000厘帕的聚偏氟乙烯溶液均匀涂覆在增强织物的外表面;4.将涂层复合增强织物送入沉浸液中固化成型,制成增强型复合材料中空膜。该制造设备其特征在于它适用于本发明所述的制造方法,包括框式机架和按工艺路线顺序机械连接安装在机架上的退绕辊、通孔机、输送机、涂层复合机、固化槽、卷绕机和卷取辊以及它们的连接传动机构和控制机构。

标签:
复合材料
天津 - 天津 来源:中冶有色网 2023-03-18
氮掺杂多孔碳与多价铜复合材料及其制备方法和应用

本发明公开了一种氮掺杂多孔碳与多价铜复合材料及其制备方法和应用,制备方法包括以下步骤:将铜盐、苯并咪唑、1,3,5‑苯三羧酸和溶剂混合至均匀,得到溶液,将溶液于80~100℃加热5~7h,自然冷却至室温20~25℃,离心,洗涤,干燥,得到改性Cu‑btc MOFs;在氮气或惰性气体环境下,将改性Cu‑btc MOFs于600~1000℃煅烧0.5~1.5h,得到氮掺杂多孔碳与多价铜复合材料。氮掺杂多孔碳与多价铜复合材料由于氮位点的掺杂和多价铜的循环,有利于·OH和·O2‑的生成,从而提高CIP的吸附和降解。氮掺杂多孔碳与多价铜复合材料在酸性范围内pH1~3可以保持着较高的降解效率,具有优异的稳定性和可重复使用性。

标签:
复合材料
天津 - 天津 来源:中冶有色网 2023-03-18
镶嵌状复合材料及其制备方法和在锂离子电池负极材料中的应用

本发明公开一种镶嵌状复合材料及其制备方法和在锂离子电池负极材料中的应用,通过原位溶剂热反应来制备H2Ti12O25/还原氧化石墨烯电极材料,即镶嵌状复合材料,从而避免了H2Ti12O25的高温分解;且还原氧化石墨烯能够快速提供电子和离子传导,使得H2Ti12O25/还原氧化石墨烯电极材料具有优异的电化学性能。

标签:
复合材料
天津 - 天津 来源:中冶有色网 2023-03-18
可3D打印的氯氧镁风积沙复合材料及其制备方法与应用

本发明提供了一种可3D打印的氯氧镁风积沙复合材料,涉及建筑材料技术领域,按重量份数计,包括如下组分:氧化镁粉末0.9~1.1份,六水氯化镁0.4~0.6份,风积沙2.0~4.0份,水0.4~0.6份,粉煤灰0.1~0.2份,硅灰0.1~0.2份和纤维素醚0.003~0.008份;所述氧化镁粉末包括质量含量为70%以上的MgO以及余量的MgCO3和CaO。本发明提供的可3D打印的氯氧镁风积沙复合材料静态屈服应力、动态屈服应力和塑性黏度均极低,挤出物连续无断裂,更适用于3D打印;在高骨料占比下8小时内的早期收缩应变为‑0.0028,28d抗压强度为35~57MPa,抗折强度为7~13.1MPa。

标签:
复合材料
天津 - 天津 来源:中冶有色网 2023-03-18
提升三维石墨烯结构体/树脂复合材料力学性能的方法

本发明提供了一种提升三维石墨烯结构体/树脂复合材料力学性能的方法,主要是在三维石墨烯结构体中引入一定比例的功能化碳纳米管,构建多尺度的三维石墨烯-碳纳米管杂化多孔结构体,并与聚合物树脂复合成型,提升三维石墨烯结构体/树脂复合材料的力学性能。本发明中在三维石墨烯结构体的基础上引入碳纳米管,完成了由一维碳纳米管、二维石墨烯到三维石墨烯-碳纳米管杂化网络结构体的多元化构建,同时以此杂化结构体为树脂基复合材料的增强体,实现了增强体的多尺度化与结构可控性,使复合材料的力学性能显著提高。此方法工艺过程简单,可操作性强,有利于规模化制备。

标签:
复合材料
天津 - 天津 来源:中冶有色网 2023-03-18
掺杂一维孔道结构复合材料的水处理薄膜的制备及应用新方法

本发明涉及一种掺杂一维孔道结构复合材料的水处理薄膜的制备及应用新方法。具体为以水热法合成具有一维孔道结构的MIL-53颗粒后,采用溶胶法将纳米二氧化钛负载于其孔道中,得到新型复合材料,将上述复合材料制备成溶胶或悬浮液,直接涂膜或涂覆在PVDF膜表面,并烘干,即可得到用于污水处理的新型水处理薄膜。本方法工艺简单,容易操作。经过吸附和降解实验表明,本方法制备复合材料结构规则,孔容量大,对有机物的降解效果良好,因此发展了一种新型的污水中有机物吸附和降解新方法。此方法中,TiO2-MIL-53与聚合物的添加比例以及TiO2-MIL-53悬浮液的配制比例无任何限制,且膜材料的选择无任何限制,可根据研究需要或实际应用需要进行改进。

标签:
复合材料
天津 - 天津 来源:中冶有色网 2023-03-18
掺杂MTN沸石构型复合材料的水处理薄膜的制备及应用新方法

本发明涉及一种掺杂MTN沸石构型复合材料的水处理薄膜的制备及应用新方法。具体为以水热法合成多孔MIL-100颗粒后,采用溶胶法将纳米二氧化钛负载于其孔道中,得到新型复合材料,将上述复合材料制备成溶胶或悬浮液,直接涂膜或涂覆在PVDF膜表面,并烘干,即可得到用于污水处理的新型水处理薄膜。本方法工艺简单,容易操作。经过吸附和降解实验表明,本方法制备复合材料结构规则,孔容量大,对有机物的降解效果良好,因此发展了一种新型的污水中有机物吸附和降解新方法。此方法中,TiO2-MIL-100与聚合物的添加比例以及TiO2-MIL-100悬浮液的配制比例无任何限制,且膜材料的选择无任何限制,可根据研究需要或实际应用需要进行改进。

标签:
复合材料
天津 - 天津 来源:中冶有色网 2023-03-18
泡沫镁合金复合材料的制备方法

本发明一种泡沫镁合金复合材料的制备方法,涉及成型复合材料,步骤是:将原料泡沫镁合金材料制成板,作为泡沫镁合金基体材料预制件;将所有非晶合金原材料熔化均匀得到所要求的非晶合金锭;将该非晶合金锭重新熔化,使其快速甩带凝固形成非晶合金薄带并裁剪成非晶合金薄板;将两块非晶合金薄板分别置于泡沫镁合金基体材料预制件的上下两侧,之间均匀的放置钎料,加热施以压力,使上下两块非晶合金薄板与泡沫镁合金基体材料预制件紧密接触后,冷却至室温,然后将压制得到的非晶合金与闭孔泡沫镁合金复合材料清除溢出边缘的钎料,即制得泡沫镁合金复合材料,该方法克服了现有技术制备的泡沫镁合金材料耐蚀性和韧性差以及制备工艺繁琐的缺点。

标签:
复合材料
天津 - 天津 来源:中冶有色网 2023-03-18
玻纤增强聚丙烯复合材料及其制备方法与应用

本发明属于改性塑料技术领域,公开了一种易喷涂、浅缩痕玻纤增强聚丙烯复合材料及其制备方法与应用。该复合材料包含以下质量分数的组分:聚丙烯45~79%;短切玻璃纤维15~30%;矿物填充物1~20%;接枝聚丙烯2~5%;喷涂改进剂1~2%。本发明的玻纤增强聚丙烯复合材料,加入短切玻璃纤维与矿物填充物复合增强,得到的玻纤增强聚丙烯复合材料具有更好的力学性能,应用于家用电器和汽车工业,可替代工程塑料使用。本发明采用高结晶聚丙烯,有效提高材料在注塑过程中冷却固化速度,制得成品表面具有浅缩痕、低翘曲、表面光泽度高的特性,且具有高弯曲强度和弯曲模量,加工性能好,成本低,达因指数高,对油墨浸润性好。

标签:
复合材料
天津 - 天津 来源:中冶有色网 2023-03-18
碳纤维增强树脂基复合材料热-电损伤测试系统

一种碳纤维增强树脂基复合材料热-电损伤测试系统。其包括湿热箱、试件机械加载装置和控制装置;试件机械加载装置设置在湿热箱内;控制装置中部分部件装在试件机械加载装置上。本发明系统可对碳纤维增强树脂基复合材料进行定量的湿热损伤、电流损伤及湿热、电流共同作用下联合损伤,还能精确测定热、电载荷作用下碳纤维增强树脂基复合材料电阻、温度、应变等参量的动态变化。本系统可满足多种试件尺寸测试要求,调节方便,能控制与显示接触压力大小,具有良好的软件界面及数据管理功能。本系统为碳纤维增强树脂基复合材料在湿热、电流、热-电环境下失效机制的揭示提供一种有效可靠的手段。

标签:
复合材料
天津 - 天津 来源:中冶有色网 2023-03-18
复合材料筒耐外压性能测试装置

本实用新型公开了一种复合材料筒耐外压性能测试装置,包括压力加载测试机构和试验机构;所述试验机构包括内外套设的橡胶囊和外壳,外壳两端均设置挡环,挡环内侧设置内撑环;所述外壳中部形成圆孔,所述橡胶囊的器壁内形成内腔,胶囊管道一端穿过外壳的圆孔与内腔连通,另一端连通压力加载测试机构。本实用新型适用于多种尺寸规格复合材料筒的耐外压性能评价,适用于多种尺寸规格复合材料筒的耐外压性能评价,拓宽复合材料筒耐外压测试的压力测试范围,提高测试方法安全度与测试装置牢固度,降低安装难度,提高测试成功率。

标签:
复合材料
天津 - 天津 来源:中冶有色网 2023-03-18
耐寒耐磨高附着力耐溶剂型改性聚己内酰胺复合材料及其制备方法

本发明公开了一种耐寒耐磨高附着力耐溶剂型的改性聚己内酰胺复合材料及其制备方法,所述聚酰胺复合材料由括聚己内酰胺树脂、耐寒耐磨耐溶剂型增韧剂、抗磨剂、相容剂、附着力促进剂和其他助剂组成;复合材料的制备方法为按预设比例将上述原辅料加到双螺杆挤出机中熔融、挤出、造粒、干燥即得。本发明所制备的改性聚酰胺复合材料能够很好的耐受溶剂侵蚀,且与奥氏体不锈钢能够强力附着,在‑30℃仍能保持良好的冲击和耐磨性,经72h壬基酚聚氧乙烯醚水溶液浸泡后,无开裂且仍能保持较高的拉拔力,制备方法简单,易于工业化大规模生产。

标签:
复合材料
天津 - 天津 来源:中冶有色网 2023-03-18
上一页 88 89 90 91 92 ... 105 下一页
共105页    到第

中冶有色为您提供最新的天津有色金属复合材料技术理论与应用信息,涵盖发明专利、权利要求、说明书、技术领域、背景技术、实用新型内容及具体实施方式等有色技术内容。打造最具专业性的有色金属技术理论与应用平台!

全国热门有色金属设备推荐
展开更多 +
全国热门有色金属技术推荐
展开更多 +

 

江西省隆恩特环保设备有限公司
宣传

报名参会
更多+

报告下载

有色专家
更多+

矿冶科技集团有限公司
中国工程院院士
北京科技大学
主任/教授
矿冶科技集团有限公司
所长/研究员级高工
江西理工大学
副校长/教授
江西铜业集团有限公司
党委书记、董事长
赤泥综合利用研究报告2025
推广

热门技术
更多+

推荐企业
更多+

福建省金龙稀土股份有限公司
宣传

发布

在线客服

公众号

电话

顶部
咨询电话:
010-88793500-807