青岛垚鑫智能科技有限公司
宣传

位置:中冶有色 >

有色技术频道 >

> 复合材料技术

分类:
全部
矿山技术
冶金技术
材料制备及加工技术
环境保护技术
分析检测技术
 
全部
功能材料技术
复合材料技术
新能源材料技术
合金材料技术
加工技术
地区:
全部
北京
天津
上海
重庆
河北
山西
辽宁
吉林
黑龙江
江苏
浙江
安徽
福建
江西
山东
河南
湖北
湖南
广东
海南
四川
贵州
云南
陕西
甘肃
青海
内蒙
广西
西藏
宁夏
新疆
其他
其他
展开
 
全部
天津

天津有色金属复合材料技术理论与应用

免费发布技术信息>>
离子液体修饰的氮硫共掺杂氧化石墨烯复合材料的制备方法和应用

本发明为一种离子液体修饰的氮硫共掺杂氧化石墨烯复合材料的制备方法。该方法包括以下步骤:将氧化石墨烯与去离子水配成分散液,然后将1‑胺丙基‑3‑烃基咪唑溴盐、氢氧化钾和氧化石墨烯分散液混合,反应得到1‑胺丙基‑3‑烃基咪唑溴盐与氧化石墨烯复合产物;再将其与硫脲混合,加入溶剂将其溶解,在160~200℃温度条件下反应,得到复合材料。本发明的复合材料负载在阴极电极上作为催化剂。本发明得到的材料具有良好的氧还原催化活性,应用前景广阔。

标签:
复合材料
天津 - 天津 来源:中冶有色网 2023-03-18
蓝宝石晶须增韧TiAlNbMo合金复合材料及其制备方法

本发明蓝宝石晶须增韧TiAlNbMo合金复合材料及其制备方法,涉及钛铝合金,该材料中,TiAlNbMo合金元素组成成分的原子百分比为:Ti为54~45%、Al为44~49%、Nb为1~3%和Mo为1~3%,所加入的蓝宝石晶须与整体合金的体积百分比为3~5%;该材料的制备方法是:按TiAlNbMo合金元素组成成分的原子百分比配制原料;制备钛铝母合金铸锭;制备蓝宝石晶须增韧TiAlNbMo合金复合材料。本发明克服了现有技术存在工艺复杂,生产周期性长,制备材料致密性差,且成分不均一,无法制成特定形状的零件,此外通过反应生成的氧化铝纤维长径比差距各异导致制得的复合材料力学性能较差的缺陷。

标签:
复合材料
天津 - 天津 来源:中冶有色网 2023-03-18
基于氢键作用的聚甲基丙烯酸甲酯-碳纳米管复合材料及提高其力学性能的方法

本发明公开了一种基于氢键作用的聚甲基丙烯酸甲酯‑碳纳米管复合材料及提高其力学性能的方法,复合材料以第二单体3‑(异丁烯酰胺)丙基三甲基氯化铵对第一单体甲基丙烯酸甲酯通过悬浮聚合的方式进行共聚,然后碳纳米管与共聚产物实现复合,最后将共聚产物热压成型;甲基丙烯酸甲酯和3‑(异丁烯酰胺)丙基三甲基氯化铵两种单体组成油相,按质量比,甲基丙烯酸甲酯取80~95份,3‑(异丁烯酰胺)丙基三甲基氯化铵取5~20份,碳纳米管的用量为油相质量的0.01~2wt%。本发明选用MPTC和MMA共聚,共聚物分子链通过氢键作用吸附、分散CNTs,实现CNTs在共聚物基体中的均匀分布,通过CNTs与共聚物基体的氢键作用增强界面结合力,解决了PMMA基纳米复合材料在拉伸强度方面存在的问题。

标签:
复合材料
天津 - 天津 来源:中冶有色网 2023-03-18
用于锂硫电池正极的氟化碳纳米管/碳纳米管海绵复合材料及其制备方法

本发明提供用于锂硫电池正极的氟化碳纳米管/碳纳米管海绵复合材料及其制备方法,将无水乙醇和邻二氯苯混合后,加入二茂铁后,将上述混合材料注射到含有氩气和氢气的保护的高温管式炉中,得到的自支撑碳纳米管海绵材料;向氟化碳纳米管中加入无水乙醇溶液,超声分散,得到氟化碳纳米管乙醇分散液,将自支撑碳纳米管海绵材料随石英基底一同浸渍氟化碳纳米管乙醇分散液中,在室温下抽真空,随后放置于常压干燥箱中干燥,将石英圆片剥离,得到单侧包裹氟化碳纳米管的碳纳米管海绵复合材料。该复合材料能有效吸附和抑制多硫化锂中间产物想锂负极扩散,成功提升锂硫电池比容量和循环性能等其他性能。

标签:
复合材料
天津 - 天津 来源:中冶有色网 2023-03-18
原位合成过渡金属氧化物/镍基硫化物复合材料的制备方法

本发明涉及一种原位合成过渡金属氧化物/镍基硫化物复合材料的制备方法,包括下列步骤:第一步:原位硫化多空泡沫镍合成Ni3S2‑NF。第二步:原位合成CeO2/Ni3S2‑NF复合材料:将硝酸铈酒精溶液倒入含有Ni3S2‑NF材料的水热釜中,保持温度160℃至少6h后取出水热釜后自然冷却至室温,将得到的材料水洗干燥,最终在片状Ni3S2上原位负载CeO2纳米颗粒,得到CeO2/Ni3S2‑NF复合材料。

标签:
复合材料
天津 - 天津 来源:中冶有色网 2023-03-18
自行车部件竹质复合材料及其制造工艺

本发明提供一种自行车车把、后衣架、泥板、链罩,采用一种新型竹质复合材料及其制造工艺,其制作工艺为:制作竹皮或竹粉;在自行车不同胎具上依次套粘上3-5层的化纤无缝套管、竹皮或竹粉;喷涂上防晒、耐磨涂料;最后热压定型制作成以上自行车构件。选用竹质复合材料作为自行车构件,构思独特,绿色、节能、环保;可大量节约金属材料。而且韧性强,重量轻,成本低。本发明选用的创新竹质复合材料,简单,操作性强,适于自行车工业大批量生产。是全世界自行车工业历史上的一大创举。

标签:
复合材料
天津 - 天津 来源:中冶有色网 2023-03-18
石墨烯金属复合材料式电子屏幕的制备方法

本发明是石墨烯金属复合材料式电子屏幕的制备方法,包括如下步骤:(1)制备石墨烯:(2)制备氧化钌石墨烯的复合材料:(3)制备金属导电层:(4)制备电子屏幕。本发明所述的石墨烯金属复合材料式电子屏幕的制备方法,方法操作简单,可以广泛适用于可穿戴的电子设备,兼具了良好的柔性和导电性。

标签:
复合材料
天津 - 天津 来源:中冶有色网 2023-03-18
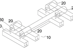
陶瓷复合材料涂覆装置

本发明涉及一种陶瓷复合材料涂覆装置,包括支架以及安装在所述支架上方的两组由电机驱动的用于使管道转动的滚筒,两组所述滚筒平行设置,对称设在所述支架轴向方向上相对两侧,且每组滚筒为两个,每组的两个滚筒对称设在所述支架的径向方向上两侧,每个所述滚筒通过轴由两个轴承支承,所述轴通过轴支架与所述支架相固定连接。本发明可以通过滚筒的转动,使支撑其上的管道旋转而通过产生的离心力,将放在管道内的浆状的陶瓷复合材料涂在管道的内壁上,从而实现了陶瓷复合材料在管道内壁的涂覆作业,且具有结构简单,效果好,省时省力的特点。

标签:
复合材料
天津 - 天津 来源:中冶有色网 2023-03-18
用于包装材料的防腐可降解复合材料薄膜及其制备方法

本发明提供了一种用于包装材料的防腐可降解复合材料薄膜及其制备方法,所述复合材料薄膜主要原料包括细菌纤维素和姜黄素;制备步骤包括:(1)将细菌纤维素膜用0.5‑1.5wt%的氢氧化钠水溶液加热反复水煮至沸腾,去离子水清洗至中性,冷藏,待用;(2)配置浓度范围0.02‑0.5wt%的姜黄素乙醇溶液,电磁搅拌使其充分溶解,将(1)中待用细菌纤维素,加入上述姜黄素乙醇溶液中,超声分散,经清洗至不脱色,即得细菌纤维素/姜黄素复合材料薄膜。本发明获得的薄膜具有防腐性能,是一种优良的包装材料,保持了细菌纤维素的强度、透气性、可降解的绿色环保性等。本发明还具有过程简单、工艺控制容易的优点,具有突出的应用前景。

标签:
复合材料
天津 - 天津 来源:中冶有色网 2023-03-18
自支撑五硫化二锑/三维石墨烯纳米复合材料的制备及在钠离子电池中的应用

一种具有自支撑特性的Sb2S5‑GF复合材料的制备及其在钠离子二次电池中的应用。将五硫化二锑纳米颗粒与三维石墨烯混合,通过简单的水热反应,最终制得具有自支撑特性的泡沫状Sb2S5‑GF复合材料图(图2),整个反应过程简单易行,纳米颗粒负载量的可控性好。将制得的自支撑Sb2S5‑GF复合材料应用于钠离子电池,可以避免绝缘的粘结剂以及低容量导电剂的使用,从而提高电池的性能,表现出高可逆容量、长循环寿命及高倍率性能(图6‑7)。相比于传统钠离子电池电极而言,由于没有添加集流体、粘结剂以及导电剂等组分,在明显降低成本的同时,又能够提高电池的容量以及能量密度。

标签:
复合材料
天津 - 天津 来源:中冶有色网 2023-03-18
通过γ辐照制备石墨烯基纳米贵金属复合材料的新方法

本发明公开的是一种通过γ辐照制备石墨烯基纳米贵金属复合材料的新方法。其内容包括氧化石墨吸附贵金属离子,通过γ辐照来诱导贵金属离子还原,氧化石墨会随着片层间贵金属纳米颗粒的形成和生长逐渐剥离,并且氧化石墨也会在辐照作用下还原,最终获得石墨烯基纳米贵金属复合材料。本发明的优势在于:(1)以氧化石墨为原料,利用贵金属纳米颗粒的形成与生长来剥离氧化石墨,最终得到石墨烯,降低了制备成本;(2)能够实现贵金属与氧化石墨的一步还原,简化了工艺流程;(3)整个制备过程条件温和易调控,安全性高;(4)γ辐照能效高,穿透力强,有利于材料的大批量制备,能够推进石墨烯基纳米贵金属复合材料的工业化进程。

标签:
复合材料
天津 - 天津 来源:中冶有色网 2023-03-18
抗菌AS复合材料及其制备方法

本发明创造提供了一种抗菌AS复合材料及其制备方法,按重量百分比计,包含以下组分:AS树脂:39-88.4%,玻璃纤维:10-30%,相容剂:1-10%,水母粒1-5%,偶联剂:0.1-1%,抗静电剂10-15%,抗菌剂:1-3%,助剂1-3%,各组分之和为100%;所述抗菌剂为光触媒抗菌剂与银系无机抗菌剂复配而成的抗菌剂;所述水母粒按重量百分比计,包括以下组分:聚丙烯1%-49%;水50%-98%;矿物填料0.1-5%,各组分之和为100%。本发明通过调节抗菌剂中光触媒抗菌剂与银系无机抗菌剂的比例及加入复合材料中的量,制备出的AS复合材料具有优异的抗菌效果,抗菌率≥90%,可以作为强抗菌塑料。

标签:
复合材料
天津 - 天津 来源:中冶有色网 2023-03-18
相转移水相硫化铅量子点—碳纳米管复合材料及其制备方法

本发明公开了一种相转移水相硫化铅量子点—碳纳米管复合材料及其制备方法,使用转移剂将油酸包裹的硫化铅量子点转移到水相中,得到尺寸分布均一的硫化铅量子点水溶液;将酸化碳纳米管的NaCl溶液和聚二烯丙基二甲基氯化铵混合搅拌,通过离心分离将产物溶解在超纯水中,获得功能化的碳纳米管溶液,将两者溶液混合,离心提纯,获得了该纳米复合材料。本发明制备的水相纳米复合材料具有产物纯净,接枝率高,量子点尺寸均一、产率高、水溶性好等优点,其制备方法操作简单、对设备要求低,适合大规模生产。

标签:
复合材料
天津 - 天津 来源:中冶有色网 2023-03-18
基于有机改性4A沸石的淀粉基复合材料及其制备方法和应用

本发明公开基于有机改性4A沸石的淀粉基复合材料及其制备方法和应用,利用表面活性剂改进4A沸石,然后将改性4A沸石、淀粉和丙烯酸采用反相悬浮聚合法制备复合材料。本发明的技术方案体系稳定,无粘结,无结块,复合材料具有成本低,吸尿素溶液的吸液倍率较高,抗盐性较好,适用于农林业的特点。

标签:
复合材料
天津 - 天津 来源:中冶有色网 2023-03-18
用于锂金属二次电池的单离子导电聚合物复合材料的制备方法

本发明一种用于锂金属二次电池锂负极保护的单离子导电聚合物复合材料的制备方法。该复合材料的组成由4‑苯乙烯磺酰基三氟甲磺酰基酰亚胺锂类单离子导电有机单体,与带有羟基的聚(乙二醇)甲基丙烯酸酯(PEGMA),或与PEGMA和带有甲基的乙二醇单乙醚丙烯酸酯,或与PEGMA和丙烯腈等利于离子传导的聚合物单体通过交联技术合成有机聚合物,再与导电陶瓷粉混合得到单离子导电聚合物复合材料。本发明提供的单离子导电聚合物复合材料,可以有效减弱锂盐电解质带来的浓差极化问题,有效保护锂负极,抑制锂枝晶生长。本发明所提供的复合材料的原材料来源广泛、制备过程简单易行、绿色环保,适合规模化生产,可应用到锂金属二次电池中。

标签:
复合材料
天津 - 天津 来源:中冶有色网 2023-03-18
三维连续石墨烯/铜复合材料及其制备方法

一种三维连续石墨烯/铜复合材料及其制备方法,包括如下步骤:1)块体多孔铜的制备,称取一定量的铜粉,放入模具中,以压强为50‑85MPa进行粉末压片,保压时间为5‑20min,得到了厚度均匀的多孔铜块体;2)三维连续石墨烯的制备;3)三维连续石墨烯/铜复合材料的制备,对步骤2)制备的复合材料进行轧制和去应力退火和烧结处理;4)对三维连续石墨烯/铜复合材料进行性能测试。本发明通过粉末冶金和原位化学气相沉积相结合的方法可以实现石墨烯的均匀分散和其结构完整性,并且石墨烯的三维连续和铜基体之间保持了良好的界面结合,避免了因石墨烯团聚等带来的缺陷,提高了复合材料的综合性能。

标签:
复合材料
天津 - 天津 来源:中冶有色网 2023-03-18
石墨烯/银纳米抗菌复合材料的制备方法

本发明是一种石墨烯/银纳米抗菌复合材料的制备方法,本发明整个反应过程绿色环保,分别采用“绿色”还原剂葡萄糖,以及“绿色”稳定剂可溶性淀粉,来防止纳米颗粒之间的相互团聚,上述材料是廉价易得的物质,且不具有毒性,不会对复合材料的生物安全性有影响,还节省了后续环保处理成本。此外,本发明对还原后的石墨烯/银纳米复合材料进行退火热处理,有助于结构的改善,增强导电性。此外,游离Ag纳米颗粒的抗菌活性保留在复合材料中,复合材料可广泛应用于生物材料领域。

标签:
复合材料
天津 - 天津 来源:中冶有色网 2023-03-18
基于FCN与GRU的3D编织复合材料缺陷检测方法

本发明涉及一种基于FCN与GRU的3D编织复合材料缺陷检测方法,该方法包括:1)利用超声相控阵设备搭建用于采集3D编织复合材料的超声信号扫描系统;2)采集3D编织复合材料的超声信号,利用采集到的超声A信号构建数据集;3)使用改进好的FCN+GRU网络对数据集进行训练;4)采集待检测3D编织复合材料的超声A信号,用训练好的网络模型检测3D编织复合材料是否存在缺陷。与传统图像检测方案相比,本发明方法避免了复杂的A扫图像处理,能够直接对超声信号的序列数据进行检测。

标签:
复合材料
天津 - 天津 来源:中冶有色网 2023-03-18
石墨烯/金纳米粒子复合材料的制备及表征方法

本发明是一种石墨烯/金纳米粒子复合材料的制备及表征方法,具体步骤为:(1)氧化石墨烯的制备:包括低温反应、中温反应、高温反应和后处理多个步骤;(2)氧化石墨烯分散体系制备;(3)石墨烯/金纳米粒子复合材料电沉积前驱体的制备;(4)石墨烯/金纳米粒子复合材料的制备:包括电极预处理和电沉积制备;(5)石墨烯/金纳米粒子复合材料表征:包括扫描电镜表征和透射电镜表征。本发明制备石墨烯/金纳米粒子复合材料的方法简单、绿色,而且通过调整金属前驱体的形式和浓度,可以实现对石墨烯基复合薄膜的形貌调控。而该方法对结构的可控性,为石墨烯基材料的应用,尤其在电化学中的应用提供了材料设计与控制合成的新思路。

标签:
复合材料
天津 - 天津 来源:中冶有色网 2023-03-18
具有梯度结构的TiO2-Ti3C2Tx/rGO电磁屏蔽复合材料的3D打印制备方法

本发明属于电磁屏蔽复合材料技术领域,具体涉及一种具有梯度结构的TiO2‑Ti3C2Tx/rGO电磁屏蔽复合材料的3D打印制备方法。通过引入氧化石墨烯的方法,既解决了纯Ti3C2Tx纳米片墨水打印性的缺陷,同时利用两者高导电性和二维片层增加了复合材料的电导损耗和反射损耗;利用配置好的油墨通过3D打印技术构建了一种具有梯度结构的复合材料,经过冷冻干燥之后表现出优良的阻抗匹配和内部结构的多重反射损耗;通过在氮气气氛下,对打印的框架进行控制氧化处理,可在Ti3C2Tx纳米片上原位生成锐钛矿相TiO2纳米棒,TiO2‑Ti3C2Tx异质结构增强了复合材料与入射电磁波之间的偶极子极化,从而得到具有多重损耗机理协同作用的电磁屏蔽复合材料,具有广阔的市场前景。

标签:
复合材料
天津 - 天津 来源:中冶有色网 2023-03-18
用于制造复合材料模具的母模

本实用新型涉及一种用于制造复合材料模具的母模,所述母模包括:钢架底座,所述钢架底座的底部安装有包括至少三个轮子的轮子组件;堆积在所述钢架底座上的钢条层;铺设在所述钢条层上的木板层;粘结在所述木板层上的泡沫层;铺覆在所述泡沫层上的玻璃钢层;和铺覆在所述玻璃钢层上的代木树脂层。本实用新型的母模耐温等级高,使用温度甚至可以达到180℃左右,因而能够防止在制备复合材料模具的过程中尤其是在真空灌注过程中发生塌陷的问题,并且解决了模具的不同材料的膨胀系数差异造成的内应力引起尺寸发生偏差、表面产生裂纹、模具受损等问题,提高利用其制得的复合材料模具的精度,在用于制造复合材料模具中具有巨大的市场潜力。

标签:
复合材料
天津 - 天津 来源:中冶有色网 2023-03-18
半导体-光敏复合材料及其制备方法和应用

本发明公开了一种半导体‑光敏复合材料及其制备方法和应用,制备方法包括:将铋源和乙二醇混合均匀,得到第一溶液;将钼源和乙二醇混合均匀,得到第二溶液;将所述第一溶液、第二溶液和乙醇混合均匀,再加入半导体材料,保温,自然冷却至室温,得到黄色沉淀,洗涤所述黄色沉淀,干燥,得到半导体‑光敏复合材料。半导体‑光敏复合材料提供较宽的光吸收窗口增加光的吸收,由半导体‑光敏复合材料制备而成的光充电锌离子二次电池的能量储存和光电转化之间能级匹配,有利于电子由高能级跃迁到低能级,使反应能够充分进行,实现了光电转化和储能的一体化。

标签:
复合材料
天津 - 天津 来源:中冶有色网 2023-03-18
高韧性化混凝土3D打印复合材料及其协调打印工艺

本发明公开了一种高韧性化混凝土3D打印复合材料及其协调打印工艺,包括常规3D打印混凝土和高韧性3D打印混凝土,所述常规3D打印混凝土包括以下组份:硅酸盐水泥,硫铝酸盐水泥,硅灰,石英砂,细骨料,减水剂,水;所述高韧性3D打印混凝土包括以下组份:硅酸盐水泥,硫铝酸盐水泥,硅灰,石英砂,细骨料,PE纤维,钢纤维,减水剂,纤维素,水。本发明采用上述结构的一种高韧性化混凝土3D打印复合材料及其协调打印工艺,借助高韧性3D混凝土材料优异的力学韧性増韧常规3D打印混凝土,解决了钢筋网架难以同步植入的难题,高韧性3D打印混凝土与常规3D打印材料制备复合材料,可有效避免材料新老界面问题,实现复合材料协同承载。

标签:
复合材料
天津 - 天津 来源:中冶有色网 2023-03-18
复合材料弹托结构及其制造方法

本发明公开了一种复合材料弹托结构及其制造方法,属于发射武器配件的技术领域。复合材料弹托结构包括弹托本体;弹托本体是采用复合材料制作的;弹托本体的端面内填充有泡沫轻质结构;弹托本体的数量为两个;每个弹托本体的侧面均设有安装槽,两个安装槽之间通过加固件和锁紧件连接。解决了现有技术中,弹托采用金属材质制作,重量大,降低了弹体的发射速度及稳定性;弹托采用一体成型的结构,加工费时费力的技术问题。本发明的弹托本体采用复合材料制作,并且在弹托本体的端面内填充有泡沫轻质结构,有效的降低了整体的重量;两个弹托本体之间采用可拆卸连接的方式,便于安装弹体结构。

标签:
复合材料
天津 - 天津 来源:中冶有色网 2023-03-18
锌或锌合金或其复合材料组织工程支架的制备方法

一种锌或锌合金或其复合材料组织工程支架的制备方法。本发明结合3D打印技术、翻模铸造、空气压缩渗流法设计制备多孔锌或锌合金或其复合材料组织工程支架。该方法解决了目前3D打印无法直接制备锌或锌合金或其复合材料多孔支架的问题,间接实现锌及锌合金等低熔点、低沸点、高温挥发性强合金的3D打印制造。具体步骤如下:1)P函数设计孔隙参数,UG建模得到STL数据。2)导入3D打印机对应软件,打印得到聚乳酸支架。3)灌注配制好的石膏、盐复合浆料,干燥烧结,得到翻模体。4)贯通翻模体孔径,修整表面。5)采用空气压缩渗流法在翻模体中渗流熔融金属液。6)超声清洗掉盐、石膏翻模。得到多孔锌或锌合金或其复合材料组织工程支架。

标签:
复合材料
天津 - 天津 来源:中冶有色网 2023-03-18
纳米二氧化钛增强铜基复合材料的制备方法

本发明涉及一种纳米二氧化钛增强铜基复合材料的制备方法将氨水加入酒精中得到0.6vol.%的氨水酒精溶液,超声条件下加入TBOT使其缓慢水解得到钛氧聚合物,之后加入硝酸铜80度水浴搅拌干燥,之后在管式炉中煅烧还原处理得到TiO2/Cu的复合粉末,最后通过热压成形制备出高致密度的纳米TiO2增强铜基复合材料。本发明很好的解决了TiO2的分散性问题,取得了良好的力学和电学性能,在电刷以及高温导热器件上具有很好的应用前景。

标签:
复合材料
天津 - 天津 来源:中冶有色网 2023-03-18
低甲醛麻纤维及其低VOC复合材料的制备方法

本发明公开一种低甲醛麻纤维及其低VOC复合材料的制备方法,其特征在于,所述处理方法为对麻纤维进行加热处理,使用加热处理后麻纤维与聚丙烯制成复合材料。具体步骤为可为在高温下对麻纤维进行热处理,或在低温下对麻纤维进行热处理,亦或是两者结合使用。其中,高温热处理温度为90℃~150℃,高温处理时间为10min~50min,低温处理温度为50℃~70℃,低温处理时间为10min~30min。本方法可以有效降低麻类产品及其复合材料有害物质的挥发量,增大了麻纤维及其复合材料等在汽车等工业领域的应用范围,而且加工工艺简单,制作成本低廉,清洁环保。

标签:
复合材料
天津 - 天津 来源:中冶有色网 2023-03-18
基于石墨烯的纳米复合材料及其制备方法

本发明涉及一种基于石墨烯的纳米复合材料及其制备方法,该复合材料含石墨烯和纳米线,制备原理为石墨烯上原位催化生长纳米线,制备方法为加热氧化石墨与金属催化剂的混合物,加入乙烯、硅烷等反应原料,利用金属颗粒催化生长纳米线,氧化石墨还原成石墨烯,一步制备出纳米线与石墨烯的纳米复合材料。采用本发明技术,可制备碳纳米管、硅、碳化硅等纳米线与石墨烯的复合材料,应用于锂离子电池、超级电容器、太阳能电池、传感器、催化剂等领域。

标签:
复合材料
天津 - 天津 来源:中冶有色网 2023-03-18
聚苯胺-聚乙烯醇复合材料及其制备方法和应用、全固态超级电容器

本发明公开了一种聚苯胺‑聚乙烯醇复合材料及其制备方法和应用、全固态超级电容器,聚苯胺‑聚乙烯醇复合材料的制备方法,其特征在于,包括以下步骤:步骤1,将苯胺、植酸和过硫酸铵溶于水中,在低温下聚合,形成水凝胶;步骤2,在步骤1制备得到的水凝胶中入聚乙烯醇,升温并搅拌,使之形成均匀分散体系,随后加入植酸补充氢键,之后冷却搅拌形成凝胶;步骤3,将步骤2得到的凝胶反复冻融,最后冷冻干燥得到聚苯胺‑聚乙烯醇复合材料。本发明的制备的聚苯胺‑聚乙烯醇复合材料,具有良好的导电性,可作为良好的电极材料应用于全固态超级电容器中。该超级电容器展现出了优良的电化学性能和优良的力学性能。

标签:
复合材料
天津 - 天津 来源:中冶有色网 2023-03-18
电气石/壳聚糖复合材料的制备方法

本发明公开了一种电气石/壳聚糖复合材料的制备方法包括以下步骤:1)按质量比(0.5~2):1将电气石和壳聚糖放入容器中,搅拌均匀;2)向所述容器中缓缓倒入钛酸四丁酯,使得钛酸四丁酯没过电气石和壳聚糖的混合物,并搅拌均匀至粘稠状;3)将所述容器放入恒温水浴箱中,在50~70℃热处理1.5~3小时;4)取出容器,将其放至阴凉避光处,使热处理后的电气石/壳聚糖复合材料自然降温并晾干;5)将晾干后的电气石/壳聚糖复合材料碾成粉末,得到成品。经本发明的复合材料处理后的垃圾渗滤液中,重金属离子浓度远低于国标规定值。本发明将壳聚糖与电气石进行复合,在减少壳聚糖用量、降低成本的同时可以提高处理垃圾渗滤液的能力。

标签:
复合材料
天津 - 天津 来源:中冶有色网 2023-03-18
上一页 86 87 88 89 90 ... 105 下一页
共105页    到第

中冶有色为您提供最新的天津有色金属复合材料技术理论与应用信息,涵盖发明专利、权利要求、说明书、技术领域、背景技术、实用新型内容及具体实施方式等有色技术内容。打造最具专业性的有色金属技术理论与应用平台!

全国热门有色金属设备推荐
展开更多 +
全国热门有色金属技术推荐
展开更多 +

 

江西省隆恩特环保设备有限公司
宣传

报名参会
更多+

报告下载

有色专家
更多+

江西理工大学
副校长
南方科技大学
外籍院士
紫金矿业信息化研发中心
副总经理
云南锡业集团(控股)有限责任公司
副总经理
长沙矿冶院检测技术有限责任公司
总经理
赤泥综合利用研究报告2025
推广

热门技术
更多+

推荐企业
更多+

福建省金龙稀土股份有限公司
宣传

发布

在线客服

公众号

电话

顶部
咨询电话:
010-88793500-807