青岛垚鑫智能科技有限公司
宣传

位置:中冶有色 >

有色技术频道 >

分类:
全部
矿山技术
冶金技术
材料制备及加工技术
环境保护技术
分析检测技术
 
全部
废水处理技术
大气治理技术
固/危废处置技术
土壤修复技术
地区:
全部
北京
天津
上海
重庆
河北
山西
辽宁
吉林
黑龙江
江苏
浙江
安徽
福建
江西
山东
河南
湖北
湖南
广东
海南
四川
贵州
云南
陕西
甘肃
青海
内蒙
广西
西藏
宁夏
新疆
其他
其他
展开
 
全部
南京
无锡
徐州
常州
苏州
南通
连云港
淮安
盐城
扬州
镇江
泰州
宿迁

江苏南通有色金属环境保护技术理论与应用

免费发布技术信息>>
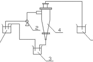
工业废水用具有多级过滤机构的焚烧炉

本实用新型涉及化工生产技术领域,具体为一种工业废水用具有多级过滤机构的焚烧炉,包括主体,所述主体的右侧设置有焚烧仓,所述焚烧仓的外表面连接有流通管,所述流通管的左侧外表面固定连接有过滤结构,所述过滤结构的左侧外表面连接有净化机构,所述过滤结构的顶端外表面固定安装有插设机构,所述主体的左侧设置有加压仓。本实用新型中,通过设置的连接管、过滤网、吸附板和净化机构使得当废气在通过连接管后,能够在过滤网和吸附板的外表面进行初级过滤,随后再通过净化机构后能够进行氧化分解,进行微生物的降解过滤,从而对焚烧炉内的废气进行多级过滤,其过滤后的气体更为洁净,能够直接进行排放。

标签:
废水处理
江苏 - 南通 来源:中冶有色网 2023-03-19
工业废水净水剂
工业废水净水剂 1126     
 0

本发明公开了一种工业废水净水剂,由硫酸亚铁、工业盐酸、氯酸钠、碳酸钠、水、硅酸钠混合组成。本发明配方合理,净水效果好,生产成本低。

标签:
废水处理
江苏 - 南通 来源:中冶有色网 2023-03-19
利用工业废水资源生产亚磷酸的方法

本发明提供了一种利用工业废水资源生产亚磷酸的方法,采用了以下循环操作步骤:双甘膦的合成反应中含有酸化反应,最终所产生的双甘膦母液经过盐析去除氯化钠盐后,部分双甘膦母液回用于三氯化磷水解反应,生成亚磷酸溶液。该水解反应剩余的尾气中含有的少量氯化氢再采用尾气吸收塔吸收,再将此亚磷酸溶液和稀盐酸溶液用于双甘膦合成中的酸化反应。本发明实现了废水、废酸资源的循环利用。

标签:
废水处理
江苏 - 南通 来源:中冶有色网 2023-03-19
工业废水除臭装置
工业废水除臭装置 1091     
 0

本实用新型公开了工业废水除臭装置,属于废水处理技术领域,该装置包括箱体,所述箱体的左侧安装有与其连通的进水管,所述箱体的外侧安装有溶液箱,所述溶液箱上安装有水泵,所述水泵固定连接至箱体的外侧,所述水泵的输出端固定连接有导管,所述导管贯穿并固定连接至箱体的内部,所述导管的底端贯穿并固定连接有横管,所述横管上安装有一组喷头,所述箱体的内部设置有吸附组件。该实用新型,便于利用碱性溶液代替除臭剂使用,降低除臭成本,同时可以去除硫化氢、硫醇类气体,且与废水混合效果好,保证除臭效果,还利用光触媒反应增加气体除臭效果,有效的针对臭气进行去除。

标签:
废水处理
江苏 - 南通 来源:中冶有色网 2023-03-19
用于工业锅炉废水处理装置

本实用新型公开了一种用于工业锅炉废水处理装置,废水处理箱顶部安装有可活动盖,废水处理箱内部从左往右依次设置为沉降层,冷却层,加药中和层,清水层,沉降层一侧设置有进水口,沉降层内底部活动安装有第一过滤板,沉降层与冷却层之间安装有第二过滤板,冷却层与加药中和层之间安装有隔板,隔板表面上设置有S形冷却管,隔板底部设置有过滤孔,加药中和层内部设置有PH计,药剂泵,沉降层,加药中和层底部均设置有排污口,加药中和层与清水层之间安装有滑动板,滑动板连接有电机,电机与控制端相连,该装置结构合理,可有效的净化废水,利用冷却层的水管能够利用废水的余热对水管中的水进行加热,则能提高废水的利用率。

标签:
废水处理
江苏 - 南通 来源:中冶有色网 2023-03-19
双乙烯酮及其衍生物工业废水处理工艺

本发明公开了一种双乙烯酮及其衍生物工业废水处理工艺,它涉及水处理技术领域;它的处理工艺为:(一)、酰化:在酰化釜中加入苯胺和无离子水,搅拌,冷却釜温至5-8℃,开始滴加双乙烯酮,滴加温度控制在10-15℃,滴加时间控制在1.5-2.5h左右,滴加结束后保持15℃反应1小时,然后用夹套盐水冷却到0-5℃;(二)、过滤:采用橡胶带式真空过滤机对物料进行过滤后,用冷却至8℃的无离子水洗涤2-3次,过滤,滤饼为粗品,过滤母液即为废水;(三)、烘干:采用烘干机将粗品进行干燥,采用蒸汽烘干,烘干温度在80~110℃;(四)、包装;本发明采用“特种菌种+物化+生化”组合工艺将废水处理至达标排放,工艺快速、简便。

标签:
废水处理
江苏 - 南通 来源:中冶有色网 2023-03-19
去除工业废水中硝酸根的工艺流程及装置

本发明涉及废水净化技术领域,尤其涉及一种去除工业废水中硝酸根的工艺流程及装置,包括石灰乳加药装置、PH值调整池、循环泵、电絮凝装置、催化反应流化床、吹脱塔、氨吸收塔和清水池,所述石灰乳加药装置通过连接管与PH值调整池连接,所述循环泵上的输入管与PH值调整池连接,所述循环泵上的排出管与电絮凝装置连接,所述电絮凝装置的一端通过连接管与吹脱塔连接。该发明利用化学反应进行反硝化脱氮,反应条件比生物反应更可控,反应速率高,在有催化剂的条件下,六十分钟内硝酸根去除效率达94%,催化剂活性比微生物活性高很多,而且易于自动化和操作,提高净化废水中硝酸根的效率,更加环保可靠。

标签:
废水处理
江苏 - 南通 来源:中冶有色网 2023-03-19
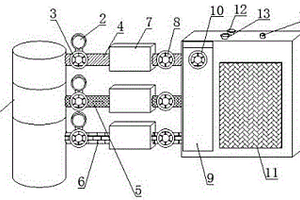
削减工业废水中固废物的处理系统

本实用新型公开了一种削减工业废水中固废物的处理系统,所述削减工业废水中固废物的处理系统包括絮凝沉降器、一级消解罐、二级消解罐、压滤机和清液处理器;所述絮凝沉降器、一级消解罐、二级消解罐、压滤机和清液处理器通过管道依次相连接;所述絮凝沉降器、一级消解罐、二级消解罐和清液处理器均设置有进口和出口;所述压滤机上设置有进口、第一出口和第二出口;所述絮凝沉降器的出口与一级消解罐的进口相连接;所述一级消解罐的出口与二级消解罐的进口相连接;所述二级消解罐的出口与压滤机的进口相连接;所述压滤机的出口与清液处理器的进口相连接。本实用新型结构简单,使用方便,设计合理,节能环保,防止二次污染。

标签:
废水处理
江苏 - 南通 来源:中冶有色网 2023-03-19
基于工业废水中苯系物含量的测定装置

本实用新型公开了一种基于工业废水中苯系物含量的测定装置,涉及工业废水即检测技术领域,包括气瓶,所述气瓶右侧从上到下分别与三个减压阀连接,三个所述减压阀分别通过载气管、氢气管、空气管与流量调节箱连通,所述流量调节箱内的载气管、氢气管、空气管分别与三个流量调节阀连接。本设计在换气时也可一次性换置,避免了多次换气的麻烦,将各个气管上分别安装有流量调节阀,并将流量调节阀的阀杆通过传动比一定的齿轮依次啮合使调节阀之间相互传动,从而在调节流量调节阀时使各气体之间的流量比保持不变,既可省力又能够使氢火焰离子化检测器灵敏度较高、稳定性较好,进而得到较为准确的测定数据。

标签:
废水处理
江苏 - 南通 来源:中冶有色网 2023-03-19
工业废水异味吸收装置

本实用新型公开了一种工业废水异味吸收装置,包括进水管,所述进水管的一端设置有连接套管,所述进水管的下端设置有排杂管,所述排杂管的下端连接有密封盖,所述密封盖的上端排杂管的内部设置有固定杆,所述固定杆的一端排杂管的内部设置有连接尖刺,所述连接套管的一端设置有固定管,所述连接套管的内部设置有过滤网,所述固定管的一端设置有沉淀箱,所述沉淀箱的上端设置有一号加药管。本实用新型中,可以便于杂质排出,可以使得药剂和工业废水完全混合,便于异味的除去,比较方便。

标签:
废水处理
江苏 - 南通 来源:中冶有色网 2023-03-19
分离工业废水中树脂粒子的分离系统

一种分离工业废水中树脂粒子的分离系统,包括依次按处理流程连接的废水池、废水泵和废水回收池,在废水泵和废水回收池之间设有悬液分离器。采用本实用新型的技术方案,含聚偏二氯乙烯树脂的排放水中的树脂粒子能够被有效分离,用电量小,维护费用低。

标签:
废水处理
江苏 - 南通 来源:中冶有色网 2023-03-19
应用于工业废水的处理方法

本发明公开了一种应用于工业废水的处理方法,主要包括调节废水的pH、改性粉煤灰沸石的吸附、纤维回收、改性粉煤灰沸石的吸附和生物降解的废水处理工序,本发明使用的改性粉煤灰沸石通过改性剂溶液的配制、粉碎粉煤灰和改性反应制得。本发明具备成本低,废水处理效果好的优点,整个处理过程高效,对废水的处理效果好,能达到排放和回收标准,有利于工厂推广应用。

标签:
废水处理
江苏 - 南通 来源:中冶有色网 2023-03-19
工业废水回收处理净化设备

本实用新型公开了工业废水回收处理净化设备,包括储液箱,所述储液箱的顶部固定连接有驱动电机,所述驱动电机的输出轴固定连接有第一搅拌杆,所述第一搅拌杆的表面固定连接有第一搅拌叶。本实用新型通过第一搅拌杆、第一搅拌叶、传动机构、第二搅拌杆和第二搅拌叶的配合,驱动电机的输出轴通过第一搅拌杆带动第一搅拌叶旋转,同时第一搅拌杆通过第一锥齿轮和第二锥齿轮带动第二搅拌杆旋转,第二搅拌杆带动第二搅拌叶旋转,对液体充分搅拌,通过过滤网和收集盒的配合,便于对反应后的液体进行过滤,过滤网能够拦截工业废水中的杂质,从而提高消毒效果,解决了现有装置消毒效果差的问题。

标签:
废水处理
江苏 - 南通 来源:中冶有色网 2023-03-19
工业废水处理用消毒设备

本实用新型公开了一种工业废水处理用消毒设备,包括安装座和消毒机构,所述安装座下端面的两侧均设置有若干个支撑柱,所述支撑柱之间设置有安装板,所述安装板的上端面上设置有电源箱,所述安装座的上端面上设置有消毒箱,所述消毒箱一侧的上端通过开设进水口设置有进水管,所述消毒箱另一侧的下端通过开设出水口设置有出水管,所述出水管的下端通过开设外螺纹螺纹连接旋转盖,所述消毒机构设置在消毒箱的内部,所述消毒机构由若干个第一导流板、若干个紫外线灯、第二导流板和导流口组成;本实用新型结构简单,设计合理,操作方便,能够快速有效地对工业废水进行消毒,消毒效率更高效果更好,同时消毒成本更低,水体中不会残留其他物质。

标签:
废水处理
江苏 - 南通 来源:中冶有色网 2023-03-19
工业废水反应器
工业废水反应器 891     
 0

一种工业废水反应器,其包括反应罐和安装在反应罐下方的支架,所述反应罐为三段式结构,其包括上封头、下封头和位于上下封头之间的罐体,所述上封头顶部安装有搅拌装置,罐体上开设有酸液进口、碱液进口及排气口,罐体内部安装有冲洗装置,所述罐体与下封头的连接处安装有镂空板,镂空板上安装有酸碱度传感器,所述下封头为倒圆台结构,其底部开设有物料出口,所述支架位于下封头的下方,通过承托下封头将这个反应罐架起,本实用新型工业废水反应器应用于酸碱废水的中和反应,其结构简单,制造成本低,功能丰富,通过顶部冲洗装置有效预防生成物附着在反应罐内壁,通过酸碱度传感器和比例电磁阀进准控制酸碱废水流量,精准控制中和反应进程。

标签:
废水处理
江苏 - 南通 来源:中冶有色网 2023-03-19
微量贵金属工业废水处理装置

本实用新型提出一种微量贵金属工业废水处理装置,包括第一四通换向阀、第一吸附柱体、第二四通换向阀以及第二吸附柱体,第一四通换向阀处于第一种管路状态时,第一四通换向阀连通进水阀以及第一吸附柱体的进口,第一四通换向阀连通第二四通换向阀以及第二吸附柱体的进口;第二四通换向阀具有两种管路状态,第二四通换向阀连通出水管以及第二吸附柱体的出口,第二四通换向阀连通第一四通换向阀以及第一吸附柱体的出口;本实用新型提供了一种微量贵金属工业废水处理装置,在吸附时采用两根吸附柱串联,保持了前级吸附后级备用的功能;通过两路四通阀的切换,实现前后级的对调,四通阀的使用同时可以实现不停机更换。

标签:
废水处理
江苏 - 南通 来源:中冶有色网 2023-03-19
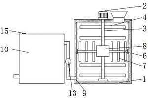
便于清洁维护的工业废水焚烧炉

本发明公开了一种便于清洁维护的工业废水焚烧炉,具体涉及焚烧炉领域,包括焚烧炉本体,所述焚烧炉本体的内顶壁和内底壁均固定连接有环形板,两个所述环形板相对的一侧均开设有环形槽,两个所述环形槽的内部滑动连接有四个呈矩形分布的滑块,上下两个所述滑块之前固定连接有连接管,两个所述连接管相互远离的一侧均连通有多个喷头。本发明能够利用一号电机的转动带动转动杆进行转动,带动两侧的刮板和连接管上的喷头围绕焚烧炉本体内壁转动,从而利用刮板对焚烧炉本体内壁上的杂质进行清理,同时在水泵的运作下,喷头对焚烧炉本体内壁进行喷洒,从而对刮板刮取杂质后的内壁进行冲洗,从而方便对工业废水焚烧炉的内壁进行清洁维护。

标签:
废水处理
江苏 - 南通 来源:中冶有色网 2023-03-19
工业末端废水零排放处理系统及工艺

本发明公开了一种工业末端废水零排放处理系统及工艺,包括预处理软化系统、膜处理系统和蒸发结晶系统:所述预处理软化系统包括预澄清池、废水箱、曝气风机、中和箱、沉降箱、絮凝箱、澄清池和板框压滤机;所述膜处理系统包括微滤、碟管式纳滤和碟管式反渗透,所述蒸发结晶系统包括蒸发结晶器和打包机。本发明使用NaOH、Na2CO3双碱法软化,与常规的石灰‑纯碱法相比,减少软化药剂投加量,运行成本显著下降;蒸发结晶盐为高纯度工业级氯化钠,纯度98.5%以上,达到一级工业盐标准,可作为商品销售回收一定成本,实现副产物资源化。

标签:
废水处理
江苏 - 南通 来源:中冶有色网 2023-03-19
工业废水隔油装置
工业废水隔油装置 770     
 0

本实用新型涉及一种工业废水隔油装置,包括依次设置的污水缓冲罐、第一油水分离器、第二油水分离器和隔油池,第一油水分离器和第二油水分离器的内部上端被隔油板分隔成两个空间,其中一个空间的侧壁上连接有进水管,另一个空间的侧壁上连接有排油管;第一油水分离器上的进水管与污水缓冲罐连通设置,第二油水分离器上的进水管与第一油水分离器的底部中心连通设置;第二油水分离器的底部中心设有与第二油水分离器连通的第一出水管,且第一出水管的另一端与隔油池连通设置,在第一出水管与第二油水分离器上的进水管之间还连通设置有第二出水管。本实用新型的优点在于:本实用新型能够预先分离出油污,降低工业废水的处理难度。

标签:
废水处理
江苏 - 南通 来源:中冶有色网 2023-03-19
工业用纱管纸废水处理设备

本实用新型公开了一种工业用纱管纸废水处理设备,包括进水管、预处理仓、隔板、催化氧化仓、设备本体、曝气仓和出水管,所述设备本体由预处理仓、催化氧化仓和曝气仓组成,所述预处理仓和曝气仓分别位于设备本体的两侧,所述隔板的数量为两个,所述两个隔板分别位于预处理仓、催化氧化仓和曝气仓的连接处,所述进水管位于预处理仓的外表壁,所述出水管位于曝气仓的外表壁。本实用新型中,该废水处理设备采用三个独立的处理仓,能够从三个不同的方面对纱管纸废水进行高效全面的处理效果,从而实现了物理方式、化学方式和生物方式三种不同的处理效果,增强了废水处理设备的工作效率,提高了废水处理设备的利用率。

标签:
废水处理
江苏 - 南通 来源:中冶有色网 2023-03-19
工业废水中无机氮的资源化固氮方法

本发明公开了一种工业废水中无机氮的资源化固氮方法,用还原剂将工业废水中的硝态氮、亚硝态氮还原为氨态氮,用固氮剂将氨态氮固化结晶。本发明相当于以废水中的无机氮为原料,利用还原剂把硝态氮还原为氨态氮后,再结合病理学结石的生长机理,高效固定氨态氮,使废水中无机氮达标的同时,固定下来氮元素不再以氮气的形式排空,而是以固态氮肥去往下游相关企业。

标签:
废水处理
江苏 - 南通 来源:中冶有色网 2023-03-19
工业废水重金属在线监测装置

本实用新型公开了工业废水重金属在线监测装置,属于监测装置技术领域,该装置包括安装板,所述安装板的顶部穿插有两个螺栓,所述安装板的底部固定连接有支撑管,所述支撑管的底端固定连接有水桶,所述水桶的外侧套设有与其螺纹连接的升降桶。该实用新型,通过过滤网会对废水中的泥沙等混浊物进行过滤,进而避免泥沙等混浊物对重金属检测仪监测造成影响,并且在废水进入到水桶内部的过程中,由于升降桶旋转,升降桶会带动搅拌杆对废水进行搅拌,进而避免废水出现沉淀,导致监测精度的情况发生,而且活塞在下降的过程中会改变过滤结构位于废水中的深度,进一步的提高监测的效果,提高装置的实用性。

标签:
废水处理
江苏 - 南通 来源:中冶有色网 2023-03-19
工业废水污染检测装置
工业废水污染检测装置 1046     
 0

本实用新型公开了一种工业废水污染检测装置,包括储液罐、进液管、出液管和检测箱,所述储液罐的外部设有检测箱,所述检测箱的内部安装有检测器,且检测器的外壁与检测箱固定连接,所述检测箱的内部设有动力泵,所述动力泵的外壁上安装有多组分流管,且分流管的一端皆延伸至检测器的内部,所述储液罐的外壁上安装有加强管,所述加强管的外壁上设有两组卡套,且加强管通过卡套与储液罐相连接。本实用新型不仅实现了污染检测装置对工业废水稳定的传输检测,方便了污染检测装置后期的清洗维护,而且提高了污染检测装置的检测结果。

标签:
废水处理
江苏 - 南通 来源:中冶有色网 2023-03-19
工业废水处理用一体式带式浓缩压滤机及其使用方法

本发明公开了一种工业废水处理用一体式带式浓缩压滤机及其使用方法,包括带式浓缩压滤机本体,带式浓缩压滤机本体底部中间位置的两端均固定设有第一支撑架,两个第一支撑架外壁的顶端均固定设有第一定位板,两个第一定位板顶部的一端均穿插设有第一定位杆,两个第一定位杆外壁的一端均穿插设有弹簧,本发明通过带式浓缩压滤机本体内部的传动皮带滑动,使得传送皮带顶端的泥浆移动到压泥板的底端,使得带式浓缩压滤机本体内部传动皮带顶端过滤后的废渣在传输中更加紧实,避免带式浓缩压滤机本体由于工业废水的过滤处理引发损伤,且保护带式浓缩压滤机本体的工作环境,增加带式浓缩压滤机本体的实用性。

标签:
废水处理
江苏 - 南通 来源:中冶有色网 2023-03-19
用生物技术和膜技术深度处理工业废水的方法

本发明涉及一种用生物技术和膜技术深度处理工业废水的方法,所述方法包括以下步骤:a、调节PH值:将所需要处理的工业废水通过含有碱和碳酸钙的水箱;b、膜过滤:将调节过PH值的预处理水经过超滤膜组过滤;c、微生物絮凝:将经过b处理的预处理水经过含有微生物絮凝剂的水箱,进行微生物的絮凝;d、过滤吸附:将经过c处理的预处理水经过拥有超滤膜组和树脂吸附组的水箱,进行二次过滤和对絮凝物的吸附;e、检测:若检测合格,由管道注入纯水水箱,若检测不合格,按照检测结果进入上述哪道步骤。本方法结构简单,动作性能稳定,水的回收率高,而且方法经济实用,节能环保。

标签:
废水处理
江苏 - 南通 来源:中冶有色网 2023-03-19
用于环境检测的工业废水检测装置及其检测方法

本发明公开了一种用于环境检测的工业废水检测装置及其检测方法,属于环境检测技术领域,一种用于环境检测的工业废水检测装置及其检测方法,包括搅拌箱,搅拌箱左右两侧的外壁上均固定安装有支撑架,支撑架的底端固定安装有装置底座,搅拌箱右侧的外壁上连通有进料管,搅拌箱的顶部内壁上固定安装有第一电机,第一电机的驱动端上固定连接有搅拌轴,搅拌轴左右两侧的外壁上均固定连接有多个搅拌叶片,搅拌箱的底部外壁上连通有出料管,出料管的内壁上固定安装有挡板。可以实现步骤简单、便于操作,检测效率高,减轻了检测人员的工作压力,稳定性高,且同时检测六份废水,相互之间可进行对比,提高了检测的精确度。

标签:
废水处理
江苏 - 南通 来源:中冶有色网 2023-03-19
工业废水采样装置
工业废水采样装置 1043     
 0

本实用新型公开了工业废水采样装置,属于废水采样技术领域,该装置包括取样罐,所述取样罐的底部开设有取样口,所述取样罐的内部设置有密闭塞,所述密闭塞的底部与取样口的内壁紧密接触,所述取样罐的侧边固定安装有配重浮力球,所述密闭塞与配重浮力球之间连接有连接杆,所述取样罐的底部安装有过滤装置,所述连接杆穿插于过滤装置上,所述取样罐上转动连接有调节环,所述调节环位于配重浮力球的顶部并与配重浮力球接触。该实用新型,取样后,能够起到密封取样样品的作用,避免二次污染影响工业废水监测结果,操作简单,能够脱离人手直接垂钓使用,适用范围广。

标签:
废水处理
江苏 - 南通 来源:中冶有色网 2023-03-19
具有热量再利用结构的工业高温废水输送装置

本实用新型公开了一种具有热量再利用结构的工业高温废水输送装置,包括主体和微型水泵,所述主体的内部设置有废水管,且废水管的左侧设置有强力水泵,所述废水管的内部设置有过滤网,所述微型水泵设置于主体的上表面左侧,且微型水泵的下端连接有连接管,所述连接管的下端设置有喷射口,且喷射口的外侧设置有粘附层,所述废水管的外表面设置有导热块,且废水管的内部右侧设置有风扇体,所述风扇体的右侧设置有发电设备体,且发电设备体的右侧设置有温度检测仪。通过设置的微型水泵与连接管能够方便对水进行补给,并且设置的调节阀门可以方便将水引入喷射口内部,而且设置的喷射口能够方便对废水管内壁进行清理,避免使用时对其清理不便。

标签:
废水处理
江苏 - 南通 来源:中冶有色网 2023-03-19
能过滤工业废水的排污管

本实用新型公开了能过滤工业废水的排污管,包括沉淀池、连接管和排污管,所述的沉底池通过连接管与所述的排污管相连接,所述的排污管内从左到右依次设有第一过滤组、第二过滤组、第三过滤组,所述的第三过滤组底端设有第四过水管,所述的第四过水管与集水组连接,所述的集水组末端设有第五过水管,所述的第五过水管与末端过滤装置相连接,所述的末端过滤装置包括进水口、面盖和排水管,所述的末端过滤装置内部设有过滤棉芯,所述的面盖设于所述的排污管末端上,通过第一过滤组、第二过滤组、第三过滤组、集水组和末端过滤装置对工业废水的分步过滤,通过简单的过滤净化结构实现对工业废水的有害物质处理,达到排放标准,保护生态环境,有利于企业发展。

标签:
废水处理
江苏 - 南通 来源:中冶有色网 2023-03-19
工业废水处理用离心机

本实用新型公开了一种工业废水处理用离心机,包括固定底座和清理机构,所述固定底座下端面的两侧均设置有若干个支撑脚架,所述固定底座的上端面上设置有箱体,所述箱体的上端面上通过开设进水口设置有进水管,所述箱体的下端面上通过开设出水口设置有出水管,所述箱体上在出水管的两侧均设置有排污管,所述排污管的下端通过开设外螺纹螺纹连接有收集箱,所述箱体一侧的外侧面上设置有第一安装板,所述第一安装板的上端面上设置有第一电机;本实用新型结构简单,设计合理,操作方便,能够在对工业废水离心处理后进行快速有效地清理,防止各种杂质吸附形成污垢,同时工业废水处理效率更高,可以从两侧进行离心分离。

标签:
废水处理
江苏 - 南通 来源:中冶有色网 2023-03-19
上一页 64 65 66 67 68 下一页
共68页    到第

中冶有色为您提供最新的江苏南通有色金属环境保护技术理论与应用信息,涵盖发明专利、权利要求、说明书、技术领域、背景技术、实用新型内容及具体实施方式等有色技术内容。打造最具专业性的有色金属技术理论与应用平台!

全国热门有色金属设备推荐
展开更多 +
全国热门有色金属技术推荐
展开更多 +

 

江西省隆恩特环保设备有限公司
宣传

报名参会
更多+

2025年10月15日 ~ 17日
2025年10月17日 ~ 19日
2025年10月31日 ~ 11月02日
2025年11月07日 ~ 09日

报告下载

有色专家
更多+

江西理工大学
副校长
矿冶科技集团有限公司工程公司
副总经理
中国矿业大学(北京)
教授
中南大学
院长/教授
中南大学、中国工程院
院士
赤泥综合利用研究报告2025
推广

热门技术
更多+

推荐企业
更多+

福建省金龙稀土股份有限公司
宣传

发布

在线客服

公众号

电话

顶部
咨询电话:
010-88793500-807