青岛垚鑫智能科技有限公司
宣传

位置:中冶有色 >

有色技术频道 >

> 复合材料技术

分类:
全部
矿山技术
冶金技术
材料制备及加工技术
环境保护技术
分析检测技术
 
全部
功能材料技术
复合材料技术
新能源材料技术
合金材料技术
加工技术
地区:
全部
北京
天津
上海
重庆
河北
山西
辽宁
吉林
黑龙江
江苏
浙江
安徽
福建
江西
山东
河南
湖北
湖南
广东
海南
四川
贵州
云南
陕西
甘肃
青海
内蒙
广西
西藏
宁夏
新疆
其他
其他
展开
 
全部
南京
无锡
徐州
常州
苏州
南通
连云港
淮安
盐城
扬州
镇江
泰州
宿迁

江苏无锡有色金属复合材料技术理论与应用

免费发布技术信息>>
场致增强型非线性电导聚乙烯复合绝缘材料制备方法

本发明公开了一种场致增强型非线性电导聚乙烯复合绝缘材料制备方法。属于高电压绝缘技术领域,要解决的问题是:提供一种可以有效抑制绝缘结构中电场畸变,均化电场分布的方法。本发明的工作原理是:在聚乙烯绝缘中少量添加具有羟基和醚键官能团的有机助剂即烯丙基聚氧乙烯醚,可有效提高复合材料的场致增强型非线性电导及极化率,降低高场强区的电场强度。本发明所使用的有机助剂作为一种化学原材料,无毒、无刺激性,对环境友好,相对于其他非线性填料,简单易得,价格低廉,且因为同样是有机物,与聚乙烯基体有良好的相容性,具备优异的均化电场能力。

标签:
复合材料
江苏 - 无锡 来源:中冶有色网 2023-03-18
适应声干扰传播路径的组合声障板及安装方法

本发明提出一种适应声干扰传播路径的组合声障板及安装方法,包括艉障板和底障板,艉障板包括钢结构支撑件、反声层、阻尼板层和吸声层,钢结构支撑件为曲面钢板,内凹面铺设反声层,外凸面铺设阻尼层,吸声层铺设于阻尼层上,底障板为吸声障板,吸声障板与底部船体结构的空隙之间填充复合材料树脂,本发明可有效抑制罩内混响,屏蔽来自艉部的螺旋桨噪声,改善声纳的工作环境。

标签:
复合材料
江苏 - 无锡 来源:中冶有色网 2023-03-18
高强度高韧度铝合金螺栓及其制备方法

本发明公开了一种高强度高韧度铝合金螺栓,属于复合材料技术领域,该螺栓具有质量轻、抗拉强度高、韧性好的特点;是由以下百分比的材料组成:铝80~90%,锌0.5~12%,铜0.5~2.6%,镁0.5~3.0%,镍0.5~8%,钇0.5~2%,锆0.1~0.5%,百分比总和为100%。发明还公开了该紧固螺栓的制备方法,利用该制备方法能够制备出质量稳定的紧固螺栓。

标签:
复合材料
江苏 - 无锡 来源:中冶有色网 2023-03-18
秸秆炭镁镧LDH纳米磷吸附材料及其制备方法与应用

本发明公开了一种秸秆炭镁镧LDH纳米磷吸附材料及其制备方法与应用。所述制备方法包括如下步骤:S1、配制硝酸镁和硝酸镧的混合水溶液作为合成剂,向合成剂中加入秸秆的水分散液,并进行搅拌;S2、将沉淀剂滴加至步骤S1得到的混合液中,升温后进行搅拌;然后离心收集沉淀,依次经烘干、研磨至颗粒状,过筛得到秸秆‑Mg/La‑LDH复合物;沉淀剂为Na2CO3与NaOH的混合水溶液;S3、在通氮气的条件下,将秸秆‑Mg/La‑LDH复合物进行热解炭化即得。本发明中镁镧层状双金属氢氧化物调控后,减少了金属盐的投入量,不仅充分利用了秸秆生物质,而且优化了材料的复合比例,达到了高效的磷吸附效果,结果表明,沼液磷的回收率超过90%,该复合材料处理沼液具有良好应用前景。

标签:
复合材料
江苏 - 无锡 来源:中冶有色网 2023-03-18
碳纳米阵列自支撑电极材料的制备方法

一种碳纳米阵列自支撑电极材料的制备方法,以电解处理过的碳布为集流体,置于二甲基咪唑和金属有机配体混合液体中反应,得到金属有机框架物(MOF)附着在碳布上(MOF/碳布);再将上述MOF/碳布于高温碳化,去金属离子,电解活化,清洗,干燥,即得到MOF衍生碳纳米阵列自支撑电极材料。本发明制备的碳电极材料,具有自支撑特性,其MOF衍生碳纳米阵列特性,具有纳米阵列有序多孔结构、含氧官能团和含氮元素,提升了碳材料作为超级电容器的电极材料的电化学性能。本发明的方法简单、可控、工艺安全,所得的复合材料,能够直接用于超级电容器,锂硫/锌离子电池等其它储能器件领域也具有良好的应用前景。

标签:
复合材料
江苏 - 无锡 来源:中冶有色网 2023-03-18
横向易断胶带及其制备方法

本发明公开了一种横向易断胶带,包括基材层以及覆盖于基材层表面的压敏胶层,基材层为聚乳酸膜材,聚乳酸膜材包括三层结构,三层结构由上至下依次为上表层、芯层和下表层;以质量百分比计,上表层包含聚乳酸50~95%、CBET2~20%、PBAT‑淀粉复合材料3~25%以及功能母料0.5~4%;芯层包括:改性二氧化钛接枝聚乙烯醇2~4%、胡麻胶0.1~0.3%及聚乳酸95.7~97.9%;下表层包括:聚乳酸88~95%、改性木质素‑纳米纤维素丝2~5%、聚乙烯醇0.1~0.3%及功能母料2~9%。本发明制备的可降解聚乳酸膜材具有较高的拉伸强度、较好的氧气和水蒸气阻隔性能,及较好的阻燃性能,当制成横向易断胶带后,具有优异的粘结强度,且不会发生脱胶问题,同时环保可降解,扩大了其应用领域。

标签:
复合材料
江苏 - 无锡 来源:中冶有色网 2023-03-18
BFO-Zein/EC磁性复合膜材料及其制备方法与应用

本发明属于复合材料技术领域,本发明公开了一种BFO‑Zein/EC磁性复合膜材料及其制备方法与应用。本发明钡铁氧体纳米颗粒进行油酸修饰,然后将其与改性玉米醇溶蛋白纤维混合搅拌,分散均匀后放入模具压铸成膜并进行充磁处理即得到BFO‑Zein/EC磁性膜。油酸修饰改善了钡铁氧体纳米颗粒的分散程度,并促进其与改性玉米醇溶蛋白纤维更好的结合。本发明的磁性膜材料与传统外源磁场诱导靶向材料相比极大的简化了治疗步骤和成本,且具有良好的生物相容性、自降解性以及稳定的结构和磁性,可应用于医学领域的药物靶向。

标签:
复合材料
江苏 - 无锡 来源:中冶有色网 2023-03-18
焊拉一体化生产超长耐蚀铝复合管的方法

本发明涉及金属管材加工技术领域,特别是一种焊拉一体化生产超长耐蚀铝复合管的方法,具体步骤如下:将挤压后的铝合金管收卷在料筐内,将功能性铝合金带材包覆于铝合金管外侧;在成形包覆的过程中用金属刷分别刷所述内层和外层的接触面及带材的搭接接触面;对外层带材的圆周搭接接头用超声波滚焊轮焊接;复合管的管头出焊接包覆机后,中止包覆焊接,在线向管头内注润滑油、装游动芯棒、装牵引杆;牵引杆送入1#履带拉拔机组牵引铝复合管过拉拔模具进行减径减壁拉伸,同时启动铝复合管的包覆焊接并在运行速度上形成同步。本发明具有加工成本低、工艺流程短、占地面积小、复合材料厚度均匀的特点。

标签:
复合材料
江苏 - 无锡 来源:中冶有色网 2023-03-18
超疏水SERS阵列传感器及其制备方法和应用

本发明公开了一种超疏水SERS阵列传感器的制备方法和应用,制备方法包括如下步骤:基底的清洗与表面处理;制备阵列孔洞结构的PDMS芯片;基底与PDMS芯片键合形成基底芯片;在SERS传感器基底芯片的阵列微孔洞内生长碳掺杂的Ag纳米复合材料形成超疏水SERS阵列传感器。本发明制得的超疏水SERS阵列传感器可以用于检测食品中的三聚氰胺检测,本发明的制备方法新颖,成本低、检测灵敏度高、稳定性好,可同时对多个样本、多种物质进行同时检测。

标签:
复合材料
江苏 - 无锡 来源:中冶有色网 2023-03-18
治疗脊髓损伤的携载中药单体及神经干细胞的导电性组织工程材料的制备方法

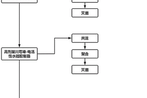
本发明提供了一种治疗脊髓损伤的携载中药单体及神经干细胞的导电性组织工程材料的制备方法,其特征在于,包括以下具体步骤:S1、电活性水凝胶制备;S2、高剂量川芎嗪‑电活性水凝胶制备;S3、携川芎嗪及神经干细胞电活性水凝胶制备;利用细胞移植技术将其与胚胎神经干细胞共培养,使胚胎神经干细胞负载于电活性水凝胶,构建导电性、组织相容性、可降解性及与脊髓匹配性等理化性质优良的新型复合材料,可显著提高胚胎神经干细胞的纯度、细胞活力、细胞增殖速度并可抑制胚胎神经干细胞的分化而维持其多能分化潜能。

标签:
复合材料
江苏 - 无锡 来源:中冶有色网 2023-03-18
用于预制体增密的沉积装置及装炉结构

本申请涉及碳碳复合材料化学气相渗积技术领域,公开了一种用于预制体增密的沉积装置及装炉结构,待增密预制体与内限流筒的侧壁之间形成限流通道,待增密预制体顶部具有过流口,在炉腔内形成自所述炉腔入口依次通向限流通道、过流口和炉腔出口的限流路径。沉积过程中炉腔内热场由外而内温度逐渐降低,而沉积速度随温度增加呈指数增加,碳源气体首先由内表面渗透至温度较高的外侧进行沉积致密化,待增密预制体内部温度不断提高,沉积时沉积面不断向内推进,整个待增密预制体被完全沉积,避免待增密预制体表面结壳,待增密制体增密密度均匀。此外,通过上述限流路径可有效压缩碳源气体活动空间,增加活性基团碰撞几率,从而大大提升沉积效率。

标签:
复合材料
江苏 - 无锡 来源:中冶有色网 2023-03-18
FRP管材桁架拼装用复合增强型钢套管节点及安装方法

本发明涉及一种FRP管材桁架拼装用复合增强型钢套管节点及安装方法,包括FRP管材、内螺纹钢套管、至少两个中空螺栓,FRP管材至少部分套设于内螺纹钢套管内,中空螺栓自内螺纹钢套管的一侧表面穿过其内的FRP管材并从内螺纹钢套管的另一侧表面穿出,FRP管材、内螺纹钢套管之间以及FRP管材内部填充有超高性能混凝土,中空螺栓的中部开设有槽口,中空螺栓的一个端面具有开口,开口与槽口连通,槽口在中空螺栓轴向方向的两个端口位于FRP管材与内螺纹钢套管之间的间隙处。本发明引入具有耐化学腐蚀性好、绝缘性能好、成型工艺简单,重量轻、强度高、抗震性能好、施工速度快、工业化程度高的纤维增强复合材料,并注入UHPC,以提高节点锚固能力。

标签:
复合材料
江苏 - 无锡 来源:中冶有色网 2023-03-18
纤维增强筋及生产工艺

纤维增强筋,其特征在于所述纤维增强筋由增强纤维、紧固材料、界面结合材料,增强纤维占总成分的60%‑75%,紧固材料占总成分的25%‑40%,界面结合材料占总成分的2%‑5%,表面不会生锈,提高主体使用结构的使用寿命,而且表面材料为石英砂、石榴石、金刚石与紧固材料的融合,提高了与主体材料的界面结合力;复合材料新型增强筋轻质高强,储运、安装更便捷。

标签:
复合材料
江苏 - 无锡 来源:中冶有色网 2023-03-18
航天器用充气展开式柔性热辐射器

一种航天器用充气展开式柔性热辐射器,属于航天器热控技术领域。本发明包括充气框架、两片柔性辐射薄膜、刚柔组合管道或全柔性串联管道、以及刚性连接件;两片柔性辐射薄膜叠放设置,两片柔性辐射薄膜之间设置有刚柔组合管道或全柔性串联管道,两片柔性辐射薄膜通过导热胶粘剂与刚柔组合管道或全柔性串联管道粘接,刚性连接件与柔性辐射薄膜一端及刚柔组合管道或全柔性串联管道固定连接,所述充气框架与两片柔性辐射薄膜除所述一端以外的边缘粘接。本发明采用柔性复合材料制成,在发射前为折叠状态,入轨后充气展开成大面积辐射器,具有质量轻、折叠效率高、发射体积小、发射成本低、易于发射、刚度高、散热面积大、散热功率高等特点。

标签:
复合材料
江苏 - 无锡 来源:中冶有色网 2023-03-18
增强抗压防撞公路护栏板材料

本发明涉及复合材料技术领域,并公开了一种增强抗压防撞公路护栏材料。采用以下重量份的原料制成:改性木质素纤维15‑30份,碳纤维10‑20份,玻璃纤维6‑20份,环氧树脂40‑60份,泡沫铝10‑30份,泡沫铜5‑25份,泡沫铁6‑15份,二氧化硅空心微珠3‑15份,丁晴橡胶粉2‑16份,偶联剂0.2‑2份。本发明所公开的一种增强抗压防撞公路护栏材料具有硬度大,吸能效果好,质量轻,造价低,耐高/低温,抗氧化,安全性能良好,缓冲吸能效果良好,具有一定的回弹特性的优点,避免了传统的混凝土护栏在发生碰撞时缓冲性能差,塑料护栏的刚度小,弹性模量小,抗氧化性能差,玻璃钢护栏的整体韧性较差,造价高和波形金属护栏在日常使用中易老化的缺点。

标签:
复合材料
江苏 - 无锡 来源:中冶有色网 2023-03-18
蚕丝仿生生物墨水及其制备方法与应用

本发明公开一种蚕丝仿生生物墨水及其制备方法与应用,所述蚕丝仿生生物墨水,以材料的总重量为基准,含有12‑26重量%的丝素蛋白和羟基磷灰石的复合材料、3‑16重量%的再生丝素蛋白、0.5‑2重量%的海藻酸钠和65‑75重量%的水。所述蚕丝仿生生物墨水在3D打印上的应用,打印喷头包括外管、内管和气压控制装置,内管嵌套在外管内,内管内填充蚕丝仿生生物墨水,外管内填充交联固化溶液,气压控制装置用以控制蚕丝仿生生物墨水和交联固化溶液的流出速度,蚕丝仿生生物墨水和外管内的交联固化溶液一起挤出,在打印基底溶液中打印出支架。支架在打印过程中,直接由蚕丝仿生生物墨水和交联固化溶液共同挤出到打印基底溶液,发生交联起到固化作用,而无需进行加热、喷洒胶粘剂,紫外固化等步骤。

标签:
复合材料
江苏 - 无锡 来源:中冶有色网 2023-03-18
钒电池电堆结构
钒电池电堆结构 780     
 0

本发明提供一种钒电池电堆结构,钒电池电堆结构包括位于液流框边缘的焊料及焊槽,且对应设置的正极液流框与负极液流框通过焊料及焊槽实现永久密封;具有集成结构的进出液板单元,使得电解液管路结构设计更加灵活,降低制备工艺难度,提高集成度,扩大应用;进出液板单元中设置容纳空间,以埋藏集流板连接部,实现进出液板单元与液流框密封连接;液流框设置液流框凸筋,使得液流框与隔膜自密封连接;液流框中设置具有密封圈的密封圈槽,增强液流框密封连接效果;设置泄压槽,降低压力,减少漏液风险;通过激光焊接连接导电复合材料双极板与液流框;从而本发明提供了一种稳定可靠、高度集成、易于制造、加工成本低的钒电池电堆结构。

标签:
复合材料
江苏 - 无锡 来源:中冶有色网 2023-03-18
化工管道的防腐材料生产工艺

本发明公开了一种化工管道的防腐材料生产工艺,属于高分子复合材料制备技术领域,通过将原料进行混炼、造粒和加工成型,利用电子加速器对高分子型材进行辐射交联,交联后聚合物经过加热和径向扩张,最后通过冷却定型得到防腐蚀热缩产品,同时利用热缩产品的形状记忆性,选择合适形状尺寸的热缩材料制品套入或包复在管道的外面,用热源加热到一定温度该材料就会迅速收缩变小,使得热缩防腐蚀材料紧紧的包裹在管道的表面,起到绝缘、防潮、密封、保护和接续的作用;不仅满足管道防腐行业对防腐材料的要求,而且可以省掉胶粘剂层,简化防腐材料的生产工艺,降低生产成本,同时减缓了工人施工工艺,大大提高了施工效率。

标签:
复合材料
江苏 - 无锡 来源:中冶有色网 2023-03-18
双手性β-CD@Cu-MOF纳米复合传感器的制备方法和应用

本发明公开了一种双手性β‑CD@Cu‑MOF纳米复合传感器的制备方法及基于该传感器作为同时电化学传感酪氨酸和青霉胺异构体的应用,属于纳米复合材料技术、电催化技术和异构体识别技术领域。其主要步骤是将硝酸铜溶液和配体溶液混合,室温静置制备Cu‑MOF纳米纤维;Cu‑MOF纳米纤维和β‑环糊精β‑CD共混,滴涂在玻碳电极GCE上,制得双手性β‑CD@Cu‑MOF/GCE纳米复合传感器。该传感器制备所用原料成本低,反应能耗低,制备方法简单高效。将该传感器作为同时电化学传感酪氨酸和青霉胺异构体的应用,具有灵敏度高、设备简单和电化学稳定性高等优势,具有良好的工业前景。

标签:
复合材料
江苏 - 无锡 来源:中冶有色网 2023-03-18
甲维盐·茚虫威悬乳剂及其制备方法

本发明涉及农药制剂的技术领域,具体涉及一种甲维盐•茚虫威悬乳剂及其制备方法,本发明的悬浮剂由包括如下重量百分含量的原料配制而成:甲氨基阿维菌素苯甲酸盐2‑7%、茚虫威10‑20%、载体3‑10%、表面活性剂1‑3%、有机溶剂5‑10%和余量的水,所述载体为白炭黑/二氧化钛复合材料;本发明能够将活性成分吸附于载体内,提高了悬浮剂的稳定性,避免了活性成分的局部团聚或沉降,从而提高了悬浮剂的药效,使甲维盐的悬浮率最高达到99.90%,茚虫威的悬浮率最高达到99.30%;悬浮剂施药14d后对稻纵卷叶螟的防治效果最高可达97.20%,杀虫效果优良。

标签:
复合材料
江苏 - 无锡 来源:中冶有色网 2023-03-18
高弹力耐腐蚀涤纶丝制备工艺

本发明属于新型纤维及复合材料制备技术,特别涉及一种高弹力耐腐蚀涤纶丝制备工艺。高性能聚酯纤维在应用中有着广泛的用途,除传统服装外,正在向工业如汽车、建筑、楼房室内外装饰、劳动保护等领域发展。化纤应用的开发方向转向非服装领域。东亚非服装用化纤占总需求的份额逐年增加,尤其是化纤的一些优异性能,适合专用产业领域的最佳选择,并处于特殊的重要地位,所以具有高弹力耐腐蚀涤纶丝在市场的应用也越来越广泛。

标签:
复合材料
江苏 - 无锡 来源:中冶有色网 2023-03-18
MgO包裹Bi<Sub>2</Sub>WO<Sub>6</Sub>微球纳米复合光催化材料、制备方法及其应用

一种MgO包裹Bi2WO6微球纳米复合光催化材料:将一定摩尔量的Bi(NO3)3·5H2O,Na2WO4·2H2O和十二烷基硫酸钠溶解在水中,超声搅拌20min,将混合液转移到聚四氟乙烯内衬的高压釜中,180℃保持24h,离心干燥后得Bi2WO6粉末。将Bi2WO6浸渍于MgSO4溶液中,离心干燥后,在空气中煅烧(750℃,1h)得到MgO包裹Bi2WO6微球复合材料。本发明采用一步溶剂热法,制备方法简便,表现出光响应范围宽、禁带宽度窄、催化能力强的优势,成本低廉,有效解决现存Bi2WO6光催化剂电子空穴难以分离、光响应范围有限的问题,有利于制备新型清洁度的光催化材料,实现资源的可持续发展。

标签:
复合材料
江苏 - 无锡 来源:中冶有色网 2023-03-18
MIL-101(Fe)/g-C<Sub>3</Sub>N<Sub>4</Sub>复合可见光光催化剂及其制备方法和应用

本发明公开了一种MIL‑101(Fe)/g‑C3N4复合可见光光催化剂及其制备方法和应用,在二维片状的g‑C3N4表面原位生长正八面体结构的MIL‑101(Fe),具体过程为:将g‑C3N4分散到FeCl3和DMF的混合溶液中,充分搅拌使得Fe3+在g‑C3N4表面达到吸附平衡,然后再加入对苯二甲酸超声处理后进行溶剂热反应,经固液分离、纯化、干燥后即得MIL‑101(Fe)/g‑C3N4。本发明的MIL‑101(Fe)/g‑C3N4复合材料,在可见光条件下,无需额外加入其他牺牲剂,可以用于废水中Cr(VI)还原和BPA氧化降解的同步进行,降低了处理难度和处理费用。

标签:
复合材料
江苏 - 无锡 来源:中冶有色网 2023-03-18
基于超薄纤维预浸料的高性能碳纤维层合板及其制备方法

本发明属于复合材料技术领域,具体涉及一种基于超薄纤维预浸料的高性能碳纤维层合板及其制备方法。所述碳纤维层合板包括在与长度方向呈夹角θ的两个方向上铺设的碳纤维,还包括在长度方向上、与长度方向垂直的方向上,或者与长度方向呈夹角θ的两个方向相垂直的两个方向上铺设的碳纤维。本发明通过设计新型铺设结构,提出[±θm/0n]s、[±θm/0n/90n]s、[θm/(90+θ)n/‑θm/(90‑θ)n]s等新型铺设结构,使碳纤维层合板发生平稳的渐进损伤过程,并增强其在其他方向的承载能力,增强材料的各向承载力及其伪延性;可以通过调整θ的大小,获得在不同方向上具有不同的拉伸强度和伪延性的碳纤维层合板,满足不同的需求;所述碳纤维层合板的制备方法操作简单,便于工业生产。

标签:
复合材料
江苏 - 无锡 来源:中冶有色网 2023-03-18
石墨烯/羟基氧化铁/聚苯胺的超级电容器正极材料的制备方法及应用

一种石墨烯/羟基氧化铁/聚苯胺的超级电容器正极材料的制备方法,包括以下步骤:1)将过硫酸铵和硫酸铁加入到高氯酸中,然后向其中加入氧化石墨烯水溶液,并在室温下搅拌直至形成均匀的混合液;2)将以苯胺单体和柠檬酸钠为溶质、四氯化碳为有机溶剂的溶液缓慢注入步骤1)所述均匀的混合液中,最后在室温下静置数小时然后过滤、洗涤、真空干燥。本发明采用液面聚合方法一步制备出石墨烯/羟基氧化铁/聚苯胺复合电极材料,该复合材料具有较高的比表面积、较低的内阻及优异的循环稳定性;当将其组装成全固态非对称超级电容器时,该超级电容器仍具有优异的循环稳定性、较高的能量密度和功率密度。

标签:
复合材料
江苏 - 无锡 来源:中冶有色网 2023-03-18
喷筑式石膏三层保温复合双层外墙墙体及制备方法

本发明涉及一种喷筑式石膏三层保温复合双层外墙墙体及制备方法。以此墙体构造及其制备方法可以很好地提高了外墙的节能效率,满足严寒地区、寒冷地区对保温节能的高要求,同时避免热桥的产生;如为了满足建筑防火需要,外侧保温采用无机防火材料,中间保温采用有机材料;两种材料有机结合,达到高效节能与防火的统一;通过本技术,可以完成装配式建筑最为简单的施工方法,即主结构由混凝土结构、钢结构担当,而围护部份包括内隔墙、外墙、外墙保温等工作由喷筑式石膏复合材料完成;通过本技术,可大量消纳工艺副产石膏,变废为宝,保护我们的绿水青山。

标签:
复合材料
江苏 - 无锡 来源:中冶有色网 2023-03-18
N,S共掺杂的碳/二硫化锡复合物材料的制备方法和应用

本发明属于材料合成技术领域,公开了一种N,S共掺杂的碳/二硫化锡复合物材料的制备方法,该方法以四苯基锡为锡源和碳源、以硫脲为氮源和硫源,包括以下步骤:将四苯基锡和硫脲分别放入瓷舟并置于充满氩气的管式炉中,密闭;将管式炉以5℃/min升温至500℃,保温1~3h,自然降温至室温,即得目标产物。该方法经一步直接合成N,S共掺杂的碳/二硫化锡复合材料,该方法无需分离、洗涤等繁琐步骤,简便快捷,省时省力。该方法所得产物纯度高,用作钾离子电池负极材料时,具有储钾容量高、循环稳定性优异的特点。

标签:
复合材料
江苏 - 无锡 来源:中冶有色网 2023-03-18
可以生物降解的纸塑复合结构及其制备方法

一种可以生物降解的纸塑复合结构,包括:至少一种醋酸纤维素或其衍生物薄膜;一种纸质基材;所述醋酸纤维素或其衍生物薄膜与纸质基材结合形成纸塑复合结构。配方中包括的纤维素材料包括取代度为1.5到2.8的醋酸纤维素或者其衍生物。还包括能够降低纤维素软化温度的塑化剂。基础纸材是纤维素浆粕经物理加工后的纸,如牛皮纸和羊皮纸等。所述的可以生物降解的纸塑复合结构的制备方法包括将醋酸纤维素薄膜通过加热加压方法复合,也可以通过溶液涂层的方法进行复合,即将醋酸纤维素溶液涂覆在纸表面,溶剂蒸发后制成含有醋酸纤维素的纸质复合材料。本发明制品可以在食品领域或包装领域应用,可以自然降解以消除或减少包装材料所带来的环境污染问题。

标签:
复合材料
江苏 - 无锡 来源:中冶有色网 2023-03-18
超高压合成腔体
超高压合成腔体 989     
 0

本发明公开一种超高压合成腔体,涉及超硬复合材料技术领域,包括主腔体,所述主腔体的中部设置有通孔;所述通孔内两端分别设置有一个叶腊石环,所述叶腊石环的中心孔内设置有导电钢圈;所述导电钢圈的内侧设置有第一传压片,所述第一传压片的内侧沿轴向依次设置有第二传压片、加热片和屏蔽片;两个所述第一传压片之间沿径向向内依次安置传压环、加热环和屏蔽环;所述第二传压片设置有两个,分别位于所述传压环的中心孔内两端;所述加热片设置有两个,分别位于所述加热环的中心孔内两端;所述屏蔽片设置有两个,分别位于所述屏蔽环的中心孔内两端;所述屏蔽环内部用于放置样品。本发明能够有效传递压力,并保证密封性。

标签:
复合材料
江苏 - 无锡 来源:中冶有色网 2023-03-18
芯片封装电极及其制备方法和芯片封装结构

本发明提供一种芯片封装电极及其制备方法和芯片封装结构。该芯片封装电极,包括:电极板以及在所述电极板上层叠设置的第一钼铜合金层、弹性层和第二钼铜合金层,其中,所述第一钼铜合金层和第二钼铜合金层中钼的质量百分比沿背离所述电极板的方向上均逐渐增大,所述弹性层由铜和弹性体形成的复合材料制成。第一钼铜合金层和第二钼铜合金层中,铜保证该电极具有优良的导电性能,由于钼的热膨胀系数与芯片更匹配,从而降低了热膨胀系数不匹配对电极或芯片所造成的损害;弹性层中,铜保证了电极的导电性能,弹性体的添加增加了电极的弹性,进一步降低了对芯片的机械损伤风险。上述封装电极结构紧凑,电极与芯片距离适宜,保证了芯片的良好散热。

标签:
复合材料
江苏 - 无锡 来源:中冶有色网 2023-03-18
上一页 502 503 504 505 506 ... 573 下一页
共573页    到第

中冶有色为您提供最新的江苏无锡有色金属复合材料技术理论与应用信息,涵盖发明专利、权利要求、说明书、技术领域、背景技术、实用新型内容及具体实施方式等有色技术内容。打造最具专业性的有色金属技术理论与应用平台!

全国热门有色金属设备推荐
展开更多 +
全国热门有色金属技术推荐
展开更多 +

 

江西省隆恩特环保设备有限公司
宣传

报名参会
更多+

报告下载

有色专家
更多+

昆明理工大学
副校长
矿冶科技集团有限公司
党委书记 / 董事长
矿冶科技集团有限公司
所长/研究员级高工
昆明理工大学
教授
长沙矿冶院检测技术有限责任公司
总经理
赤泥综合利用研究报告2025
推广

热门技术
更多+

推荐企业
更多+

福建省金龙稀土股份有限公司
宣传

发布

在线客服

公众号

电话

顶部
咨询电话:
010-88793500-807