青岛垚鑫智能科技有限公司
宣传

位置:中冶有色 >

有色技术频道 >

> 复合材料技术

分类:
全部
矿山技术
冶金技术
材料制备及加工技术
环境保护技术
分析检测技术
 
全部
功能材料技术
复合材料技术
新能源材料技术
合金材料技术
加工技术
地区:
全部
北京
天津
上海
重庆
河北
山西
辽宁
吉林
黑龙江
江苏
浙江
安徽
福建
江西
山东
河南
湖北
湖南
广东
海南
四川
贵州
云南
陕西
甘肃
青海
内蒙
广西
西藏
宁夏
新疆
其他
其他
展开
 
全部
杭州
宁波
温州
绍兴
湖州
嘉兴
金华
衢州
台州
丽水
舟山

浙江杭州有色金属复合材料技术理论与应用

免费发布技术信息>>
基于双稳态叶片的可变向风扇及制作方法

本发明公开了一种基于双稳态叶片的可变向风扇及制作方法,包括风扇轮毂,所述风扇轮毂外边缘设有间隔相等的若干双稳态扇叶。制作方法:碳纤维环氧树脂复合材料预浸并按需求裁剪;将两层碳纤维预浸料以45°、‑45°的铺设方式进行铺设粘接;将粘接好的碳纤维预浸料在热压罐中加压高温固化冷却成双稳态层合板;在双稳态层合板表面粘接磁力驱动件并打孔制成双稳态扇叶,调整电路完成制作。上述技术方案通过双稳态层合板与风扇结合起来的结合,能够借助自身的两种稳态达到产生两种风向或者吸收两种不同方向的风能的功能,其结构简单重量轻,能够实现气流的双向接受或发送,并且能够通过调整双稳态叶片的稳态转变来适应不同的风向和风力大小。

标签:
复合材料
浙江 - 杭州 来源:中冶有色网 2023-03-18
适用于无水环境的自粘附复合纳米凝胶及其制备方法

本发明涉及复合材料领域,本发明公开了一种适用于无水环境的自粘附复合纳米凝胶及其制备方法。该复合纳米凝胶包括复合纳米凝胶基体和分散负载于所述复合纳米凝胶基体中的无机光催化剂;所述复合纳米凝胶由丙烯酸酯类单体、乙烯基醚类单体和/或乙烯基酯类单体和无机光催化剂通过无表面活性剂沉淀聚合的方法制得。本发明复合纳米凝胶具有快速从空气等无水环境中自采集水分子的功能,且可借助凝胶的堆叠结构引起入射光的多重光散射以提高光解水产氢效率。这为无机催化剂在无水环境中应用并仍可保持非常高的催化效率提供了可能性。此外,本发明溶胀的复合纳米凝胶具有良好的粘附性,可在各种材质的基底上自粘成膜。

标签:
复合材料
浙江 - 杭州 来源:中冶有色网 2023-03-18
还原氧化石墨烯/羟基钛酸钙复合层状结构材料及其制备方法和应用

本发明公开了一种还原氧化石墨烯/羟基钛酸钙复合层状结构材料及其制备方法,该复合层状结构材料基底和原位生长于所述基底上的羟基钛酸钙纳米片;基底为由还原氧化石墨烯彼此连接形成的层状结构;羟基钛酸钙纳米片原位生长于还原氧化石墨烯边缘部分,且插入还原氧化石墨烯的褶皱与相邻还原氧化石墨烯的片层之间;还原氧化石墨烯/羟基钛酸钙复合层状结构材料中,还原氧化石墨烯的质量占比为5~30%。该复合层状结构材料通过一步水热反应制备得到。本发明提供的还原氧化石墨烯/羟基钛酸钙复合层状结构材料,通过两种层状材料的相互协同提高了复合材料的电化学活性面积,同时提高其导电性。

标签:
复合材料
浙江 - 杭州 来源:中冶有色网 2023-03-18
锰酸锂‑三元动力锂离子电池

本发明涉及锂离子电池领域,公开了一种锰酸锂‑三元动力锂离子电池,正极材料包括正极活性物质93‑95份,正极导电剂3.5‑4.5份,正极粘合剂2‑3份,溶解剂15‑25份;所述正极活性物质为锰酸锂与镍钴锰NCM三元材料的复合材料;负极材料包括负极颗粒材料94‑96份,负极导电剂0.9‑1.2份,增稠剂2‑2.4份,负极粘合剂2‑2.4份;所述负极颗粒材料具有核‑壳结构,其中核材料为人造石墨,壳材料为无定型炭。本发明正极材料与负极材料配合好;且负极材料颗粒小,负极材料在铜箔上的附着力和均匀性好,接触内阻低。制作成锂离子电池后,不但降低电池内阻,而且还能提高电池的低温性能、高温性能和循环性能。

标签:
复合材料
浙江 - 杭州 来源:中冶有色网 2023-03-18
用于还原二氧化碳产甲酸的电极及其制备方法和应用

本发明公开了一种用于还原二氧化碳产甲酸的电极及其制备方法和应用,所述制备方法包括:将Zn0.5Cd0.5S固体溶体和CoP纳米线的复合材料、多壁碳纳米管和表面活性剂溶于乙二醇中,将泡沫镍在上述溶液中浸渗,取出烘干制得负载Zn0.5Cd0.5S固体溶体、CoP纳米线和多壁碳纳米管的泡沫镍电极。本发明将Zn0.5Cd0.5S固体溶体半导体和具有刚性一维纳米结构的CoP纳米线合理结合,使其具有优异的金属导电性,从而有利于其还原二氧化碳活性的提高。

标签:
复合材料
浙江 - 杭州 来源:中冶有色网 2023-03-18
纤维基柔性压电传感器的制备方法

本发明涉及传感器领域,公开了一种纤维基柔性压电传感器的制备方法,本发明通过以钐掺杂钛酸铅纳米晶,改性钛酸铅压电陶瓷,掺钐改性的钛酸铅压电陶瓷的居里温度较高,机电耦合各向异性大,更适合于制作高温下工作的各种换能器,并将其球磨成纳米颗粒,加大接触面积。然后用氨基进行表面官能化,确保与聚合物基质中的马来酸酐分子共价偶联。与未经修饰的纳米颗粒相比,能够在聚合物复合材料中均匀分布,并改善压电发电。最后经过湿法纺丝得到一纤维基柔性压电传感器,提高柔性和稳定性,并且其可编织性扩大了传感器的适用范围与传统传感器相比具有更加优异的检测性能。本发明传感器柔性好,可应用于医疗生物监测,环境和卫生监测等领域。

标签:
复合材料
浙江 - 杭州 来源:中冶有色网 2023-03-18
铝基微纳米复合水解制氢材料

本发明涉及水解制氢技术领域,公开了一种铝基微纳米复合水解制氢材料。本发明以普通铝粉或泡沫铝粉作为基础材料,通过添加活化剂,在空气氛围中采用机械球磨的方法,将泡沫铝粉颗粒粒径减小、破坏其表面氧化层并使新鲜表面积增大,制备了Al‑BiCl3复合材料。氯化铋晶体具有脆性和锋利的边缘,在球磨过程中它能将铝粉切割得更小,暴露出更多活性表面,增大铝粉颗粒与水的接触反应面积,提高铝粉的水解产氢速率和转化率。同时在研磨过程中会发生铝与氯化铋的置换反应,单质铝置换出单质铋,单质铋均匀的分散在铝粉颗粒表面,这样铝和铋之间会形成微电池,能加快铝粉与水的产氢反应的速率。

标签:
复合材料
浙江 - 杭州 来源:中冶有色网 2023-03-18
原位复合碳的普鲁士蓝类化合物薄膜的制备方法及应用

本发明公开了一种原位复合碳的普鲁士蓝类化合物薄膜的制备方法及应用。它包括以下步骤:1)将碳材料超声分散在NaCl溶液中;2)按比例称取过渡金属氰基配合物、还原剂与无机酸加入到上述溶液中;3)电解3~5分钟水,以清洁ITO导电衬底表面;4)在相对于标准Ag/AgCl电极-2.0~2.0V的恒压条件下,在ITO导电衬底上生成原位复合碳的普鲁士蓝类化合物薄膜。本发明一次成膜、快速简单且成本低廉,得到的复合材料导电性大大提升,且钠含量高、空位及含水量低。该材料作为钠离子电池正极材料具有比容量高、循环稳定性好和倍率性能优异等特点,在钠离子电池的大规模开发与应用中具有很大前景。

标签:
复合材料
浙江 - 杭州 来源:中冶有色网 2023-03-18
香菜的小包装气调保鲜方法

本发明公开了一种香菜的气调保鲜方法,包括以下步骤:①将采摘挑选好的香菜预冷后作杀菌处理;②将经过步骤①处理后的香菜分装于1L容量的塑料盒,每盒装量为100g,并用自动气调包装机进行气调包装,使塑料盒内初始气体组分的体积比例为:O2为15%~20%,CO2为3%~5%,其余为N2。塑料盒封口材料选用0.03~0.05cm厚的PA/CPP复合材料。③经过气调包装后的香菜置于3~5℃温度环境下,贮藏、运输和货架销售。本发明可以为广大消费者、超市等销售商提供一种廉价、高效和安全的香菜保鲜方法。

标签:
复合材料
浙江 - 杭州 来源:中冶有色网 2023-03-18
CuO@MnO2核壳结构多孔纳米线材料及其制备方法

本发明公开了一种CuO@MnO2核壳结构多孔纳米线材料及其制备方法,所述CuO@MnO2核壳结构多孔纳米线材料的核层为CuO纳米线,壳层为MnO2?纳米片,且CuO纳米线密集生长在基底上,而壳层MnO2纳米片致密均匀地附生在CuO纳米线表面,并纵横交错,在纳米线表面形成多孔结构。制备步骤包括氧化铜网制得表面长有CuO纳米线的铜网、和通过在KMnO4溶液中短时间水热处理于CuO纳米线上形成壳层为MnO2?纳米片,最终形成CuO@MnO2核壳结构多孔纳米线材料。本发明制得的CuO@MnO2产生了新的纳米形貌,是一种新的异质结构,并导致新的界面,而且巨大的比表面积显著增加了反应的活性位点,从而可提升该纳米复合材料的反应特性,拓展其在能源存储、催化和传感领域的应用前景。

标签:
复合材料
浙江 - 杭州 来源:中冶有色网 2023-03-18
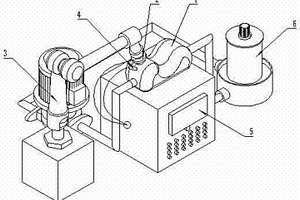
复合滤材施胶复合装置
复合滤材施胶复合装置 1017     
 0

本发明涉及过滤材料制造设备技术领域,公开了一种复合滤材施胶复合装置,包括放卷机构、收卷机构、施胶复合机构、供胶机构,本发明的一种复合滤材施胶复合装置具有以下优点:能够随着施胶复合工作的推进而调整放卷和收卷过程的位置和角度,使用方便安全,能够保证施胶和复合压实工作无缝衔接,复合黏连效果好,熔胶与复合材料表面接触好,不会形成固体颗粒,复合压实的施加压力可调节,适用于不同种类、型号、厚度的特种纸产品的生产。

标签:
复合材料
浙江 - 杭州 来源:中冶有色网 2023-03-18
近红外发光器件的制备方法

本发明公开了一种近红外发光器件的制备方法,本发明将近红外荧光材料涂覆到能发射短波长光的电致发光二极管(LED)表面,制备了近红外发射器件;所述的近红外荧光材料为核壳结构的磷化亚铜‑氧化亚铜复合材料。在短波长光LED的激发下,能够发射近红外光。本发明制备的器件发射波长为750nm附近的近红外光;器件结构简单,制备方法简便。

标签:
复合材料
浙江 - 杭州 来源:中冶有色网 2023-03-18
温致变色液气相变柔性驱动器及其制备方法

本发明公开了一种温致变色液气相变柔性驱动器及其制备方法。驱动器包括应变限制层和主动层,应变限制层由温致变色外壳和其包裹的磁响应芯组成,主动层中埋入有电阻丝;在加热时,主动层与应变限制层产生的不同的体积变化导致在两层之间产生失配变形,实现驱动器的可逆变形;同时,在主动层和应变限制层中添加的温致变色微胶囊产生颜色变化,实现驱动器的可逆变色;在施加驱动磁场时,实现驱动器的运动。本发明的驱动器,是一种使用硅胶基复合材料的可拉伸的变色柔性驱动器,具有可拉伸、多功能、结构简单、制造方便、不易泄露、工作温度低的优点,在软体机器人领域具有较大的应用前景。

标签:
复合材料
浙江 - 杭州 来源:中冶有色网 2023-03-18
核壳结构纳米复合树脂、制备方法及在电镀废水处理中的应用

本发明公开了一种核壳结构纳米复合树脂Co‑MOF‑D113‑1、制备方法及应用,所述纳米复合树脂以D113为基体,以二甲基咪唑和乙酸钴为D113前体,采用层层自主装的方法合成所述纳米复合树脂。本发明有益效果:将宏观和微观尺寸的材料结合,形成了具备优良性能的纳米复合材料;反应过程简单方便,且绿色化;Co‑MOF‑D113‑1材料结构新颖,具有很高的研究价值;对重金属离子的吸附效果将优于现有技术;并且该种核壳结构纳米复合树脂材料具有很好的吸附稳定性和重复使用的性能,可应用于水体中重金属离子的吸附净化。

标签:
复合材料
浙江 - 杭州 来源:中冶有色网 2023-03-18
基于薄膜热电器件供电的压力传感系统及其制备方法

本发明涉及一种基于薄膜热电器件供电的压力传感系统及其制备方法,首先利用磁控溅射技术制备薄膜热电器件,通过对薄膜热电器件热端封装高导热率的导热复合材料,冷端引入水凝胶作为散热器,当薄膜热电器件贴附热源进行发电时,可实现与环境之间大温差的建立;通过激光雕刻技术控制有机高分子薄膜材料微结构尺寸,采用磁控溅射技术控制Ag/Ti导电薄膜的厚度进而调控导电薄膜材料的电阻,实现高灵敏低工作电流压力传感器的组装;最后将薄膜热电器件与压力传感器进行集成后,利用具有高输出电压(15.8mV)的柔性薄膜热电器件贴于人体皮肤进行发电,并供电压力传感器,得到自供电的压力传感系统,并可用于人体脉搏的实时监测。

标签:
复合材料
浙江 - 杭州 来源:中冶有色网 2023-03-18
良表面PBT组合物
良表面PBT组合物 943     
 0

本发明属于塑料改性技术领域,提供了一种良表面PBT复合材料,按重量份数计算,包括以下组分:常规PBT树脂14~77份;低熔点PBT树脂2~35份;增强剂20~55份;其中,所述低熔点PBT树脂的熔融温度为95~220℃。与现有技术相比,本发明的有益效果主要体现在:1、增强剂浮于表面的情况改善更为明显,甚至可做到黑色制件表面无外观可见斑纹或斑块。2、与常规熔点PBT树脂相容性好,无需添加特殊助剂提高两者相容性,对材料的力学性能负面影响没有或极小。避免现有技术当中,为改善表面情况而过量添加的表面改善剂、流动改善剂等助剂,降低了生产物料的投入成本,降低制造难度和物料混合难度,降低甚至避免了小助剂分解或析出的风险。

标签:
复合材料
浙江 - 杭州 来源:中冶有色网 2023-03-18
硅/碳纳米管/碳微米线及其制备方法及应用

本发明属于复合材料技术领域,提供了一种硅/碳纳米管/碳微米线及其制备方法及应用。该制备方法包括以下步骤:将硅纳米粒子加入纤维素溶液中,进行第一次超声处理,再加入碳纳米管,进行第二次超声处理,获得混合溶液;将所述混合溶液先冷冻处理,再进行冷冻干燥处理,获得硅/碳纳米管/纤维素微米线气凝胶;将硅/碳纳米管/纤维素微米线气凝胶进行压力处理,再在保护气环境中进行碳化处理,获得硅/碳纳米管/碳微米线。本发明通过简单的工艺过程制备获得具有独特结构的微米线,碳纳米管沿着微米线轴向排布互相交织,并与纤维素经碳化处理后形成的碳单质一同形成了笼状结构,将硅纳米粒子牢牢的封装在其中。

标签:
复合材料
浙江 - 杭州 来源:中冶有色网 2023-03-18
形貌连续可控的碳酸钙晶须的制备方法

本发明公开了一种形貌连续可控的碳酸钙晶须的制备方法,其方法为:先将氧化钙加入到去离子水中,在一定的温度下进行消化,然后加入晶形控制剂搅拌均匀,利用双管通气装置以一定流量通入二氧化碳气体使其进行碳酸化反应,最后将得到的悬浮液抽滤、洗涤、干燥,得到样品。本发明的特点在于所制备的多臂晶须是一种新形貌碳酸钙晶须,且晶须枝节数目可以通过反应条件加以控制。这种晶须用作复合材料的填充材料,在提升其化学性能和力学性能等方面有着很大的优势。

标签:
复合材料
浙江 - 杭州 来源:中冶有色网 2023-03-18
无卤阻燃耐高温聚苯醚合金材料及其制备方法

本发明公开了一种无卤阻燃耐高温聚苯醚合金材料及其制备方法,按质量份计包括如下组份:聚苯醚40‑60份,聚苯乙烯10‑20份,增韧剂10‑20份,复配阻燃剂5‑10份,热塑性聚酰亚胺6‑15份,相容剂2‑5份,抗氧剂0.3份。本发明无卤阻燃耐高温聚苯醚合金材料在保证聚苯醚的高机械性能基础上,改善了加工性能和抗冲击性能,达到无卤阻燃特性,提高复合材料的耐高温性。无卤阻燃耐高温聚苯醚合金材料在电工电子、通信光伏等领域有着广泛用途。

标签:
复合材料
浙江 - 杭州 来源:中冶有色网 2023-03-18
评价橡胶与填充材料交联网络的方法

本发明属于轮胎、橡胶制品等行业的应用领域,尤其涉及一种评价橡胶与填充材料交联网络的方法。一种评价橡胶与填充材料交联网络的方法,该方法通过DSC测量溶胀后胶体中溶剂的凝固点下降,根据下降值的大小来评价橡胶与填充材料的交联网络。它是用于表征纳米复合材料结构的众所周知的技术的合适的补充。本发明的检测方法操作简单,重现性强,判断准确。

标签:
复合材料
浙江 - 杭州 来源:中冶有色网 2023-03-18
WS2纳米瓦/石墨烯电化学贮钠复合电极及制备方法

本发明公开了一种WS2-纳米瓦/石墨烯电化学贮钠复合电极及其制备方法,其电化学贮钠活性物质为WS2-纳米瓦/石墨烯的复合纳米材料,复合材料中WS2纳米瓦和石墨烯的物质的量之比为1 : 1-1 : 3,WS2纳米瓦为少层数,平均层数约4层,复合电极的组分及其质量百分比含量为:WS2纳米瓦/石墨烯复合纳米材料为80%,乙炔黑10%,羧甲基纤维素5%,聚偏氟乙烯50%。制备步骤:先制备得到WS2纳米瓦/石墨烯复合纳米材料,与乙炔黑及聚偏氟乙烯调成糊状物,将该糊状物均匀地涂到作为集流体的铜箔上,真空干燥后滚压得到电化学贮钠纳米材料复合电极。本发明的复合电极具有高的可逆贮钠容量,优异的循环性能和增强的倍率特性。

标签:
复合材料
浙江 - 杭州 来源:中冶有色网 2023-03-18
电涡流加热约束构件的曲面湍流抛光装置

一种电涡流加热约束构件的曲面湍流抛光装置,包含约束构件、电涡流加热器、红外测温仪、控制柜;约束构件套装在人工关节外,约束构件内表面与人工关节外表面间形成厚度均匀的仿形流道,约束构件为壁厚相同热敏金属复合材料,约束构件上至少设有一组仿形流道出口和仿形流道入口,红外测温仪安装在电涡流加热器上,电涡流加热器可对约束构件外表面任意位置进行加热。本发明通过约束构件构建厚度均匀的磨粒流受控仿形流道,通过电涡流加热器局部加热约束构,从而改变约束构件被加热处流道缝隙的大小,控制局部的加工强度,且红外测温仪可检测约束构件表面对应位置的温度值,将数据传输给控制柜,实现边检测边控制温度,精度高,实时性好。

标签:
复合材料
浙江 - 杭州 来源:中冶有色网 2023-03-18
有机硅改性剂在改性热固性酚醛树脂中的应用

本发明公开了一种有机硅改性剂在改性热固性酚醛树脂中的应用,该有机硅改性剂制备容易,经过该有机硅改性剂改性的酚醛树脂体系均一性好,产品质量稳定。以苯酚,甲醛溶液和该有机硅改性剂为原料,经碱催化缩合可制得一类热固性酚醛树脂,其结构特征在于酚醛树脂分子中化学键合了聚二甲基硅氧烷链段。本发明制备的改性酚醛树脂不易受潮,固化后的材料韧性和耐热性能优异,将其应用于浸渍料制备的材料韧性要优于一般的酚醛树脂制品,亦可作为制备高性能摩擦材料等复合材料的粘合剂,能有效提高粘结处的剪切强度,不易脱胶。

标签:
复合材料
浙江 - 杭州 来源:中冶有色网 2023-03-18
阻燃材料及其制备方法以及汽车发动机装饰罩

本发明公开了阻燃材料及其制备方法以及汽车发动机装饰罩。阻燃材料的制备方法包括:将高纯蒙脱土在高速搅拌机中高速搅拌,当高纯脱蒙土的温度达到85-95℃时加入10-30%wt的助剂,继续搅拌得到有机蒙脱土;向所述有机蒙脱土中加入20-30%wt的聚丙烯,在低速搅拌机中低速搅拌5-10min后,在高剪切双螺杆挤出机中挤出造粒,得到高含量蒙脱土的纳米有机母粒;将所述纳米有机母粒与聚丙烯按照5-8%wt的比例混合后,在低剪切双螺杆挤出机中挤出造粒,得到所述阻燃材料。测试表明,本发明的阻燃材料比现有阻燃聚丙烯复合材料的力学性能够提高50%以上。本发明的阻燃材料不但阻燃性能有所提高,而且增加了抗老化性能,因此特别适用于制备汽车发动机装饰罩。

标签:
复合材料
浙江 - 杭州 来源:中冶有色网 2023-03-18
纸尿裤
纸尿裤 1001     
 0

本发明涉及一种超薄纸尿裤。它包括透水无纺布内覆层、不透水的防漏外覆层,吸收芯层、合围成裤状的连接件,吸收芯层是多层复合材料体由无尘纸或小白纸或无纺布间夹高分子吸收材料层构成或由高分子吸收材料层与无尘纸或小白纸或无纺布层叠并以无尘纸或小白纸或无纺布包覆而成,或是高分子吸收材料层与木桨纤维和高分子材料混合层层叠并以无尘纸或小白纸或无纺布包覆而成。其吸收芯层中摒弃了木浆、绒毛浆、纸浆,在保证吸收量的前提下,大大降低了产品厚度,提高了使用的舒适性。把高分子吸水材料层层夹在纸状间隔层之间,避免了高分子吸水材料层过厚易自由流动而造成局部聚集厚薄不均甚至局部缺失,而且还能让尿液更容易下排下渗,减少上层高分子吸水材料层接触尿液时间过长后迅速膨胀阻碍尿液下向下传递和扩散,最大限度地发挥高分子吸水材料的吸收作用,并达到锁住尿液的功能。

标签:
复合材料
浙江 - 杭州 来源:中冶有色网 2023-03-18
组装式检查井
组装式检查井 975     
 0

本实用新型公开了一种组装式检查井,包括基座、至少一块井体和井盖安装框,所述基座、至少一块井体和井盖安装框依次连接,相邻的所述井体之间卡接,所述基座、至少一块井体和井盖安装框均由SMC复合材料注塑而成,所述井体包括环状本体,所述环状本体的下边缘设置有一圈凸起,上边缘设置有一圈与所述凸起配合的凹槽,所述基座包括基座本体,所述基座本体上边缘设置有一圈凹槽,下边缘设置有平底。本实用新型的组装式检查井相比于传统的砖砌井,SMC复合材料井体在安装时非常快速,安装后保养时间短暂,可以加快投入使用,极大的提高工程效率,同时节省很多的劳动力成本。

标签:
复合材料
浙江 - 杭州 来源:中冶有色网 2023-03-18
复合墙板
复合墙板 1100     
 0

本实用新型公开了一种复合墙板,旨在提供一种能直接作为墙体使用的墙板,其技术方案要点是,包括作为墙体的基层,基层为PE木塑复合材料层,基层的两侧分别设有内墙层和外墙层,内墙层的表面设有乳胶漆层,外墙层的表面设有饰面漆层,外墙层和基层之间设置有隔热层。该墙板可以在工厂内直接制成一个能直接作为墙体使用的墙板,直接使用能减少现场安装时间,安装较为简单,免去多道工序;该墙板采用PE木塑复合材料制成的基层作为中间层,PE木塑是实体的,具有很高的强度、硬度,去除石膏板;因为PE木塑的特性,基层的表面是平整光滑的,免去刮腻子这道工序,实现快速涂胶或贴墙纸,体现该墙板的实用性。

标签:
复合材料
浙江 - 杭州 来源:中冶有色网 2023-03-18
用于地沟井中的电缆支架

本实用新型涉及一种电缆支架,特别是涉及一种用于地沟井中的由复合材料制成的电缆支架。它是由PVC复合材料制成的立柱和由PP材料制成的若干个托板组成,立柱上设有若干个榫槽孔,托板的端头设有与榫槽孔相匹配的榫头,托板通过榫头插接在立柱上的榫槽孔内。该电缆支架具有耐腐蚀、安全性高、寿命长、运输安装方便、结构简单等优点。

标签:
复合材料
浙江 - 杭州 来源:中冶有色网 2023-03-18
聚氨酯复合方管形型材

本实用新型涉及一种高强度、低比重、绝缘、透微波、耐腐蚀且隔热效果好的聚氨酯复合方管形型材,它包括玻璃纤维,所述多束玻璃纤维密布构成方管形型材骨架,聚氨酯树脂与方管形型材骨架内外面复合且构成聚氨酯方管形型材。优点:一是轻质高强;二是节能保温、隔热;三是健康、绿色环保、节能效果显著;四是耐腐蚀、耐老化、寿命长;五是尺寸稳定性好;六是耐侯性好,不仅耐高温性能好,而且耐低温性能更佳;七是绝缘性能好;八是减震性能好;九是色彩丰富,聚氨酯复合材料硬度高,可涂装各种涂料,制成各种颜色的型材,以适应不同风格及档次的用途;十是抗疲劳性,聚氨酯复合材料的抗疲劳性很高,从而保证材料使用的安全性与可靠性。

标签:
复合材料
浙江 - 杭州 来源:中冶有色网 2023-03-18
新型伞
新型伞 810     
 0

本实用新型公开了一种新型伞,包括伞骨、伞架、伞面、伞柄和扎带,所述的伞面是有多层复合材料组成,其包含第一材料层、第二材料层、第三材料层、第四材料层和第五材料层,所述的第一材料层为防水薄浆涂层,所述的第二材料层为含铝树脂涂层,所述的第三材料层为抗紫外线涤纶纤维编织布,所述的第四材料层为添加夜光砂的树脂涂层,所述的第五材料层为防污耐磨树脂涂层。本实用新型采用新型的多层复合材料作为伞面,能实现防水、防晒、夜光、防污等多种功能。

标签:
复合材料
浙江 - 杭州 来源:中冶有色网 2023-03-18
上一页 15 16 17 18 19 ... 109 下一页
共109页    到第

中冶有色为您提供最新的浙江杭州有色金属复合材料技术理论与应用信息,涵盖发明专利、权利要求、说明书、技术领域、背景技术、实用新型内容及具体实施方式等有色技术内容。打造最具专业性的有色金属技术理论与应用平台!

全国热门有色金属设备推荐
展开更多 +
全国热门有色金属技术推荐
展开更多 +

 

江西省隆恩特环保设备有限公司
宣传

报名参会
更多+

报告下载

有色专家
更多+

长春黄金研究院有限公司
总经理
矿冶科技集团江苏北矿金属循环利用科技有限公司
书记 / 总经理
东北大学
院长/教授
武汉工程大学
教授
江西理工大学
副校长/教授
赤泥综合利用研究报告2025
推广

热门技术
更多+

推荐企业
更多+

福建省金龙稀土股份有限公司
宣传

发布

在线客服

公众号

电话

顶部
咨询电话:
010-88793500-807