青岛垚鑫智能科技有限公司
宣传

位置:中冶有色 >

有色技术频道 >

分类:
全部
矿山技术
冶金技术
材料制备及加工技术
环境保护技术
分析检测技术
 
全部
废水处理技术
大气治理技术
固/危废处置技术
土壤修复技术
地区:
全部
北京
天津
上海
重庆
河北
山西
辽宁
吉林
黑龙江
江苏
浙江
安徽
福建
江西
山东
河南
湖北
湖南
广东
海南
四川
贵州
云南
陕西
甘肃
青海
内蒙
广西
西藏
宁夏
新疆
其他
其他
展开
 
全部
石家庄
唐山
秦皇岛
邯郸
邢台
保定
张家口
承德
沧州
廊坊
衡水

河北石家庄有色金属环境保护技术理论与应用

免费发布技术信息>>
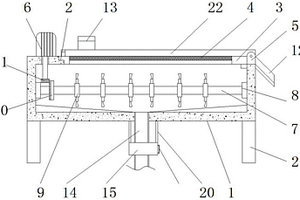
报废电路板销毁处理系统

本发明提供一种报废电路板销毁处理系统,属于固体废物处理技术领域。本发明包括粉碎子系统、分选子系统、净化子系统、物料输送子系统及控制子系统;报废电路板进入粉碎子系统进行粉碎,粉碎的混合物料进入分选子系统进行分选并回收,粉尘和废气经净化子系统处理后达标排放,物料输送子系统对物料进行输送,控制子系统对粉碎子系统、分选子系统、净化子系统、物料输送子系统进行控制,实现自动输送、粉碎、分选及净化。本发明旨在对报废电路板进行安全、无污染、无公害解体毁形,回收有价值的成份,并符合国家排放标准。

标签:
固废
河北 - 石家庄 来源:中冶有色网 2023-03-19
高盐废水处理系统
高盐废水处理系统 898     
 0

本实用新型公开了一种高盐废水处理系统,属于污水处理技术领域,高盐废水贯穿换热设备后进入MVR蒸发器,MVR蒸发器的二次蒸汽经蒸汽压缩机与换热器相连、饱和盐母液进入旋流分离器,旋流分离器的离心液循环至MVR蒸发器、增稠盐溶液依次进入晶浆罐及离心机;离心机的部分含盐母液回流经热泵及换热器循环至MVR蒸发器、部分含盐母液外排至刮板薄膜蒸发器进行蒸干,刮板薄膜蒸发器蒸汽携带有机物经余热回收冷凝后进入污水站处理。本实用新型利用MVR蒸发器与刮板薄膜蒸发器的组合方式,解决了高沸点有机物富集导致固体盐品质降低的问题,使整个蒸发脱盐流程连续操作,提高固体盐品质,可广范应用于各行业高盐废水的脱盐处理。

标签:
固废
河北 - 石家庄 来源:中冶有色网 2023-03-19
二水石膏生产线的废气净化无尘环保漏气监测系统

本发明提供了一种二水石膏生产线的废气净化无尘环保漏气监测系统,包括固体储料箱,液体储物箱,搅拌反应室,pH调节池,沉淀池,所述固体储物箱与所述液体储物箱分别通过运输管与搅拌反应室连通,所述搅拌反应室出口处与所述pH调节池通过运输管连接,所pH调节池后段的下部设有出液口,该出液口连通后续的沉淀池,还包括从所述固体储物箱运输固体物料至所述搅拌反应室的封闭螺旋管,所述固体储物箱和所述液体储物箱出口处的可控制阀门,回收处理污染废气的废气净化处理装置,和气净化处理装置连接处的气密性检测装置。与传统二水石膏制备流程相比,本发明的二水石膏制备过程无尘无污染气体且环保。

标签:
固废
河北 - 石家庄 来源:中冶有色网 2023-03-19
环境监测用化学废水安全收集箱

本实用新型涉及环境监测处理技术领域,具体为一种环境监测用化学废水安全收集箱,包括收集箱本体和旋转电机,所述收集箱本体的内部开设有废水收集装置,所述收集箱本体的顶端安装有旋转电机,且旋转电机的底端固定连接有旋转齿轮,所述旋转齿轮远离旋转电机的一侧啮合有清洁齿轮,且清洁齿轮的底端固定连接有转轴,所述转轴靠近旋转电机的一侧固定连接有连接杆,且连接杆远离转轴的一侧固定连接有毛刷,所述收集箱本体远离旋转电机的一侧固定连接有废水接收口。本实用新型设置有毛刷和清洁齿轮,避免废水伤害人员健康,通过过滤杯可以将废水中的固体和液体分离,便于充分处理废水中的固体和液体。

标签:
固废
河北 - 石家庄 来源:中冶有色网 2023-03-19
医疗废弃物切碎处理装置

本实用新型涉及医疗器械技术领域,具体为一种医疗废弃物切碎处理装置,包括箱体、分离传动机构、切割机构及控制器。其中,箱体由挡板分隔为第一腔室和第二腔室,第一腔室底部安装有收集液体废弃物的第一收集箱,第二腔室底部安装有收集固体废弃物的第二收集箱;分离传动机构设置于第一腔室,用于将废弃物进行固液分离,其中液体废弃物进入第一腔室下部,同时固体废弃物运输到第二腔室;切割机构,设置于第二腔室内,用于切碎废弃物;控制器用于控制切碎处理装置运转。本实用新型提供的医疗废弃物切碎处理装置,具有操作简便、处理效率高、实用性强,可降低医疗废弃物对环境和人体的危害等优点。

标签:
固废
河北 - 石家庄 来源:中冶有色网 2023-03-19
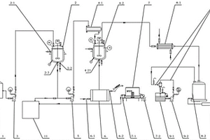
利用废氢氟酸制取冰晶石的系统

本实用新型提供了一种利用废氢氟酸制取冰晶石的系统,包括废酸储罐1、与废酸储罐1连通的反应釜2、与反应釜2连通的过滤器4?1、与过滤器4?1连通的浓缩釜4?2、与浓缩釜4?2连通的结晶槽6、与结晶槽6在水平方向上并排放置的离心灌装机7、与浓缩釜4?2连通的冷凝器8?1、与冷凝器8?1连通的冷凝液收集罐8?2和与冷凝液收集罐8?2连通的真空机组。本实用新型还包括去污水预处理池10和母液罐11。本实用新型通过废酸储罐的沉淀固体渣、反应釜的中和反应、浓缩釜的蒸发浓缩、结晶槽的晶体析出和离心灌装机的灌装将工业排出的废氢氟酸制取为冰晶石产品,充分利用废酸液制取为冰晶石产品,创造了可观的经济效益。

标签:
固废
河北 - 石家庄 来源:中冶有色网 2023-03-19
资源化处理氰基乙酸酯生产中酯化酸性废水的方法

本发明公开了一种资源化处理氰基乙酸酯生产中酯化酸性废水的方法,涉及氰基乙酸酯生产技术领域。包括如下步骤:(1)向废水中加入氢氧化钠,将废水中的硫酸和酸式盐全部转化为硫酸钠,然后进行脱氨处理,释放出氨气,用水吸收制成氨水;(2)对脱氨后的废水进行脱色,得到浅色透明的溶液;(3)将脱色后的废水降温至0℃以下,过滤,得到十水硫酸钠结晶固体;(4)滤液进行脱水浓缩,过滤,得到氯化钠固体;剩余母液为氰基乙酸酯溶液,回用于生产。本发明方法简单,适用性强,处理效果好,能将废水中各组分加以转化,并分离提纯出纯度高的副产品或加以回用,实现了资源化处理,不产生二次污染,解决了行业难题,填补了行业空白。

标签:
固废
河北 - 石家庄 来源:中冶有色网 2023-03-19
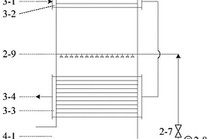
利用低温余热浓缩高盐废水的蒸发浓缩装置

本实用新型公开了一种利用低温余热浓缩高盐废水的蒸发浓缩装置,该蒸发浓缩装置包括壳体、废水循环单元、加热单元和水蒸气排出单元。废水循环单元主要包括集水池、第一阀门、泵、第二阀门和布水喷淋器。加热单元主要包括第一换热器和第二换热器。水蒸气排出单元主要包括气体进口、气体出口。高盐废水利用低温余热通过加热单元后升高温度,在蒸发浓缩装置内部分液态水变为水蒸气,由气体携带排出,从而实现了废水的蒸发浓缩。采用该蒸发浓缩装置可高效利用低温余热对高盐废水进行蒸发浓缩,大幅降低废水蒸发浓缩的能耗成本,还能够有效避免固体结垢和设备腐蚀,为高盐废水零排放提供高效的装置支撑。

标签:
固废
河北 - 石家庄 来源:中冶有色网 2023-03-19
钢缆钢丝生产中废水处理设备

本实用新型公开了一种钢缆钢丝生产中废水处理设备,包括箱体,所述箱体的顶部开设有开口,所述开口的内部设有活动框,所述活动框的内部固定有过滤网,所述活动框的端部活动安装有铰座,所述铰座与箱体的端部相固定,所述箱体的顶部固定有电机,所述电机的输出轴贯穿于箱体的顶部,所述箱体的内部设有转动杆与主动齿轮,所述主动齿轮与电机的输出轴相固定,所述转动杆的两端均活动安装有轴承套,所述轴承套与箱体的内壁相固定。本实用新型使得该钢缆钢丝生产中废水处理设备能够进行多级过滤,有效的将废水中的固体杂质进行筛除,另外能够使得该钢缆钢丝生产中废水处理设备能够便于清理固体杂质,提高清理效率。

标签:
固废
河北 - 石家庄 来源:中冶有色网 2023-03-19
废水处理用稀土复合混凝剂及其制备方法

一种废水处理用稀土复合混凝剂,按质量分数 计,其固体产品的有效成份为:Al2O327%~29%,Ln2O30.5%~6.0%,SO42-0.5%~6.5%,盐基度为55%~68%。它是以聚合氯化铝为主要成份,并加入稀土、硫等元素复合配制而成的。其中稀土化合物引入量控制在Ln/Al摩尔比为0.0055∶1至0.06624∶1。本发明还提供了所述的混凝剂的制备方法。将本发明用于印染废水处理,混凝效果优于聚合氯化铝。它混凝效果好、价格较低、用量较少、废水色度去除率高,尤其对高色度废水有明显的脱色效果。

标签:
固废
河北 - 石家庄 来源:中冶有色网 2023-03-19
去除发酵类抗生素生产废水中的污染物的方法

本公开提供一种去除发酵类抗生素生产废水中的污染物的方法,所述方法包括:采用金属负载的铁基催化剂对发酵类抗生素生产废水进行高温催化水解,得水解废水;采用混凝剂对水解废水进行混凝处理;采用含有钙离子的造粒调理剂对水解废水进行造粒处理。该方法通过采用金属负载的铁基催化剂催化高温水解,提高抗生素的水解效率,缩短反应时间,降低反应能耗;通过加入造粒调理剂,与混凝剂形成的絮体发生作用,形成密度和粒径更大的晶体结构;同时造粒调理剂中的钙离子与蛋白质发生反应,形成更多的α‑螺旋结构,促使蛋白质聚集,增强了废水中由蛋白质类物质所形成的悬浮固体的沉降性能,消除了高温催化水解工艺产生的悬浮固体对生化系统的不利影响。

标签:
固废
河北 - 石家庄 来源:中冶有色网 2023-03-19
医疗废弃物分类收集装置

本实用新型公开了一种医疗废弃物分类收集装置,包括底座,底座的上端设有收纳桶,收纳桶由液体回收室和固体回收室组成,液体回收室和固体回收室的底部均设有收集槽,液体回收室的顶面设有两个内外连通的通孔,且一个通孔内贯穿设有试剂进料管,另一通孔内设有废液进料槽,废液进料槽的下端连接有第一引流管,液体回收室内设有第一横板,第一横板的两端分别与液体回收室的左右两端侧壁连接,第一横板的上端设有废液处理箱,废液处理箱的上端均与第一引流管的下端和试剂进料管的下端连接,废液处理箱的侧壁连接有第二引流管。本实用新型将医疗垃圾分固体垃圾和液态垃圾,分开处理更能有效的对医疗垃圾进行杀菌消毒处理。

标签:
固废
河北 - 石家庄 来源:中冶有色网 2023-03-19
循环式含铬皮革废碎料的资源化和无害化处理工艺

本发明属于皮丝处理技术领域,提出了一种循环式含铬皮革废碎料的资源化和无害化处理工艺,包括以下步骤:将贮存的含铬皮丝中的废液收集,皮丝进行焚烧处理,焚烧后的含铬灰渣进行收集;焚烧过程中产生的热量传递给蒸汽锅炉后,将烟气进行过滤除尘处理后排放到大气中,除尘过程中产生的含铬灰渣收集备用;将收集的废液进行浓缩,固体废渣与收集的含铬灰渣均进行研磨,研磨后得到固体粉末;固体粉末依次进行氧化还原反应和过滤,固体进行处理后储存备用,液体依次进行还原反应和过滤,过滤后得到的液体进行喷雾干燥处理得到碱式硫酸铬,本发明解决了现有技术中铬回收率较低,废物排放仍然较多,并且大量的资源没有得到充分合理利用的技术问题。

标签:
固废
河北 - 石家庄 来源:中冶有色网 2023-03-19
用于去除废水中氮磷的复合材料及方法

本发明涉及一种用于去除废水中氮磷的复合材料,其包括复合颗粒,所述复合颗粒含有Pseudomonas denitrificans ATCC 13867和Acinetobacter johnsonii ATCC 17909;所述复合颗粒包括如下重量份的组分:25~45份铁尾矿砂、15~30份钢渣粉、15~30份松树皮粉以及10~15份黏土。本发明还涉及利用上述复合材料进行废水处理的方法。本发明利用固体废弃物铁尾矿砂、钢渣等加工制成的复合材料来同步去除废水中的氮和磷,处理后的复合材料可用于制作有机肥或育苗基质,同步实现废水处理和固体废弃物资源化的双重目标。

标签:
固废
河北 - 石家庄 来源:中冶有色网 2023-03-19
燃煤电厂环保型废水脱硫装置

本实用新型公开了一种燃煤电厂环保型废水脱硫装置,包括搅拌桶,搅拌桶的顶部设置有密封盖,密封盖上设置有废水进水管与加药口,密封盖上安装有搅拌电机,搅拌电机连接有转轴,转轴的周侧设置有多组第一搅拌叶片,转轴通过皮带连接有两组辅助搅拌组件,搅拌桶的底部设置有固定组件,搅拌桶的周侧设置有排水组件。设置有两组辅助搅拌组件,对搅拌桶内的废水进行搅拌,使其能够与化学药剂充分混合,提高了该装置的搅拌效率,设置的固定组件将搅拌桶固定,提高了该装置的稳定性。设置有排水组件,废水沿导流管排出,经过滤芯的过滤将废水中含有的固体杂质与废水进行分离,避免固体杂质随废水一起排出,提高了该装置的过滤效果。

标签:
固废
河北 - 石家庄 来源:中冶有色网 2023-03-19
沼气废渣和钢渣常温发酵制备复合生物硅肥的制备方法

本发明公开一种利用沼气废渣和钢渣常温发酵制备复合生物硅肥的制备方法,按照一定配方比例,将沼气废渣30‑40%、钢渣30‑50%、钙镁磷肥10‑15%和硫酸铵5‑10%混合直接堆放发酵(常温条件下),发酵20‑25天,并周期性(2‑3天)的对堆肥肥料进行搅拌翻转;发酵完成后,将发酵完全的固体物料、加入膨化剂10‑15%(自制)和水进入搅拌磨机进行磨碎活化过程,搅拌磨机处理30min,得到固体和水的混合浆液;混合浆液进行过滤分离、烘干得到的固体混合肥料的粉料;固体混合肥料粉与粘结剂5%混合及少量水,造粒得到颗粒状复合硅肥产品。本发明根据农作物生物特点和硅肥使用要求,结合沼气废渣和钢渣等废渣,利用沼气发酵中微生物的生物化学作用,促使钢渣中硅的有效释放,从而促进肥料中植物营养元素的释放和吸收,达到废弃物生产生物硅肥的目的。

标签:
固废
河北 - 石家庄 来源:中冶有色网 2023-03-19
氯乙酸法制备甘氨酸生产中氯化铵废水的处理方法

本发明涉及一种氯乙酸法制备甘氨酸生产中氯化铵废水的处理方法。该方法的步骤为:首先将氯化铵废水加入到二效蒸发器,在80-90℃下二效蒸发0.5-2小时蒸发掉5%一10%的水份;其次将经过上述二效蒸发的废水加入到一效蒸发器,并加入固化剂三聚氰胺,固化剂三聚氰胺与氯化铵废水的质量比为0.1%~1%,在110-135℃下一效蒸发2-4小时,固化剂与废水在蒸发过程中产生的甲醛形成无毒无害的固体,待观察到有固体析出时,停止加热;然后降温过滤除去氯化铵等固体,过滤温度控制在30-40℃;将所得滤液重复上述操作形成循环。本发明方法克服了现有技术存在的不足,既能够尽量回收资源,又能消除污染。

标签:
固废
河北 - 石家庄 来源:中冶有色网 2023-03-19
废锌料二次蒸馏生产氧化锌的方法及其专用窑炉

本发明公开了一种废锌料二次蒸馏生产氧化锌的方法及其专用窑炉,属于废锌料回收再利用技术领域。其包括下述步骤:(1)第一次蒸馏:将废锌料和焦煤粉破碎并进行混合得到废锌混合料;将废锌混合料制成煤球状,最后将煤球状废锌混合料投入回转窑中进行第一次蒸馏,收集得到粗氧化锌固体颗粒;(2)第二次蒸馏:将粗氧化锌与焦煤进行混合得到粗氧化锌混合料,再将粗氧化锌混合料制成煤球状,最后将粗氧化锌混合料投入专用窑炉中进行蒸馏,收集氧化锌固体颗粒。本发明的方法采用二次蒸馏工艺生产氧化锌,得到的氧化锌纯度高,为废锌料工业化生产高纯度氧化锌奠定了基础;实现了资源的循环利用,变废为宝,产生良好的经济效益和社会效益。

标签:
固废
河北 - 石家庄 来源:中冶有色网 2023-03-19
废水处理用固液分离装置

本实用新型公开了一种废水处理用固液分离装置,包括支撑底板、支撑立座和废弃物过滤清理装置,所述废弃物过滤清理装置包括废弃物搅拌桶、电机支座、搅拌电机、旋转搅拌杆、搅拌扇叶、桶体封闭盖板、封闭盖板锁紧扣、升降液压杆、废液过滤网、废液排出漏斗、支撑连接座、驱动电机、旋转传动螺杆、连接板滑槽、刮板移动连接板和移动清理刮板。本实用新型属于废水处理技术领域,具体是指一种废水处理用固液分离装置,有效的解决了目前固液分离装置自动化程度低、不便进行对废弃物进行搅拌以及不便将过滤后的固体废弃物清理的问题,实现了废水处理用固液分离装置自动化程度高、方便进行对废弃物进行搅拌以及方便将过滤后的固体废弃物清理的目的。

标签:
固废
河北 - 石家庄 来源:中冶有色网 2023-03-19
用于土木工程建筑废料处理装置

本实用新型公开了一种用于土木工程建筑废料处理装置,涉及固废处理技术领域。包括下漏斗和框架,框架主体为长方体,下漏斗设置在框架内部,下漏斗包括漏斗仓和出料仓,出料仓顶部背面与漏斗仓底部背面相链接,出料仓背部安装有防堵机构;框架内设置有水箱,水箱连接有水管,水管顺着框架排管且位于出料仓上部位置设置有若干雾化喷头。采用气缸推拉出料仓,带动出料仓抖动,防止粉碎后的废料堵在出料仓和漏斗仓之间,减少拥堵,提高粉碎效率。同时采用水泵从水箱内抽出水过后,经由出水管通过雾化喷头喷出,可以对粉碎后的固体垃圾进行降尘处理,防止粉尘对周围环境造成污染,保护操作工人的身体健康。

标签:
固废
河北 - 石家庄 来源:中冶有色网 2023-03-19
利用工业废弃物制备的免烧陶瓷及其制备方法

本发明提供一种利用工业废弃物制备的免烧陶瓷,其特征在于,由以下重量份的组分制备得到:氧化镁20-30份,菱镁矿渣15-25份、氯化镁12-20份、粉煤灰10-20份、硅藻土10-16份、脱硫石膏6-12份、植物纤维4-8份、硅溶胶3-6份、水15-25份。本发明选用了菱镁矿渣、粉煤灰、脱硫石膏等工业废弃物,充分发挥不同固体废物之间的协同作用,生产得到符合国家标准的免烧陶瓷材料,不仅可实现工业固体废物的综合利用,还能减少固废排放对环境的污染,提高经济效益;采用独特的原料科学配制,生产工艺简单、制作成本低,所得免烧陶瓷产品,不会发生微区破裂和弯曲现象。

标签:
固废
河北 - 石家庄 来源:中冶有色网 2023-03-19
回收甘氨酸废液的装置及回收甘氨酸废液的方法

本发明提供了一种回收甘氨酸废液的装置及回收甘氨酸废液的方法,该装置包括:减压蒸馏设备,萃取设备,萃取液回收设备以及固体甘氨酸结晶设备,在上述方案中,改变常规蒸发模式,利用真空特性,大大降低系统的操作温度,减少了副反应的产生,抑制氯化铵的分解,使得大量的冷凝水可以补给甘氨酸生产用水,提高了水循环利用率的同时,还大大降低蒸气能耗。可将甘氨酸废液中的氯化铵、甘氨酸、水、低沸点陈化试剂、高沸点酰胺类有机物分别回收,同时整个工艺为循环系统,大大提高了系统的综合回收率,陈化试剂的循环使用,降低了工艺的运行成本。

标签:
固废
河北 - 石家庄 来源:中冶有色网 2023-03-19
氨碱法生产纯碱所排放的蒸氨废水资源化的新方法

本发明属于废水处理技术领域,提出了一种氨碱法生产纯碱所排放的蒸氨废水资源化的新方法,包括以下步骤:蒸氨废液经澄清、过滤后得到澄清液和固体废渣;澄清液中加入过量的石灰乳进行苛化反应,反应后得到浮于液面上的氢氧化镁和浆液;浆液和过量的精制芒硝水溶液均加入至石膏反应器中进行充分反应,将产物过滤、洗涤后得到二水石膏滤饼以及含氯化钠、氢氧化钙的悬浊液;二氧化碳废气进行除尘、脱硫净化处理后通入碳化塔中与悬浊液中的氢氧化钙进行碳化反应,沉降、过滤后得到轻质碳酸钙滤饼以及氯化钠清液;将氯化钠清液应用到制碱系统中回收了清液中的氯化钠。本发明解决了现有技术中氨碱法生产纯碱过程中产生的废料得不到综合利用的技术问题。

标签:
固废
河北 - 石家庄 来源:中冶有色网 2023-03-19
高盐废水的浓缩处理方法及用于处理高盐废水的阻垢缓蚀剂

本发明提供了一种高盐废水处理方法,首先将高盐废水软化,然后将阻垢缓蚀剂批式添加或者流加到高盐废水中,利用工艺过程中的低温余热对高盐废水加热后通入浓缩装置,或者将高盐废水通入浓缩装置后利用低温余热加热,同时向浓缩装置通入常温气体将蒸发的水分带出,高盐废水流至浓缩装置底部,而后循环浓缩,直到其中高盐废水中的盐含量达到一定浓度后排出,该处理方法可在较短时间范围内使高盐废水浓缩达到5倍以上。同时本发明还提供了用于处理高盐废水的阻垢缓蚀剂,使用上述处理方法和阻垢缓蚀剂能够降低蒸发浓缩能耗成本、减缓设备腐蚀、避免固体结垢、减少盐雾排放,在低成本运行下实现含盐废水的零排放。

标签:
固废
河北 - 石家庄 来源:中冶有色网 2023-03-19
将生产废水作为循环水补充水用的缓蚀阻垢剂

一种将生产废水作为循环水补充水用的缓蚀阻垢剂,包括液体部分和固体部分,液体部分的重量百分比为:有机膦酸10%~30%,有机羧酸15%~35%,具有阻垢和缓蚀以及分散作用的物质10%~25%,唑类物质1%~3%,余量为水。固体部分的重量百分比为:具有阻垢作用的物质35%~55%,锌盐1%~3%,氢氧化钠0~5%,余量为钠盐。在生产废水中添加它后能将生产废水直接应用于生产过程而不进行生化处理,减少了废水处理设施、占地及生产成本的投入,不会产生二次污染,符合现行工业循环冷却水设计规范规定的要求。

标签:
固废
河北 - 石家庄 来源:中冶有色网 2023-03-19
变频微废水净水机及变频微废水处理方法

本发明提供了一种变频微废水处理方法,属于净水器技术领域,反渗透过滤装置的废水出水口连接废水排水管的一端,废水排水管的另一端分为第一支管和第二支管,第一支管与反渗透过滤装置的原水进水口连接,第二支管连接废水收集装置;第一支管上设有第一阀门,第二支管上设有第二阀门,第一阀门和第二阀门均与控制器电连接;初级过滤装置的进水口处设有第一溶解性固体总量检测装置,第一溶解性固体总量检测装置与所述控制器电连接。本发明提供的变频微废水处理方法,根据原水溶解性固体总量值灵活调整第一阀门、第二阀门的开闭间隔时间,节约了水资源,提高了反渗透膜的使用寿命。本发明还提供一种变频微废水处理方法。

标签:
固废
河北 - 石家庄 来源:中冶有色网 2023-03-19
激光检测固体材料成分的装置

一种激光检测固体材料成分的装置,属于光谱分析检测设备技术领域,用于现场快速检测固体材料的成分。其技术方案是:它的前置光路单元连接在激光器的前端,前置光路单元的前方与抽拉式样品仓相对,前置光路单元封装在右封装套筒内,抽拉式样品仓封装在左封装套筒内,激光器、右封装套筒、左封装套筒、抽拉式样品仓依次通过法兰相连接,光纤的两端分别与前置光路单元和光谱仪相连接,真空泵与左封装套筒侧壁上的气体管路相连接。本实用新型相比于其他检测装置,解决了耗时长、精度低等问题,实现了炉渣、废钢等固体材料成分的现场快速检测和分析,尤其可实现C、P、S元素成分的准确测定,对于提高产品质量、提高生产效率起到了显著作用。

标签:
固废
河北 - 石家庄 来源:中冶有色网 2023-03-19
激光检测固体材料成分的装置及方法

一种激光检测固体材料成分的装置及方法,属于光谱分析检测设备及方法技术领域,用于现场快速检测固体材料的成分。其技术方案是:它的前置光路单元连接在激光器的前端,前置光路单元的前方与抽拉式样品仓相对,前置光路单元封装在右封装套筒内,抽拉式样品仓封装在左封装套筒内,激光器、右封装套筒、左封装套筒、抽拉式样品仓依次通过法兰相连接,光纤的两端分别与前置光路单元和光谱仪相连接,真空泵与左封装套筒侧壁上的气体管路相连接。本发明相比于其他检测手段,解决了耗时长、精度低等问题,实现了炉渣、废钢等固体材料成分的现场快速检测和分析,尤其可实现C、P、S元素成分的准确测定,对于提高产品质量、提高生产效率起到了显著作用。

标签:
固废
河北 - 石家庄 来源:中冶有色网 2023-03-19
带有咖啡香气的葡萄皮超微粉的制备方法及带有咖啡香气的葡萄皮固体饮料

本发明涉及一种带有咖啡香气的葡萄皮超微粉的制备方法,是将湿润的葡萄皮经冷冻干燥,粗粉碎,再逐级研磨粉碎以得到带有咖啡香气的葡萄皮超微粉,获得的葡萄皮超微粉可作为固体饮料,直接用热水冲饮,该饮品色泽红润,具有咖啡苦香和葡萄果香,且营养丰富,具有减肥、降低血脂胆固醇和保护血管等保健作用。此外,该制备方法简单、安全,为葡萄酒酿制生产过程产生的葡萄皮渣废料提供了一种高效的再利用方法。同时,本发明还涉及一种带有咖啡香气的葡萄皮固体饮料,为人们提供了一款健康、美味的饮品。

标签:
固废
河北 - 石家庄 来源:中冶有色网 2023-03-19
固体除味混凝剂及其制备方法和用途

本发明涉及一种固体除味混凝剂,按重量份数计包括以下组分:聚合二甲基二烯丙基氯化铵均聚物15~25份,火山岩20~40份,十二烷基二甲基苄基氯化铵40~60份,活性炭5~15份。获得的固体除味混凝剂对废水中溶解性无机、有机污染物、悬浮的颗粒、硫化氢、二氧化硫及微生物菌类均能够高效吸附去除,达到良好的沉降澄清效果,有效降低COD,去除废水的刺激性气味,减少污染。通过本发明的制备方法得到的固体除味混凝剂可直接投加使用,不需溶解,能够节约大量溶解水,减少溶解水造成的二次污染。

标签:
固废
河北 - 石家庄 来源:中冶有色网 2023-03-19
上一页 14 15 16 17 18 ... 41 下一页
共41页    到第

中冶有色为您提供最新的河北石家庄有色金属环境保护技术理论与应用信息,涵盖发明专利、权利要求、说明书、技术领域、背景技术、实用新型内容及具体实施方式等有色技术内容。打造最具专业性的有色金属技术理论与应用平台!

全国热门有色金属设备推荐
展开更多 +
全国热门有色金属技术推荐
展开更多 +

 

江西省隆恩特环保设备有限公司
宣传

报名参会
更多+

报告下载

有色专家
更多+

北京科技大学
教授
武汉理工大学
外籍院士/教授
洛阳有色矿业集团有限公司
生产技术部经理
赣州江钨钨合金有限公司
副总经理
辽宁忠旺集团
教授级高工
赤泥综合利用研究报告2025
推广

热门技术
更多+

推荐企业
更多+

福建省金龙稀土股份有限公司
宣传

发布

在线客服

公众号

电话

顶部
咨询电话:
010-88793500-807