青岛垚鑫智能科技有限公司
宣传

位置:中冶有色 >

有色技术频道 >

> 复合材料技术

分类:
全部
矿山技术
冶金技术
材料制备及加工技术
环境保护技术
分析检测技术
 
全部
功能材料技术
复合材料技术
新能源材料技术
合金材料技术
加工技术
地区:
全部
北京
天津
上海
重庆
河北
山西
辽宁
吉林
黑龙江
江苏
浙江
安徽
福建
江西
山东
河南
湖北
湖南
广东
海南
四川
贵州
云南
陕西
甘肃
青海
内蒙
广西
西藏
宁夏
新疆
其他
其他
展开
 
全部
广州
韶关
深圳
珠海
汕头
佛山
江门
湛江
茂名
肇庆
惠州
梅州
汕尾
河源
阳江
清远
东莞
中山
潮州
揭阳
云浮

广东东莞有色金属复合材料技术理论与应用

免费发布技术信息>>
发光再生纤维素纤维
发光再生纤维素纤维 1029     
 0

本发明公开了一种发光再生纤维素纤维,其制备方法主要为:利用竹片制备再生竹纤维,然后将之溶于透明纤维素溶剂中,再加入碳纳米管,其后利用单向冷冻干燥技术得到具备单向定向孔的碳纳米管/纤维素复合材料,将所述碳纳米管/纤维素复合材料浸入荧光溶液中,晾干,即得到发光再生纤维素纤维。本发明制得的发光再生纤维素纤维荧光物质能够长期保留在所述发光再生纤维素纤维中,具有长期的发光功能。

标签:
复合材料
广东 - 东莞 来源:中冶有色网 2023-03-18
义齿树脂基托材料及其制备方法

本发明为一种义齿树脂基托材料,包含以下重量份数的组分:热凝牙托粉100份,热凝牙托水100份,氧化镁晶须1‑7份,硅烷偶联剂0.05‑0.5份,将氧化镁晶须加入义齿树脂基托中对树脂材料进行改性,氧化镁晶须有很强的硬度,经过硅烷偶联剂进行表面处理后,氧化镁晶须能够与聚甲基丙烯酸甲酯间有良好的粘附力,并且由于氧化镁晶须的尺寸小,因此最后义齿树脂基托材料能够沿着氧化镁晶须的纤维方向均匀提高物理性能,使复合材料整体的物理性能增强,不会发生局部受力不均的情况,同时氧化锌晶须本身就表现出特殊的光特性,因此最后所得复合材料的透光性良好。

标签:
复合材料
广东 - 东莞 来源:中冶有色网 2023-03-18
具备红外功能的树脂组合物

本发明公开的具备红外功能的树脂组合物由树脂、氧化剂、抗氧剂、氧化铁、油化黑、扩散粉及红外穿透颜料组成,集红外热能、红外感应、红外穿透功能于一体,通过树脂与红外功能粉体混合熔炼形成复合材料,具有优异的红外穿透效果机高透明度,其加工工艺只需要注塑、挤出及吹塑即可实现其工业化实施,便于规模推广使用;复合材料可广泛应用于在人工智能、自动化设备、无线传输、安防监控、杨孔感应、摄像头、红外影像、红外探测、红外发射等技术领域。

标签:
复合材料
广东 - 东莞 来源:中冶有色网 2023-03-18
多元硝酸盐/石墨烯/纳米颗粒定型复合相变储热材料及其制备方法

本发明提供一种多元硝酸盐/石墨烯/纳米颗粒定型复合相变储热材料及其制备方法,具体方法为:将蠕虫状膨胀石墨加入到硫酸和磷酸的混合溶液中,低温搅拌,加入氧化剂氧化,洗涤离心干燥,再经水合肼还原,得到改性网状膨胀石墨烯;将硝酸盐混合物与改性网状膨胀石墨烯加水搅拌,形成悬浮液,蒸发干燥,预烧结,冷却至室温得到颗粒状负载硝酸盐的石墨烯复合材料;将颗粒状负载硝酸盐的石墨烯复合材料与纳米颗粒球磨处理后,经模具压制成型,脱模,再置于马弗炉中烧结完成,冷却至室温,得到多元硝酸盐/石墨烯/纳米颗粒定型复合相变储热材料。本发明制备的定型复合相变储热材料的单位体积储能密度大、化学性能稳定,强度高,成本低。

标签:
复合材料
广东 - 东莞 来源:中冶有色网 2023-03-18
抗菌防污热塑性聚氨酯及其制备方法

本发明提供一种抗菌防污热塑性聚氨酯及其制备方法,所述所述抗菌防污热塑性聚氨酯的制备原料以重量份计包括如下组分:多元醇50~80份、二异氰酸酯10~40份、石墨烯‑分子筛复合材料5~10份、石墨烯‑壳聚糖复合材料10~20份、硅烷偶联剂0.05~3份、扩链剂5~10份、催化剂1~5份和抗氧剂0.5‑2份。本发明所述的热塑性聚氨酯具有良好的抗菌防污效果,具有良好的韧性,防湿,透气,手感舒适,适合用于家居服饰、汽车内饰、医用材料等领域。

标签:
复合材料
广东 - 东莞 来源:中冶有色网 2023-03-18
高效去除水中有机污染物的方法

本发明公开了一种高效去除水中有机污染物的方法,其将紫外光引入电芬顿反应中,水中溶解氧在碳阴极表面还原产生过氧化氢,水中的催化剂采用还原性石墨烯负载纳米零价铈/零价铁复合材料,其中,还原性石墨烯上纳米零价铁和零价铈的负载比为10:1?20:1。该方法去除水中有机物效率高,无二次污染,其采用的催化剂活性大,稳定性好。

标签:
复合材料
广东 - 东莞 来源:中冶有色网 2023-03-18
含纳米ZnO的包衣剂及其制备方法

本发明涉及包衣剂技术领域,具体涉及一种含纳米ZnO的包衣剂及其制备方法,该包衣剂由以下质量百分比的原料组成:成膜剂50-60%、增塑剂5-10%、分散剂2-6%、着色剂15-30%、抗粘剂15-20%和纳米ZnO?2-5%。本发明利用纳米ZnO与处方中的成膜剂形成复合材料,增强了包衣剂的性能,改善防紫外变色强度,提高自身抗菌功能,有利于提高药品的贮存稳定性。本发明制得的包衣剂的抗紫外变色功能提高60%以上,自抗菌功能提高60%以上。

标签:
复合材料
广东 - 东莞 来源:中冶有色网 2023-03-18
超级电容器新型电极材料及超级电容器

本发明公开了一种超级电容器新型电极材料,该超级电容器新型电极材料为碳化炭材料/氧化石墨烯/壳聚糖‑聚吡咯复合材料,是在保护气氛下对炭材料/氧化石墨烯/壳聚糖‑聚吡咯复合材料进行烧结碳化而得,碳化温度为800‑900℃。本发明公开的超级电容器,包括超级电容器,超级电容器的侧壁上滑动连接有连接环,通过设有的连接环,可直接将连接在一起的超级电容器安装在电路板上进行焊接,焊接更加的方便,且连接环可进行转动。本发明壳聚糖、聚吡咯分子长链均匀的分散负载在氧化石墨烯、炭材料上,形成三维开放孔状结构,有利于带电粒子扩散到电极界面,循环性能好、工作范围宽、充电快、具有较大的比表面积和更多的活性位点等优点。

标签:
复合材料
广东 - 东莞 来源:中冶有色网 2023-03-18
一类合金粉及其制备方法与用途

本发明涉及一类合金粉及其制备方法与用途。选择合适的合金体系,通过低纯原料熔炼初始合金熔体,在初始合金熔体凝固的过程析出高纯合金粉与包覆高纯合金粉的基体相,同时实现高纯合金粉的固溶合金化。将包覆高纯合金粉的基体相去除,即可获的合金粉;亦可选择合适的时机去除包覆高纯合金粉的基体相,从而获得高纯合金粉。该方法工艺简单,可以制备包括纳米级、亚微米级、微米级,甚至毫米级的不同形貌的多种合金粉体材料,在催化、粉末冶金、复合材料、磁性材料、杀菌、金属注射成型、金属粉3D打印、涂料、复合材料等领域具有很好的应用前景。

标签:
复合材料
广东 - 东莞 来源:中冶有色网 2023-03-18
共轭交联阻燃尼龙材料及其制备方法

本发明公开了一种共轭交联阻燃尼龙材料,它是由下述重量份的原料组成的:油酸3‑5份、硅烷化物4‑6份、镍粉0.01‑0.02份、高岭土10‑13份、乙酰丙酮锌1‑2份、乙酸异丁酸蔗糖酯0.3‑0.5份、骨炭2‑3份、烷基酚聚氧乙烯醚0.05‑0.1份、聚四氢呋喃醚二醇4‑7份、二甲基甲酰胺10‑15份、(2,4‑二氯过氧化苯甲酰)0.1‑0.2份、尼龙120‑140份、有机阻燃填料6‑9份,本发明的尼龙材料加入的高岭土等无机填料可以促进均匀的致密碳层的形成,而该碳层可以有效的阻止材料内部的热分解产物进入火焰区,并阻止外面的氧气进入复合材料基体中,可以明显提高复合材料的阻燃性能。

标签:
复合材料
广东 - 东莞 来源:中冶有色网 2023-03-18
含纳米SiO2的包衣剂及其制备方法

本发明涉及包衣剂技术领域,具体涉及一种含纳米SiO2的包衣剂及其制备方法,该包衣剂由以下重量份的原料组成:50-60%成膜剂、5-10%增塑剂、2-6%分散剂、10-30%着色剂、15-20%抗粘剂、2-5%纳米SiO2。本发明利用纳米SiO2与处方中的成膜剂形成复合材料,增强了包衣剂的性能,增强了包衣剂的性能,改善包衣膜强度,提高屏蔽紫外防变色功能,有利于提高药品的贮存稳定性。本发明制得的包衣剂的抗紫外变色功能提高75%以上,薄膜衣强度提高30%以上。

标签:
复合材料
广东 - 东莞 来源:中冶有色网 2023-03-18
新型高导热绝缘垫片
新型高导热绝缘垫片 850     
 0

本发明公开了一种新型高导热绝缘垫片,采用多层复合结构,包括第一改性硅橡胶层、中间层、第二改性硅橡胶层;所述中间层是由树脂基复合材料压制成型制得,所述树脂基复合材料以重量份计包括:氮化硼粉末10‑20份,氮化硼纳米片1‑4份,胶黏剂2‑8份,聚苯乙烯树脂50‑85份;所述第一改性硅橡胶层和第二改性硅橡胶层的材料相同,均由以下重量份的材料固化制得:甲基乙烯基硅橡胶20‑40份,甲基乙烯基三氟丙基硅橡胶8‑15份,球形纳米氮化铝1‑3份,片状纳米氮化铝0.8‑1.2份,桐油5‑8份,交联剂1‑2份,硫化剂0.5‑0.8份。该绝缘垫片导热性好,绝缘性能佳,力学性能优异。

标签:
复合材料
广东 - 东莞 来源:中冶有色网 2023-03-18
微生物燃料电池
微生物燃料电池 736     
 0

本发明公开了一种微生物燃料电池,包括阳极、阳极液、阴极和外电路,所述阳极和阴极通过外电路相连接,其中所述阴极以碳化钼钴/石墨烯复合材料作为阴极催化剂,所述阴极包括催化剂层及防水层,其中催化剂层由碳化钼钴/石墨烯复合材料混合质量百分比为5wt%的nafion溶液涂覆于碳纸上制备得到。本发明阴极材料中Co与Mo2C形成的共生共存体系能均匀地负载在石墨烯上,使氧气在电极表面进行直接四电子还原,从而获得较高的功率密度。本发明微生物燃料电池的最大输出功率可达4.2W/m3,是商业化Pt/C电极的68%,但其生产成本却降低了50%,容易批量生产,且生产成本低廉是一种具有广泛应用前景的微生物燃料电池。

标签:
复合材料
广东 - 东莞 来源:中冶有色网 2023-03-18
吸附菠萝蛋白酶的吸附树脂材料及其制备方法

本发明提供一种吸附菠萝蛋白酶的吸附树脂材料及其制备方法,其中菠萝蛋白酶包括游离酶和固定酶,制备工艺为:将吸附树脂微球充分溶胀后,加入双子型表面活性剂反胶束溶液,升温反应,洗涤至中性,干燥,得到反胶束接枝的树脂载体;将反胶束接枝的树脂载体加入酸性溶剂中振荡处理后,用纯水洗涤,加入含菠萝蛋白酶的磷酸缓冲液,恒温振荡进行物理吸附,离心分离,得到固体吸附酶的树脂;将固体吸附酶的树脂冷冻干燥后,加入菠萝蛋白酶游离酶溶液和交联剂,搅拌,成型固化,得到吸附菠萝蛋白酶的吸附树脂材料。本发明制备的复合材料中利用吸附树脂和反胶束的固定菠萝蛋白酶,并在表面附着菠萝蛋白酶游离酶,使制备复合材料具有短期和长期的酶活力。

标签:
复合材料
广东 - 东莞 来源:中冶有色网 2023-03-18
新型封边条的配方
新型封边条的配方 862     
 0

本发明涉及复合材料技术领域,特别涉及一种新型封边条的配方;该配方包含以下组份:聚氯乙烯、碳酸钙、磷苯二甲酸盐二锌酯、氯化聚乙烯、内滑剂、改性剂、稳定剂;本发明通过在聚氯乙烯中添加与之相匹配的化学物质和内滑剂等物质,与传统的封边条相比,不但降低了聚氯乙烯的用量,而且所生产出来的复合材料刚性好,所以,采用本发明所用的配方制作的封边条不仅能达到传统封边条的使用性能和使用效果,还具有刚性好,成本低的优点。

标签:
复合材料
广东 - 东莞 来源:中冶有色网 2023-03-18
含磷的反应型阻燃剂、硅橡胶组合物、制备方法及应用

本发明提供了一种含磷的反应型阻燃剂、硅橡胶组合物、制备方法及应用,所述含磷的反应型阻燃剂由带有‑P‑H反应基团的化合物与不饱和醇类化合物通过加成反应得到;本发明提供的含磷的反应型阻燃剂,具有活性的基团羟基,可以参与到制备复合材料的反应中,通过反应使得含磷的反应型阻燃剂与复合材料的结合更加稳定,使得最终得到的材料物理性能优良,拉伸强度、断裂伸长率均大幅提升,自身的燃烧性以及浸水后的燃烧性均达到了UL‑94V‑0级,并且避免了添加型阻燃剂易溶于水而析出的现象,应用前景良好。

标签:
复合材料
广东 - 东莞 来源:中冶有色网 2023-03-18
弹性壳体微胶囊相变材料及其制备方法和应用

本发明属于微胶囊复合材料制备领域,具体涉及一种弹性壳体微胶囊相变材料及其制备方法和应用。该方法包括以下步骤:将相变材料加入水中,升高温度同时高速搅拌,加入阴离子表面活性剂搅拌成乳液;然后加入反应性阳离子表面活性剂和乙烯基硅氧烷,搅拌、升高温度,加入引发剂,反应完成后,冷冻干燥得到弹性壳体微胶囊相变材料。本发明采用水相反应,具有污染较小,制备工艺简单等优点。本发明所制备的弹性壳体微胶囊相变材料添加到硅橡胶材料基体中,对复合材料硬度影响较小。

标签:
复合材料
广东 - 东莞 来源:中冶有色网 2023-03-18
碳纳米管电加热组件及其应用和电加热服

本发明涉及电加热服饰技术领域,具体涉及碳纳米管电加热组件及其应用和电加热服,其中碳纳米管电加热组件包括加热材料、柔性电池、温控装置以及温度传感器,加热材料为碳纳米管复合纤维或碳纳米管复合薄膜。与现有技术相比,本发明碳纳米管复合材料作为加热材料,具有发热面积大、发热效率高的优点,并兼具了优良的机械性能和导电性能,而且碳纳米管复合材料为薄膜或者纤维状,其应用在服饰上,不需要借助基材,可直接与服饰的面料一起纺织而成或者直接粘贴、缝制在面料夹层中;本发明的电加热组件还具有易弯折、耐揉搓、使用方便以及恒温调控的优点。

标签:
复合材料
广东 - 东莞 来源:中冶有色网 2023-03-18
葡萄糖传感器用修饰电极及其制备方法

本发明涉及电化学领域,具体涉及葡萄糖传感器用修饰电极及其制备方法,葡萄糖传感器用修饰电极的制备方法,包括以下步骤,①制备GO分散液,②制备ZnO纳米材料,③将步骤①和②中的GO和ZnO纳米材料进行合成,制得GO/纳米ZnO复合材料,④取Nafion溶液和步骤③中的GO/纳米ZnO复合材料制备Nafion/ZnO/GO/GCE修饰电极,即得本发明的葡萄糖传感器用修饰电极。本发明的葡萄糖传感器用修饰电极稳定性高、电化学性能好。

标签:
复合材料
广东 - 东莞 来源:中冶有色网 2023-03-18
罗丹明B染料废水的有效处理方法

本发明公开了一种罗丹明B染料废水的有效处理方法,包括以下步骤:首先制备Bi2WO6粉体;然后取氢氧化钠溶于去离子水,加入上述Bi2WO6,搅拌刻蚀,离心,60‑70℃热水洗涤至溶液呈中性;将固体置于烘箱中,恒温下干燥5‑8h,得到Bi2WO6‑x微纳米材料;然后将制得的Bi2WO6‑x加入到无水乙醇中,并逐滴滴加钛酸四丁酯,并加入冰醋酸,60‑80℃下回流2‑10h,过滤,沉淀用去离子水洗涤3‑6次,恒温干燥,得到氧化钛/Bi2WO6‑x复合材料;将制得的氧化钛/Bi2WO6‑x复合材料加入到罗丹明B染料废水中,常温下恒温振荡器中震荡,震荡20min,降解效率为99.5%,且对水体无二次污染。

标签:
复合材料
广东 - 东莞 来源:中冶有色网 2023-03-18
热塑性纳米碳管导电3D打印材料及其制备方法

本发明公开了一种热塑性纳米碳管导电3D打印材料及其制备方法,该制备方法为将热塑性材料研磨成粉状;按重量配比称取上述原料,将称取好的原料混合并混炼60—120分钟形成复合材料;将上述形成的复合材料用双螺杆挤出机造粒,得到复合导电粒料;使用单螺杆挤出机或双螺杆挤出机对上述复合导电粒料再次进行挤出并冷却至室温制成纳米碳管导电3D打印材料;所述纳米碳管导电3D打印材料为圆柱形的线状结构;所述纳米碳管导电3D打印材料的表面电阻为3.0E+01?-3.0E+02?。本发明的有益效果是,工艺简单,材料性能稳定。

标签:
复合材料
广东 - 东莞 来源:中冶有色网 2023-03-18
热固性树脂组合物及应用

本发明公开一种热固性树脂组合物,包括如下成份:双官能基或多官能基环氧树脂、苯乙烯-马来酸酐共聚物(SMA)作固化剂、二烯丙基双酚A之类的烯丙基酚作共固化剂和增韧剂、低溴或高溴BPA型环氧树脂或四溴双酚A(TBBPA或TBBA)作阻燃剂、适当的促进剂和溶剂。本发明树脂组合物固化后具有较低的介电性能与较好的热可靠性和韧性,与玻璃纤维布等增强材料制作的覆铜板具有较低的介电常数(简称DK)与电损耗正切(简称DF)、高TG、高热裂解温度(简称TD)和较好的韧性及良好的PCB加工性,很适合于制作PCB用覆铜板和半固化片,还可以应用在环氧树脂之常用用途上如模塑树脂等和建筑、汽车及航空用的复合材料上。

标签:
复合材料
广东 - 东莞 来源:中冶有色网 2023-03-18
锂离子二次电池及其正极材料

本发明涉及锂离子电池领域,特别涉及高容量正极材料并使用其制备的高能量密度锂离子二次电池,其含有正极活性物质、粘接剂和导电剂,其中正极活性物质为钴酸锂系活性物质A与高镍活性物质B的复合材料,所述高镍活性物质B在混合前经过预处理,所述的预处理为:高镍活性物质B所经过的预处理为在去离子水中清洗,将清洗过后的高镍活性物质B进行固液分离,再将固液分离后的高镍活性物质B真空烘烤去除水分;所述钴酸锂系活性物质A与高镍活性物质B的质量比B/A介于0.82~9之间,本发明既能制备出具有更大容量以及更高的能量密度的电池,又能解决电池内的高温产气的问题。

标签:
复合材料
广东 - 东莞 来源:中冶有色网 2023-03-18
含松香高分子微球的改性明胶丙烯酸树脂粘合剂及其制备方法

本发明提供一种含松香高分子微球的改性明胶丙烯酸树脂粘合剂及其制备方法,该含松香高分子微球的改性明胶丙烯酸树脂粘合剂包括松香高分子微球和改性明胶丙烯酸复合材料,松香高分子微球中包括松香、明胶和丙烯酸聚合物,改性明胶丙烯酸复合材料由明胶与丙烯酸甲酯、N‑羟甲基丙烯酰胺交联得到。本发明制备方法简单,制备的含松香高分子微球的改性明胶丙烯酸树脂粘合剂选用的材料多为明胶、松香等价格低廉,来源丰富,对环境友好的材料,粘合剂中含有微球和乳液两种形态,对木材的粘合性能好,铺展性好,粘度受环境的影响小,综合性能显著提高。

标签:
复合材料
广东 - 东莞 来源:中冶有色网 2023-03-18
室内装饰用隔音阻燃聚苯乙烯板材及其制备方法

本发明公开了一种室内装饰用隔音阻燃聚苯乙烯板材及其制备方法,其由下列重量份的原料配制而成:聚苯乙烯110‑120、二甲苯甲醛树脂6‑8、马来酸酐接枝聚氯乙烯12‑14、聚异氰脲酸酯13‑15、三缩水甘油异氰尿酸酯5‑7、邻苯二甲酸二异癸酯6‑8、泥炭蜡4‑6、乙酰丙酮锌4‑7、聚二甲基硅氧烷5‑7、二丁基锡双(异辛酸巯基乙酯)3‑5等。本发明使用的相容剂为马来酸酐接枝聚氯乙烯,与聚苯乙烯结合,使聚异氰脲酸酯、玻璃轻石、多孔锰渣、中空微珠等较好地分散于聚苯乙烯基体中,可对复合材料受到的入射声波产生较好的阻隔作用,提高复合材料的隔音性能;氧化钼钴、氢氧化镁、三芳基磷酸酯协同作用,增强材料的阻燃性能。

标签:
复合材料
广东 - 东莞 来源:中冶有色网 2023-03-18
合金材料封边条的配方
合金材料封边条的配方 1140     
 0

本发明涉及复合材料技术领域,特别涉及一种合金材料封边条的配方,通过在聚氯乙烯中添加复合钙锌稳定剂、补强剂、润滑剂、苯乙烯改性剂、加工助剂等物质,可以制备出软硬度不同的PVC材料,再添加ABS材料,增加了本发明的刚性,且不影响PVC的力学性、阻燃性、高强度耐气候性等物理性能,添加加工助剂,降低了加工温度,提高了产品的平整度,而且聚氯乙烯用料少,成本低廉,封边条产品性能优越;产品中不含重金属盐稳定剂,不会对人的健康有损害,是环境友好型产品。

标签:
复合材料
广东 - 东莞 来源:中冶有色网 2023-03-18
电化学装置及电子装置

本申请提供了一种电化学装置和电子装置,包括正极极片、负极极片和电解液,负极极片包括负极集流体和负极膜片,负极膜片包含纳米导电材料的硅碳复合材料;负极膜片的电阻值标准差SR和负极极片的厚度值对电阻平均值归一化标准差Sd满足:1≤SR/Sd≤10;硅碳复合材料包含硅组分和碳组分;硅组分的平均粒径为D0,D0的范围为2nm‑50nm;电解液包括不饱和碳酸酯。所述电子装置包括所述电化学装置。本申请可实现显著提升电化学装置的循环性能、倍率性能和膨胀性能。

标签:
复合材料
广东 - 东莞 来源:中冶有色网 2023-03-18
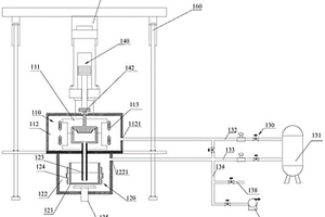
真空铸锻一体成型装置及其使用方法

本申请提供了一种真空铸锻一体成型装置及其使用方法,属于铸锻装置技术领域。模具的模腔被用于放置多孔坯体,模具上具有通孔。盛放容器设置于第一腔室内,用于将盛放容器中的熔融液导入模具内的多孔坯体;气路组件被配置成能够对模腔抽真空以及使第一腔室与模腔之间形成压差,以通过压差将盛放容器中的熔融液压入进液管并通入模腔内以使熔融液填充至多孔坯体内形成复合坯体。驱动装置驱动连接冲头,冲头活动嵌设于通孔,且冲头用于作用于模具内的复合坯体以对复合坯体进行锻造。该装置可以使金属的组织更加紧密,减小金属基多孔陶瓷复合材料中的气孔,使复合材料的强度更高,使金属与多孔陶瓷之间的结合更好。

标签:
复合材料
广东 - 东莞 来源:中冶有色网 2023-03-18
用于饰品铸造的熔模精密铸造模料及其制备方法

本发明涉及熔模精密铸造技术领域,尤指一种用于饰品铸造的熔模精密铸造模料及其制备方法;该熔模精密铸造模料的组分包括25%‑45%的微晶蜡、15%‑25%的石蜡、1%‑3%的天然蜡、25%‑35%的石油树脂、1%‑7%的EVA、1%‑5%的改性增韧剂;其中,改性增韧剂由增韧剂、接枝改性剂、引发剂和抗氧化剂共混接枝制得。而制备熔模精密铸造模料的方法包括制备接枝改性增韧剂,制备基础蜡/改性增韧剂复合材料,制备熔模精密铸造模料这三个步骤。本发明以石蜡、微晶蜡、EVA和改性增韧剂作为熔模精密铸造模料的基础复合材料,使得模料的流动性好、抗冲击强度较大、韧性强、硬度适中,可广泛应用于各种高韧性要求,特别是在低温下高韧性要求的饰品铸造的熔模精密铸造领域。

标签:
复合材料
广东 - 东莞 来源:中冶有色网 2023-03-18
锂离子二次电池硅氧化物复合负极材料及制法

本发明公开了一种锂离子二次电池硅氧化物复合负极材料,以稳定碳穿插网络结构材料为包覆性材料且硅氧化物均匀分散在包覆性材料内部形成的,稳定碳穿插网络结构是硅氧化物前聚体复合材料经原位碳化、焙烧生成的包覆结构,硅氧化物前聚体复合材料为硅氧化物前聚体、活性金属和熔盐共混物。本发明还公开了硅氧化物复合负极材料的制法,包括混料、一次焙烧、冷却、酸洗除杂、二次焙烧、冷却、粉碎、除磁、过筛等步骤。本发明具有高导电性、长寿命、高比容量、高首次效率等优点,克服了以硅氧化物如氧化亚硅或二氧化硅为原料导致反应不均一、整体性能下滑等问题,大大提升导电性和循环性能。

标签:
复合材料
广东 - 东莞 来源:中冶有色网 2023-03-18
上一页 11 12 13 14 15 ... 52 下一页
共52页    到第

中冶有色为您提供最新的广东东莞有色金属复合材料技术理论与应用信息,涵盖发明专利、权利要求、说明书、技术领域、背景技术、实用新型内容及具体实施方式等有色技术内容。打造最具专业性的有色金属技术理论与应用平台!

全国热门有色金属设备推荐
展开更多 +
全国热门有色金属技术推荐
展开更多 +

 

江西省隆恩特环保设备有限公司
宣传

报名参会
更多+

报告下载

有色专家
更多+

郑州大学
中国工程院 院士
昆明理工大学
副校长
武汉科技大学
校学术委员会主任 / 教授
江西理工大学
教授
中冶沈勘秦皇岛工程技术有限公司
原矿山院院长/教授级高工
赤泥综合利用研究报告2025
推广

热门技术
更多+

推荐企业
更多+

福建省金龙稀土股份有限公司
宣传

发布

在线客服

公众号

电话

顶部
咨询电话:
010-88793500-807