青岛垚鑫智能科技有限公司
宣传

位置:中冶有色 >

有色技术频道 >

> 废水处理技术

分类:
全部
矿山技术
冶金技术
材料制备及加工技术
环境保护技术
分析检测技术
 
全部
废水处理技术
大气治理技术
固/危废处置技术
土壤修复技术
地区:
全部
北京
天津
上海
重庆
河北
山西
辽宁
吉林
黑龙江
江苏
浙江
安徽
福建
江西
山东
河南
湖北
湖南
广东
海南
四川
贵州
云南
陕西
甘肃
青海
内蒙
广西
西藏
宁夏
新疆
其他
其他
展开
 
全部
济南
青岛
淄博
枣庄
东营
烟台
潍坊
济宁
泰安
威海
日照
滨州
德州
聊城
临沂
菏泽

山东济南有色金属废水处理技术理论与应用

免费发布技术信息>>
用于污水处理的三维电极反应装置及方法

本发明涉及一种用于污水处理的三维电极反应装置及方法,包括壳体,壳体一侧具有进水口,另一侧具有出水口;壳体内部依次设置预曝气混合段、电解段、曝气氧化段和末端曝气混合段;电解段包括第三电极,第三电极位于第一电极和第二电极之间且三者互不接触。利用电极通电产生的电化学反应,有效的提高有机废水的可生化性,对有机废水处理后续的生化单元稳定处理提供了保障。在气压的作用下,第三电极的填料内部填充物处于流化状态,增加与水的接触面积的同时,防止长时间与有机物沉降接触从而使填料堆叠板结。

标签:
废水处理
山东 - 济南 来源:中冶有色网 2023-03-19
双氧水氧化M叔丁铵盐制备NS的工艺

本发明公开了一种双氧水氧化M叔丁铵盐制备NS的工艺,本发明涉及一种新的合成工艺,具体涉及一种NS的合成新工艺,属于化学合成技术领域。本发明特殊之处在于:原料M和叔丁胺混合打浆后,加入少量的一种碘盐(KI、NaI、KIO3、I2等),在搅拌加热的条件下滴加氧化剂双氧水,氧化合成后得到产品NS,本发明所述方法不仅克服了传统工艺制备NS产生大量废盐、废气、废水的问题,而且克服了双氧水工艺不稳定的问题,做到了绿色环保、清洁生产,而且产品初熔点、纯度高、收率高。

标签:
废水处理
山东 - 济南 来源:中冶有色网 2023-03-19
制备抗板结粒状免烧铁碳微电解填料的方法

本发明涉及一种制备抗板结粒状免烧铁碳微电解填料的方法。该方法包括,将铁屑、木炭、粉煤灰、水泥、生石灰、粘土作为原料,分别按照32-36%,8-10%,32-35%,9-12%,5-7%,5-7%的质量分数混合、造粒、养护后制得。制得的抗板结粒状免烧铁碳微电解填料粒径为5-7mm。本发明的产品用于污水处理,可在比较短的时间内降低废水的CODCr和色度,并且降低废水的毒性,提高可生化性。在使用的过程中,不容易发生板结,维护成本低廉,使用周期长。制备过程充分利用了废物资源,并且采用免烧工艺,达到了节能减排以废治废的目的。

标签:
废水处理
山东 - 济南 来源:中冶有色网 2023-03-19
络合萃取生产环氧丙烷的环保制备工艺

本发明公开了一种络合萃取生产环氧丙烷的环保制备工艺,它在一氯丙醇溶液中加入络合萃取剂一次性将HCL和一氯丙醇从溶液中萃取出来,萃取后的反应液返回到氯醇化系统,含HCL和一氯丙醇的络合萃取液再用石灰乳或液碱、碳酸钠皂化生产环氧丙烷。皂化塔底残液为含量30-40%的氯化钙(如用液碱或纯碱皂化则为氯化钠),经多效蒸发生产氯化钙,浓缩出的水用于石灰乳的配制。整个生产过程无工艺废水外排,工艺简单,易连续操作,可在原生产装置上改进。

标签:
废水处理
山东 - 济南 来源:中冶有色网 2023-03-19
矿用无电饮水净化设备

本发明提供一种矿用饮水净化设备,包括饮水机,饮水机包括壳体、水龙头以及置于壳体内的磁化器、超滤膜组件、PPF棉滤芯组件、CTO活性炭滤芯组件、反渗透膜组件、压力储水罐和UDF椰壳活性炭组件,磁化器、超滤膜组件、PPF棉滤芯过滤组件、CTO活性炭滤芯过滤组件、反渗透膜组件、压力储水罐、UDF椰壳活性炭过滤组件和水龙头经由管道顺次连接,防尘管道通过供水管和磁化器连接,供水管上设置自力式减压阀,反渗透膜组件产生的废水经废水排水口排出。本发明的供水可以采用未到达饮用水水质的防尘水,取水点广泛,故使用范围广。

标签:
废水处理
山东 - 济南 来源:中冶有色网 2023-03-19
磁性双金属氧化物/碳复合材料的制备方法及应用

本发明涉及磁性双金属氧化物/碳复合材料的制备及应用,属于复合材料制备和水处理技术领域。本发明将硝酸镁和硝酸铝的混合盐溶液与氢氧化钠和碳酸钠的混合碱悬浊液逐滴加入到60℃加热的含有四氧化三铁的蒸馏水的烧杯中,控制pH值10左右,继续搅拌6~12?h,静置3~6?h,得到磁性水滑石悬浊液;将刚果红废水加入制得的磁性水滑石悬浊液,振荡3?h;然后干燥,粉碎,置于高温管式炉中,在氮气保护下500~800℃下加热2~4?h,得到磁性双金属氧化物/碳复合材料;将其应用于水中铅、镉、铜离子的去除,效果良好。本发明制备的磁性双金属氧化物/碳复合材料,制备工艺简单,条件易控,且吸附容量高,能有效去除水中的重金属离子。

标签:
废水处理
山东 - 济南 来源:中冶有色网 2023-03-19
钴离子污染土壤基催化剂及其制备方法与应用

本发明属于废弃物再利用领域,具体涉及一种钴离子污染土壤基催化剂及其制备方法与应用。所述制备方法为:将被钴离子污染的土壤预处理后与粘合剂、氧化镁、碳材料进行充分混合,用压片机进行干压,压片成型后进行煅烧,自然冷却至室温,得到钴离子污染土壤基催化剂。本发明将钴离子污染的土壤转化为臭氧氧化处理染料废水的催化剂,可以赋予被钴离子污染的土壤良好的催化性能和力学性能,不仅具有优异的催化作用,可将臭氧转化为羟基自由基,提升氧化效率,有效降低多种染料废水的COD、TOC等指标,还能够满足固定床反应器填装的力学性能要求,避免因床层过高而出现催化剂破碎等问题,同时能将钴离子固定在催化剂中,避免泄露。

标签:
废水处理
山东 - 济南 来源:中冶有色网 2023-03-19
一株ε-聚赖氨酸高产菌株及生产ε-聚赖氨酸方法

本发明涉及一株ε?聚赖氨酸高产菌株及生产ε?聚赖氨酸方法,属于生物技术领域。本发明的ε?聚赖氨酸高产菌株EA?19,分类命名为白色链霉菌(Streptomyces?albulus),保藏号为CGMCC?No.10156。采用本发明的菌株EA?19进行补料分批发酵培养,发酵液中ε?聚赖氨酸的浓度达38.5~39?g/L。本发生产ε?聚赖氨酸的方法:采用菌株EA?19进行发酵培养。采用鼓泡法,在发酵培养过程中、发酵培养结束后通风,使得发酵产生的ε?聚赖氨酸存在于泡沫中、从发酵液中分离出来;从而克服了现有制备方法中ε?聚赖氨酸难以分离的技术难题;避免了离子交换等产生大量废水的步骤,产品收率提高50?%以上;工艺简单易放大,能耗低、设备投资小,易于实现规模化生产。

标签:
废水处理
山东 - 济南 来源:中冶有色网 2023-03-19
制备双甘膦的清洁生产方法

本发明涉及一种制备双甘膦的清洁生产方法,采用以下步骤:先用腈类水解酶催化水解亚氨基二乙腈,得到亚氨基二乙酸低浓溶液,腈类水解酶套用。低浓亚氨基二乙酸溶液通过膜浓缩及多效蒸发得到含量在25%-35%之间的亚氨基二乙酸料液,此料液与盐酸源、亚磷酸源及甲醛反应得到双甘膦湿料及母液。其中膜浓缩的淡液用于吸收多效蒸发时溢出的氨气,多效蒸发的蒸发液回用于亚氨基二乙腈的酶解中,而部分双甘膦母液则和低浓亚氨基二乙酸溶液混合,经过浓缩回收,套用到下批双甘膦合成中。本工艺大大降低盐酸、液碱消耗,同时提高双甘膦收率约1%-2%,并降低废水量。

标签:
废水处理
山东 - 济南 来源:中冶有色网 2023-03-19
含有壳聚糖衍生物的重金属螯合剂组合物

本发明提供了含有壳聚糖衍生物的重金属螯合剂组合物,该组合物含有:组分 含量WT%,带有至少一个二硫代甲酸根的壳聚糖衍生物 1-100,带有至少一个二硫代甲酸根的多胺衍生物 0-99。该重金属螯合剂组合物适用于含重金属离子的废水及污泥,垃圾焚烧飞灰或被重金属离子污染的土壤的处理。

标签:
废水处理
山东 - 济南 来源:中冶有色网 2023-03-19
一株具有脱氮除磷双重能力的反硝化聚磷菌及其应用

本发明涉及一株具有脱氮除磷双重能力的反硝化聚磷菌及其应用,该菌株命名为假产碱假单胞菌CL-1,Pseudomonas pseudoalcaligenes CL-1,属于假产碱假单胞菌,已于2012年6月13日保藏于中国典型培养物保藏中心,其保藏编号为:CCTCC NO:M2012225。该菌株为革兰氏阳性,短杆菌,菌落圆形乳白色、中凸、有光泽、边缘光滑透明。该菌生长周期长,前24h氮磷去除率分别为56.93%、43.56%,整个生长周期氮磷去除率分别为75.6%和57.5%。该菌株具有完全的反硝化能力,能将硝氮、亚硝氮等无机氮直接还原为无害的氮气排出水体。使用其处理含氮磷废水工艺简单,处理效果高效稳定,节约运行成本,且不产生NO、N2O等温室气体,不造成空气污染。

标签:
废水处理
山东 - 济南 来源:中冶有色网 2023-03-19
草甘膦铵盐原药的制备方法

本发明公开了一种草甘膦铵盐原药的制备方法,至少包括如下步骤:通过催化氧化双甘膦制备草甘膦的方法得到含有草甘膦和固体催化剂的混合液;向混合液中通入氨反应;将反应液趁热过滤,滤液进行真空浓缩后再低温过滤得滤饼;将滤饼用有机溶剂洗涤、干燥得草甘膦铵盐原药。本发明过程步骤减少,把草甘膦固体与固体催化剂的分离过程与草甘膦铵盐的制备过程合并在一个步骤内完成,反应收率高,有效降低了生产成本,且草甘膦混合液中的甲醛与氨反应生成了乌洛托品副产品,乌洛托品由水回收,整个过程无废水排出,有利于环保。本发明所得产品纯度高,草甘膦铵盐原药中含草甘膦铵盐≥98.5%,加热减量≤1.0%,草甘膦含量≥89.5%。

标签:
废水处理
山东 - 济南 来源:中冶有色网 2023-03-19
电化学辅助高效复合脱盐方法

本发明涉及一种电化学辅助高效复合脱盐方法,该方法废水经厌氧、好氧生化处理后进行电化学脱盐,厌氧好氧可以将废水中的大部分盐分分离出来,电化学脱盐可以稳定或进一步降低回用水的含盐量,极大降低了回用水中总盐含量,避免系统中微生物的浓度及活性不稳定造成系统出水含盐量波动,提高了处理后水的回用水量,实现大量节水。可以在有效控制除盐成本的同时,满足生产对回用水的要求,保证企业生产的稳定性。

标签:
废水处理
山东 - 济南 来源:中冶有色网 2023-03-19
环糊精修饰纳米环境矿物材料及其制备方法与在降解有机污染物中的应用

本发明涉及一种环糊精修饰纳米环境矿物材料及其制备方法与在降解有机污染物中的应用。所述环糊精修饰纳米环境矿物材料是由β‑环糊精与环境矿物按质量比1:3~6球磨反应制成,平均粒径为20‑200nm;所述的环境矿物材料为黑锰矿、赤铁矿、锐钛矿、红锌矿、方镁石或赤铜矿,其有效成分分别为四氧化三锰、三氧化二铁、二氧化钛、氧化锌、氧化镁与氧化亚铜。所述的环糊精修饰纳米环境矿物材料在基于过硫酸盐的高级氧化法处理含双酚A废水处理中的应用,可在常温下将废水中痕量双酚A完全降解。

标签:
废水处理
山东 - 济南 来源:中冶有色网 2023-03-19
炼油碱渣的环保处理工艺

本发明公开了一种炼油碱渣的环保处理工艺,向碱渣中添加亚铁盐使碱渣中的硫离子沉淀,过滤后获得过滤沉淀和过滤废水,过滤废水依次经过一次氧化、浓缩结晶获得浓缩结晶物和浓缩水,浓缩水进行二次氧化,浓缩结晶物进行煅烧,所述一次氧化、二次氧化采用的氧化剂中含有双氧水。本发明能够将碱渣分为两种固体,一种液体,该液体无色、基本无味,COD<1000ppm,该方法处理过程极为简单,容易被企业接受。

标签:
废水处理
山东 - 济南 来源:中冶有色网 2023-03-19
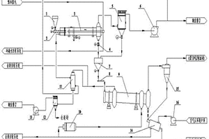
长管状气体分散装置
长管状气体分散装置 1102     
 0

本发明属于废水净化技术领域,尤其涉及一种用于向液体中输送气体,并将气体切割成细小气泡分散于液体之中的长管状气体分散装置。本发明的技术方案为:一种长管状气体分散装置,包括支撑机构和安装在支撑机构上的气体分散机构,所述气体分散机构为一组环形滤片组件,所述环形滤片的至少一个端面上有贯通内外环的沟槽。在获得较高的充氧效率和方便地清洗功能的同时,还可以方便地进行现有产品的替换。

标签:
废水处理
山东 - 济南 来源:中冶有色网 2023-03-19
环境友好的阿米卡星的合成方法

本发明公开了一种环境友好的阿米卡星的合成方法。它包括活性酯的合成、卡那霉素A硅烷化物的合成、酰化反应、水解反应和降解反应,其中活性酯的合成方法为:2(S)-2-羟基-4-氨甲酰基丁酸和N-羟基邻苯二甲酰亚胺,在N,N-二环己基碳二酰亚胺存在下进行酯化反应,生成活性酯;降解反应方法为:水解反应产物在碱性条件下,采用次氯酸钠降解,得到阿米卡星。采用本发明的合成方法,省去侧链上氨基的邻苯二甲酰基保护基,可以避免产生邻苯二甲酰肼固体废弃物,降低了对环境的危害,同时合成步骤由原来的7步缩短为5步,大大减少了合成过程产生的废水和固体废弃物。

标签:
废水处理
山东 - 济南 来源:中冶有色网 2023-03-19
磁性环糊精-碳纳米纤维复合材料及其制备方法

本发明公开了一种磁性环糊精-碳纳米纤维复合材料及其制备方法,以纳米磁性金属或纳米磁性金属氧化物为载体,先对环糊精进行表面修饰获得磁性环糊精,再将磁性环糊精键合到功能化的碳纳米纤维上,得到新型纳米磁性生物吸附材料。此制备方法改善了分子排布的空间有序性,大大增加了聚合物的比表面积,增加了离子或分子与环糊精分子的结合位点,减小了内传质过程。本发明制备的纳米磁性吸附材料具有表面结构可控、稳定性好、吸附量大、吸附平衡快、易分离、可重复使用等优点,可以用于贵金属及稀土金属的定向回收、废水中重金属的分离富集,具有很好的应用潜力。

标签:
废水处理
山东 - 济南 来源:中冶有色网 2023-03-19
厌氧生物处理脱硫的方法

本发明涉及一种厌氧生物处理脱硫的方法,包括步骤如下:将待处理的污水在嗜硫厌氧污泥的作用下进行第一次厌氧反应处理,污水中的硫及硫酸根在微生物的作用下转化为硫化氢,以气体的形式排出,得到初步脱硫的污水;初步脱硫的污水在常规厌氧污泥的作用下进行第二次厌氧反应处理,得到脱硫厌氧处理的污水。本发明通过在厌氧反应器前增设脱硫槽可以有效降低废水中的硫酸根浓度,提高厌氧去除效率,并且在降低硫酸根浓度的同时可以部分去除废水中的COD,减轻厌氧反应器的处理压力,保证整个厌氧系统运行稳定,同时不需要机械设备,节省了动力消耗,减少了系统建设投资,操作工艺简单,投资少,管理运行方便,生产管理运行费用低。

标签:
废水处理
山东 - 济南 来源:中冶有色网 2023-03-19
银负载二氧化钛纳米管-磁性壳聚糖/β-环糊精复合材料的制备方法及应用

本发明公开了一种新型银负载二氧化钛纳米管?磁性壳聚糖/β?环糊精复合材料的制备方法及其在印染废水处理中的应用。该方法主要是以二氧化钛纳米管为基体,在其表面定向负载银粒子,再与磁性改性的壳聚糖/β?环糊精交联,合成在自然光下对有机染料具有优异降解性能的复合材料。主要技术特征是:按一定的比例加入P25?TiO2粉末、NaOH溶液、AgNO3溶液、β?环糊精、壳聚糖、戊二醛。以超纯水、0.3~0.4%(质量百分浓度)的HCl、乙醇分别洗涤干燥既得该材料。对铬黑T具有较强的降解能力,光催化降解速度快,在自然光下降解率可达95%以上,并具有易分离,易回收等优点。

标签:
废水处理
山东 - 济南 来源:中冶有色网 2023-03-19
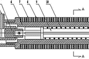
螺旋涡流射流曝气装置
螺旋涡流射流曝气装置 1216     
 0

本发明涉及一种在废水生物处理工艺中使用的向废水中充入空气的螺旋涡流射流曝气装置。由偏心进水管1,螺旋配水室2,初级喷嘴3,偏心进气管4,螺旋配气室5,二级喷嘴6等组成。采用无摩擦螺旋供水和螺旋供气方式:污水切线方向进入螺旋配水室2形成螺旋涡流水体;低压空气切线方向进入螺旋配气室4形成螺旋涡流气体;汽液混合物的旋转离心力增加了供气量,并使得微小气泡中的氧得以最大限度地溶入污水,因而该曝气装置服务面积更大、氧的利用率更高、充氧效果更好。

标签:
废水处理
山东 - 济南 来源:中冶有色网 2023-03-19
纸品浆料的成浆工艺
纸品浆料的成浆工艺 966     
 0

本发明涉及制浆造纸技术,具体涉及含有纤维的秸秆类植物的制浆造纸技术,特别涉及一种纸品浆料的成浆工艺,它采用将预处理的原料连同碱性处理药剂通入密闭反应装置,在高温高压下反应并在反应过程中添加氧化剂的方法,实现了快速成浆,同时不再产生黑液,所产生的废液处理难度大大降低。采用这种生产工艺后,方便了蒸煮废水的后期处理和达标排放,减少了对于环境的污染,同时降低了高温蒸煮对于纤维的损伤提高了所得浆料的质量。

标签:
废水处理
山东 - 济南 来源:中冶有色网 2023-03-19
钢带连续镀铜在线回收的方法

本发明为一种钢带连续镀铜在线回收的方法,该方法主要回收钢带连续镀铜中的酸碱清洗水,镀铜清洗水与镀铜液。利用集水箱、保安过滤机、精密过滤机、RO膜处理系统处理酸碱废水,使之变为纯水,储存在清水箱中,再利用泵,泵送至清洗槽,回收利用。利用雾化喷淋装置,将钢带带出槽的镀液冲洗下来,经过过滤后,储存在镀液集中槽内,再利用泵,泵送至镀槽内,回收利用。利用集水箱、保安过滤机、精密过滤机、超滤系统和RO膜处理系统处理镀铜清洗水,可得到浓水与纯水。纯水储存在清水箱中,再利用泵,泵送至清洗槽,回收利用;浓水经集中后,回用到镀槽内。对于上述过滤后的固体杂质经板压成型后交由专业公司处理。酸碱清洗水、镀铜清洗水与镀铜液得到回收利用,减少了废水的排放,节约了资源,减少了污染。

标签:
废水处理
山东 - 济南 来源:中冶有色网 2023-03-19
反相乳液法制备两性聚合物的方法

反相乳液法制备两性聚合物的方法,属于水溶性高分子合成技术领域。将两性单体甲基丙烯酰氧乙基-N,N-二甲基丙磺酸盐(DMPS)与丙烯酰胺(AM)在反相乳液中共聚,过硫酸钾(KPS)-四甲基乙二胺(TMEDA)-甲基丙烯酸-N,N-二甲基乙胺酯(DMAEMA)三元复合物作为氧化-还原引发体系,聚合反应在常温就能顺利进行,得到高分子量的两性水溶性聚合物,该聚合物水溶性好,并具有显著的“反聚电解质效应”,耐温抗盐性好。其胶乳在油田开发和废水处理等领域应用方便高效。经无水乙醇沉淀、干燥、粉碎可得到粉剂产品,在医药、日化、水处理、造纸、油田开发等领域具有广泛的应用前景。

标签:
废水处理
山东 - 济南 来源:中冶有色网 2023-03-19
杂化铜碘簇及其光催化降解染料的应用

一种杂化铜碘簇的合成及其光催化降解染料的应用。本发明的目的在于合成一种能有效可见光催化降解罗丹明B染料的杂化铜碘簇基光催化剂Cu4I4(C9H9NS2)5,其中C9H9NS2=3‑乙基‑1,3‑苯并噻唑‑2‑硫酮。该材料中无机部分为Cu4I4四核,且铜元素与有机分子C9H9NS2的摩尔比为4:5。有机分子C9H9NS2的引入既降低了铜元素的含量,又降低了材料的带隙值,增加了材料对可见光的吸收,进而增强其可见光催化性能。该化合物是一种有效的半导体可见光催化剂,可利用其特性用于可见光催化降解废水中的罗丹明B染料。

标签:
废水处理
山东 - 济南 来源:中冶有色网 2023-03-19
抗菌净化功能复合材料及其制备方法

本发明涉及一种抗菌净化功能复合材料及其制备方法,属于环保材料技术领域。本发明所述的抗菌净化功能复合材料由以下重量份数的原料制成:矿物复合吸附材料70-95份,光催化降解材料3-25份,稀土无机抗菌材料2-15份,添加剂1-10份;所述矿物复合吸附材料由海泡石、硅藻土、麦饭石和凹凸棒石制成;所述光催化降解材料由氧化钛、电气石和远红外陶瓷粉制成;所述稀土无机抗菌材料由氧化锌、氧化铈和氧化银制成;所述添加剂为活性炭、羧甲基纤维素和浮石粉的混合物。本发明所述的抗菌净化功能复合材料吸附性和分解率高,能防水防潮,抗菌效果优异;同时本发明提供了一种成本低、产生的废水量少、粉体应用简单便捷的制备方法。

标签:
废水处理
山东 - 济南 来源:中冶有色网 2023-03-19
低阶煤的干燥干馏的组合提质工艺及系统

本发明公开了一种低阶煤的干燥干馏的组合提质工艺及系统,克服现有技术的不足之处,特别适用于含水量高的褐煤或其他低阶煤如长焰煤、不粘煤或弱粘煤和气煤等的干燥干馏组合提质。该工艺采用蒸汽回转干燥机干燥和多管回转低温干馏机干馏的组合提质方法,解决了单纯的干馏工艺存在的焦化废水处理量大、煤气处理量大等问题。本发明提供的干燥和多管回转低温干馏的组合提质工艺具有能量利用率高、系统安全稳定、干馏气体处理量小、焦化废水处理量小、焦油产率高、煤气热值高等优点。

标签:
废水处理
山东 - 济南 来源:中冶有色网 2023-03-19
2, 4-二氯苯氧乙酸的制备方法

本发明公开了一种2, 4?二氯苯氧乙酸的制备方法,具体步骤是:将2, 4?二氯苯氧乙酸甲酯加入水中,加入固体酸催化剂,搅拌加热,回流反应2~8小时,蒸出反应生成的甲醇,反应结束后冷却至室温,抽滤,洗涤,干燥,2, 4?二氯苯氧乙酸。本发明采用了酯水解的方法制备2, 4?二氯苯氧乙酸,是用固体酸催化剂催化水解,水解完全,不产生废盐和废水,操作方便,能够高收率获得高纯度的产品。

标签:
废水处理
山东 - 济南 来源:中冶有色网 2023-03-19
生活污水分散式厌氧接触处理工艺

本发明涉及一种针对城市住宅小区、宾馆、渡假村、养老院、机场以及农村而设计的生活污水处理方法,特别涉及一种生活污水分散式厌氧接触处理工艺。该工艺采用以下步骤:①沉淀:生活污水通过管道流入沉淀池进行沉淀。②污水厌氧反应。③污泥厌氧消化。本发明的优点为:1.本发明采用分散式处理方式,灵活性强,成本低,污泥量很少,管理方便。2.采用的厌氧接触工艺内部设置聚丙烯弹性立体填料,比表面积大,生物量大,强化了废水的处理效率;不易堵塞;无需设置后续沉淀设施。3.采用二级(或多级)厌氧接触工艺,使有机物降解充分,保证系统稳定运行达标排放。4.单体设置的沼气管整体连接后进行集中收集,无臭味,增强了系统的安全性能。

标签:
废水处理
山东 - 济南 来源:中冶有色网 2023-03-19
一株具有脱氮除磷效果的厌氧反硝化聚磷菌及其应用

本发明涉及一株具有脱氮除磷效果的厌氧反硝化聚磷菌及其应用,该菌株命名为Paenibacillus lautus CL-5,属于灿烂类芽孢杆菌CL-5,保藏编号为CCTCC NO:M2012227。该细菌是从双泥序批式反应器(DSSBR)缺氧结束时的污泥中分离筛选得到的。该菌生长周期长,48h后进入对数生长期,该菌株前24h氮磷去除率分别为57.5%、50.2%,整个生长周期氮磷去除率分别为72.3%和64.1%。反硝化的终产物气体鉴定为氮气,说明该菌株具有完全的反硝化能力,能够将水体中硝氮、亚硝氮等无机氮直接还原为无害的氮气排出水体。通过对此菌株的性能检测可以看出,使用该菌株处理含氮废水工艺简单,处理效果高效稳定,且不会产生NO、N2O等温室气体,不会造成空气污染。

标签:
废水处理
山东 - 济南 来源:中冶有色网 2023-03-19
上一页 10 11 12 13 14 ... 57 下一页
共57页    到第

中冶有色为您提供最新的山东济南有色金属废水处理技术理论与应用信息,涵盖发明专利、权利要求、说明书、技术领域、背景技术、实用新型内容及具体实施方式等有色技术内容。打造最具专业性的有色金属技术理论与应用平台!

全国热门有色金属设备推荐
展开更多 +
全国热门有色金属技术推荐
展开更多 +

 

江西省隆恩特环保设备有限公司
宣传

报名参会
更多+

报告下载

有色专家
更多+

中南大学
副校长
赣州江钨钨合金有限公司
副总经理
北京科技大学
副院长/教授
中国有色金属工业协会
副会长兼秘书长
西北有色金属研究院、中国工程院
院士
赤泥综合利用研究报告2025
推广

热门技术
更多+

推荐企业
更多+

福建省金龙稀土股份有限公司
宣传

发布

在线客服

公众号

电话

顶部
咨询电话:
010-88793500-807