青岛垚鑫智能科技有限公司
宣传

位置:中冶有色 >

有色技术频道 >

> 复合材料技术

分类:
全部
矿山技术
冶金技术
材料制备及加工技术
环境保护技术
分析检测技术
 
全部
功能材料技术
复合材料技术
新能源材料技术
合金材料技术
加工技术
地区:
全部
北京
天津
上海
重庆
河北
山西
辽宁
吉林
黑龙江
江苏
浙江
安徽
福建
江西
山东
河南
湖北
湖南
广东
海南
四川
贵州
云南
陕西
甘肃
青海
内蒙
广西
西藏
宁夏
新疆
其他
其他
展开
 
全部
济南
青岛
淄博
枣庄
东营
烟台
潍坊
济宁
泰安
威海
日照
滨州
德州
聊城
临沂
菏泽

山东青岛有色金属复合材料技术理论与应用

免费发布技术信息>>
轨道车辆的车体结构
轨道车辆的车体结构 1220     
 0

本发明公开了一种轨道车辆的车体结构,包括拱形的环形梁以及固接于所述环形梁底部的底架;其中,所述环形梁上设有多个缺口,所述缺口位置均设有纵梁。本发明的有益效果为:1.整体采用碳纤维复合材料,车体重量轻。2.侧墙和车顶为整体结构,分块少,减少装配量。3.设备安装接口易实现,方便调整,便与维护。4.设有夹芯材料层,隔音隔热效果较好。5.在长度方向上设计为整体结构,也可设计为分段结构,结构设计方式灵活。

标签:
复合材料
山东 - 青岛 来源:中冶有色网 2023-03-18
具有仿生结构的形状记忆材料及其制备方法

本发明涉及仿生材料技术,具体为一种由外场调控结构制备的仿生材料,所述仿生材料具有形状记忆特性,实质是内部粒子取向排列的单层或多层复合材料。本发明制备的仿生材料具有很好的形变效果,当外界刺激撤出后,又可迅速恢复,复位性强。

标签:
复合材料
山东 - 青岛 来源:中冶有色网 2023-03-18
用于电解水产氢的衍生功能孔木材的制备方法及应用

一种用于电解水产氢的衍生功能孔木材的制备方法及应用,它涉及一种木材功能孔复合材料的制备方法及其应用。本发明的目的是要解决现有方法制备的过渡金属磷化物的工艺复杂、过渡金属磷化物与木材基底结合差和电解水产氢过程中的界面不稳定的问题。方法:一、去除天然多孔木材表面的粗纤维;二、负载Pd2+;三、负载Pd0;四、负载镍磷合金;五、真空干燥。本发明制备的用于电解水产氢的衍生功能孔木材用于电解水产氢。本发明制备的用于电解水产氢的衍生功能孔木材在碱性条件下具有良好的稳定性,在大于1000mA·cm‑2电流密度下长达40小时电流几乎不衰减。本发明制备的用于电解水产氢的衍生功能孔木材适用于电解水产氢。

标签:
复合材料
山东 - 青岛 来源:中冶有色网 2023-03-18
生物矿化的微反应器调控固态合成纳米材料及其储钾器件的应用

微型反应系统在纳米材料的液相或液‑气相中的合成取得了重要的进展,但在固态合成中研究甚少。本专利采用仿生矿化的方法,原位制备了一种新型的生物矿化的微反应器,其外部由介晶氯化钾外壳以及内部由卡拉胶胶体颗粒填充组成。得益于氯化钾良好的热稳定性和生物矿化结构的紧凑性,微反应器在高温固态合成TM(过渡金属)‑S‑Se纳米材料方面展现出良好的通用性。其中,所制备的MoSxSe2‑x/C纳米复合材料具有良好的均匀性、高产率和有毒气体排放少等优点,并具有优异的K+存储性能。封闭的反应体系不仅使得在空气中制备非氧化物纳米材料成为可能,大大减少了生产过程和成本。而且作为一种新的绿色合成技术,为工业生产中调控固态合成纳米材料打开了一扇新的大门。

标签:
复合材料
山东 - 青岛 来源:中冶有色网 2023-03-18
轨道交通内饰用阻燃防污纤维素层压复合板材及其制备方法

一种轨道交通内饰用阻燃防污纤维素层压复合板材及其制备方法。本发明属于轨道交通内饰领域。本发明的目的是解决现有纤维素层压复合材料防火、防污性能不佳,无法满足轨道交通内饰材料应用要求的技术问题。本发明的一种轨道交通内饰用阻燃防污纤维素层压复合板材由层叠设置的表层和芯层热压固化而成;所述表层为多层浸渍改性三聚氰胺甲醛树脂的纤维素纸,所述芯层由多层交替层叠的浸渍改性三聚氰胺甲醛树脂的芳纶纸和浸渍改性三聚氰胺甲醛树脂的纤维素纸复合而成。本发明的复合板材由浸渍了具有快速浸润和阻燃性能的改性三聚氰胺甲醛树脂的多种纤维素材料热压而成。极限氧指数达36.5;燃烧性能达A级;耐污染性能达5级,具有优异的防污阻燃性能。

标签:
复合材料
山东 - 青岛 来源:中冶有色网 2023-03-18
MoS<Sub>2</Sub>/CeO<Sub>2</Sub>复合气敏材料及其制备方法和应用

本发明涉及半导体氧化物气敏材料技术领域,特别涉及一种MoS2/CeO2复合气敏材料及其制备方法和应用。本发明采用二次水热制备出修饰有CeO2纳米颗粒且具有大比表面积的由许多蠕虫状胶束组成的MoS2纳米花;随后将MoS2/CeO2复合材料经过管式炉热处理后,在叉指电极上制备出MoS2/CeO2气敏涂层,最后经老化台热处理,得到基于MoS2/CeO2的乙醇气敏元件。该气敏元件在室温下获得对30ppm乙醇气体的最大灵敏度5.2,响应时间和恢复时间分别为7s和5s,可逆性和选择性好,响应/恢复速度快,采用二次水热这种简单、低成本的制备方法,将CeO2纳米颗粒成功地紧密附着在MoS2纳米花上,大幅度地降低了功能型MoS2/CeO2纳米材料的制备成本。

标签:
复合材料
山东 - 青岛 来源:中冶有色网 2023-03-18
仿生止血生物胶
仿生止血生物胶 1043     
 0

本发明提供一种仿生止血生物胶,其氨基酸序列为SEQ ID NO:1:本发明还提供一种止血材料,所述的止血材料包含有氨基酸序列为SEQ ID NO:1的蛋白和Dopa修饰的海藻酸钠。本发明提供一种具有止血性能制品,是使用氨基酸序列为SEQ ID NO:1的制备的多肽和褐藻酸钠衍生物制备成的;使用结果表明氨基酸序列为SEQ ID NO:1的蛋白的加入改善了材料的超微结构,体外实验证明复合材料具有良好的止血效果。

标签:
复合材料
山东 - 青岛 来源:中冶有色网 2023-03-18
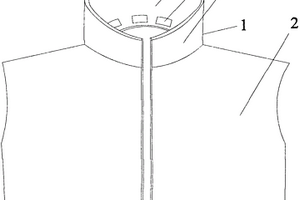
防割脖套
防割脖套 877     
 0

本发明涉及防护设备领域,尤其涉及一种防割脖套,其包括衣领、衣身,所述衣领包括外衣领及内衣领,所述内衣领内侧及外衣领内侧相对设置有对应的魔术贴,所述外衣领与内衣领之间的夹层可夹入防割材料,所述防割材料为由高强涤纶、高强锦纶、超高分子量聚乙烯、间位芳纶、对位芳纶、杂环芳纶、芳砜纶、聚酰亚胺、石墨烯复合材料中的一种或几种材料制成的三维间隔织物。本发明能够作为普通衬衫假领使用,亦可以在外衣领与内衣领之间的夹层夹入防割材料以实现有效防止利器割伤脖颈的目的,同时具有保温、美观的优点,所使用的防割材料具有极高的抗切割性、同时兼具质轻、柔软的优点。

标签:
复合材料
山东 - 青岛 来源:中冶有色网 2023-03-18
高效硫/炭包覆的钴酸锂正极材料及其制备方法

本发明涉及一种高效硫/炭包覆的钴酸锂正极材料及其制备方法。本高效硫/炭包覆的钴酸锂正极材料按重量份计,由以下组分按照所示比例制备而成,硫/炭复合材料50、钴酸锂65、45%的硝酸铁锂溶液20、鳞片石墨13、粘结材料13。本发明克服了锂离子电池因为保护板自放电而造成失效的缺陷,从而改善整个电池组的自放电,实现延长锂电池存放时间的目的,保证用户使用完用电器而不充电的情况下可以储存较长的时间。

标签:
复合材料
山东 - 青岛 来源:中冶有色网 2023-03-18
高刚性橡胶衬垫材料配方

本发明涉及一种高刚性橡胶衬垫材料配方,包括下列组分,三元乙丙橡胶50份,氯丁橡胶70份,天然橡胶10份,碳酸钙20份,白碳黑23份,活性剂氧化锌2份,甲基丙烯酸酯8份,甲基丙烯酸缩水甘油酯12份,硅藻土12份,烟片胶23份。与现有技术相比,本发明的有益效果是,本发明所制得的复合材料是在宽温度范围内刚性变化率小的高刚性橡胶材料。

标签:
复合材料
山东 - 青岛 来源:中冶有色网 2023-03-18
Ag/AgVO3等离子体复合光催化杀菌剂及其制备方法和应用

本发明属于光催化领域,具体涉及一种Ag/AgVO3等离子体复合光催化杀菌剂及其制备方法和应用。复合光催化杀菌剂由Ag和AgVO3组成,其中,Ag和AgVO3的摩尔比为0.1~10 : 1。可通过水热合成法一步制备Ag/AgVO3等离子体复合光催化杀菌剂。本发明的制备方法工艺简单、易于控制、成本低廉,构建了具有可见光响应的Ag/AgVO3等离子体复合光催化杀菌剂,纳米Ag的表面等离子体共振效应使复合材料在可见光下具有高效的光催化活性和稳定性,对水体中的有害微生物具有高效的杀灭效果,在水体净化等领域将具有很好的应用前景。

标签:
复合材料
山东 - 青岛 来源:中冶有色网 2023-03-18
CT防护服
CT防护服 987     
 0

本发明属于是医用X射线防护领域,特别的涉及CT防护服。CT防护服,包括本体,所述本体包括上衣和裤子,还包括衣前片和衣后片,可拆卸的连体帽、连体手套和连体脚套,所述衣前片包括:弹性收紧带、护心片和检查窗;所述衣后片上设置有检查窗和后收紧扣;所述本体的面料为复合材料压制而成的复合面料。本CT防护服穿着方便,且可以做到全封闭防护,阻挡X射线率达到99%;同时具有杀菌抗菌作用,有效避免了因多人穿着而产生病菌传播的现象。

标签:
复合材料
山东 - 青岛 来源:中冶有色网 2023-03-18
功能化石墨烯的制备方法及其应用

本发明公开了一种功能化石墨烯的制备方法及其应用。所述制备方法为:采用石墨和/或其衍生物为原料,利用植物多酚和/或其衍生物作为分散助剂,以水或有机溶剂中的一种或多种的混合溶剂为分散介质,采用超声或搅拌剪切的方法从石墨和/或其衍生物剥离制备功能化石墨烯。本发明的方法具有工艺流程简单、石墨烯产量高、溶剂可循环利用、成本低、污染少、可控性好等优点。所制备的功能化石墨烯可直接或经过进一步化学修饰而用于聚合物/石墨烯复合材料的制备,能够显著提高材料的力学性能、电性能、热性能和气体阻隔性能等。

标签:
复合材料
山东 - 青岛 来源:中冶有色网 2023-03-18
钨酸铋/聚苯胺异质结光催化剂的制备方法

本发明提供了钨酸铋/聚苯胺异质结光催化剂的制备方法及应用,属于复合功能材料制备技术领域。采用水热合成反应方法制备钨酸铋粉体,然后将聚苯胺和钨酸铋通过复合反应可以获得本发明产品钨酸铋/聚苯胺异质结。由于聚苯胺的引入,该复合材料能够提高光降解率,在光催化等领域具有应用价值和发展潜力。

标签:
复合材料
山东 - 青岛 来源:中冶有色网 2023-03-18
耐高温树脂及其制备方法与应用

本发明公开了一种新型耐高温树脂及其制备方法与应用。本发明的耐高温树脂是由乙炔基苯胺、热塑性增韧剂和二乙炔基苯按照质量份数比为5-50∶0-30∶50-95的比例进行高温熔融共聚,得到的均一透明树脂。该树脂不仅具有成型工艺性能好的特点,如树脂熔融粘度小、溶剂溶解性好和固化温度低等,而且固化物具有优异的耐高温性能。本树脂体系不仅可用于耐高温复合材料基体树脂,而且可应用于耐高温胶黏剂、电子电器绝缘材料领域。

标签:
复合材料
山东 - 青岛 来源:中冶有色网 2023-03-18
冰箱制冰盒用导热聚丙烯改性材料、制备方法及包含该材料的冰箱制冰盒和冰箱

本发明提出一种冰箱制冰盒用导热聚丙烯改性材料、制备方法及包含该材料的冰箱用制冰盒和冰箱,属于高分子复合材料改性和加工技术领域,能够解决现有的提高聚丙烯塑料导热率方法存在导热填料与PP树脂基体相容性差,导致所得材料力学性能下降、易出现开裂等质量问题,无法满足冰箱冷冻室低温下使用要求的技术问题。其中,冰箱制冰盒用导热聚丙烯改性材料,以重量份数计,包括以下组分:PP树脂30‑45份、增韧剂8‑18份、导热填料40‑50份、抗氧剂0.2‑0.5份、特殊偶联剂0.4‑1.0份、润滑剂0.5‑2.0份以及抗菌剂1.0‑3.0份。利用本发明提供的导热聚丙烯改性材料注塑加工生产的冰箱制冰盒既具有较高的导热系数,不仅能提升冰箱的制冰速度,又能使制冰盒的力学性能满足其使用环境的要求。

标签:
复合材料
山东 - 青岛 来源:中冶有色网 2023-03-18
双位点反应耦合复合催化剂及其制备方法与应用

本发明涉及催化剂复合材料与应用技术领域,具体涉及一种双位点反应耦合复合催化剂呈管状形貌且具有多孔结构,比表面积为400‑1000m2/g,孔体积为0.2‑0.6cm3/g,比表面积大,可以为反应物分子提供更多的催化活性位点,利于产物烯烃的解吸脱附,从而提高目标产物的选择性。本发明还提供了其制备方法,以天然生物质脱脂棉为前驱体,依次经过浸渍活化、水热反应以及煅烧碳化步骤后制备得到,制备过程简单,适用于丙烷脱氢制丙烯反应的工业化生产中。本发明化提供了其在丙烷脱氢制丙烯中的催化应用,作为催化剂材料可直接装填在固定床反应器中,不需要常规的粉末造粒成型步骤;稳定性好,相同的转化率下,对目标产物展示了高选择性,与现有大多数金属基催化剂相当。

标签:
复合材料
山东 - 青岛 来源:中冶有色网 2023-03-18
轨道交通内饰用耐磨抗菌层压复合板材及其制备方法

一种轨道交通内饰用耐磨抗菌层压复合板材及其制备方法。本发明属于轨道交通内饰领域。本发明的目的是解决现有纤维素层压复合材料耐磨性能差、抗菌性能不佳的技术问题。本发明的耐磨抗菌层压复合板材由表层和多层基层热压固化而成,所述表层为浸渍耐磨抗菌改性树脂的纤维素纸,所述基层为浸渍三聚氰胺甲醛树脂的纤维素纸;其中所述耐磨抗菌改性树脂由三聚氰胺甲醛树脂、改性耐磨颗粒和改性抗菌颗粒制备而成。本发明的方法:将表层纤维素纸和多层基层纤维素纸层叠组坯后于热压机中进行热压固化,采用冷进冷出方式,得到复合板材。本发明的层压复合板材结构简单,耐磨抗菌的同时具有较好的自清洁作用,可广泛应用于复杂坏境下运行的列车内部。

标签:
复合材料
山东 - 青岛 来源:中冶有色网 2023-03-18
污水处理材料
污水处理材料 1140     
 0

本发明公开了一种污水处理材料,其包括如下步骤:(1)将In(NO3)3、NH4VO3、PVP溶于去离子水中,滴入一定量的氨水,将该混合液微波水热制备得到InVO4;(2)在三口烧瓶中依次加入一定量的InVO4、油酸和苯乙烯、KPS,50‑60℃下回流反应1‑4h,反应结束后自然冷却到室温;(3)将制备得到的PS‑InVO4分散于去离子水中,依次加入甲醛、苯酚和氨水,120‑200℃下水热反应,制备得到PS‑InVO4‑酚醛树脂微球;(4)将得到的PS‑InVO4‑酚醛树脂微球继续加入去离子水中,加入KMnO4和硫酸锰、聚乙二醇,水热反应后过滤得到产物;(5)将步骤(4)的产物置于管式炉中,300‑400℃下煅烧0.5‑1h,将该复合材料应用于污水处理,能够更有效的利用可见光,提高催化效率,从而高效降解污染物。

标签:
复合材料
山东 - 青岛 来源:中冶有色网 2023-03-18
抗240℃高温耐高盐刚柔相济封堵剂及其制备方法

本发明涉及一种抗240℃高温耐高盐刚柔相济封堵剂,是由如下重量份的原料组成:10‑20份苯乙烯、5‑10份2‑丙烯酰胺‑2‑甲基丙磺酸、2‑6份二乙烯基苯、1‑3份改性纳米二氧化硅、0.2‑0.5份十二烷基苯磺酸钠、0.01‑0.03份RAFT试剂、0.05‑0.1份引发剂、0.5‑2份pH值调节剂,100‑130份水,是一种复合材料微球分散乳液,本发明的抗超高温高盐刚柔相济封堵剂能在240℃、35%NaCl的条件下发挥优良的封堵作用,满足深层、超深层钻井的需要。

标签:
复合材料
山东 - 青岛 来源:中冶有色网 2023-03-18
天然裂缝网络对水力裂缝干扰的岩样制作以及实验方法

本发明涉及一种天然裂缝网络对水力裂缝干扰的岩样制作以及实验方法,其技术方案是:首先方形模具制作子岩块,然后将子岩块按照一定的排列方式放入到大岩心的模具中,子岩块之间通过环氧树脂等胶进行粘合,大岩心与模具之间浇筑混凝土,大模具中心位置放置压裂管,压裂管周围同样浇筑混凝土,形成真三轴水力压裂实验试件。其有益效果是:利用水泥基复合材料制作的子岩块通过粘合成类似魔方的实验岩样来模拟地下天然裂缝网络,利用压裂管模拟井筒的效果,利用真三轴实验装置来进行水力压裂来模拟地下三维应力,以用来研究水力压裂过程中天然裂缝网络对水力裂缝的干扰作用。本发明解决了真三轴水力压裂试件无法模拟存在天然裂缝网络的问题。

标签:
复合材料
山东 - 青岛 来源:中冶有色网 2023-03-18
基于ZIF-67前驱体制备CdS@CoP@NC异质结光催化剂的方法

本发明提供了一种基于ZIF‑67前驱体制备CdS@CoP@NC异质结光催化剂的方法,属于光催化材料制备技术领域。以ZIF‑67为前驱体,通过一步热解过程同时完成ZIF‑67的碳化和磷化,制得CoP@NC复合材料,再在其表面组装CdS纳米片,进而得到具有多孔结构的CdS@CoP@NC异质结光催化剂。基于该催化剂保持了前驱体ZIF‑67多孔结构特征,使得CdS和CoP高度分散,同时该催化剂通过良好的协同作用促进了光生电子‑空穴的分离且提升了光响应行为,用于光催化水解制氢反应显示出优异的催化活性和稳定性。

标签:
复合材料
山东 - 青岛 来源:中冶有色网 2023-03-18
石墨烯包裹碳纳米管和MOF三维复合电极材料的制备方法

本发明属于电极材料制备技术领域,具体涉及一种石墨烯包裹碳纳米管和MOF三维复合电极材料的制备方法。通过自组装的方法将碳纳米管和MOF包裹在石墨烯泡沫中,其中,氧化石墨烯、碳纳米管和MOF的前驱体溶液在超声条件下混合。本发明在石墨烯泡沫中加入了碳纳米管,可以有效缓解石墨烯聚集过程的堆叠现象,从而增大复合材料的比表面积,有利于离子扩散,降低离子和电子的传输路径,并进一步增强材料的导电性。

标签:
复合材料
山东 - 青岛 来源:中冶有色网 2023-03-18
检测肿瘤患者尿液生物标志物的方法

透明质酸酶HAase与许多恶性肿瘤密切相关。研究表明,HAase浓度在膀胱癌患者的尿液中显著增高,使其成为膀胱癌早期诊断与治疗的重要生物标志物之一。本发明提出了一种采用空心金纳米材料构建基于HAase‑HA生物识别作用的纳米复合材料进行自催化循环放大反应用于检测HAase的方法。该方法不但使检测体系得到优化和改进,而且,最大程度地提高了检测灵敏度、简化了检测过程、降低了检测成本、拓宽了应用领域,解决了活体、细胞成像技术复杂、价格居高、灵敏度不足等难题,尤为重要的是,本发明无需采用任何工具酶就能获得信号的循环放大效果,为体内外检测、活体及细胞成像等领域提供新的技术和方法。

标签:
复合材料
山东 - 青岛 来源:中冶有色网 2023-03-18
二维纳米填料协效阻燃剂及其制备方法、应用

本发明属于聚合物阻燃剂技术领域,具体涉及一种二维纳米填料协效阻燃剂及其制备方法、应用,所述协效阻燃剂的组成是:阻燃剂100质量份,二维纳米填料2~500质量份,植物多酚5~500质量份,多价金属盐1~100质量份。该协效阻燃剂的制备方法是:先利用植物多酚和多价金属离子的多配位络合反应分别对阻燃剂和二维纳米填料进行包覆,然后再利用该络合反应将阻燃剂负载到二维纳米填料表面;其原料配比科学合理,制备工艺简单,操作方便,成本低,制备的协效阻燃剂分散性好,阻燃效率高,将其通过溶液共混、乳液共混或熔融共混的方法添加到聚合物基体中,能够制备出兼具优异阻燃和力学等性能的高性能阻燃聚合物复合材料,应用广泛。

标签:
复合材料
山东 - 青岛 来源:中冶有色网 2023-03-18
石墨烯/铁/二氧化钛复合光催化剂的制备方法

本发明提供了一种石墨烯/铁/二氧化钛复合光催化剂的制备方法,利用湿化学混合法制备铁/二氧化钛纳米管/石墨烯复合材料,其中铁/二氧化钛纳米管可通过浸渍法以氯化铁固体和二氧化钛纳米管为铁源和二氧化钛纳米管源制备,二氧化钛纳米管通过水热法以P25型纳米二氧化钛为原料制得,通过各原料间科学配比,实验条件的严格把控,结合石墨烯良好的吸附性能和金属离子对电子的捕获性能,增大了二氧化钛的比表面积,使制得的石墨烯/铁/二氧化钛纳米管复合光催化剂材料比表面积增大,吸附性能增强,对污水进行吸附处理后易于沉淀,便于过滤,有利于解决固液分离问题,可见光区域得到拓宽,可见光催化效果得到有效提高。

标签:
复合材料
山东 - 青岛 来源:中冶有色网 2023-03-18
类海胆状氧化钴光热转化薄膜及其制备方法和应用

本发明属于复合材料领域,具体涉及一种类海胆状氧化钴光热转化薄膜及其制备方法和应用。采用水热法制得前驱体,再经煅烧得到海胆状氧化钴颗粒,通过真空抽滤方法将其沉积到支撑膜表面,沉积后再于海胆状氧化钴颗粒层表面旋涂黏附层,即得类海胆状氧化钴光热转化薄膜。本发明从仿生学的角度出发,借助海胆状颗粒对材料表面进行微观结构调控,制备得到的膜材料表现出较高的光热水蒸发速率和能量转换效率。

标签:
复合材料
山东 - 青岛 来源:中冶有色网 2023-03-18
基于仿生强韧化结构的防污材料及其制备方法

本发明属于海洋防污材料技术领域,具体涉及一种基于仿生强韧化结构的防污材料及其制备方法,基于仿生强韧化结构的防污材料为纤维‑有机硅复合材料,纤维层按纤维方向垂直交叠形成多层仿螺壳纤维结构,既具备有机硅防污材料的防污特性,又具备较高的机械强度;其防污材料对典型污损生物具有明显的附着和生长抑制作用,具有强韧性,制备方法简单,反应条件易控,原料易得,具有潜在的应用前景,能够通过粘贴、铆接、包覆或拼接的方式固定于海洋工程设施的水下部位,起到防除污损生物附着的作用。

标签:
复合材料
山东 - 青岛 来源:中冶有色网 2023-03-18
碳纤维表面原位生长聚酰胺胺及迭代数可控超支化的方法

本发明公开了碳纤维表面原位生长聚酰胺胺及迭代数可控超支化的方法,属于碳纤维表面改性领域。所述方法步骤如下:第一步对碳纤维功能化预处理,第二步将胺基化碳纤维原位生长以丙烯酸甲酯和乙二胺(或者是1-(2-胺乙基)哌嗪)为单体的聚酰胺树状分子,进行超支化。由于原位生长的聚酰胺胺具有大量的可反应性基团端氨基、羧基和羟基,以及1-(2-胺乙基)哌嗪端胺基具有船式结构,当被原位生长到碳纤维表面之后,碳纤维表面的极性大大增加,与树脂之间的浸润性提高,同时胺基、羧基、羟基可与环氧树脂之间反应,在界面形成化学键,这将大大增加复合材料的界面结合强度。另外,超支化迭代数可控构筑可以优化超支化程度,从而大大节省碳纤维改性成本。

标签:
复合材料
山东 - 青岛 来源:中冶有色网 2023-03-18
木质塑料
木质塑料 820     
 0

本发明一种木质塑料涉及一种塑料和木质纤维的复合材料,特别是利用废旧塑料与废竹、木屑加工塑木合质材的工艺方法。本工艺方法摸索出了较佳的原料配比范围,和恰当的加热温度与模压压力,同时在模具上设计了冷却装置,使产品出模快,定型稳定,生产效率高。配方中还灵活地加入各种添加剂,从而制出各种特性的板材、型材或直接产品,可广泛用于建筑、家具、包装、装璜的原材料和直接成型机械零部件。本发明变废为宝,具有很好的经济效益和社会效益。

标签:
复合材料
山东 - 青岛 来源:中冶有色网 2023-03-18
上一页 10 11 12 13 14 ... 90 下一页
共90页    到第

中冶有色为您提供最新的山东青岛有色金属复合材料技术理论与应用信息,涵盖发明专利、权利要求、说明书、技术领域、背景技术、实用新型内容及具体实施方式等有色技术内容。打造最具专业性的有色金属技术理论与应用平台!

全国热门有色金属设备推荐
展开更多 +
全国热门有色金属技术推荐
展开更多 +

 

江西省隆恩特环保设备有限公司
宣传

报名参会
更多+

报告下载

有色专家
更多+

蒙纳士苏州校区
中国工程院外籍院士/校长
广东省科学院资源利用与稀土开发研究所
教授
矿冶科技集团有限公司
所长/研究员级高工
重庆大学
副院长/教授
云南锡业集团(控股)有限责任公司
副总经理
赤泥综合利用研究报告2025
推广

热门技术
更多+

推荐企业
更多+

福建省金龙稀土股份有限公司
宣传

发布

在线客服

公众号

电话

顶部
咨询电话:
010-88793500-807