青岛垚鑫智能科技有限公司
宣传

位置:中冶有色 >

有色技术频道 >

> 废水处理技术

分类:
全部
矿山技术
冶金技术
材料制备及加工技术
环境保护技术
分析检测技术
 
全部
废水处理技术
大气治理技术
固/危废处置技术
土壤修复技术
地区:
全部
北京
天津
上海
重庆
河北
山西
辽宁
吉林
黑龙江
江苏
浙江
安徽
福建
江西
山东
河南
湖北
湖南
广东
海南
四川
贵州
云南
陕西
甘肃
青海
内蒙
广西
西藏
宁夏
新疆
其他
其他
展开
 
全部
广州
韶关
深圳
珠海
汕头
佛山
江门
湛江
茂名
肇庆
惠州
梅州
汕尾
河源
阳江
清远
东莞
中山
潮州
揭阳
云浮

广东深圳有色金属废水处理技术理论与应用

免费发布技术信息>>
工业废水处理用除渣装置

本实用新型公开一种工业废水处理用除渣装置,包括外仓,所述外仓内腔的左右两侧壁均固定连接有连接架。本实用新型通过启动驱动电机带动转动轴转动,从而带动筛仓转动,通过将废水经由进料斗与导料管导入筛仓内部,进入筛仓内部的废水在筛仓转动产生的离心力下进行高效的第一道筛选,较大的残渣留在筛仓内部,而废水则透过第一筛孔甩出筛仓内部并持续下落,在经过第一道筛选的废水掉落至筛板上方后,启动电动推杆使得电动推杆的出轴上下位移,当电动推杆的出轴接触到筛板后会将筛板向下挤压,而电动推杆的出轴向上位移时,筛板在弹簧的作用力进行复位,如此往复使得筛板不断的上下位移,进行更加高效的二重筛分,达到高效筛选的目的。

标签:
废水处理
广东 - 深圳 来源:中冶有色网 2023-03-19
工业废水处理搅拌装置

本实用新型涉及一种工业废水处理搅拌装置,在使用本实用新型时,第一安装槽内呈倾斜状设置有丝杠,第二安装槽内设置有定向滑轨,废水处理池内设置有安装架,安装架的一端与定向滑轨滑动连接,安装架的另一端与丝杠的螺母相连接,因此,可先通过进水口将废水排入废水处理池中,随后电动搅拌桨和驱动电机启动,驱动电机带动搅拌桨搅拌废水,此时,丝杠带动安装架做往返运动,从而带动搅拌桨在废水处理池内做往返运动,在安装架做往返运动的同时还会带动搅拌桨在废水处理池不同深度的位置进行搅拌,能够让沉在水底的沉积物翻涌,而电动螺旋桨能够能够将螺旋桨搅拌不到的位置进行搅拌,本实用新型结构简单,能够将废水处理池内的多个位置快速均匀的搅拌。

标签:
废水处理
广东 - 深圳 来源:中冶有色网 2023-03-19
将工业生活废水回收循环利用的水处理设备

本实用新型将工业生活废水回收循环利用的水处理设备,其特点是:由曝气处理室、混凝反应室和过滤处理室依次连接而成,曝气处理室设置甲烷收集器、水气渣分离器和填料挂膜和曝气头;混凝反应室设置反应腔、接触室,以反应腔为中心由内往外设置中水室、剥离室;在接触室外周设置气水溶腔,在接触室底部设置溶气释放器,在气水溶腔设置气体切割器,在曝气处理室与混凝处理室依次连有水泵和U型叠管,在水泵和进水管和出水管分别连有药剂罐,在接触室与中水蓄室的连接管路上设有臭氧发生器。本实用新型采用正负压两次加药,污水沿切线方向进入混凝反应室,对有机、无机污染物分离快,停留时间短,泥渣浓,净水效果好,适用多种工业和生活废水的回收循环利用,且结构紧凑,流程顺畅,占地少,造价低,运行费用和能耗低。

标签:
废水处理
广东 - 深圳 来源:中冶有色网 2023-03-19
工业废水杂质处理一体机

本实用新型公开了一种工业废水杂质处理一体机,包括安装座和水管;所述水管水平拆卸式连接在安装座内,所述安装座上锁紧有连接杆,所述连接杆上固定连接有固定杆,所述固定杆上固定连接有水平杆,所述水平杆的一端位于水管内并固定连接有过滤网,本实用新型便于实现对工业废水杂质的过滤。

标签:
废水处理
广东 - 深圳 来源:中冶有色网 2023-03-19
具有重金属吸附回收处理机构的工业废水处理装置

本实用新型公开了一种具有重金属吸附回收处理机构的工业废水处理装置,包括主体和吸附机构,所述主体的外壁左侧设置有进料管,且进料管的一端安置有过滤箱,所述吸附机构设置于过滤箱的底部,且过滤箱的内部安置有密封圈,所述过滤箱的外壁右侧设置有连接头,且连接头的外壁另一侧活动安置有过滤机构,所述过滤机构的外壁另一侧活动设置有衔接管,且衔接管的外壁右侧安置有支撑机构。该具有重金属吸附回收处理机构的工业废水处理装置设置有主体,滑轨与活动盖之间的连接方式为焊接,使得活动盖长期在装置内使用时,滑轨依然可保持高强度连接性连接于活动盖之上,提高滑轨与活动盖之间的连接强度,防止滑轨从活动盖上断裂。

标签:
废水处理
广东 - 深圳 来源:中冶有色网 2023-03-19
三级工业废水深度处理的反渗透过滤装置

本发明公开了一种三级工业废水深度处理的反渗透过滤装置,主要包括一、二两段过滤容器;经预处理的中间水从一段过滤容器的进水口输入,其浓水输入二段过滤容器再行过滤;在一段过滤容器的浓水出口与二段过滤容器的入口之间设置有第二阀门;一段过滤容器的产水出口还通过第三阀门与二段过滤容器的进水口相通;一段过滤容器的浓水出口还可经第四阀门输出浓水,此外还可在一段过滤容器的净水输出管道中设置可控制产水流量的产水憋压阀门。本发明可使过滤容器中各过滤用的膜元件里的水在停机时是没有经过浓缩的清洁水,同时确保位于末段过滤容器中的末端膜元件的输入压力和流量,有效避免膜元件的结垢和污堵,提高装置的使用寿命。

标签:
废水处理
广东 - 深圳 来源:中冶有色网 2023-03-19
采用一体化的工业废水高效处理装置

本实用新型公开了一种采用一体化的工业废水高效处理装置,包括一号过滤箱,所述一号过滤箱的右侧设置有侧面导出箱,所述侧面导出箱的右侧设置有二号过滤箱,所述二号过滤箱的右侧设置有消毒箱,所述一号过滤箱的上端的左侧设置有进水口,所述一号过滤箱的上端的中部位置设置有一号减速电机,所述一号过滤箱的上端右侧位置设置有一号上部导出管,所述一号上部导出管内设置有一号圆形盖体,所述一号过滤箱的内部上部位置设置有一号中间板。本实用新型所述的一种采用一体化的工业废水高效处理装置,属于废水治理领域,通过设置的一号刷板和二号刷板等结构,能够减少一号圆形过滤板和二号圆形过滤板堵塞的可能性。

标签:
废水处理
广东 - 深圳 来源:中冶有色网 2023-03-19
新型工业废水一体化处理装置

本实用新型公开了一种新型工业废水一体化处理装置,其组成包括:沉砂池,沉砂池左端连接进水管,沉砂池右端连接一级过滤仓,一级过滤仓右端连接沉淀池,沉淀池右端连接厌氧池,厌氧池右端连接曝气微生物滤池,曝气微生物滤池右端通过管束连接处理罐,处理罐左端顶部通过管束连接水汽收集箱,处理罐侧面底部和水汽收集箱通过管束与二级过滤仓连接,二级过滤仓左侧连接消毒箱,消毒箱左侧连接水池,水池左侧顶部通过反洗水管分别与沉淀池和曝气微生物滤池连接,水池左侧底部连接出水管,二级过滤仓与消毒箱之间的管束上固定安装抽水泵。该装置结构简单,一体化废水处理,操作方便,废水净化能力强,减小对环境的污染。

标签:
废水处理
广东 - 深圳 来源:中冶有色网 2023-03-19
工业废水净化处理用的除渣装置

本实用新型涉及除渣装置技术领域,且公开了一种工业废水净化处理用的除渣装置,包括基座和电机,所述电机的底部与基座的顶部固定连接。该工业废水净化处理用的除渣装置,通过基座、电机、第一链轮、第二链轮、第一转轴、第三链轮、传动链条、挂钩、第一主传动轮、第一副传动轮、第一传动带、支块、第二转轴、第二副传动轮、第二主传动轮、第二传动带、主齿轮、第三抓在脑后、第四转轴、分离辊、第三幅传动轮、第三主传动轮、第三传动带、除杂钩和从齿轮之间的相互配合,达到了便于清理清污机表面滞留的固体杂质的效果,解决了自动格栅清污机在长时间使用后,其表面易滞留大量固体杂质,从而影响除渣装置正常工作的问题。

标签:
废水处理
广东 - 深圳 来源:中冶有色网 2023-03-19
工业锅炉废水净化装置

一种工业锅炉废水净化装置,包括抽水装置、第一框体、第一过滤装置、管道装置、第二框体、电缸装置及第二过滤装置,抽水装置包括抽水管、水泵、第一阀门及第一支架,第一框体上设有第一通孔、第二通孔、第一斜杆、第二斜杆,第一过滤装置包括沉淀框、第一横板、第一弹簧、第二支架、第一过滤网、第二弹簧、第三弹簧,管道装置包括第一管道、第二阀门、第一支撑杆、第三支架、第三斜杆、第四支架,第二框体上设有第五通孔、第六通孔、排出管、第三阀门,电缸装置包括电缸、第五支架、第一横杆、第一竖杆及第二横杆,第二过滤装置包括推动杆、推板、密封环、第二过滤网,本发明能够对工业锅炉废水进行有效的过滤净化,净化效果较好。

标签:
废水处理
广东 - 深圳 来源:中冶有色网 2023-03-19
工业废水用具有定量添加结构的处理剂投放装置

本实用新型涉及废水处理技术领域,且公开了一种工业废水用具有定量添加结构的处理剂投放装置,包括投放箱体和储料箱,所述投放箱体的底部固定连接有固定支架,所述投放箱体的内部设置有固定筒,所述投放箱体的内底壁固定连接有固定柱,所述固定筒的内部设置有圆柱,所述圆柱的内部固定连接有旋转轴。该工业废水用具有定量添加结构的处理剂投放装置,通过固定座、连通槽、活动槽、直角梯形块、密封垫、双向螺杆、手轮和螺纹孔之间的相互配合,从而可以通过转动手轮带动双向螺杆转动,实现对直角梯形块的位置进行调节,从而可以调节连通槽内部的大小,实现对处理剂从连通槽投放出来的数量进行调节。

标签:
废水处理
广东 - 深圳 来源:中冶有色网 2023-03-19
化学工业废水有机物处理装置

本实用新型涉及废水处理技术领域,尤其是一种化学工业废水有机物处理装置,包括过滤室,所述过滤室的右侧下方通过输水管连接第一沉淀池的左侧上方,所述第一沉淀池的右侧下方向下通过输水管连接反应室的右侧上方,所述反应室的左侧下方通过输水管连接第二沉淀池的右侧上方,所述过滤室的顶端左侧开设有进水口,所述过滤室内由上而下依次安装有粗滤网和中滤网,所述过滤室内的底部设置有砂石层,所述反应室的上方右侧开设有化学剂注入口。该装置通过设置过滤室、第一沉淀池、反应室和第二沉淀池,将化学工业废水彻底净化后再排出,避免对环境造成污染,通过在粗滤网上方设置布水管和喷头,防止粗滤网长期使用后产生堵塞,提高废水处理效率。

标签:
废水处理
广东 - 深圳 来源:中冶有色网 2023-03-19
用于纺织工业的废水处理净化系统

一种用于纺织工业的废水处理净化系统,包括底板、支架装置、气缸装置、收集装置、沉淀装置、过滤装置及回收装置,底板上设有第一支架、第二支架、第一横杆、第二横杆,支架装置包括第一支撑杆、第三横杆及第三支架,气缸装置包括气缸、第一推动杆、第二推动杆、第一固定杆,收集装置包括收集框、集中块、固定块、第一刷毛、第四支架、第一斜杆、第一管道及第一阀门,沉淀装置包括沉淀框、第二刷毛、第二固定杆、第一弹簧、第一过滤网及第五支架,过滤装置包括进料斗、过滤框、第二过滤网、滚轮、第三刷毛及第三过滤网,本发明能够对纺织工业产生的废水进行有效的净化处理,提高处理的效率。

标签:
废水处理
广东 - 深圳 来源:中冶有色网 2023-03-19
用于监测工业废水偷排溯源的监测装置及方法

本发明涉及废水偷排监测装置技术领域,特别是涉及一种用于监测工业废水偷排溯源的监测装置及方法,包括管道,管道内侧安装有废水分析装置,管道中部设有转盘,转盘后侧设有与管道固定的电机壳,电机壳内安装有电机,电机前端设有转轴,转盘外围设有与管道固定的固定环,固定环内壁上下两侧均开有凹槽,凹槽内部滑动连接有活动板,活动板与凹槽槽底之间固定有第一弹簧,活动板内端粘接有橡胶板,管道内壁底部左侧固定有固定块,固定块右侧开有插槽,本发明的有益效果在于:能够在检测出超范围的废水后及时将管道密封,避免废水继续流动增加污染范围,并且可对超范围的废水进行收集,利于对废水进行进一步检测。

标签:
废水处理
广东 - 深圳 来源:中冶有色网 2023-03-19
提高工业废水处理效率的环保设备

本发明涉及环保设备技术领域,且公开了一种提高工业废水处理效率的环保设备,包括处理池,所述处理池的底部穿插设置有封堵塞,所述处理池的内底壁固定连接有承接板,所述承接板的内部设置有挡水板,所述挡水板的侧面转动连接有连动杆,所述锥形轴的侧面啮合连接有啮合杆,所述啮合杆的侧面滑动连接有主动轮,所述主动轮的底部设置有支撑杆,所述主动轮的顶部转动连接有承接杆,所述承接杆的侧面转动连接有棘杆,所述棘杆的侧面滑动连接有卡杆,所述锥形轴的侧面滑动连接有磁球。该提高工业废水处理效率的环保设备,通过挡水板与锥形轴的配合使用,从而达到了加速污水流出处理池速率,提高污水处理效率的效果。

标签:
废水处理
广东 - 深圳 来源:中冶有色网 2023-03-19
工业废水消毒处理装置
工业废水消毒处理装置 1019     
 0

本实用新型涉及工业废水消毒技术领域,具体为一种工业废水消毒处理装置,包括消毒桶,所述消毒桶的一侧卡接有消毒盖,所述消毒盖远离消毒桶的一侧固定连接有阀门,所述阀门远离消毒盖的一侧固定连接有空气净化罩,所述消毒盖靠近空气净化罩的一侧固定连接有电动机,所述电动机靠近消毒盖的一侧固定连接有搅拌轴。本实用新型的优点在于:通过设置空气净化罩能够为排出的气体消毒,在搅拌杆、轴承、旋转杆、转轮和阻水口之间的配合设置中,极大的提高了搅拌效率,支撑底架的内部固定连接有弹簧能够有效降低消毒装置在运行的过程中的晃动,在第一紫外灯、分流板、分流口和第二紫外灯之间的配合设置中,解决了现有的废气污染空气的情况。

标签:
废水处理
广东 - 深圳 来源:中冶有色网 2023-03-19
工业废水处理用便捷除污泥设备

本实用新型公开了一种工业废水处理用便捷除污泥设备,涉及工业废水处理技术领域,本实用新型包括处理箱、支撑板、第一过滤网和第二过滤网,所述处理箱内壁固定焊接有固定板,所述固定板上表面两侧均滑动连接有支撑板,所述支撑板顶端与处理箱内壁顶端滑动连接,所述支撑板一侧开设有滑槽,本实用新型通过第一过滤网与第二过滤网的设置,通过将第一过滤网和第二过滤网重合,并且时第一限位杆与第二限位杆插接在网孔内,能大大减小网孔的孔径,有效的将污泥过滤出来,且效果较好,同时能快速的将污泥过滤出来,且能将污泥过滤出来后用于农田的施肥,避免直接排出会造成对环境的污染。

标签:
废水处理
广东 - 深圳 来源:中冶有色网 2023-03-19
工业废水污泥分解处理设备

本发明涉及一种处理设备,尤其涉及一种工业废水污泥分解处理设备。本发明提供一种快速脱水,且能够对脱水分解的污泥进行集中收集的工业废水污泥分解处理设备。本发明提供了这样一种工业废水污泥分解处理设备,包括:底座,底座顶部设置有放置板;加热管,所述放置板内设置有所述加热管;移动组件,所述底座上设置有所述移动组件;下料组件,所述放置板上设置有所述下料组件。在下料框左右移动的过程中,齿条与齿轮配合的作用下使得第一限位挡板转动将下料框底部打开,污泥随之掉落至放置板上,再通过加热管加热进而对污泥进行烤干分解有害物质。

标签:
废水处理
广东 - 深圳 来源:中冶有色网 2023-03-19
利用光伏电热能提升工业废水处理效能的设备

本申请提供了一种利用光伏电热能提升工业废水处理效能的设备,通过管式反应器包括反应器主体以及将反应器主体分隔成催化内区和热交换外区的催化剂承托层,催化剂承托层外绕设有热交换管,热交换外区的两端分别设有废水进水口,催化内区的顶部设有废水出水口;空气源热泵系统的输出端与热交换管的进水口连接,热交换管的出水口与空气源热泵系统的一输入端连接,空气源热泵系统的另一输入端与光伏发电系统的输出端连接,废水出水口与调节池连接。通过光伏结合空气源热泵为高级氧化池提供热能,提升难降解有机物的去除效率,热交换管提升废水温度,提高废水中的有毒物质降解,可针对不同水质进行最佳降解,调节工艺所需最佳温度,提升反应效率。

标签:
废水处理
广东 - 深圳 来源:中冶有色网 2023-03-19
搅拌式工业废水处理装置

本实用新型涉及废水处理技术领域,尤其为一种搅拌式工业废水处理装置,包括箱体,所述箱体左侧的顶部设置有投料结构,所述投料结构用于投入沉淀剂,所述箱体的顶部安装有第二电机,所述箱体顶部的两侧均设置有驱动结构,所述驱动结构用于进行调节操作,所述第二电机的输出轴栓接有搅拌轴;本实用新型通过箱体、投料结构、第二电机、驱动结构、搅拌轴、滑套、传动结构、连接轴、分接叶片、刮动结构、进液管和出液管的设置,解决了目前的处理装置不能对内壁的固体附着物进行刮除,导致需要大量清水冲洗,而且会影响到下一次沉淀处理效果的问题,该搅拌式工业废水处理装置,具备可以对内壁附着的沉淀物进行有效刮除的优点。

标签:
废水处理
广东 - 深圳 来源:中冶有色网 2023-03-19
工业用废水循环利用装置

本实用新型公开了一种工业用废水循环利用装置,包括处理箱,所述处理箱底端内部竖向贯穿固定安装有排水管,所述排水管中端内部贯穿横向固定安装有第一循环管,所述第一循环管顶端表面与水泵的输水口相连接,所述水泵的排水口与第二循环管底端表面固定相连接,所述第二循环管顶端表面横向贯穿固定安装在处理箱左侧顶端内部,所述处理箱内部中端表面横向固定安装有过滤板;本实用新型,通过外部控制开关打开水泵后,将流入第一循环管内部的废水通过水泵的抽力传输至第二循环管内部,再通过第二循环管将废水再次排入输水管内部铺洒至处理箱内部,进而实现对处理箱内部的废水进行循环净化处理。

标签:
废水处理
广东 - 深圳 来源:中冶有色网 2023-03-19
工业废水处理及有价金属回收的方法

本发明提供了一种工业废水处理及有价金属回收的方法,其包括以下步骤:在工业废水中加入化学混凝剂、磁粉和碳源进行混合;将混合物进行厌氧发酵后经过磁分离器进行固液分离,分离得到沉淀物和污水;在分离得到的污水中加入硝化污泥、磁粉进行混合,然后经过膜分离器进行分离得到排放水和泥水混合物;将泥水混合物经过磁分离为硝化液和磁性污泥,对硝化液进行反硝化处理后排放;将分离得到的沉淀物通过分离设备分离的下层的重液进行分离,得到絮体中加入还原剂或在还原气氛下焙烧得到焙烧料;将焙烧料进行酸化、分离,对有价金属回收。本发明的技术方案,有价金属的回收率高;具有更好的反硝化效果、除磷效果和硝化效果,且不会产生二次污染。

标签:
废水处理
广东 - 深圳 来源:中冶有色网 2023-03-19
用于工业废水处理的冷却装置

本实用新型公开了一种用于工业废水处理的冷却装置,包括冷却筒,所述冷却筒的内腔中心处固定设有换热管,所述换热管的外侧固定设有换热翅片,所述换热翅片设置为多个,且多个所述换热翅片均贯穿换热管,所述换热管的内侧弯曲处固定设有缓冲壁。本实用新型通过弹簧对冷却筒做减震处理,换热管中的废水流动时,缓冲壁为换热管的弯曲处做缓冲处理,换热翅片将废水携带的热量导出加热冷却水,冷却水升温的同时对废水做降温处理,降温完成的废水流入废水处理设备中处理,升温后的水体通过排水管传输至用水设备使用,该冷却装置有效地利用废水中携带的热量,节能环保,且具有减震缓冲处理,使用寿命长,实用性好。

标签:
废水处理
广东 - 深圳 来源:中冶有色网 2023-03-19
工业废水自动化检测设备

一种工业废水自动化检测设备,涉及环境质量检测领域,包括支架,支架上装有放电测试装置、沉淀测试装置、PH测试装置和漂浮测定装置,支架还滑动装有四个废水瓶装置,四个废水瓶装置与放电测试装置、沉淀测试装置、PH测试装置和漂浮测定装置对应,将废水注入四个废水瓶装置中进行检测,支架下还装有动力装置,动力装置同时驱动四个废水瓶装置进入检测位置,动力装置还驱动放电测试装置和PH测试装置的升降,本发明设置放电测试装置、沉淀测试装置、PH测试装置和漂浮测定装置可以同时进行四种检测,对废水进行检测更加全面高效,放电测试装置设置直角卡块和楔形块进行卡位,保证在检测瓶到达位置前不会下降。

标签:
废水处理
广东 - 深圳 来源:中冶有色网 2023-03-19
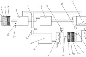
工业生产废水的微波催化氧化处理系统

本实用新型公开了一种工业生产废水的微波催化氧化处理系统。本实用新型包括预处理水池(1),用于沉淀及控制废水均匀流动;催化混合器(2),用于投加稳定剂和催化剂,使废水与药剂混合均匀;催化反应区(3),用于通过催化混合反应,完成废水中大分子物质的初级催化氧化及小分子的完全氧化;微波升级反应区(4),用于使废水发生微波加持的催化降解反应,将废水进行多重循环氧化处理,完成难降解物质的集成式处理及大分子物质的降解处理;混凝加药区(5),用于投加稳定剂、混凝剂、助凝剂并进行搅拌混凝;固液分离区(6),用于进行固液分离,将废水中大颗粒、悬浮物沉淀固液分离,并对上清液收集,废水达标排放或回用。

标签:
废水处理
广东 - 深圳 来源:中冶有色网 2023-03-19
工业废水净化用固液分离装置

本实用新型公开了一种工业废水净化用固液分离装置,包括装置主体,装置主体的内部固定连接有隔板,隔板的一侧转动连接有双向丝杆,双向丝杆的外侧螺纹连接有滑块,滑块的底部固定连接有移动板,移动板的外侧等距固定连接有第二连接杆,第二连接杆的一端固定连接有连接板,装置主体的内部且位于隔板远离双向丝杆的一侧滑动连接有压板,隔板的内部等距滑动连接有第一过滤网,隔板的外侧且位于双向丝杆的下方设有气缸,本实用新型所达到的有益效果是:能够对工业废水中的固体与污水进行分离,通过多次的分离,提升固液分离的分离程度,提高实用性,将废水中的固体进行清洁、收集,方便后续的操作。

标签:
废水处理
广东 - 深圳 来源:中冶有色网 2023-03-19
工业生产废水的微波催化氧化处理系统及方法

本发明公开了一种工业生产废水的微波催化氧化处理系统及方法。处理系统包括预处理水池(1),用于沉淀及控制废水均匀流动;催化混合器(2),用于投加稳定剂和催化剂,使废水与药剂混合均匀;催化反应区(3),用于通过催化混合反应,完成废水中大分子物质的初级催化氧化及小分子的完全氧化;微波升级反应区(4),用于使废水发生微波加持的催化降解反应,将废水进行多重循环氧化处理,完成难降解物质的集成式处理及大分子物质的降解处理;混凝加药区(5),用于投加稳定剂、混凝剂、助凝剂并进行搅拌混凝;固液分离区(6),用于进行固液分离,将废水中大颗粒、悬浮物沉淀固液分离,并对上清液收集,废水达标排放或回用。

标签:
废水处理
广东 - 深圳 来源:中冶有色网 2023-03-19
放射性工业废水处理装置

本实用新型涉及工业废水处理技术领域,特别是涉及一种放射性工业废水处理装置,包括箱体,箱体内部上端开有混合室,且混合室内部转动连接有横置的搅拌辊,箱体右侧上端并位于搅拌辊的右端设有转动电机,且箱体上端左侧贯穿固定有注水管,箱体上端右侧贯穿固定有加药管,且箱体左侧上端固定连接有酸碱检测仪,混合室下端相接有连通管,且连通管内部相接有电磁阀,箱体内部并位于混合室下端开有过滤室;通过酸碱检测仪利于检测废水当中的pH值,且使搅拌辊对废水与药品进行搅拌混合,可以加速反应时间,并通过毛刷对过滤板的过滤面进行扫刷,利于将过滤面上的重金属等杂质进行扫除,以免过滤板产生堵塞。

标签:
废水处理
广东 - 深圳 来源:中冶有色网 2023-03-19
工业废水处理用油污分离装置

本实用新型公开一种工业废水处理用油污分离装置,包括地板,所述地板顶部固定安装有油污分离罐,所述油污分离罐内开设有油污分离腔,所述油污分离罐顶部固定安装有出油管,所述出油管内开设有贯穿出油管并与油污分离腔相连通的出油槽,所述出油槽内滑动连接有漂浮板,所述出油管顶部固定安装有贯穿出油管并延伸至出油槽内的接近传感器,所述油污分离罐右侧固定连接有贯穿油污分离罐并延伸至油污分离腔内的排水管,所述排水管底部固定连接有位于油污分离腔内且数量大于两个的油水分离滤芯,所述地板顶部固定安装有位于油污分离罐右侧的废水收集箱。该工业废水处理用油污分离装置,解决操作人员难以精确地分离油层与废水的技术问题。

标签:
废水处理
广东 - 深圳 来源:中冶有色网 2023-03-19
节能环保的工业废水净化设备

本发明涉及工业废水处理技术领域,且公开了一种节能环保的工业废水净化设备,包括框架,所述框架的内部固定安装有固定板,所述固定板的内部转动连接有螺杆,所述螺杆上啮合连接有移动块。该节能环保的工业废水净化设备,通过螺杆转动,带动移动块运动,移动块配合支撑杆的作用,带动活动杆向上转动,在活动杆转动过程中,滑动块会配合导杆带动扭曲轮转动,在扭曲轮上的凸块转动到与限位块位置上时,此时滑动块与活动杆之间的下滑力大于摩擦力,从而滑动块下滑,扭曲轮重新回到原来位置上,然后随着支撑杆继续相对运动,扭曲轮不断的产生转动回落,从而实现了往复转动的现象,达到了可以不断晃动筛选板,避免其堵塞的效果。

标签:
废水处理
广东 - 深圳 来源:中冶有色网 2023-03-19
上一页 64 65 66 67 68 ... 70 下一页
共70页    到第

中冶有色为您提供最新的广东深圳有色金属废水处理技术理论与应用信息,涵盖发明专利、权利要求、说明书、技术领域、背景技术、实用新型内容及具体实施方式等有色技术内容。打造最具专业性的有色金属技术理论与应用平台!

全国热门有色金属设备推荐
展开更多 +
全国热门有色金属技术推荐
展开更多 +

 

江西省隆恩特环保设备有限公司
宣传

报名参会
更多+

报告下载

有色专家
更多+

北京科技大学
教授
武汉理工大学
外籍院士/教授
石家庄铁道大学
团委书记/副教授
重庆理工大学
教授
重庆大学
副院长/教授
赤泥综合利用研究报告2025
推广

热门技术
更多+

推荐企业
更多+

福建省金龙稀土股份有限公司
宣传

发布

在线客服

公众号

电话

顶部
咨询电话:
010-88793500-807