青岛垚鑫智能科技有限公司
宣传

位置:北方有色 >

有色技术频道 >

> 复合材料技术

分类:
全部
矿山技术
冶金技术
材料制备及加工技术
环境保护技术
分析检测技术
 
全部
功能材料技术
复合材料技术
新能源材料技术
合金材料技术
加工技术
地区:
全部
北京
天津
上海
重庆
河北
山西
辽宁
吉林
黑龙江
江苏
浙江
安徽
福建
江西
山东
河南
湖北
湖南
广东
海南
四川
贵州
云南
陕西
甘肃
青海
内蒙
广西
西藏
宁夏
新疆
其他
其他
展开
 
全部
南京
无锡
徐州
常州
苏州
南通
连云港
淮安
盐城
扬州
镇江
泰州
宿迁

江苏镇江有色金属复合材料技术理论与应用

免费发布技术信息>>
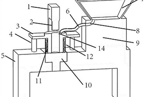
碳纤维复合材料轮对提吊

本实用新型公开了一种碳纤维复合材料轮对提吊,包括轮对提吊主体和衬套,所述轮对提吊主体的材质为碳纤维复合材料,所述轮对提吊主体的截面呈“d”型,所述衬套安装在所述轮对提吊主体第一端的安装孔内。本实用新型碳纤维复合材料轮对提吊,采用大量的单向纤维预浸料且纤维方向与轮对提吊的受力方向一致,可以充分发挥碳纤维的纵向力学性能。相对传统的金属焊接结构,由于复合材料轮对提吊主体的材质为碳纤维复合材料,能够减轻轮对提吊重量,且稳定可靠,轻质高强,耐疲劳,耐腐蚀,寿命长。

标签:
复合材料
江苏 - 镇江 来源:北方有色网 2023-03-18
开敞式橡胶软模实现薄壁工字梁结构复合材料制件的方法

本发明公开了一种开敞式橡胶软模实现薄壁工字梁结构复合材料制件的方法,通过机械制造的方法,加工一个与复合材料制件外形尺寸完全一致的金属假件,以及带有挡板的橡胶软模成型模具,在金属假件与上下模板形成的腔体内铺贴橡胶软模,之后在橡胶软模外部用真空袋真空密封,进入热压罐成型橡胶软模;橡胶软模成型后,去除真空袋,取出金属假件,填充入复合材料,再在外层用真空袋真空密封,进入热压罐成型,即获得工字梁结构复合材料制件。采用本发明的方法,可以避免复合材料制件出现厚度超差的现象,避免热滞后效应,有效保证制件的成型质量,提高生产的合格率和效率。

标签:
复合材料
江苏 - 镇江 来源:北方有色网 2023-03-18
复合材料的切割设备
复合材料的切割设备 716     
 0

一种复合材料的切割设备,包括有用于固定的待切割复合材料的底板,所述底板上方设置有光学装置,所述光学装置通过机械臂设置,所述光学装置包括有激光发射装置和反馈调节装置,所述反馈调节装置包括有CCD检测器、红外发射器以及控制所述激光发射装置的控制器,所述红外发射器发射出的红外线发射后照射在所述CCD检测器上,所述CCD检测器通过控制器与激光发生装置连接。在切割中,红外线发射器发射红外线经复合材料反射后照射在CCD检测器上,通过CCD检测器接收到红外线的时间差计算复合材料的切割深度并通过控制器控制激光发生装置工作,同时在激光在切割时使复合材料消融,减少切割过程中粉尘、噪音的产生。

标签:
复合材料
江苏 - 镇江 来源:北方有色网 2023-03-18
聚酰亚胺硅氧烷/碳纳米管纳米复合材料及其制备方法

本发明涉及一种聚酰亚胺硅氧烷/碳纳米管纳米复合材料及其制备方法。以聚酰亚胺硅氧烷为基体,经过表面改性的碳纳米管为纳米填料,通过原位共混的方法制备,所述的经过表面改性的碳纳米管为表面化学法接枝了尼龙6分子链的碳纳米管,经过表面改性的碳纳米管的质量为聚酰亚胺硅氧烷/碳纳米管纳米复合材料质量的0.1~20%。在该复合材料中,经过表面改性的碳纳米管分布均匀,复合材料强度高、韧性好,阻燃、加工性和尺寸稳定性优异。本发明中的原位共混法,将聚酰亚胺硅氧烷的制备与纳米复合材料的制备一步完成,大简化了复合材料的制备工艺,降低了复合材料的制备成本。

标签:
复合材料
江苏 - 镇江 来源:北方有色网 2023-03-18
原位混杂颗粒增强铁基复合材料及其制备方法

本发明公开了一种原位混杂颗粒增强铁基复合材料及其制备方法,通过将各组分之间充分混合,压制成型,高温烧结,最终得到由8‑10%Al2O3、2‑4%TiC、1‑2%C、0.2‑0.5%MgF2、0.04‑0.05%Cu、0.01‑0.02%Ni和Fe组成的铁基复合材料。本发明通过原位生成TiC、Al2O3混杂颗粒解决了钢铁材料与Al2O3颗粒材料的密度差较大,界面润湿性较差的问题,进一步提高了铁基复合材料的性能。本发明具有良好的力学性能和成形能力,可以广泛应用于要求高强度、高硬度的形状复杂零件上,在冶金、交通运输等领域有着广泛的应用。

标签:
复合材料
江苏 - 镇江 来源:北方有色网 2023-03-18
涂渍型镍掺杂硫化铁/碳复合材料电极的制备方法

本发明属于电化学技术领域,涉及涂渍型硫化铁/碳复合材料的制备方法,尤其涉及涂渍型镍掺杂硫化铁/碳复合材料电极的制备方法。本发明所述制备方法,先分别配制丹宁酸和硝酸铁水溶液,常温搅拌将硝酸铁水溶液滴加至丹宁酸溶液成胶质溶液;再向六水合氯化镍水溶液加入水合肼,将其滴加至胶质溶液混合均匀;将基地材料浸渍于混合体系内,取出后与硫粉在惰性气体保护下煅烧0.5~2 h,冷却后即得。本发明操作简单易行,可涂渍多种基底,反应时间短,易于工业化。本发明所制得复合材料电极具有较好的电化学性能和稳定性,原料廉价易得,无毒,可直接作为电极用于电催化分解水析氧反应,在电流密度为10 mA•cm‑2时过电位达320 mV,塔菲尔斜率为43 mV•dec‑1。

标签:
复合材料
江苏 - 镇江 来源:北方有色网 2023-03-18
颗粒增强金属基复合材料反应程度的快速检测技术

本发明涉及一种反应合成颗粒增强金属基复合材料反应程度的快速检测技术。根据具体的反应体系,分析反应物中有效元素在金属熔体中的可能存在状态即不同相的形式,根据不同相的密度和在金属基复合材料中的相对含量与体系密度之间的关系,编制出分析软件。实际检测时,采用快速成分分析方法对反应物中有效元素在金属熔体中的含量进行检测,以确定金属熔体中有效元素的收得率,并通过阿基米德法对所取成分测量试样进行密度测量。根据测出的有效元素含量和相应的密度,通过上述分析软件确定反应合成颗粒增强金属基复合材料中反应物的反应程度。本发明方法容易实现,方便快捷。

标签:
复合材料
江苏 - 镇江 来源:北方有色网 2023-03-18
具有高耐磨性的高熵合金和铝合金复合材料及制备方法

本发明提供一种具有高耐磨性的高熵合金和铝合金复合材料及制备方法,属于金属材料加工领域。在本发明中,先对高熵合金和铝合金粉末混合并制备复合粉末,然后采用热压和挤压模具制备板状的复合材料,但复合材料的力学性能仍低于单一组织的高熵合金,复合材料在受力使用过程中,最容易出现质量问题及裂纹源的位置仍然是表层,如果直接采用激光熔覆等技术制备高熵合金涂层能够强化表面性能,但由于高熵合金与铝合金的热膨胀系数及熔点等差距较大,容易出现明显的质量问题,甚至损伤基体材料,所以本技术利用同种成分的高熵合金粉末在复合材料板上压片,再利用轧机制备出表面为高熵合金内部为高熵合金和铝合金的复合的板料,最后采用激光重熔技术强化高熵合金和铝合金复合材料的表面及避免裂纹源。因此,本发明制备得到高熵合金和铝合金复合材料能够显著降低成本,并具备与单一高熵合金相接近的表面性能。

标签:
复合材料
江苏 - 镇江 来源:北方有色网 2023-03-18
复合材料的切割设备及切割方法

一种复合材料的切割设备,包括有用于固定的待切割复合材料的底板,所述底板上方设置有光学装置,所述光学装置通过机械臂设置,所述光学装置包括有激光发射装置和反馈调节装置,所述反馈调节装置包括有CCD检测器、红外发射器以及控制所述激光发射装置的控制器,所述红外发射器发射出的红外线发射后照射在所述CCD检测器上,所述CCD检测器通过控制器与激光发生装置连接。在切割中,红外线发射器发射红外线经复合材料反射后照射在CCD检测器上,通过CCD检测器接收到红外线的时间差计算复合材料的切割深度并通过控制器控制激光发生装置工作,同时在激光在切割时使复合材料消融,减少切割过程中粉尘、噪音的产生。

标签:
复合材料
江苏 - 镇江 来源:北方有色网 2023-03-18
原位合成硼碳化物颗粒增强钢基抗磨的复合材料及其制备方法

本发明公开了一种原位合成硼碳化物颗粒增强钢基抗磨的复合材料,其特征在于:其成分及质量分数由以下组成:0.6-0.7%C, 0.5-0.6%B, ?1.0-1.2%V, 1.0-1.2%Nb, 1.5-1.6%Cr, 0.7-0.8%Zr, 0.8-0.9%Na, 0.4-0.5%Mg, 2.4-2.5%Si, 1.5-?1.6%Te, Mn< 0.5%, S< 0.03%, P< 0.04%, Fe余量。本发明的原位合成硼碳化物颗粒增强钢基抗磨复合材料,(V, Nb)(B, C)强化颗粒在钢基体中分布均匀,复合材料硬度高,大于60HRC,还具有较好的韧性,大于20J/cm2,通过普通电炉熔炼,工艺简便,便于规模化制备,且不含价格昂贵的铜、钼、镍等合金元素,生产成本低廉。

标签:
复合材料
江苏 - 镇江 来源:北方有色网 2023-03-18
石墨烯/过渡金属磷化物/碳基复合材料、制备方法及锂离子电池负电极

本发明提供了一种石墨烯/过渡金属磷化物/碳复合材料、制备方法及锂离子电池负电极,所述石墨烯/过渡金属磷化物/碳复合材料中过渡金属铁、钴或镍与磷形成的化合物。在该复合材料中以石墨烯为基体,以具有良好纳米结构的过渡金属磷化物纳米颗粒为负载,构筑石墨烯/过渡金属磷化物复合材料;同时利用无定型碳对复合材料进行包覆、填充、连接等修饰,得到石墨烯/过渡金属磷化物/碳三元纳米复合材料。具有的高导电性、优异的多级结构。本发明所述的石墨烯/过渡金属磷化物/碳复合材料制备的动力锂离子电池负极时,由于将比容量较高、导电性好的过渡金属磷化物与石墨烯及碳材料结合在一起,使得其兼具高容量、高倍率、高循环稳定性的特点。

标签:
复合材料
江苏 - 镇江 来源:北方有色网 2023-03-18
双金属复合材料的制备装置和制备方法

本发明公开了一种双金属复合材料的制备装置和制备方法。本发明采用固‑液复合铸造制备双金属复合材料,在双金属复合材料铸造完成后通过压力系统对双金属复合材料进行加压并保压,有效的进一步提高了双金属复合材料的界面结合强度;采用多系统协同进行的铸造方式,使得双金属复合材料的制备更高效、更简便易操作,减少了材料制备过程中的安全隐患;采用可移动式压力模腔底座结构,与压力系统协同作用,实现了双金属复合材料快速脱模,提高了生产效率。

标签:
复合材料
江苏 - 镇江 来源:北方有色网 2023-03-18
异频复合电磁场下连续铸造颗粒增强金属基复合材料的方法

异频复合磁场下连续铸造颗粒增强金属基复合材料的方法,涉及材料加工技术领域,复合材料熔体制备过程中施加低频交变磁场:频率为5~50HZ,功率范围为5~60KW,进行电磁搅拌,使颗粒相细化并分布均匀;连续铸造过程中,结晶器区域施加低频交变磁场:频率5~50HZ,功率范围5~20KW,实施电磁搅拌改善铸坯内部质量,同时,在结晶器内金属初始凝固区域施加高频交变磁场:频率10~50KHZ,功率范围20~100KW,实现软接触以提高铸坯表面质量。该方法制备的复合材料颗粒增强相分布均匀、细化,内部组织致密无疏松、缩孔等组织缺陷,铸坯外表面光洁度高,无缺陷。

标签:
复合材料
江苏 - 镇江 来源:北方有色网 2023-03-18
提高铝基复合材料塑性变形能力的方法

本发明涉及高塑性铝基复合材料的制备技术领域,特别涉及一种提高铝基复合材料塑性变形能力的方法。本发明对铝基复合材料施加磁场,通过控制磁场类型、磁感应强度、磁场作用时间、磁场与应力场的位相关系、铝基复合材料的温度和铝基复合材料的应变速率实现铝基复合材料延伸率的大幅提高。

标签:
复合材料
江苏 - 镇江 来源:北方有色网 2023-03-18
复合材料加筋壁板型面检测智能力控系统

本实用新型公开了一种复合材料加筋壁板型面检测智能力控系统,包括检测型架、施力推杆器和检测控制柜;所述检测型架用于固定复合材料加筋壁板;所述施力推杆器安装在检测型架上,用于对待检测的复合材料加筋壁板的型面施加检测力;所述检测控制柜通过电源线及数据线与施力推杆器连接,用于控制及记录施力推杆器施加检测力。即通过检测控制柜控制施力推杆器对复合材料加筋壁板型面不同部位施加检测需要的力值,达到快速精确检测复合材料加筋壁板型面质量的目的。本实用新型检测系统及方法,大大提升了复合材料加筋壁板的检测效率,且检测结果更加精确,大幅度提升了复合材料加筋壁板的检测效率和精确性,推动了复合材料领域的快速发展。

标签:
复合材料
江苏 - 镇江 来源:北方有色网 2023-03-18
车身用原位纳米颗粒增强铝基复合材料的轧制工艺

本发明涉及有色金属加工成型方法,具体为车身用原位纳米颗粒增强铝基复合材料的轧制工艺。具体的工艺为:在轧制变形之前,先将原位ZrB2纳米颗粒增强6111铝基复合材料坯锭置于箱式电阻炉中进行均匀化处理,将处理后的坯锭切头铣面,然后再次放入电阻炉中加热,保温一段时间以后转移到已预热的轧机中进行轧制加工,对轧后的复合材料进行T4P+人工时效热处理,获得合格的车身用复合材料板材。

标签:
复合材料
江苏 - 镇江 来源:北方有色网 2023-03-18
化学还原剂还原制备氮化碳/银纳米复合材料的方法

本发明公开了一种化学还原剂还原制备氮化碳/银纳米粒子复合材料的方法。主要是采用N,N-二甲基甲酰胺(DMF)作为溶剂、还原剂,石墨相氮化碳粉末作为载体,在温和的反应条件下,银在氮化碳层上成核、长大,得到氮化碳/银纳米粒子复合材料。该制备方法工艺简单-只涉及到氧化还原反应,操作便捷-合成过程由水浴加热,成本低廉-氮化碳载体以三聚氰胺为原料合成。以本发明制备方法制得的氮化碳/银复合材料纯度高,杂质含量少;在氮化碳表层生成的银纳米颗粒粒子大小均一(10nm),分布较窄,和氮化碳结合牢固;同时可以扩大氮化碳/银纳米复合材料在催化、电化学、抗菌等领域的应用。

标签:
复合材料
江苏 - 镇江 来源:北方有色网 2023-03-18
高柔韧的PZT /纤维织物压电复合材料的制备方法

本发明属于一种新型压电复合材料及其制备技术领域,具体涉及含锆钛酸铅(Pb(Zr1-xTix)O3,0.46

标签:
复合材料
江苏 - 镇江 来源:北方有色网 2023-03-18
石墨烯增强的Ti-18Mo-xSi复合材料及其制备方法

本发明公开了一种石墨烯增强的Ti‑18Mo‑xSi复合材料及其制备方法,该复合材料由钛粉、钼粉、硅粉和纳米石墨烯(GNP)粉末复合烧结制备而成;Ti‑18Mo‑xSi+0.5GNP复合粉末的组分是以质量百分比计算,其中,钛粉、钼粉和硅粉三者组成基体混合粉末;Ti含量为(82‑x)wt.%,Mo含量为18wt.%,Si含量为x wt.%;该制备方法为:首先,将Ti粉、Mo粉、Si粉和纳米GNP粉末混合均匀后进行高能球磨,使其部分合金化,再将球磨所得的粉料过筛,干燥,然后将干燥的粉料通过模压成型制成压块,最后通过真空无压烧结,使其充分合金化。本发明提供的Ti‑18Mo‑xSi复合材料成分均匀和抗腐蚀性等均有一定程度的提高,在航空航天、军事工业、航海、汽车等领域具有广泛的应用前景。

标签:
复合材料
江苏 - 镇江 来源:北方有色网 2023-03-18
碳纤维增强环氧树脂复合材料表面金属化粗化工艺及设备

本发明公开了一种碳纤维增强环氧树脂复合材料表面金属化粗化工艺及设备,通过将热压成型的碳纤维增强环氧树脂复合材料样品进行高温热处理退火,然后依次放入碱性除油液、化学膨胀液、化学粗化液A、化学粗化液B中进行前处理;待前处理完成后,利用氯化钯对碳纤维增强环氧树脂复合材料样品进行活化处理;待活化处理完成后,对碳纤维增强环氧树脂复合材料样品依次进行碱性化学镀镍、电镀酸铜和酸性化学镀镍,完成碳纤维增强环氧树脂复合材料表面金属化粗化,以此提高金属镀层与复合材料之间的结合强度,实现工业上的应用。

标签:
复合材料
江苏 - 镇江 来源:北方有色网 2023-03-18
防腐高阻燃桥架弯通复合材料及其制备方法

本发明公开了一种防腐高阻燃桥架弯通复合材料及其制备方法,所述复合材料由聚醚多元醇1、聚醚多元醇2、聚醚多元醇3、聚醚多元醇4、聚氨酯硅油、玻璃纤维、磷酸三(1-氯-2-丙基)酯、水和异氰酸酯组成,所述复合材料的阻燃性能很高,遇火不易燃烧,从而保障了桥架的安全性;同时所述复合材料具有很高的防腐蚀性能,即使在户外环境长期使用也不会被腐蚀,从而延长了桥架的使用寿命;所述复合材料具有不易变形性,即使长期使用也不会发生变形,另外由于所述复合材料的使用原料均为环保原料,因而对周围环境环保无污染。

标签:
复合材料
江苏 - 镇江 来源:北方有色网 2023-03-18
钛镍合金颗粒增强铝基复合材料及其制备方法

本发明提供了一种钛镍合金颗粒增强铝基复合材料及其制备方法,属于金属基复合材料加工领域;在本发明中,通过采用钛镍合金作为增强相,改进挤压制备工艺,得到具有高强度和韧性的钛镍合金颗粒增强铝基复合材料;所述钛镍合金颗粒增强铝基复合材料中钛镍合金颗粒为增强相,铝合金为基体,钛镍合金颗粒分布均匀,钛镍合金颗粒与铝基体间界面结合良好;所述钛镍合金颗粒增强铝基复合材料的晶粒尺寸为30~70μm,抗拉强度为171~195 MPa,延伸率为9.8%~14.4%。

标签:
复合材料
江苏 - 镇江 来源:北方有色网 2023-03-18
具有自修复功能的环氧化天然橡胶复合材料及其制备方法

本发明提供了一种具有自修复功能的环氧化天然橡胶复合材料及其制备方法,属于复合材料技术领域。本发明中所述环氧化天然橡胶复合材料含有环氧化天然橡胶基体100份,过氧化二异丙苯1‑3份,聚氨酯1‑40份,防老剂1‑2份,紫外线吸收剂0.5‑1份,上述份数为质量份数。本发明通过先合成UPy接枝聚氨酯,然后将其与橡胶分子链发生反应制备具有自修复功能的复合材料,制备得到的复合材料可以在完全端断裂的情况下实现自修复,同时还具有很好的强度和稳定性,且制备方法简单,成本低。

标签:
复合材料
江苏 - 镇江 来源:北方有色网 2023-03-18
新型石墨烯复合材料的制备方法

一种石墨烯复合材料的制备方法,涉及一种复合材料的制备方法。本发明是要解决现有氧化锌/石墨烯复合材料应用于多巴胺检测时灵敏度低和检测限较高的技术问题。本发明的制备方法如下:一、化学气相沉积法;二、水热合成法。一种石墨烯复合材料可以作为电极材料检测多巴胺。本发明主要用于制备一种石墨烯复合材料。

标签:
复合材料
江苏 - 镇江 来源:北方有色网 2023-03-18
聚乙烯极性高分子复合材料及其制备方法

本发明公开一种聚乙烯极性高分子复合材料及其制备方法,属于高分子材料领域。其原辅材料配方组成如下,PE树脂、极性单体、引发剂、极性高聚物、抗氧剂。所述聚乙烯极性高分子复合材料的制备方法,具体包括采用失重式计量秤分区域加料方式,从双螺杆挤出机的不同区域加料口准确计量加入相应原辅材料,所有配方物料在双螺杆挤出过程中,极性单体与聚乙烯和极性高聚物之间发生化学接枝反应,同时熔融共混,得到性能稳定的聚乙烯极性高分子复合材料;所述分区域加料方式,是根据接枝反应进程加入相应配方原辅材料,可以有效发挥各原辅材料对复合材料性能的贡献和相互协同作用;本发明复合材料具体极性单体接枝率高,凝胶含量低,高强度且性能稳定。

标签:
复合材料
江苏 - 镇江 来源:北方有色网 2023-03-18
多层不同密度的非织造吸音复合材料及其制备方法

本发明涉及一种多层不同密度的非织造吸音复合材料及其制备方法,包括以下具体步骤:A.将多孔涤纶纤维开松,梳理,成网;B.将纤维网输入针刺机中进行针刺加固,圈绕,切断,制成布料,所述布料的厚度为4mm~40mm,面密度为40g/m2~500g/m 2;C.将2~6层布料层叠设置,进行热压复合,然后冷却。选择多孔涤纶为主要原料设计内外层密度不同、厚度不同,增强对噪声的全面吸收,使得材料获得了很好的吸声效果。热压的温度为100℃~120℃,以及由该方法制成的吸声针刺非织造复合材料。本发明的吸声针刺非织造复合材料经热压复合后吸声性能显著提升,且轻薄、强度高、生产成本低。

标签:
复合材料
江苏 - 镇江 来源:北方有色网 2023-03-18
用于复合材料叶片成型的装置

本实用新型公开了一种用于复合材料叶片成型的装置及其使用方法,包括支撑框架和布置在支撑框架上的模体;所述模体的型腔内部布置有气囊,所述气囊充气后的形状及尺寸与所要制作的复合材料叶片的内型腔的形状和尺寸一致;所述模体位于复合材料叶片根部的一端设有与气囊相连的气嘴;制作复合材料叶片的预浸料布置在模体内并包覆在气囊上,通过气囊吹胀成型复合材料叶片,解决泡沫碎裂及真空带残留的问题。采用本实用新型装置成型的复合材料叶片的成型质量好,且成型效率高,制造成本低廉。成型过程操作简单、方便,且易于集成,更利于批量化生产,具有非常好的实用价值。

标签:
复合材料
江苏 - 镇江 来源:北方有色网 2023-03-18
硫氮共掺杂多孔碳担载的三元过渡金属复合材料及其制备方法

本发明公开了一种硫氮共掺杂多孔碳担载的三元过渡金属复合材料,化学式为(Co,Ni,Fe)9S8/NSCSs,(Co,Ni,Fe)9S8/NSCSs为纺锤状,包含以下质量百分数的元素:N:1~2wt%,O:3~5wt%,S:3~4wt%,Fe:3~5wt%,Co:4~5wt%,Ni:6~8wt%,其余为C。本发明还公开了一种硫氮共掺杂多孔碳担载的三元过渡金属复合材料的制备方法。本发明制备的三元过渡金属复合材料由于金属‑硫键独特的电子结构、CoNiFe三元组分间的协同作用以及N和S杂原子共掺杂碳提供了高活性位点,使(Co,Ni,Fe)9S8三元金属硫化物比商业RuO2催化剂有更好的电化学性能。

标签:
复合材料
江苏 - 镇江 来源:北方有色网 2023-03-18
工型复合材料长桁制件仿形加工装置及其应用方法

本发明公开了一种工型复合材料长桁制件仿形加工装置及其应用方法,该仿形加工装置包括模体、靠模板和切割组件;所述模体与工型复合材料长桁制件的立筋贴合,用于工型复合材料长桁制件侧立安装;所述靠模板位于模体两侧,与模体配合将工型复合材料长桁制件的腹板夹在中间;所述靠模板上设有仿形槽,所述仿形槽的形状与工型复合材料长桁制件腹板的设计外型轮廓匹配,所述切割组件可沿仿形槽移动并切割工型复合材料长桁制件的腹板。使用该装置仿形切割,通过仿形槽对切割路径进行限定不会产生过切风险,保证切割精度,降低操作难度,批量加工重复性好,产品质量稳定,节省了人力,更适用于批量生产。

标签:
复合材料
江苏 - 镇江 来源:北方有色网 2023-03-18
抗冲击复合材料方舱蒙皮及其制作工艺

本发明公开了一种抗冲击复合材料方舱蒙皮,包括两侧的碳纤维织物和中间的多层玻璃纤维织物,各纤维织物内浸润有纯树脂、引发剂和促进剂的混合物,纯树脂、引发剂、促进剂的重量配比为,纯树脂:引发剂:促进剂=100:2:0.5,且纯树脂的重量为纤维织物重量的1.2倍。本发明提供一种具有抗冲击性能的复合材料方舱蒙皮及其制作工艺,采用碳纤维-玻璃纤维为主材料代替原有的单一的碳纤维增强复合材料,解决了现有方舱蒙皮抗冲击性能差的问题,同时降低了制作成本,满足应用于方舱专用蒙皮。

标签:
复合材料
江苏 - 镇江 来源:北方有色网 2023-03-18
上一页 64 65 66 67 68 ... 71 下一页
共71页    到第

北方有色为您提供最新的江苏镇江有色金属复合材料技术理论与应用信息,涵盖发明专利、权利要求、说明书、技术领域、背景技术、实用新型内容及具体实施方式等有色技术内容。打造最具专业性的有色金属技术理论与应用平台!

全国热门有色金属设备推荐
展开更多 +
全国热门有色金属技术推荐
展开更多 +

 

江西省隆恩特环保设备有限公司
宣传

报名参会
更多+

报告下载

有色专家
更多+

长春黄金研究院有限公司
总经理
中南大学
中国工程院院士
广东省科学院资源利用与稀土开发研究所
教授
江西理工大学
副校长/教授
中国矿业大学(北京)
院长/教授
赤泥综合利用研究报告2025
推广

热门技术
更多+

推荐企业
更多+

福建省金龙稀土股份有限公司
宣传

发布

在线客服

公众号

电话

顶部
咨询电话:
010-88793500-807