青岛垚鑫智能科技有限公司
宣传

位置:北方有色 >

有色技术频道 >

分类:
全部
矿山技术
冶金技术
材料制备及加工技术
环境保护技术
分析检测技术
 
全部
废水处理技术
大气治理技术
固/危废处置技术
土壤修复技术
地区:
全部
北京
天津
上海
重庆
河北
山西
辽宁
吉林
黑龙江
江苏
浙江
安徽
福建
江西
山东
河南
湖北
湖南
广东
海南
四川
贵州
云南
陕西
甘肃
青海
内蒙
广西
西藏
宁夏
新疆
其他
其他
展开
 
全部
南京
无锡
徐州
常州
苏州
南通
连云港
淮安
盐城
扬州
镇江
泰州
宿迁

江苏扬州有色金属环境保护技术理论与应用

免费发布技术信息>>
热镀锌钢带加工用废水处理装置

本实用新型属于废水处理技术领域,尤其为一种热镀锌钢带加工用废水处理装置,包括本体,所述本体上设置有用于对废水搅拌的搅拌组件,所述搅拌组件上开设有药剂进口和进水口,所述本体的内部设置有用存放废水的存放室,所述本体的一侧安装有用于存储气体的气体罐,所述存放室中设置有用于将气体更溶于水中使得悬浮颗粒漂浮在水面上的微气泡发生器,所述气体罐通过管道与微气泡发生器连接。本实用新型通过搅拌组件中的搅拌电机和搅拌杆的配合,可以对废水进行充分的搅拌,使得药剂充分于废水中的金属离子发生反应,从而提高废水处理能力,当搅拌完成后通过电子阀门将废水排放到存放室中,从而进一步处理。

标签:
废水处理
江苏 - 扬州 来源:北方有色网 2023-03-19
电镀废水处理用低压脉冲电絮凝技术装置及其絮凝方法

本发明涉及一种电镀废水处理用低压脉冲电絮凝技术装置及其絮凝方法。包括连接的一级絮凝槽和二次絮凝槽,其中一级絮凝槽具有以下结构:包括连通的上槽和下槽,其中电极设置在下槽内,下槽内设置有搅拌装置。按照以下步骤进行:1)首先将电镀废水通入一级絮凝槽,由低压脉冲电源实现放电,同时开启搅拌装置,进行一次絮凝;2)一次絮凝完毕后,电镀废水进入二级絮凝槽,进行絮凝,二级絮凝槽和一级絮凝槽之间设置防倒流装置。本发明将电极设置在下槽内,这样下槽内产生的絮凝体在搅拌装置的作用下被分割成颗粒更小的絮凝体,上下槽的结构使处于上槽内的电镀废水受到的影响较小,因而不会影响颗粒的集聚,从而达到了净化电镀废水的目的。

标签:
废水处理
江苏 - 扬州 来源:北方有色网 2023-03-19
吡虫啉废水资源化回收利用的方法

本发明提出了一种吡虫啉废水资源化回收利用的方法,所述吡虫啉废水资源化回收利用过程于塔釜中进行,包括如下步骤:S1、电渗析脱盐预处理吡虫啉废水获取吡虫啉淡盐废水;S2、两级负压蒸馏S1中所得吡虫啉淡盐废水获取含微量DMF的水以及DMF水溶液;S3、以溶剂溶解塔釜中杂质及焦油后,固液分离获取粗品咪唑烷以及溶剂母液;S4、水洗粗品咪唑烷后结晶,固液分离获取水洗水以及精制咪唑烷;S5、收取塔釜中剩余部分移出系统作集中处理。本发明通过吡虫啉工艺废水在吡虫啉后处理工艺中的循环套用,以及废水中有效成分的回收利用,实现生产成本的节约,同时解决了高COD、高氨氮、难降解废水难处理的问题,实现吡虫啉工艺废水零排放。

标签:
废水处理
江苏 - 扬州 来源:北方有色网 2023-03-19
废水调解用废碱泵
废水调解用废碱泵 1106     
 0

本实用新型公开了一种废水调解用废碱泵,涉及到废水处理领域,包括主体和减震机构,主体的一侧中部设置有输送管,输送管的中部固定连接有输送泵,输送管的一端固定连接混合腔的一侧,混合腔的内部固定连接有挡板,混合腔的另一侧固定连接有混合管,混合管的一端固定连接有中合水管,中合水管的一端固定连接有中合水泵,混合管的另一端固定连接有废水管。通过输送管和输送泵的配合设置,能够将混合完毕的废水输送出去,通过输送泵和混合腔能够将中合水和废水完全混合,从而减低废水的处理时间,且能够提高废水的处理效率,通过混合管、中合水管、中合水泵、废水管和废水泵能够将中合水和废水混合输送。

标签:
废水处理
江苏 - 扬州 来源:北方有色网 2023-03-19
养殖废水处理成套设备

养殖废水处理成套设备。属于废水处理领域,具体涉及一种养殖废水处理成套设备。提供一种处理效率高、节省能耗、可迅速有效去除废水中的有机污染物的养殖废水处理成套设备。所述反应器的一侧设有进水管、排水管和加药口,所述反应器中央设有作为正极电极板和负极电极板,所述反应器中还设有折流板,该折流板设于所述反应器的中央和两侧,其中央部分的一端与所述反应器的侧壁相连,另一端与所述反应器的侧壁之间设有间隙,从而将所述反应器隔开成相互连通的第一室和第二室。本实用新型大提高了废水中高浓度有机物的去除效率且降低了氨氮浓度,保证后续生化处理反应稳定正常,同时降低能耗,有效节约能源,降低运行成本。

标签:
废水处理
江苏 - 扬州 来源:北方有色网 2023-03-19
高浓度化工含氯废水处理工艺

本发明涉及废水处理技术领域,具体涉及一种高浓度化工含氯废水处理工艺,包括废水预处理,对废水中的大颗粒物质进行预处理;在废水中加入氧化剂以及催化剂;其中催化剂加入量与废水的质量体积比在0.05‑0.08:10g/ml;氧化剂的加入量与废水的质量体积比为0.65‑0.8:10g/ml;上述反应进行后在废水中加入氯化钠,将废水引流至紫外光解区内,在紫外光解区内设置了紫外光灯管,在紫外降解装置的顶部设置了氯气吸收装置,氯气吸收装置通过吸收装置进行吸收,经过光解后的废水进行中和,中和后排放。本发明装置具有含氯物质吸收效果好的优点。

标签:
废水处理
江苏 - 扬州 来源:北方有色网 2023-03-19
带有可拆卸过滤管的校园净水机废水循环再利用装置

本实用新型公开了一种带有可拆卸过滤管的校园净水机废水循环再利用装置,包括废水箱与过滤箱,过滤箱包括第一过滤箱和第二过滤箱,所述废水箱的顶部设有废水箱进水管,所述废水箱的一侧设有废水箱出水管,所述废水箱通过废水箱出水管与第一过滤箱连接,所述第一过滤箱的内壁一侧设有第一水位传感器,所述第一过滤箱的外表面设有控制器。该带有可拆卸过滤管的校园净水机废水循环再利用装置,第一过滤箱内设有废品收纳筐和不锈钢过滤网,有效过滤稍大型的废品,不容易造成第一过滤箱的堵塞,而且废品收纳筐为弹簧收纳筐,可以缓冲废品对收纳筐的冲击压力,清理时可以打开第一清理窗上的第一清理盖,可以取出废品收纳筐进行清理。

标签:
废水处理
江苏 - 扬州 来源:北方有色网 2023-03-19
金属表面处理用废水回收装置

本实用新型涉及废水回收技术领域,具体为一种金属表面处理用废水回收装置,包括过滤箱、废水进入通道和废水接入软管,过滤箱内部通过三个隔板分割为两个过滤区和一个净水区,两个过滤区的内部均设有多个过滤器,其中两个隔板之间和剩余隔板的底部均连接有水管;废水进入通道与过滤箱连接的内部设有一滤网,滤网的一侧设有两个磁板,滤网和两个磁板之间设有一清理板。本实用新型通过小目数的滤网和磁板对废水中差杂的铁渣进行拦挡和磁吸,推动装置移动清理板将铁渣集中在一侧,打开活动门即可将收集的铁渣清除,这样就完成对废水中差杂铁渣的清理工作,从而避免铁渣进入过滤器内,避免过滤器因这种情况减少使用寿命,降低过滤效率。

标签:
废水处理
江苏 - 扬州 来源:北方有色网 2023-03-19
磷化废水的处理方法
磷化废水的处理方法 1071     
 0

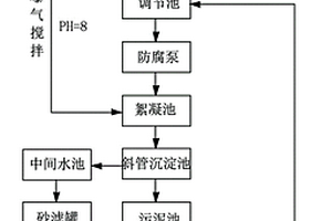
本发明公开了磷化废水处理领域内的一种磷化废水的处理方法,包括以下步骤:(1)、磷化废水送入隔油沉砂池中处理;(2)、所述隔油沉砂池中的废水通入絮凝池中处理;(3)、所述絮凝池中的废水送入沉淀池中;(4)、所述沉淀池中的液体送入砂滤罐过滤后送入清水池中;隔油沉砂池与絮凝池之间连接有调节池;所述调节池中的废水通过防腐泵送入絮凝池中;所述絮凝池中加入石灰水、PFS、PAM、PAC;所述絮凝池中的废水经过曝气搅拌处理;通过将磷化废水送入隔油沉砂池、絮凝池、沉淀池、砂滤罐中处理后送入清水池中,这样可以消除磷化废水中的各种有害物质,使得达到排放标准,不会污染环境,本发明可以用于磷化废水的处理之中。

标签:
废水处理
江苏 - 扬州 来源:北方有色网 2023-03-19
负载镁和磷酸根离子的生物碳材料及其在皮革废水脱氮中的应用

本发明涉及一种负载镁和磷酸根离子的生物碳材料及其在皮革废水脱氮中的应用,所述生物碳材料的制备方法包括如下步骤:(1)将干酵母粉与葡萄糖溶于去离子水中,于30‑35℃下培养0.5‑1.0h后,离心、去离子水洗涤得酵母菌;(2)步骤(1)得到的酵母菌中加入MgCl2溶液和H3PO4溶液,室温下,搅拌0.5h后,升温至170‑180℃,反应5‑8h后,离心、去离子水洗涤、干燥、研磨得前驱体;(3)将步骤(2)得到的前驱体置于管式炉中,在氮气保护下,以10℃/min的升温速率升至800℃煅烧4h后,恢复至室温,即得所述负载镁和磷酸根离子的生物碳材料。

标签:
废水处理
江苏 - 扬州 来源:北方有色网 2023-03-19
可循环利用的硒铁复合纳米材料及其在降解罗丹明B废水中的应用

本发明涉及一种可循环利用的硒铁复合纳米材料及其在降解罗丹明B废水中的应用,本发明的硒铁复合纳米材料,其可作为Fenton催化剂用于降解罗丹明B,该材料循环使用5次后,其催化对RhB的降解率仍大于90%。

标签:
废水处理
江苏 - 扬州 来源:北方有色网 2023-03-19
运行稳定的工业纯水处理设备

本实用新型公开了一种运行稳定的工业纯水处理设备,包括箱体,所述箱体顶部的中心处连通有进水管,所述箱体顶部的左侧固定连接有PH测试仪,所述PH测试仪的输出端贯穿至箱体的内腔。本实用新型通过设置箱体、第三水管、隔板、水泵、第二水管、电磁阀、出水管、紫外线灯、潜水泵、第一水管、漏斗、进气阀、粗滤板、PH测试仪,进水管、进液管、箱门、反渗透装置、精细过滤器、压缩活性炭过滤器、超滤膜、离子交换膜、微孔滤板、框体和活性炭球的配合使用,解决了现有的工业纯水处理设备在工作的过程中,内部设备容易堵塞,导致运行过程较为不稳定,且无法对废水进行循环过滤处理,导致处理纯水的效果不佳的问题。

标签:
废水处理
江苏 - 扬州 来源:北方有色网 2023-03-19
工业有机磷废液的综合处理与资源利用方法

本发明公开了一种工业有机磷废液的综合处理与资源利用方法,该技术包括工业有机磷废水先通过催化湿式氧化法将有机磷氧化成无机磷,然后再将该无机磷物料进行蒸发浓缩除盐,并脱除氧化产生的小分子有机物,浓缩后物料进行高温处理,并回收固体产物。通过本发明的方法,可以避免该废液直接进行高温接触氧化过程可能产生氮氧化物、二恶英、烟尘等难以处理的大气污染因子,不会产生二次污染。该废液经过处理后根据需要进行适当调配可转变为焦磷酸盐、聚磷酸盐、偏磷酸盐以及正磷酸盐等物质。从而实现磷元素的回收再利用。

标签:
废水处理
江苏 - 扬州 来源:北方有色网 2023-03-19
小城镇生活、工业污水处理方法

小城镇生活、工业污水处理方法,涉及生活、工业污水的处理方法,属于环保技术领域。将生活污水先进行预处理,再进入将生化反应、脱膜及分离一体化的三相内循环生物流化床反应器,让污水在反应器中停留一段时间进行氧化反应,得到符合排放要求的清水,本发明可以使采用的反应器的体积小,生产成本低,工艺简单,方便操作,运行费用低,可应用于小城镇生活污水处理和化工、制药、印染、酿造、油脂加工、制糖等工业废水的处理。

标签:
废水处理
江苏 - 扬州 来源:北方有色网 2023-03-19
芳香化合物硝化废水的处理方法

本发明提供一种芳香化合物硝化废水的处理方法,所述处理方法通过调酸后吸附的方式去除水中的芳香化合物,并通过加入二价金属盐的方式分离硫酸根和硝酸根,实现硝化废水中硫酸根和硝酸根的回收,不仅过程无铁泥等二次污染产生,同时降低对副产盐质量影响,处理效果稳定可靠,运行成本低,易于操作和工业化实施。

标签:
废水处理
江苏 - 扬州 来源:北方有色网 2023-03-19
制药废水处理装置
制药废水处理装置 868     
 0

本实用新型公开了一种制药废水处理装置,包括反应罐,所述反应罐上端设有进水孔,所述进水孔处设有过滤机构,所述反应罐上安装有搅拌机构,所述反应罐上固定设有加药罐,所述加药罐下端连接有排药管,所述反应罐一侧连接有连接管,所述连接管另一端连接有处理罐,所述连接管上固定设有水泵,所述处理罐上固定安装有超声波发生器,所述超声波发生器一侧连接有两超声振动棒,两所述超声振动棒固定安装在所述处理罐内,所述处理罐上固定安装有电热棒,本实用新型废水处理效果较佳,减少污染,且通过凹槽的设置,便于将卡合环取出,将过滤机构进行更换清理。

标签:
废水处理
江苏 - 扬州 来源:北方有色网 2023-03-19
含蒽醌染料废水的电化学氧化处理方法

一种含蒽醌染料废水的电化学氧化处理方法,涉及水处理技术领域。以 钛基金属氧化物电极为阳极、铜或不锈钢为阴极,采用平板或三维固定床为 电化学反应器,在电流密度为10~1500A/m2、支持电解质Na2SO4的含量为 1~20g/L、废水的温度为5~95℃的条件下进行电化学氧化处理。本发明可将 蒽醌染料在较短时间内降解,反应速率快,脱色效果好,COD下降率高。 本发明方法工艺流程简单,设备投资少,操作控制容易,便于工业化应用。

标签:
废水处理
江苏 - 扬州 来源:北方有色网 2023-03-19
臭氧双氧水高效联合催化氧化废水处理装置

本实用新型公开了一种臭氧双氧水高效联合催化氧化废水处理装置,包括缓冲罐和催化氧化反应器,进水管一与缓冲罐的顶部进水口连通,缓冲罐的前方设有提升泵,缓冲罐通过出水管一与提升泵连通,提升泵的前方通过出水管二连接有双螺旋杆高效管道混合器,双螺旋杆高效管道混合器通过进水管二与催化氧化反应器连通,催化氧化反应器的顶部设有出水口;还包括双氧水储罐,双氧水储罐通过出药管一与双氧水加药泵连通,双氧水加药泵通过出药管二与双螺旋杆高效管道混合器连通。本实用新型布局更加紧凑,处理效率高,实现了水资源处理过程中的循环利用,能高效连续化地处理工业生产有机废水,臭氧利用率高,使用和操作的安全性高,运行稳定性高。

标签:
废水处理
江苏 - 扬州 来源:北方有色网 2023-03-19
高效内循环臭氧催化氧化废水处理装置

本实用新型公开了一种高效内循环臭氧催化氧化废水处理装置,包括进水管一、缓冲罐和臭氧催化氧化反应器,进水管一与缓冲罐的顶部连接在一起,缓冲罐通过出水管一与提升泵连通,提升泵通过出水管二、进水管二与臭氧催化氧化反应器连通,臭氧催化氧化反应器的顶部设有尾气破坏装置和排气口,内部从上至下设置有出水堰板、YJ高效催化剂、滤板、高效布水器和高效布气器,出水堰板的前方设有出水口,出水口的下方内循环组件,内循环组件的出水端与高效布水器连通;高效布气器的进口与臭氧发生器连通。本实用新型布局紧凑,能高效连续化地处理工业生产有机废水,臭氧利用率高,操作使用安全性高,运行稳定性高,前期投资和运行成本低。

标签:
废水处理
江苏 - 扬州 来源:北方有色网 2023-03-19
难生物降解有机废水处理设备及工艺

本发明提供了一种难生物降解有机废水处理设备,包括依次连通设置的调节池、微电解混凝装置、生物过滤装置和MBR装置,所述微电解混凝装置包括上部的微电解反应区和下部的混凝沉淀区,微电解反应区内设置有微电解填料和加酸装置,所述混凝沉淀区内设置有斜板和加碱装置;所述生物过滤装置包括上部的厌氧过滤区和下部的好氧过滤区,所述MBR装置包括好氧池和置于好氧池内的浸没式膜分离系统。本发明装置结构简单占地面积小,易于在原有污水系统上进行升级改造,运行管理容易,建设投资成本低,难生物降解有机废水降解处理效果良好。

标签:
废水处理
江苏 - 扬州 来源:北方有色网 2023-03-19
高浓度苯酸酯类工业污水循环再利用处理方法

一种高浓度苯酸酯类工业废水循环再利用处理方法,属于环境、化学化工技术领域,采用脉冲电絮凝方法,对加入了双氧水的废水处理2~3h后,再经纳滤固液分离后,取得净化后的水体。该工艺大大降低了废水中苯酸酯类化合物物的含量以及COD值,使处理后的废水满足循环再利用的条件。

标签:
废水处理
江苏 - 扬州 来源:北方有色网 2023-03-19
轻烃废水零排放资源化利用系统

本实用新型公开了一种轻烃废水零排放资源化利用系统,包括去除盐以外杂质的前处理单元,前处理单元的出口与两效浓缩单元的入口相连,两效浓缩单元的浓缩液出口与冷冻结晶单元的入口相连;冷冻结晶单元的芒硝出口与熔硝桶的入口相连,熔硝桶的出口与硫酸钠单效蒸发结晶单元的入口相连,硫酸钠单效蒸发结晶单元的硫酸钠盐出口与硫酸钠干燥系统相连;冷冻结晶单元的冷冻母液出口与氯化钠单效蒸发结晶单元的入口相连,氯化钠单效蒸发结晶单元的氯化钠盐出口与氯化钠干燥系统相连;氯化钠单效蒸发结晶单元的母液外排口与杂盐喷雾干燥单元相连。该系统可实现废水零排放,降低环保压力,连续运行提取高品质工业盐,提高产品再利用率。

标签:
废水处理
江苏 - 扬州 来源:北方有色网 2023-03-19
皮革废水高效脱氮生产高效复合肥的方法

本发明涉及一种皮革废水高效脱氮生产高效复合肥的方法,特征在于包括如下步骤:(1)将负载镁和磷酸根离子的生物碳材料置于H3PO4溶液中浸泡12h后,过滤、洗涤、干燥后得活化材料,备用;(2)向废水中加入步骤(1)制备的活化材料,搅拌1h后,过滤,收集沉淀,干燥得产品;(3)将步骤(2)得到的产品与磷酸铵镁以质量比1:3‑1:5混合均匀,即得高效复合肥。

标签:
废水处理
江苏 - 扬州 来源:北方有色网 2023-03-19
印染废水的调节装置
印染废水的调节装置 1236     
 0

本发明涉及一种印染废水的调节装置,包括:调节罐;设置在调节罐上部的进水口,沿进水口进水方向且在调节罐内部上部设有倾斜设置的初级滤板、初级滤板下部依次设置有上环形布气管、第一调节板、多个呈环形布设的调节器、下环形布气管、中级滤板、配水板、布水板以及多个脱色处理装置。本发明采用的吸附、过滤、脱色、再次吸附及再次过滤的方式,基本上采用的物理处理方式,先经过调节器吸附大量的印染油脂和蜡质,然后在进行脱色处理,由于阳离子聚丙烯酰胺颗粒具有良好的脱色及絮凝双重效果,经过两次脱色及絮凝后,可以去除印染废水中95%以上的印染油脂和蜡质。

标签:
废水处理
江苏 - 扬州 来源:北方有色网 2023-03-19
环氧氯丙烷废水资源化利用的方法

本发明提供一种环氧氯丙烷废水的处理方法,包括汽提、反应萃取、精馏、水解精馏等工序,可有效回收废水中一氯丙二醇。本发明采用反应萃取的方法减少了过程的能耗,萃取反应过程中萃取剂以及反应剂可循环套用,实现资源化利用,增强了经济性。整个工艺流程简单,易于工业化实施,应用前景广阔。

标签:
废水处理
江苏 - 扬州 来源:北方有色网 2023-03-19
废水处理用低成本更换的加药混合装置

本实用新型属于含酚废水处理技术领域,且公开了一种废水处理用低成本更换的加药混合装置,包括罐体,所述罐体的一侧安装有出水管,且罐体相背于出水管的一侧安装有侧管,所述出水管的顶部安装有阀门,所述侧管相背于罐体的一侧安装有进水管,所述侧管的顶部安装有顶盖,所述罐体的上方安装有顶板,所述顶板的顶部固定连接有电机,且顶板顶部靠近电机的一侧位置处安装有加药斗,本实用新型通过侧管承接污水,通过过滤框内部的活性炭滤芯将污水过滤,从而去除污水中的油尘,需要更换活性炭滤芯时,拔出顶盖,即可取出活性炭滤芯和过滤框,让装置便于预先减少污水中的油尘,大大降低了油尘的去除难度,提高了油尘的去除效率。

标签:
废水处理
江苏 - 扬州 来源:北方有色网 2023-03-19
环氧氯丙烷废水的处理方法

本发明旨在提供一种环氧氯丙烷废水的处理方法,通过“过滤+膜浓缩+MVR蒸发+水解+精馏”处理方案,可以显著减少废水产生量,有效分离废水中水分和有机物,实现废水中氯代醇醚、一氯丙二醇等资源化和回收利用。与已报道技术相比,该方法具有能耗成本低,操作条件温和,易于工业化实施等优点。

标签:
废水处理
江苏 - 扬州 来源:北方有色网 2023-03-19
硫酸钠废水的处理工艺

本发明涉及一种硫酸钠废水的处理工艺,依次包括如下步骤:⑴新硫酸钠废水进入预热单元进行预热升温;⑵预热后的硫酸钠废水进入一效降膜蒸发器中进行加热蒸发浓缩,成为一效浓缩液;⑶上述一效浓缩液进入二效降膜蒸发器中进行进一步加热蒸发浓缩,成为二效浓缩液;⑷上述二效浓缩液由转料泵送入强制循环蒸发结晶器中进行加热蒸发结晶,含有硫酸钠晶体的晶浆从所述强制循环蒸发结晶器的蒸发室底部盐腿中排出;⑸从盐腿排出的含有硫酸钠晶体的晶浆进入离心机分离;⑹从离心机分离出的硫酸钠晶体由物料传送带送入流化床干燥系统进行干燥;⑺干燥后的硫酸钠晶体进入自动打包系统打包成为工业硫酸钠成品。该工艺能耗低,可实现硫酸钠的完全回收。

标签:
废水处理
江苏 - 扬州 来源:北方有色网 2023-03-19
印染废水处理装置及系统

本发明涉及一种印染废水处理装置及系统,其中,一种印染废水处理装置,包括基座,设置在基座上部的封闭箱体,在封闭箱体的上部一侧设置有进水管,以及在封闭箱体的上部和下部分别设置有上封闭区和下封闭区;吸附组件,设置在封闭箱体的内部左侧,且位于上封闭区和下封闭区之间,MBR膜组件,设置在封闭箱体的内部,位于吸附组件的右侧,且位于上封闭区和下封闭区之间;在所述下封闭区且位于吸附组件的下部设置有下曝气装置,与下曝气装置连接的气流存储区,与气流存储区的气流管连接的逆流阀,逆流阀与曝气管连接,所述曝气管设置在封闭箱体的下部,且位于下导轨的左侧以及左封闭区的右侧,本发明还提供了一种系统,配合上述的装置。

标签:
废水处理
江苏 - 扬州 来源:北方有色网 2023-03-19
环氧树脂生产废水无害化处置及资源化利用工艺

本发明涉及一种环氧树脂生产废水无害化处置及资源化利用工艺,采用气浮除油、大孔树脂与活性炭两级吸附去除有机物、蒸发结晶获取高纯度氯化钠,同时涉及有机物的脱附和树脂活性炭再生,以及蒸馏回收脱附剂等。本发明不仅对污染环境的环氧树脂生产废水进行了处理,还对废水中的有机物和氯化钠进行了回收,同时提高了氯化钠回收效率及质量。本发明能源消耗少,洗脱液通过再生可循环使用,显著降低了生产成本,同时流程简单,易于工业化,实现了经济环保双效益。

标签:
废水处理
江苏 - 扬州 来源:北方有色网 2023-03-19
上一页 34 35 36 37 38 ... 40 下一页
共40页    到第

北方有色为您提供最新的江苏扬州有色金属环境保护技术理论与应用信息,涵盖发明专利、权利要求、说明书、技术领域、背景技术、实用新型内容及具体实施方式等有色技术内容。打造最具专业性的有色金属技术理论与应用平台!

全国热门有色金属设备推荐
展开更多 +
全国热门有色金属技术推荐
展开更多 +

 

江西省隆恩特环保设备有限公司
宣传

报名参会
更多+

报告下载

有色专家
更多+

中南大学
中国工程院院士
南方科技大学
外籍院士
矿冶科技集团有限公司
所长/研究员级高工
湖南有色金属研究院
教授级高工/原总工程师
云南锡业集团(控股)有限责任公司
副总经理
赤泥综合利用研究报告2025
推广

热门技术
更多+

推荐企业
更多+

福建省金龙稀土股份有限公司
宣传

发布

在线客服

公众号

电话

顶部
咨询电话:
010-88793500-807