青岛垚鑫智能科技有限公司
宣传

位置:中冶有色 >

有色技术频道 >

分类:
全部
矿山技术
冶金技术
材料制备及加工技术
环境保护技术
分析检测技术
 
全部
废水处理技术
大气治理技术
固/危废处置技术
土壤修复技术
地区:
全部
北京
天津
上海
重庆
河北
山西
辽宁
吉林
黑龙江
江苏
浙江
安徽
福建
江西
山东
河南
湖北
湖南
广东
海南
四川
贵州
云南
陕西
甘肃
青海
内蒙
广西
西藏
宁夏
新疆
其他
其他
展开
 
全部
南宁
柳州
桂林
梧州
北海
崇左
来宾
贺州
玉林
百色
河池
钦州
防城港
贵港

广西南宁有色金属环境保护技术理论与应用

免费发布技术信息>>
草莓栽培基质及其制备方法

本发明公开了一种草莓栽培基质,包括以下体积份的原料:甘蔗渣20~30份、稻壳10~20份、草木灰5~10份、烟草1~5份、滤泥15~30份、牛粪5~15份、珍珠岩5~10份。本发明草莓栽培基质,采用甘蔗渣、稻壳、滤泥等作为基质的主要原料,该原料均为有机固体废弃物料,解决了有机固体废弃物料的处理问题、更加环保,同时降低基质的生产成本。栽培基质采用各种有机物质复配、能为植物生长提供充足的营养。同时提高草莓植株的株高和茎粗,显著促进草莓幼苗生长。本发明草莓栽培基质的制备方法,其生产周期短、工艺简单、操作方便、适宜推广应用。

标签:
固废
广西 - 南宁 来源:中冶有色网 2023-03-19
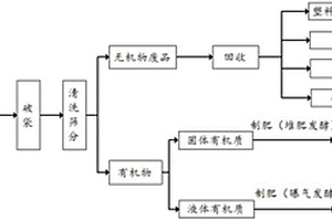
生活垃圾资源化的处理工艺及系统

本发明提供了一种生活垃圾资源化的处理工艺及系统,属于垃圾处理工艺领域,本发明处理系统包括用于浸泡垃圾并利用微生物菌发酵垃圾的除臭池;用于撕开垃圾袋的破袋机;用于对经过破袋机暴露出的垃圾进行清洗筛分,分选出无机物废品和有机质的清洗筛分装置;用于回收分选出的无机物废品中的可回收资源的回收装置;以及用于分离有机质为第一固体有机质和液体有机质,并利用微生物菌发酵第一固体有机质得到固态有机肥,利用微生物菌发酵液体有机质得到液态有机肥的制肥装置。本发明利用微生物菌对垃圾进行处理,使其无臭无害;对垃圾进行分选,充分回收其中的可回收资源,本处理工艺处理成本低,对环境的污染少,而且能够极大减少资源浪费。

标签:
固废
广西 - 南宁 来源:中冶有色网 2023-03-19
木薯渣磁性微球及其制备方法

本发明公开了一种木薯渣磁性微球及其制备方法,属于磁性微球的技术领域。本发明利用固体废弃物木薯渣为原料,采用机械活化等手段进行预处理,以液体石蜡为油相,丙烯酸,丙烯酰胺和甲基丙烯酸甲酯三种单体和交联剂N,N’?亚甲基双丙烯酰胺水溶液混合物为水相,以过硫酸铵和亚硫酸钠为复合引发剂,采用反相乳液交联法制备了木薯渣磁性微球。此法操作简单,工艺可控,能耗低且油相可回收。制备出的微球成球性和分散性好,尺寸均一,比表面积大。

标签:
固废
广西 - 南宁 来源:中冶有色网 2023-03-19
番茄栽培基质及其制备方法

本发明公开了一种番茄栽培基质,包括以下体积份的原料:桑树屑40~60份、滤泥15~30份、腐殖酸5~10份、农家肥5~15份、珍珠岩5~10份。本发明番茄栽培基质,采用桑树屑、滤泥等作为基质的主要原料,该原料均为有机固体废弃物料,解决了有机固体废弃物料的处理问题、更加环保,同时降低基质的生产成本。栽培基质采用各种有机物质复配、能为植物生长提供充足的营养。同时提高番茄植株的株高和茎粗,显著促进番茄幼苗生长。本发明番茄栽培基质的制备方法,其生产周期短、工艺简单、操作方便、适宜推广应用。

标签:
固废
广西 - 南宁 来源:中冶有色网 2023-03-19
还原型NiMo双功能催化剂的制备方法及其用途

本发明公开了一种还原型NiMo双功能催化剂的制备方法,包括以下步骤:(1)将载体进行干燥,然后煅烧、压片、造粒,得到载体颗粒;(2)将硝酸镍溶液和钼酸铵溶液混合得到金属盐溶液,将载体颗粒加入到金属盐溶液中得到悬浮液样品;其中,金属活性组分中Ni:Mo的摩尔比为1‑10:1‑5,NiO和MoO3的质量为载体和金属氧化物总质量的10‑50%;(3)将悬浮液样品在室温条件下于摇床上浸渍反应一段时间,取出后在一定温度条件下将水分蒸干得到固体样品;(4)将固体样品置于反应器中,在250‑600℃氢气氛围中还原1‑10h,得到还原型NiMo双功能催化剂。本发明的制备方法,制备得到的催化剂活性高。用于硬脂酸和废油脂的催化加氢反应,能有效提高硬脂酸和废油脂的转化率。

标签:
固废
广西 - 南宁 来源:中冶有色网 2023-03-19
新型隔热保温烧结砌块及其制备方法

本发明公开了一种新型隔热保温烧结砌块及其制备方法,该配方包括以下重量份的原料:煤渣80-100份、赤泥30-50份、珍珠岩20-30份、纳米二氧化硅4-6份、松香树脂3-5份和聚丙烯酰胺5-8份。本发明不仅实现固体废弃物的综合利用,减少环境污染问题,制备的烧结砌块还具有优异的产品性能,其中抗压强度为18-22MPa、吸水率为10-12%、密度为870-930kg/m3和导热系数为0.058-0.064W/(m·k)。本发明的烧结砌块具有强度高、吸水率低、密度较低、保温、隔热、防火效果好、原料来源广泛、成本低、制备工艺简单、耗能低等优点,具有很好的市场前景。

标签:
固废
广西 - 南宁 来源:中冶有色网 2023-03-19
利用锰矿渣制成的烧结砖及其制备方法

本发明公开了一种利用锰矿渣制成的烧结砖及其制备方法,包括以下重量份的原料:锰矿渣100-150份、造纸污泥60-80份、可再分散乳胶粉5-10份、松香树脂4-6份和氧化硼5-8份。本发明烧结砖是以锰矿渣及造纸污泥为主要原料,为固体废弃物的综合利用提供了有效的途径,减少环境污染,保护粘土资源,利于人类可持续发展,而且有较高的经济价值。本发明的烧结砖还具有强度高、吸水率低、密度较低、保温、隔热效果好、原料来源广泛、成本低、制备工艺简单、耗能低等优点,具有很好的市场前景。

标签:
固废
广西 - 南宁 来源:中冶有色网 2023-03-19
智慧环保大数据服务集成管理系统

本发明公开了一种智慧环保大数据服务集成管理系统,由基于大数据建设的四个子系统组合而成,四个子系统包括:水资源综合管理子系统、大气复合污染综合管理子系统、固体废物监管子系统、噪声污染监管子系统;所述四个子系统基于大数据建设平台形成相互独立设置且自动控制运行的智慧环保大数据服务集成管理系统,所述大数据建设平台由感知层、传输层、智慧层和服务层组成。本发明的管理系统实现对污染源和大环境的精细化管理,对企业进行污染排放管控监督和环保行为信用评价,满足公众的环境状况知情权、监督权、参与权,提升环境数据在公众服务领域的应用和共享价值。实现对水污染、大气污染源、固体废弃物、噪声污染方面进行全面监控。

标签:
固废
广西 - 南宁 来源:中冶有色网 2023-03-19
一步法生产蔗糖脂肪酸酯及其用途

本发明是一种以蔗糖为原料一步法生产蔗糖脂肪酸酯的方法,它是将蔗糖、植物油、催化剂投入反应釜中,搅拌,直接进行固液反应,即可出料,包装,得到蔗糖脂肪酸酯固体产品,其生产过程不需要N,N-二甲基甲酰胺、丙二醇、多元醇等极性溶剂作为反应原料、生产工艺简单、成本低、对蔗糖生产中的消泡过程容易控制,除了能应用于制糖工业上的煮糖过程作为消泡添加剂加入外,也可作为造纸行业和废水净化治污的消泡剂。

标签:
固废
广西 - 南宁 来源:中冶有色网 2023-03-19
哈密瓜栽培基质及其制备方法

本发明提供一种哈密瓜栽培基质,包括以下体积百分比的原料:树皮40%~60%,滤泥10%~30%,炭灰10%~30%,木糠10%~30%。本发明先用木糠和滤泥混合并加入好氧发酵菌发酵一段时间,再与树皮混合发酵,加入树皮之后有利于滤泥和木糠的更好的发酵,最后与炭灰混合得到哈密瓜栽培基质,用本发明的哈密瓜栽培基质培育的种苗成活率高、长势好;利用的树皮和木糠是生产加工产生的有机固体废弃物,不仅解决了有机固体废弃物料的处理问题,还更加环保,同时降低了生产成本;哈密瓜栽培基质制备工艺简单、操作方便、适宜推广应用。

标签:
固废
广西 - 南宁 来源:中冶有色网 2023-03-19
反应-精馏耦合连续制备乙酸系列酯的方法

本发明公开了一种乙酸系列酯的制备方法,以冰醋酸和碳五以下醇(乙醇、丙醇、异丙醇、丁醇,异丁醇、戊醇、异戊醇)为原料,采用改性强酸性苯乙烯系阳离子交换树脂为催化剂,通过反应-精馏耦合,连续制备得到本发明的目标产物乙酸乙酯、乙酸丙酯、乙酸异丙酯、乙酸丁酯、乙酸异丁酯、乙酸戊酯、乙酸异戊酯。冰醋酸和碳五以下醇在流化床反应器中经固体酸催化进行酯化反应后,反应产物乙酸乙酯(乙酸丙酯、乙酸异丙酯、乙酸丁酯、乙酸异丁酯、乙酸戊酯、乙酸异戊酯)和水与循环釜液从精馏塔中部进入精馏塔,经分离在塔顶得到乙酸乙酯(乙酸丙酯、乙酸异丙酯、乙酸丁酯、乙酸异丁酯、乙酸戊酯、乙酸异戊酯)。用本发明制备方法,碳五以下醇转化率大于96%,乙酸乙酯(乙酸丙酯、乙酸异丙酯、乙酸丁酯、乙酸异丁酯、乙酸戊酯、乙酸异戊酯)的收率达95%以上。本发明与现有酯化技术相比较,反应选择性高、副反应极少、原料单耗低和成品质量高、反应速度快、醇转化率高、产品收率高、工艺流程短、操作简便、能耗低和三废少。

标签:
固废
广西 - 南宁 来源:中冶有色网 2023-03-19
生物有机肥及其制备方法

本发明属于生物肥料开发技术领域,具体涉及的是一种生物有机肥及其制备方法。一种生物有机肥,包括以下重量份的原料:腐熟猪粪40-60份、菇渣10-100份、酒糟10-30份、木薯渣10-30份、花生壳10-30份、甲克素10-50份、苏云金芽孢杆菌0.5-1.0份、酵素菌3-5份和保水剂10-50份。本发明的生物有机肥利用的腐熟猪粪和花生壳是生产加工产生的有机固体废弃物,不仅解决了有机固体废弃物料的处理问题,还更加环保,同时降低了生产成本;本发明的生物有机肥制备工艺简单、操作方便、适宜推广应用。

标签:
固废
广西 - 南宁 来源:中冶有色网 2023-03-19
水稻育苗基质及其制备方法

本发明属于农业育苗栽培技术领域,具体涉及的是一种水稻育苗基质及其制备方法。一种水稻育苗基质,按重量份比包括以下原料:酒糟沼渣40-60份、菌糠10-30份、蔗渣10-30份、有机肥5-15份、滤泥10-20份、保水剂1-5份和蛭石1-5份。本发明的水稻育苗基质培育的水稻成活率高、长势好;利用了生产加工产生的有机固体废弃物如酒糟沼渣、菌糠和蔗渣,不仅可以解决有机固体废弃物料的处理问题,还更加环保,同时降低了生产成本;本发明的水稻育苗基质的制备方法简单、操作方便、适宜推广应用。

标签:
固废
广西 - 南宁 来源:中冶有色网 2023-03-19
西瓜栽培基质及其制备方法

本发明属于农业育苗栽培技术领域,具体涉及的是一种西瓜栽培基质及其制备方法。一种西瓜栽培基质,包括以下重量份的原料:玉米秸秆40-60份、香菇菌渣10-100份、滤泥10-30份、木薯渣10-30份和花生壳10-30份。本发明的西瓜栽培基质培育的种苗成活率高、长势好;利用的玉米秸秆和花生壳是生产加工产生的有机固体废弃物,不仅解决了有机固体废弃物料的处理问题,还更加环保,同时降低了生产成本;本发明的西瓜栽培基质制备工艺简单、操作方便、适宜推广应用。

标签:
固废
广西 - 南宁 来源:中冶有色网 2023-03-19
黄瓜育苗基质及其制备方法

本发明属于农业育苗栽培技术领域,具体涉及的是一种黄瓜育苗基质及其制备方法。一种黄瓜育苗基质,按重量份比包括以下原料:木薯渣40-60份、菌糠10-30份、蔗渣10-30份、有机肥5-15份、滤泥10-20份、保水剂1-5份和蛭石1-5份。本发明的黄瓜育苗基质培育的黄瓜成活率高、长势好;利用了生产加工产生的有机固体废弃物如木薯渣、菌糠和蔗渣,不仅可以解决有机固体废弃物料的处理问题,还更加环保,同时降低了生产成本;本发明的黄瓜育苗基质的制备方法简单、操作方便、适宜推广应用。

标签:
固废
广西 - 南宁 来源:中冶有色网 2023-03-19
低产竹林原位轻简化改造方法

本发明公开了一种低产竹林原位轻简化改造方法,通过在竹子根部原位栽培竹荪,栽培过程中将竹林中的老竹蔸、干枯竹叶竹枝、修枝废弃物原料充分利用,使其腐烂分解成为有机肥还于竹林。该法成本低廉、轻便简单,充分利用低产竹林的废弃物改善其生长环境,实现了变废为宝,同时,提高其经济效益、生态效益和社会效益。应用本发明来改造广西田林八渡笋,既可收获竹荪,净化环境,实现固体废弃物的资源化利用,又可提高八渡笋的产量和品质,产品达到绿色有机,从而壮大八渡笋产业,延长产业链。总之,本发明的低产竹林原位轻简化改造方法具有应用范围广、投资省、用工少、管理方便、成本低、效益好等优点,是低产竹林产区改造行之有效的方法。

标签:
固废
广西 - 南宁 来源:中冶有色网 2023-03-19
新的低浓度黑液碱回收方法

本发明公开了一种新的低浓度黑液碱回收方法,该方法包括制备消石灰、一次碱化沉淀、分离木素钙、二次碱化沉淀、分离混合固体和再生碱液、再生石灰和循环利用7个步骤。本发明实现了从低浓度黑液中同时回收氢氧化钠和木素钙,并实现氢氧化钠和生石灰再生和循环利用,减小了购买氢氧化钠和生石灰的成本负担;此外,本发明能够实现废水的循环利用,减少了废水排放而造成环境污染。与传统碱回收方法相比,本发明具有以下优点:(1)能够从黑液中同时回收氢氧化钠和木素钙;(2)减少大量的蒸发能耗;(3)能够实现废水的循环利用,减少了废水排放而造成环境污染。本发明有效地解决制浆黑液的绿色转化和循环利用问题。

标签:
固废
广西 - 南宁 来源:中冶有色网 2023-03-19
可在水环境降解的高韧性薄膜及其制备方法与应用

本发明属于可降解薄膜技术领域,具体是一种可在水环境降解的高韧性薄膜及其制备方法与应用。首先,本发明公开了一种可在水环境降解的高韧性薄膜,包含如下质量百分比的成分:40%≤PLA≤55%;20%≤PVA≤40%;5%≤PEG≤15%;0%<人造岗石废渣≤30%。其次,本发明公开所述具有可在水环境降解的高韧性薄膜的制备方法,包括如下步骤:(1)按比例取PLA、PVA、PEG和人造岗石废渣,加入二甲基亚砜作为溶剂,加热并搅拌均匀;(2)将溶液静置脱泡;(3)将溶液倒在玻璃板上,用刮膜器刮平,干燥后得到薄膜材料。本发明利用人造岗石废渣作为无机填料,改善薄膜的拉伸强度,提高了薄膜的水降解性能,还使固体废料得到了有效的回收利用。

标签:
固废
广西 - 南宁 来源:中冶有色网 2023-03-19
大修渣湿法浸出液中盐提纯回收工艺

本发明公开了一种大修渣湿法浸出液中盐提纯回收工艺,具体涉及固体危险废弃物处理技术领域,包括步骤:(1)沉氟;(2)浸出液中和、回收铝成分;(3)制备聚合铝;(4)深度除氟及去除悬浮物;(5)吸附除钙;(6)回收钠盐。本发明通过对浸出液沉氟,得到的沉氟后液加入无机酸中和及pH调节,固液分离得到氢氧化铝胶体和除铝后液,得到的氢氧化铝用于制备聚合铝,通过回收铝制备聚合铝作为混凝剂进行深度除氟,实现以废治废,回收钠盐的纯度也得到进一步提升,使浸出液中的无机盐类得到资源化回收;处理后的浸出液可返回大修渣湿法浸出工艺循环利用,实现了浸出液废水的零排放,符合节能减排的环保政策。

标签:
固废
广西 - 南宁 来源:中冶有色网 2023-03-19
排污管及其制备方法
排污管及其制备方法 1096     
 0

本发明公开了一种排污管,所述排污管由以下重量份材料制成:废弃橡胶500‑1000份、橡胶油300‑800份、酚醛树脂30‑80份、有机硅树脂20‑50份、碳纳米管10‑20份、有机溶剂200‑600份、二甲基硅油30‑40份、硬脂酸钙5‑10份、纳米氧化锌10‑20份、丙烯酸酯类共聚物100‑200份、铁粉2‑8份;本发明采用废弃橡胶来制备排污管,废弃橡胶通过添加铁粉还原再生橡胶,铁粉再通过有机反应形成稳定的络合物,耐腐蚀,能提高橡胶的耐磨性和表面光滑度,减少摩擦力,有利于排污管中固体废物的排除。

标签:
固废
广西 - 南宁 来源:中冶有色网 2023-03-19
生物质资源化利用氧化铝赤泥处理装置及处理方法

本发明涉及废弃物资源化利用技术领域,具体涉及一种生物质资源化利用氧化铝赤泥处理装置及处理方法;包括以下步骤:(1)对赤泥制浆进行磁选和浮选,选出其中的独居石和锆石;(2)调控赤泥碱性:将赤泥与秸秆置于氧化气氛中进行热解反应;(3)利用粉碎设备将厨余垃圾、农林废弃物进行破碎,得到粉碎的生物质废弃物;(4)将粉碎的生物质废弃物、水和经过热解反应后的赤泥按比例送入高压反应釜中,并对高压反应釜进行升温到一定的温度,保温一定时间,再进行固液分离;(5)、将分离所得固体部分进行焙烧获得生物质活性炭;本发明实现了厨余垃圾、农林废弃物和已经去除放射性物质的赤泥等协同处理和资源化利用,减少了化学物质的使用,节能成本,且环境友好。

标签:
固废
广西 - 南宁 来源:中冶有色网 2023-03-19
车载集成脱水系统
车载集成脱水系统 909     
 0

本发明有关于一种车载集成脱水系统,包括承载车辆、脱水设备和辅助配套设备。该脱水设备和辅助配套设备安装于承载车辆上并随承载车辆灵活移动。该脱水设备在承载车辆上实施物料压滤脱水工作。本发明的有益效果是:集成系统功能齐全、适应性广,不仅可以灵活地移动,对分散的工农业废渣实现就地脱水减量化处理,成倍降低了废渣的运输成本,一套设备能够兼顾多处废渣排放源头地的废渣处理与收集利用,能够对处于流体、半流体、固体状废渣进行脱水处理,不依赖外部环境条件,在各种作业环境中均能正常生产作业;能够把各种分散的资源充分地收集,为后续的工业化、规模化、资源化利用创造了条件,有利于促进社会环保和提高资源利用率。

标签:
固废
广西 - 南宁 来源:中冶有色网 2023-03-19
鞋油的加工工艺
鞋油的加工工艺 1078     
 0

本发明公开了一种鞋油的加工工艺,包括:步骤(1)将黑色染料调制成黑色液体,黑色染料的制备过程为:将从银杏叶中提取银杏酮,将提取之后的废料除去水分,制成干废料,再向干废料中加水搅拌,搅拌均匀后再加热至膏状,得到膏状废料,向膏状废料中加入酸调制成黑色液体;步骤(2)将固体石蜡和蜂蜡混合加入至黑色液体中,得到胶状液体;步骤(3)向胶状液体中加入硬脂酸和硅油,制成粘稠状混合液体;步骤(4)将天然纤维置于水中,进行超声处理,在超声处理的同时还进行加热,干燥,将处理后的纤维加入甘油中,再超声处理,之后将处理后的纤维和甘油的混合物加入至混合液体中。本发明所制备得到的鞋油对皮鞋的洁净效果好。

标签:
固废
广西 - 南宁 来源:中冶有色网 2023-03-19
用污泥烧制轻质微孔砖系统

本实用新型提供了一种节能环保的用污泥烧制轻质微孔砖系统,包括生活污泥池和铝厂污泥池,所述生活污泥池和铝厂污泥池分别依次连接浓缩装置、脱水装置和干燥装置,两个所述干燥装置连接混合装置,所述混合装置依次连接压制成型装置、烧结装置和冷却装置;所述混合装置还连接有城市固体废弃物加入器。本实用新型的用污泥烧制轻质微孔砖系统,综合利用了铝型材厂、生活污水厂、垃圾固体等废料,减少了有害污染物的排放,变废料为资源。采用本实用新型烧制的轻质微孔砖耐火高铝砖综合性能优良。

标签:
固废
广西 - 南宁 来源:中冶有色网 2023-03-19
三相内循环流化床光催化反应处理污水的方法

本发明公开了一种三相内循环流化床光催化反应处理污水的方法,采用本发明人设计的三相内循环光催化反应器,将处理污水和用量1.0-1.7g/L催化剂加入反应器混合,加气速度为0.4-0.6L/min从导流管中上升,在导流罩的作用下,催化剂负载的污染物在反应区内得到高效降解,经过内循环进入导流罩外部后实现内循环流动,污水反应停留时间为1-3h,与进水管进入的废水在曝气扰动的作用下重新混合,进行下一周期的反应,处理液缓慢上升经锥形斜板固体物下沉落到反应器的底部沉积,处理后清水在反应器上段设置的出水管排出,气体经反应器顶部的出气管排出,反应器有效实现连续固体物、催化剂、气体和出水的三相分离,污染物去除率接近100%,实现反应与分离一体化。

标签:
固废
广西 - 南宁 来源:中冶有色网 2023-03-19
厨余垃圾综合处理方法
厨余垃圾综合处理方法 1178     
 0

本发明公开了一种厨余垃圾综合处理方法。该方法的步骤包括:1)垃圾分拣;2)破碎脱水;3)微波破壁;4)二级脱水;5)水分调节;6)好氧发酵;7)压榨液厌氧发酵;8)AO污水处理。引入微波破壁技术对厨余垃圾进行破壁,然后再进行二级压榨,提高脱水率;以压榨液厌氧发酵产生的沼气作为固体渣水分去除的热源,烘干多余水分,节省固体废物处理成本;将压榨液厌氧反应产生的沼渣和污水处理系统产生的剩余污泥与厨余垃圾脱水后的固体渣一起协同处理,固体废物处置彻底;以压榨液作为沼液处理的碳源,节省污水处理成本。本发明处理厨余垃圾工艺设计合理,固体处理系统和液体处理系统资源能协同配置,无需外加辅料,运行成本低。

标签:
固废
广西 - 南宁 来源:中冶有色网 2023-03-19
Fe-Cu@坭兴陶复合光-Fenton催化剂及其制备方法和应用

本发明公开一种Fe‑Cu@坭兴陶复合光‑Fenton催化剂及其制备方法和应用,属于废水处理技术领域。其制备方法包括以下步骤:(1)将取粉碎后的坭兴陶于水中搅拌分散,加入Cu(NO3)2·3H2O和Fe(NO3)3·9H2O,继续搅拌,然后加入柠檬酸和乙酸铜,得到均匀悬浮液;(2)将所得均匀悬浮液于恒温水浴下剧烈搅拌,形成粘性凝胶,然后干燥成固体;(3)将所得固体研磨成粉末后,在惰性气体保护下高温煅烧,得到Fe‑Cu@坭兴陶复合光‑Fenton催化剂。该催化剂具有很好的催化活性,pH适用范围宽,在光的刺激下,与H2O2生产的废水形成光‑Fenton反应体系,进而去除H2O2生产废水的COD。本发明的制备方法为柠檬酸燃烧法,工艺简单、操作方便、条件温和、原料易得且生产成本低,具有很好的实际应用价值。

标签:
固废
广西 - 南宁 来源:中冶有色网 2023-03-19
自动排放式运输装置
自动排放式运输装置 1081     
 0

本实用新型公开了一种自动排放式运输装置,涉及技术领域,解决了的问题,其技术方案要点是:其包括支架、运输轨道、用于接收固体废物的收集桶以及驱动组件,所述运输轨道安装在所述支架上,所述收集桶可活动连接在运输轨道上;所述驱动组件能够驱动所述收集桶在运输轨道上移动;所述收集桶底部与运输轨道之间设有自动排放组件,用以打开收集桶底部排出桶内垃圾。本实用新型利用运输机构进行运输固体废物至固体废物的存放点,实现自动化收集的目的,具有降低工作人员的劳动强度、安全性好的优点。

标签:
固废
广西 - 南宁 来源:中冶有色网 2023-03-19
自清洗刮板排渣过滤器
自清洗刮板排渣过滤器 1211     
 0

一种用于甘蔗糖厂蔗汁除渣的自清洗刮板排渣过滤器,由空气进口管、清扫筛网喷射器、楔形筛网、蔗汁分布器、蔗汁进口管、盖板、刮板除渣器、固体废渣排出口、壳体、蔗汁出口管组成,其特征是:壳体内装有长方形的楔形筛网;在楔形筛网的一端装设蔗汁分布器,它与蔗汁进口管连接;在楔形筛网的表面装有刮板除渣器,固体废渣从楔形筛网另一端的固体废渣排出口排出;在楔形筛网的底面装有清扫筛网喷射器,它与空气进口管连接;在壳体上方装设盖板,可拆卸;在壳体下方装有蔗汁出口管,与下方的蔗汁罐连接。它具有过滤效果好、能耗低,噪声小、易于自清洗和自动排渣、结构简单、工作可靠等优点。

标签:
固废
广西 - 南宁 来源:中冶有色网 2023-03-19
全组分钢渣混凝土桩及其处理软基施工工艺

本发明提供一种全组分钢渣混凝土桩及其处理软基施工工艺,属于建筑材料软基处理施工技术领域,以水泥、粗钢渣、细钢渣、钢渣粉为原料,按比例拌合后加入水,坍落度控制在50~80mm;施工时铺设工作垫层,测量放样,桩基就位,振动沉管至设计设计深度,成孔检查,管内投料,振动拔管,封顶,基槽开挖,清土和截桩,铺设褥垫层。本发明提供了一种全组分钢渣混凝土桩及其处理软基施工工艺,用钢渣混凝土桩处理软基可提高软土地基承载力,改变其变形性质,且本发明采用的冶金工业固体废弃物钢渣代替碎石、砂、粉煤灰,在一定程度上缓解了优质道路材料的开采和消耗,利用固体废弃物,提高固体废弃物的整体利用率,保护环境,降低工程造价。

标签:
固废
广西 - 南宁 来源:中冶有色网 2023-03-19
上一页 10 11 12 13 14 ... 35 下一页
共35页    到第

中冶有色为您提供最新的广西南宁有色金属环境保护技术理论与应用信息,涵盖发明专利、权利要求、说明书、技术领域、背景技术、实用新型内容及具体实施方式等有色技术内容。打造最具专业性的有色金属技术理论与应用平台!

全国热门有色金属设备推荐
展开更多 +
全国热门有色金属技术推荐
展开更多 +

 

江西省隆恩特环保设备有限公司
宣传

报名参会
更多+

报告下载

有色专家
更多+

北方民族大学
院长/教授
武汉理工大学
副主任/研究员
中南大学
中国工程院院士
有研资源环境技术研究院(北京)有限公司
副总经理/教授级高工
北京工业大学、中国工程院
中国工程院 院士
赤泥综合利用研究报告2025
推广

热门技术
更多+

推荐企业
更多+

福建省金龙稀土股份有限公司
宣传

发布

在线客服

公众号

电话

顶部
咨询电话:
010-88793500-807