青岛垚鑫智能科技有限公司
宣传

位置:北方有色 >

有色技术频道 >

> 复合材料技术

分类:
全部
矿山技术
冶金技术
材料制备及加工技术
环境保护技术
分析检测技术
 
全部
功能材料技术
复合材料技术
新能源材料技术
合金材料技术
加工技术
地区:
全部
北京
天津
上海
重庆
河北
山西
辽宁
吉林
黑龙江
江苏
浙江
安徽
福建
江西
山东
河南
湖北
湖南
广东
海南
四川
贵州
云南
陕西
甘肃
青海
内蒙
广西
西藏
宁夏
新疆
其他
其他
展开
 
全部
广州
韶关
深圳
珠海
汕头
佛山
江门
湛江
茂名
肇庆
惠州
梅州
汕尾
河源
阳江
清远
东莞
中山
潮州
揭阳
云浮

广东东莞有色金属复合材料技术理论与应用

免费发布技术信息>>
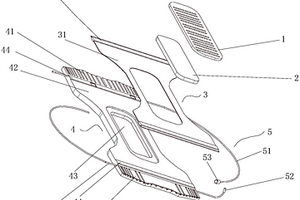
碳纤维自行车轮圈
碳纤维自行车轮圈 1213     
 0

本实用新型公开了一种碳纤维自行车轮圈,包括轮圈主体和摩擦层,所述轮圈主体由碳纤维材料制成,所述轮圈主体的内侧壁设置有钢骨架层,在钢骨架层的内侧连接有多根车轮辐条,且多根车轮辐条的内侧端由一个固定座固定在一起,所述轮圈主体的外侧安装有摩擦层,该摩擦层由二氨基二苯甲烷耐高温环氧树脂和碳化硅粉末组成的复合材料所制,在摩擦层的外侧套接有车轮胎,且车轮胎的外表面覆有一层胎毛表层,在胎毛表层的表面设置有刻纹,本实用新型的摩擦层采用二氨基二苯甲烷耐高温环氧树脂和碳化硅粉末复合材料所制,导热性能良好,避免局部热量过高导致轮圈寿命减少,在轮圈主体内部设置有钢骨架层,增强轮圈主体的结构稳定性。

标签:
复合材料
广东 - 东莞 来源:北方有色网 2023-03-18
户外地板
户外地板 845     
 0

一种户外地板,其包括由木塑复合材料制成的基材,该基材沿其纵长方向上具有第一表板与第二表板,且该第一表板与第二表板之间的凹凸间距为4mm,而沿该基材横向方向的两相对侧壁上设有连接的凹槽。由于本实用新型是以木塑复合材料作为地板的基材,且在基材两端设置有用于固定的凹槽,从而外观美观,稳定性好,吸水回弹小,可以回收利用,适合在一般的室内环境中使用,同时也可以在户外或室内潮湿的环境中使用的产品,并且生产成本低廉。

标签:
复合材料
广东 - 东莞 来源:北方有色网 2023-03-18
智能鞋垫及运动状态监测系统

本实用新型涉及运动用品技术领域,具体公开一种智能鞋垫及运动状态监测系统,依次包括网布层、泡棉层、电气部、复合材料层和缓冲层;所述复合材料层设有安置槽,所述电气部嵌装在所述安置槽中;所述电气部沿所述安置槽的延伸方向依次设有趾骨压力传感器、拓骨压力传感器、硬电路板、电源和脚跟压力传感器;所述硬电路板上设有加速度传感器;所述硬电路板采用单面布器件的布件方式,其上方焊接有金属屏蔽罩,所述硬电路板上的器件都设置在硬电路板和金属屏蔽罩形成的罩腔中。本实用新型提供的智能鞋垫及运动状态监测系统,能实时获取用户的运动信息及用户运动时其脚底各部位的受力情况。

标签:
复合材料
广东 - 东莞 来源:北方有色网 2023-03-18
保健电热手套
保健电热手套 1123     
 0

本实用新型涉及保健产品技术领域,特指一种保健电热手套。该手套由一复合材料叠合后、经缝合形成具有一开口的套筒造型,所述的手套沿其缝合线上向外凸出有一套体,该套体与手套内套筒空间连通;所述的复合材料中设置有碳纤维电热丝,该碳纤维电热丝与一低压供电装置连接。本实用新型采用上述技术方案后,其在传统的筒状手套上增设一个可以放置人手拇指的套体,通过位于手套套筒内的四指与位于套体内的拇指,使用者就可以在使用本实用新型时进行一些简单的动作,例如取拿物品等。另外,本实用新型工作电源为低压,其使用更加安全。

标签:
复合材料
广东 - 东莞 来源:北方有色网 2023-03-18
耐磨碟刹盘
耐磨碟刹盘 1149     
 0

本实用新型涉及车辆尤其是使用碟刹制动的交通工具技术领域,特指一种表面设有陶瓷涂层的耐磨碟刹盘。本实用新型所涉及的耐磨碟刹盘为一圆形盘体,采用碳纤维复合材料制作,盘体两侧面构成刹车面,所述碟刹盘的刹车面上设有一层陶瓷涂层。于所述刹车面与陶瓷涂层之间还附着有一金属底层。本实用新型采用上述结构后,实际上刹车面与刹车片相摩擦制动的是陶瓷涂层表面,因陶瓷具有隔热、耐磨等特性,即使在长时间处于刹车状态和瞬间急刹状态下,都能使碟刹盘工作温度维持在碳纤维复合材料TG点范围之内,保证刹车系统的稳定性,提高车辆行驶的安全性,并增加碟刹盘的使用寿命。

标签:
复合材料
广东 - 东莞 来源:北方有色网 2023-03-18
TPU防护膜
TPU防护膜 910     
 0

本实用新型涉及物品保护领域,其提供了一种TPU防护膜,包括将真空注入待成型的TPU原料而成的多个气泡珠粒,以及包覆气泡珠粒的填充膜,所述的填充膜为复合材料填充膜,复合材料填充膜的上、下表面与气泡珠粒的上下表面平齐,所述的气泡珠粒与相邻的气泡珠粒等间距分布于所述的填充膜中,所述的气泡珠粒与相邻的气泡珠粒的连线呈“十”字。本实用新型使用TPU材质制作防护膜,由于其热塑性弹性体的特性柔软,而且拥有卓越的高张力、高拉力、强韧和耐老化的特性,是种成熟的环保材料。而由于该材质的弹性模量较塑料高,因而制作过程中可在中心形成真空的气泡珠粒而不变形,并且方便成型、成型后的抗压能力强,形成的气泡珠粒可进一步增加其柔软度。

标签:
复合材料
广东 - 东莞 来源:北方有色网 2023-03-18
光固化无溶剂涂布机
光固化无溶剂涂布机 1052     
 0

本实用新型公开了一种光固化无溶剂涂布机,其包括机架、上层材料放卷机组、下层材料放卷机组、涂胶复合机组、光固化烘箱、剥离复合机组、上层材料收卷机组、下层材料收卷机组、复合材料放卷机组和成品收卷机组。本实用新型的结构设计巧妙,通过合理布置机架、上层材料放卷机组、下层材料放卷机组、涂胶复合机组、光固化烘箱、剥离复合机组、上层材料收卷机组、下层材料收卷机组、复合材料放卷机组和成品收卷机组的位置及连接关系,能全自动快速地完成放卷、上胶、复合、烘烤、剥离和收卷等工序,操作简单、方便,不仅有效缩短了整个生产周期,工作效率高,还有效保证产品质量,提高了生产的良品率,利于广泛推广应用。

标签:
复合材料
广东 - 东莞 来源:北方有色网 2023-03-18
一体成型手柄的网、壁球拍

一体成型手柄的网、壁球拍, 涉及一种网、壁球拍, 其技术方案为 : 手柄截面呈型, 纤维复合材料将中空月眉、框 体、手柄粘合成一整体。本实用新型因手柄截面呈 型, 在手柄 中形成一道加强筋, 大大提高了手柄的强度, 且在手柄上端与框 体结合的部位为纤维复合材料, 可以大大减轻震荡, 起到了阻震 的作用。

标签:
复合材料
广东 - 东莞 来源:北方有色网 2023-03-18
新型环保水渠
新型环保水渠 1241     
 0

本实用新型公开了一种新型环保水渠,该水渠埋设于泥土中或地面上,包括若干段由高分子复合材料制成的渠槽体,渠槽体的两侧有向外伸出的翼片,渠槽体之间相互直接首尾叠放连接在一起或者通过中间连接部件连接在一起;所述翼片和渠槽体为一体成型结构。本实用新型采用高分子复合材料如PVC、FRP、WPC等制成的渠槽体和中间连接部件连接在一起构成水渠,可用于污水雨水排放沟渠、水利农田灌溉水渠等各领域,其安装建设方便快捷,施工快,产品耐用防腐蚀,不易被破坏,成本低,如果不需要了还可以回收再利用,减少资源浪费,有利于保护环境。

标签:
复合材料
广东 - 东莞 来源:北方有色网 2023-03-18
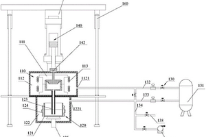
真空铸锻一体成型装置

本申请提供了一种真空铸锻一体成型装置,属于铸锻装置技术领域。模具的模腔被用于放置多孔坯体,模具上具有通孔。盛放容器设置于第一腔室内,用于将盛放容器中的熔融液导入模具内的多孔坯体;气路组件被配置成能够对模腔抽真空以及使第一腔室与模腔之间形成压差,以通过压差将盛放容器中的熔融液压入进液管并通入模腔内以使熔融液填充至多孔坯体内形成复合坯体。驱动装置驱动连接冲头,冲头活动嵌设于通孔,且冲头用于作用于模具内的复合坯体以对复合坯体进行锻造。该装置可以使金属的组织更加紧密,减小金属基多孔陶瓷复合材料中的气孔,使复合材料的强度更高,使金属与多孔陶瓷之间的结合更好。

标签:
复合材料
广东 - 东莞 来源:北方有色网 2023-03-18
平衡式水环热泵
平衡式水环热泵 910     
 0

本实用新型涉及一种平衡式水环热泵。它包括由压缩机、冷凝管构成的冷水室外机,由蒸发器构成的热水室外机,由冷媒盘管构成的室内冷却机,所述的冷凝管包括有初级冷凝器和二级冷凝器。所述的冷凝管外层采用复合材料管。所述的压缩机为独立封闭结构。本实用新型采用二级冷凝管的水环热泵的空调系统,可以实现冷风、热水联合供应,让空调系统运行的同时,免费产热水;冷凝器外层采用复合材料管,提高水环热泵的本体能效比,提高其对水质的适应性;压缩机采用独立封闭结构,解决水环热泵的噪声问题,让噪声控制在50DB以下。

标签:
复合材料
广东 - 东莞 来源:北方有色网 2023-03-18
复合式消音面板
复合式消音面板 1189     
 0

本申请涉及空调机组的技术领域,尤其是涉及一种复合式消音面板,其包括外面板、内面板以及用于连接外面板和内面板的连接件,所述连接件连接外面板和内面板的边缘,所述外面板与内面板平行设置,所述外面板与内面板之间形成有空腔,所述空腔内填充有消音复合材料层,所述消音复合材料层包括岩棉层、橡塑棉层以及玻镁隔音板。本申请具有提高消音面板的隔音效果,以减少噪音污染。

标签:
复合材料
广东 - 东莞 来源:北方有色网 2023-03-18
煤矿用移动类软电缆
煤矿用移动类软电缆 860     
 0

一种煤矿用移动类软电缆,主体由复合材料芯、缆芯组外围灌封有密集的沙土(3),网绳层的外壁设置有一圈外护套(6),缆芯组和外护套中间的网绳层中均匀分布有若干个具有弹性的橡胶球(5),其特征在,复合材料芯包括内芯(2)、结构层(7)、外层(1),所述结构层(7)包括纤维套管和热固性树脂,所述纤维套管为由多根纤维束相互交错编织而成或沿着内芯轴向方向螺旋缠绕而成,所述外层(1)包括沿复合芯长度方向排布的纤维和热固性树脂,所述纤维束的螺距H在0.1mm‑500mm之间。

标签:
复合材料
广东 - 东莞 来源:北方有色网 2023-03-18
碳纤维制品生产辅助用预型芯轴模型

本实用新型涉及碳纤维复合材料制品生产制造过程中的辅助用预型芯轴模型,尤其是碳纤维复合材料自行配件生产过程中的辅助用预型芯轴模型。该辅助预型模型包括位于内部的芯轴以及贴合在芯轴外表面的热固性纱片。所述芯轴与纱片为可分离式的。本实用新型的有益效果是,可以控制和固定预型体的实际尺寸,机械化生产,规范了其辅助预型模型尺寸的稳定性,预型操作快速便捷,降低了产品设计与生产的风险,有效的确保了产品的安全性能,改善产品外观不良和内壁粗糙,降低其产品重量,同时也提高了生产效率并降低了生产成本。

标签:
复合材料
广东 - 东莞 来源:北方有色网 2023-03-18
刚柔结合的高尔夫球杆握把

本实用新型公开一种刚柔结合的高尔夫球杆握把,包括有本体,该本体为软质材料,其具有一手握部,该手握部上嵌设有多个硬质加强条,该多个硬质加强条为纤维复合材料,多个硬质加强条绕手握部的轴向间隔排布,并每一硬质加强条均前后延伸。通过在手握部上嵌设有多个硬质加强条,配合多个硬质加强条为纤维复合材料并均前后延伸,在握住手握部的同时,多个硬质加强条也被握住,可以有效防止本产品相对球杆发生扭转,从而更好地控制球杆,更好地对高尔夫球进行击打,手感好,使用也更加的方便。

标签:
复合材料
广东 - 东莞 来源:北方有色网 2023-03-18
环保型纸尿裤
环保型纸尿裤 857     
 0

本实用新型涉及卫生用品领域,提供了一种环保型纸尿裤,包括透水层、复合材料防水层、护肤面层、防水外层、绑紧带和软质弹性底层,防水外层两端分别设有前腰围和弹性后腰围,靠近前腰围和弹性后腰围内部设置有贯穿整个防水外层端部的绑紧带,防水外层上背离软质弹性底层的一面设置有防水透气面层,防水外层上还设置有凹陷导流层,前腰围和弹性后腰围与防水外层的连接处还设置有第一热熔胶条,防水外层上设置有第一热熔胶条的一面设置护肤面层,护肤面层包括护肤面和第二热熔胶条,护肤面设置于防水外层上背离软质弹性底层一侧,第二热熔胶条设置于护肤面的两端,透水层、复合材料防水层以及护肤面层都属于可更换件,本产品能做到达到可循环更换。

标签:
复合材料
广东 - 东莞 来源:北方有色网 2023-03-18
抗噪扁平线
抗噪扁平线 873     
 0

本实用新型公开了一种抗噪扁平线,包括外护套,所述外护套内包括多股缆芯,且每股缆芯外围分别包覆有绝缘层,其特征在于,所述的外护套包括主、辅两种颜色的绝缘材料组合而成,所述的外护套为亚麻织物/PVC抗噪复合材料制成的、横截面为扁平状的弹性构件,在所述多股缆芯之间形成的缝隙中还填充有纱线。本实用新型通过在外护套选用亚麻织物/PVC或TPE抗噪复合材料制成,减小线材与其它物件磨擦所产生的噪音,提高在使用耳机过程中的视听质量,采用压力更小的押出工艺方法,减小线材表面与其它物件摩擦时产生的噪音,从而更加有效提升耳机的视听效果。同时,本耳机线便于识别分辨、抗氧化等优点。

标签:
复合材料
广东 - 东莞 来源:北方有色网 2023-03-18
佩戴式耳机
佩戴式耳机 1150     
 0

本实用新型提供佩戴式耳机,包括用于套设在至少一侧耳朵上的耳塞挂件装置,所述耳塞挂机装置包括由复合材料制成的耳挂和组装在耳挂上的耳机主体,其中,所述耳挂用于套在耳朵的外周围,耳挂包括耳挂主体,耳挂主体上设有孔;耳机主体与音频连接装置连接,所述耳机主体设有耳壳、以及与耳壳连接的耳塞,所述耳塞穿过所述孔并将耳塞固定在所述耳挂主体外。本实用新型通过复合材料制成耳挂,再将耳挂和耳机主体有机地结合成为一体,既可以节省空间,又可以增强耳机的整体美观度。增强其佩戴的舒适性,人体工学更加的合理。

标签:
复合材料
广东 - 东莞 来源:北方有色网 2023-03-18
超薄电磁屏蔽磁性胶片

本实用新型公开了一种超薄电磁屏蔽磁性胶片,其包括依次连接的一磁性复合层、一环氧树脂复合材料屏蔽层以及一离型保护层,其中所述磁性复合层设有一磁性层粘接表面,所述离型保护层具有一离型层粘接表面,所述环氧树脂复合屏蔽层下表面连接所述的磁性层粘接表面,且其上表面连接所述的离型层粘接表面;本实用新型通过磁性复合层中填充纳米级的铁氧体、镍石墨及稀土混合的磁粉,利用磁胶片的柔韧性和磁吸附性,能够方便的吸附着设备或者建筑物的铁制品表面,而且容易更换,采用环氧树脂复合材料层中设有分散均匀的碳纳米管而具有电磁屏蔽作用,本实用新型结构巧妙、设计合理、柔韧性强,高性能,表面处理亲和力好,适用范围广。

标签:
复合材料
广东 - 东莞 来源:北方有色网 2023-03-18
避免复合LED软灯条基材时产生气泡的装置

本实用新型涉及LED软灯条生产设备技术领域,尤其涉及避免复合LED软灯条基材时产生气泡的装置,它包括机架,所述机架设置有复合辊组,该复合辊组包括上下对置的加温压辊和硅胶压辊,所述复合辊组旁侧还设置有吹风方向与进入复合辊组的复合材料前进方向相反的离子风刀,由于离子风刀向复合材料前进方向的相反方向吹出离子风,可完全解决复合时产生气泡的问题,避免出现复合起皱或对边不齐现象,大大地提高产品品质。

标签:
复合材料
广东 - 东莞 来源:北方有色网 2023-03-18
预埋式电缆支架
预埋式电缆支架 964     
 0

本实用新型预埋式电缆支架,主要涉及城市电缆沟或铁路、隧道、桥梁上使用的、铺设电缆的支架。包括预埋座(11)和支架座(12);在支架座(12)上有线缆放置槽(14);所述预埋式电缆支架(1)包括一钢筋(2),在钢筋(3)外包覆有高分子复合材料(2),在高分子复合材料(2)的外表覆盖一层玻璃钢材料(3)。采用上述结构,在电缆沟施工时将电缆支架预埋砖墙内即可,施工简单、安全、方便、工期短、安装效率高、成本低。

标签:
复合材料
广东 - 东莞 来源:北方有色网 2023-03-18
椅子
椅子 846     
 0

本实用新型涉及家具技术领域,尤其涉及一种椅子,其包括下座板、若干条椅脚、上座板、靠背;下座板的顶部设置有若干个下沉孔,椅脚的底端设置有与下沉孔匹配的下卡接部;上座板的底部设置有若干个上沉孔,椅脚的顶端设置有与上沉孔匹配的上卡接部;上座板的后侧开设有用于固定靠背的第一螺孔。在包装和运输时,本实用新型的下座板、椅脚、上座板、靠背等部件均可以拆卸分开,便于包装和运输、不占用空间,从而降低包装和运输成本;而且,本实用新型的下座板、椅脚、上座板等部件均是由玻璃钢复合材料制成,使用寿命在10年以上,防水防腐蚀性好、强度高、无虫害、无温差影响,如遇破损可用复合材料粘黏并打砂纸修复。

标签:
复合材料
广东 - 东莞 来源:北方有色网 2023-03-18
带天线的电子产品壳体
带天线的电子产品壳体 1112     
 0

本实用新型公开了一种带天线的电子产品壳体,包括金属材料或碳纤维复合材料的外壳主体部分以及连接在所述外壳主体部分上的塑胶天线基体,所述塑胶天线基体上形成有所述天线。该电子产品壳体既具有金属材料或碳纤维复合材料散热性好的优点,又不会对天线信号造成不良影响。

标签:
复合材料
广东 - 东莞 来源:北方有色网 2023-03-18
平面数字手轮
平面数字手轮 1048     
 0

本实用新型公开了一种平面数字手轮,包括由尼龙材料制成的塑料轮盘、钢制铁芯及数字仪表,所述钢制铁芯安装在塑料轮盘内并从塑料轮盘的下部伸出,所述数字仪表安装在塑料轮盘的中心位置,该数字仪表设置有镀铬软钢表壳与由复合材料制成的防刮花镜片。藉此,本实用新型中的数字仪表采用镀铬软钢表壳与由复合材料制成的防刮花镜片,轻巧便捷,能长期保持数字仪表视野清晰,具有优良的阻燃、防水和耐油性能,读数精准,坚固耐用,并且通过采用塑料轮盘,实现了整体的轻量化,不仅大大减小了整体重量,操作方便快捷,还降低了成本,本实用新型采用钢制铁芯,防锈能力强,有利于性能的保持和使用寿命的延长。

标签:
复合材料
广东 - 东莞 来源:北方有色网 2023-03-18
管式LED冷锻散热器
管式LED冷锻散热器 745     
 0

本实用新型公开了一种管式LED冷锻散热器,包括螺纹管,螺纹管底部设置有导热凝胶,导热凝胶使传热效率显著提高,也能很好地填充不平整界面,导热凝胶的底部连接有导热片,导热片的顶层和底层均分布有铝,铝的表面因有致密的氧化物保护膜,可以保护铜和碳纤维复合材料不被氧化,铝的中间包裹着铜和碳纤维复合材料,导热片底部连接有散热底板,散热底板底部设置有散热叶片、空心柱和安装座,散热底板与散热叶片通过冷锻工艺一体成型,空心柱的内壁设置有内螺纹,安装座的内部设置有固定螺栓,安装座的底部安装有电机,电机的内部设置有转动轴,转动轴外壁设置有扇叶,扇叶采用弧形设计,利于空气的导流,本实用新型具有高效散热的优点。

标签:
复合材料
广东 - 东莞 来源:北方有色网 2023-03-18
纬向张力提供装置
纬向张力提供装置 1142     
 0

一种纬向张力提供装置,包括:鼓型辊及与鼓型辊配合设置的凹型辊,鼓型辊与凹型辊为相互啮合的非圆柱形的圆弧形辊,其表面设置针刺面,且两辊间形成有可供增强材料穿过的缝隙。本实用新型的纬向张力提供装置通过采用形状特殊的两辊筒,并于两辊筒表面设置针刺面,使其具备对增强材料的纬向开纤功能,通过在生产过程中对玻纤布进行纬向开纤,从而可大幅度的提高基体材料浸润增强材料的效果,进而改善半固化复合材料的性能,并可提高复合材料成品的透明性、内部均匀性、稳定性及可靠性,且,其结构简单,使用方便,能够有效节约成本。

标签:
复合材料
广东 - 东莞 来源:北方有色网 2023-03-18
改良型平板拍框架
改良型平板拍框架 776     
 0

本实用新型涉及运动器材技术领域,尤其是一种避震效果良好的改良型平板拍框架。它包括框体以及三角,所述的框体以及三角皆由复合材料制成,其内分别具有空腔。由于本实用新型的框体和三角皆由轻质复合材料制成,且其内分别具有空腔,这样不仅使得整个框架的质量显著减小,而且打球时板拍所产生的震动传导到空腔后,可以被空腔部分吸收且阻碍其进一步传导,从而又使框架具有良好的避震效果。

标签:
复合材料
广东 - 东莞 来源:北方有色网 2023-03-18
轻型的测温光缆
轻型的测温光缆 1006     
 0

本实用新型公开了一种轻型的测温光缆,包括外层无缝钢管及内层无缝钢管;内层无缝钢管的内部中心设有1芯至6芯的光纤组成的光纤束,所述光纤束与内层无缝钢管内的空间间隙填充有油膏,内层无缝钢管的内壁设有防水涂层,内层无缝钢管的外壁包覆设有抗张元件,外层无缝钢管包覆于抗张元件的外壁;本实用新型采用碳纤维作为加强件,取代了传统的钢丝加强件,碳纤维复合材料,强度高达3400Mpa,传统的硬钢线最高只有2000MPa左右,大大加强了光缆的抗张性能,碳纤维复合材料相比硬钢丝加强件,其重量只是钢丝的十分之一不到,采用碳纤维可以给光缆减重至少30%以上,光缆的自重减少了,抗拉强度增加,大大提高了光缆的作业深度。

标签:
复合材料
广东 - 东莞 来源:北方有色网 2023-03-18
压力监控式复合装置
压力监控式复合装置 772     
 0

本实用新型公开一种压力监控式复合装置,包括两气缸及上固定加热钢辊、活动压合胶辊及下活动加热钢辊,下活动加热钢辊的两端分别具有固定座,其中,还包括压力监控机构,压力监控机构包括压力传感器、安装板及显示器,压力传感器安装于安装板的顶面上,安装板的底面与气缸的输出轴连接,压力传感器位于固定座的正下方,显示器具有显示单元,压力传感器与显示单元电性连接;压力传感器对材料复合过程中压力进行实时监控,并通过显示器显示出来,当压力传感器的压力达到复合材料复合时所需要的压力值时,控制供气马达对气缸的供气,此时复合材料在整过复合过程将完全按照要求的压力进行复合,有力保障了复合的材料的质量,确保了线路板的生产质量。

标签:
复合材料
广东 - 东莞 来源:北方有色网 2023-03-18
石墨烯增强导热的引线框架及功率半导体元件

本实用新型公开一种石墨烯增强导热的引线框架,包括散热板、引脚架,所述散热板具有采用石墨烯‑铜复合材料板材制成的复合散热片,所述引脚架采用铜制成,所述引脚架的至少一个引脚通过电阻焊的方式与所述散热板焊接连接。本方案中散热板采用石墨烯‑铜的复合材料制成,大幅度提高产品的散热性能,同时引脚部分采用引线框架常规材料,便于后期弯脚成型加工。采用本方案所述的石墨烯增强导热的引线框架的功率半导体散热能力强,半导体器件的工作寿命得到有效延长。

标签:
复合材料
广东 - 东莞 来源:北方有色网 2023-03-18
上一页 8 9 10 11 12 ... 52 下一页
共52页    到第

北方有色为您提供最新的广东东莞有色金属复合材料技术理论与应用信息,涵盖发明专利、权利要求、说明书、技术领域、背景技术、实用新型内容及具体实施方式等有色技术内容。打造最具专业性的有色金属技术理论与应用平台!

全国热门有色金属设备推荐
展开更多 +
全国热门有色金属技术推荐
展开更多 +

 

江西省隆恩特环保设备有限公司
宣传

报名参会
更多+

报告下载

有色专家
更多+

矿冶科技集团有限公司
中国工程院院士
紫金矿业信息化研发中心
副总经理
矿冶科技集团
中国工程院院士
中铝郑州有色金属研究院有限公司
党委书记 董事长
清华大学
研究员
赤泥综合利用研究报告2025
推广

热门技术
更多+

推荐企业
更多+

福建省金龙稀土股份有限公司
宣传

发布

在线客服

公众号

电话

顶部
咨询电话:
010-88793500-807