青岛垚鑫智能科技有限公司
宣传

位置:中冶有色 >

有色技术频道 >

> 化学分析技术

分类:
全部
矿山技术
冶金技术
材料制备及加工技术
环境保护技术
分析检测技术
 
全部
物理检测技术
化学分析技术
力学检测技术
无损检测技术
失效分析技术
环境检测技术
地区:
全部
北京
天津
上海
重庆
河北
山西
辽宁
吉林
黑龙江
江苏
浙江
安徽
福建
江西
山东
河南
湖北
湖南
广东
海南
四川
贵州
云南
陕西
甘肃
青海
内蒙
广西
西藏
宁夏
新疆
其他
其他
展开
 
全部
武汉
黄石
十堰
宜昌
襄阳
鄂州
荆门
孝感
荆州
黄冈
咸宁
随州
恩施土家族苗族自治州
仙桃
潜江
天门

湖北武汉有色金属化学分析技术理论与应用

免费发布技术信息>>
用于加工小件柱体试样的钻床工装夹具

本实用新型公开了一种用于加工小件柱体试样的钻床工装夹具,以解决目前化学分析试验中钻床加工直径在12mm以内的小件柱体试样时操作不便的问题。它由U形杆件弯制而成,二个一组配合使用,所述U形杆件封闭口一端向外弯折90°形成搭压杆,开口一端向内弯折形成支承杆,中间竖直段为夹杆。本实用新型工作时搭压杆搭在钻床自有夹具上表面,支承杆托住柱体试样,夹杆夹在柱体试样两侧并通过钻床自有夹具夹紧试样,可以方便地对直径12mm以内的小件柱体试样钻屑加工,满足化学成分分析样品制备要求,提高了生产效率,扩大了钻床使用范围。

标签:
化学分析
湖北 - 武汉 来源:中冶有色网 2023-03-19
矿井突水水源层识别方法

本发明涉及一种矿井突水水源层识别方法,是在获取矿井主要含水层类别的基础上,提取各含水层的水化学数据,建立水化学数据与含水层之间分类模型。本方法利用粒子群优化分类器的方法来建立矿井突水水源层分类识别模型,再用建立好的矿井突水水源识别模型对测试样本进行检测,比较了基于LSSVM的矿井水源识别和基于粒子群优化的LS-SVM的矿井水源识别,检测结果表明,本方法明显优于未采用PSO模型优化的LS-SVM模型,较好地克服了现有的突水层水源判别方法都要预先假定模式或者主观规定一些参数,导致评价结果主观性较强的不足。本发明建模的方法更科学,所建立的PSO-LS-SVM模型具有非常好的泛化能力。

标签:
化学分析
湖北 - 武汉 来源:中冶有色网 2023-03-19
车内气味溯源方法
车内气味溯源方法 995     
 0

本申请公开了一种车内气味溯源方法,涉及挥发性气味检测辨别技术领域,其包括:将待测样品置于环境容器中进行预处理;采集部分环境容器中的气体样本并通过GCMS得到气体样本中各组分物质浓度‑时间的第一对应关系;采集部分环境容器中的气体样本并通过GC×GC‑TOF得到气体样本中各组分物质浓度‑时间的第二对应关系;采集部分环境容器中的气体样本并通过GC‑O/MS定性定量检测,同时采用气味鼻确定气体样本的味道和气味强度,得到气体样本中各组分物质浓度‑气味‑时间的第三对应关系;对第三对应关系进行修正,获取气味对应的化学物质。本申请,可准确确定车内气味对应的全部化学物质,改善并管控车内气味。

标签:
化学分析
湖北 - 武汉 来源:中冶有色网 2023-03-19
试管架
试管架 755     
 0

一种试管架,由底盘、面板和侧板组成,各 板之间采用活动联接。可根据玻璃器皿的管径、 长短、数量来组装和调整结构形式。试管架可采 用高分子材料制成,其外部可插接字符和吸附磁 性标记,以便辨识不同样品,防止混杂、失误。 并且结构紧凑,携带方便,易于洗刷,防污防蚀。 可适用于化学分析、医药卫生、生化、放射化学、 地质矿产等实验分析和教学等工作中。

标签:
化学分析
湖北 - 武汉 来源:中冶有色网 2023-03-19
高精度滴定管
高精度滴定管 1036     
 0

本实用新型涉及化学分析用的滴定管,尤其是一种高精度滴定管,属于化学分析计量仪器类。一种高精度滴定管,高精度滴定管包括滴定管柱,游标套筒,活塞套,活塞及开在活塞上的通孔,在所述的滴定管柱外壁面上活动套装有游标套筒,开在活塞上的通孔两端的孔口呈扇形状,两端的扇形状孔口的扇形尖为反对称。由于在滴定管柱外增加了游标套筒,滴定过程中的滴定剂体积读数精度在游标套筒的作用下,比原传统滴定管读数精度提高10倍,避免估读所导致的误差。由于改变开在活塞上的通孔孔口的形状,使在滴定操作过程中滴定剂液滴体积的控制更为精确、简便。本实用新型的高精度滴定管结构合理、制造简单、操作简便,易于掌握。

标签:
化学分析
湖北 - 武汉 来源:中冶有色网 2023-03-19
基于神经网络的烤烟舒适性分类评价方法

本发明属于烟叶种植与烤烟配方设计技术领域,公开一种基于神经网络的烤烟舒适性分类评价方法,包括:获取样本烤烟的感官质量指标数据和化学成分指标数据;采用SOFM神经网络对样本烤烟的感官质量指标数据模式聚类,并根据聚类模式进行判别划分;采用BP神经网络对样本烤烟的化学成分指标数据建立基于化学成分指标的烟叶感官质量预测模型;利用训练的BP神经网络和SOFM神经网络对待检测烤烟的化学成分指标数据进行烤烟舒适性分类评价;采用经过大数据训练后的人工神经网络,基于化学成分对烤烟感官舒适性进行模式分类评价,避免了评吸人员的主观因素干扰,评价结果更具客观性、准确性。

标签:
化学分析
湖北 - 武汉 来源:中冶有色网 2023-03-19
离子液体溶胶凝胶涂层搅拌棒及其制备方法与应用

本发明公开了一种离子液体溶胶凝胶涂层搅拌棒及其制备方法与应用,属于分析化学样品前处理技术领域。离子液体溶胶凝胶涂层搅拌棒包括玻璃毛细管、铁芯和萃取涂层,铁芯置于两端熔封的玻璃毛细管内,萃取涂层为化学键合在玻璃毛细管表面的1-烯丙基咪唑四氟硼酸盐离子液体凝胶涂层。通过将用NaOH溶液活化的玻璃搅拌棒浸入离子液体溶胶中进行涂覆,再置于烘箱中老化得到离子液体溶胶凝胶涂层搅拌棒。本发明的离子液体溶胶凝胶涂层搅拌棒可用于极性有机物的萃取分析,具有制备简单、环境友好、萃取效率高、耐高温、耐有机溶剂和机械稳定性好等优点,能实现在环境、食品以及生物样品等样品体系中极性化合物的选择性萃取富集,有实际应用价值。

标签:
化学分析
湖北 - 武汉 来源:中冶有色网 2023-03-19
利用溶胶凝胶技术制备超分散高纯态纳米水泥的方法

本发明涉及一种利用溶胶凝胶技术制备超分散高纯态纳米水泥的方法, 方法以分析纯的正硅酸四乙酯、硝酸钙、硝酸铝、硝酸铁、去离子水、丙醇、柠檬酸和聚乙二醇400为原料。具体合成步骤为:按一定的化学计量比分别制成正硅酸乙酯的丙醇溶液和金属硝酸盐?柠檬酸螯合物的混合液,然后将两者混合并加入聚乙二醇制成溶胶,将所得溶胶在65?75℃静置后得到凝胶,再经熟化20?22?h后高温煅烧和粉磨,即得到超分散的高纯态纳米水泥。本方法模拟水泥烧成过程的效果好,产物纯度高、细度大,能耗较传统方法节约25.1%?41.6%,具有快速、高效和绿色的优点。

标签:
化学分析
湖北 - 武汉 来源:中冶有色网 2023-03-19
一个甘蓝型油菜缺磷诱导表达启动子

本发明属于植物基因工程技术领域。从甘蓝型油菜中克隆得到一个缺磷诱导表达启动子,它的核苷酸序列如序列表SEQ ID NO.1中第1-1459碱基所示。将该启动子与报告基因GUS融合转化拟南芥,GUS组织化学分析表明该启动子只在缺磷条件下具有活性,在正常、缺氮、缺钾、缺硫以及缺铁条件下都不具有活性。该启动子除了应用于耐低磷或磷高效作物的培育外,还可以用于缺磷诱导表达基因调控机制研究。

标签:
化学分析
湖北 - 武汉 来源:中冶有色网 2023-03-19
纳米金改性聚合物整体柱及其制备方法和应用

本发明公开了一种巯基丁二酸修饰的纳米金改性聚合物整体柱毛细管微萃取与ICP‑MS在线联用分析海水和人全血中稀土元素的方法。以甲基丙烯酸缩水甘油酯为单体、乙二醇二甲基丙烯酸酯为交联剂,采用原位聚合的方式得到聚合物整体柱,然后通过在整体柱的环氧基表面进行一系列化学反应使其富含巯基,从而采用化学键合的方式改性上纳米金,最后以纳米金为中间配体,在其表面修饰上对稀土元素具有亲和作用的巯基丁二酸。将该整体柱用于复杂样品中稀土元素的分离富集,可以实现海水和人全血中稀土元素的在线分析,并显著提高整体柱对稀土元素的吸附容量(3‑6.5倍),具有高灵敏度、高样品通量、低样品消耗以及较宽的pH适用范围和较强的抗基体干扰能力等优点。

标签:
化学分析
湖北 - 武汉 来源:中冶有色网 2023-03-19
海南斑等蝎抗菌肽及制备方法和应用

本发明公开了一种海南斑等蝎抗菌肽及制备方法和应用,其特征是蝎毒抗菌肽重组大肠杆菌Escherichia coli DH5a/ImAMP1,CCTCC NO:M207034,其步骤是:首先是构建海南斑等蝎毒腺细胞cDNA文库;设计引物,以PCR方法从毒腺cDNA文库中筛选蝎抗菌肽基因的阳性克隆子;序列分析其抗菌肽基因的编码特征,确定该抗菌肽的氨基酸序列;采用化学合成的多肽药物对革兰氏细菌具有不同浓度的抑制作用,抗菌效果佳;且该海南斑等蝎野生型抗菌肽和突变体对临床分离的耐药溶血性葡萄球菌有效。海南斑等蝎抗菌肽在制备治疗或预防革兰氏细菌的药物中有广泛的应用。

标签:
化学分析
湖北 - 武汉 来源:中冶有色网 2023-03-19
固相微萃取萃取头及其制备方法

本发明公开了一种固相微萃取的萃取头及其制备方法,它是在石英纤维的表面键合有一层双缩水甘油基杯芳烃/羟基硅油复合涂层。本发明所提供的固相微萃取萃取头,具有耐溶剂冲洗,强的耐碱性,高的热稳定性,使用寿命长,探头制备重现性好,对芳香化合物和氯取代的芳香化合物有很好的萃取能力等特点;制备过程简单、快速,产率高,制备成本低,易于商品化。在化学和环境分析方面具有重要的应用前景。

标签:
化学分析
湖北 - 武汉 来源:中冶有色网 2023-03-19
羟基冠醚固相微萃取萃取头及其制备方法

本发明公开了一种固相微萃取的萃取头及其制备方法,它是在石英纤维的表面键合有一层羟基冠醚复合层。本发明所提供的固相微萃取的萃取头具有耐溶剂冲洗,高的热稳定性,使用寿命长,对极性化合物有很好的吸附能力等特点,在分析化学方面具有重要的应用前景。

标签:
化学分析
湖北 - 武汉 来源:中冶有色网 2023-03-19
在泡沫镍上的N-NiZnCu LDH/rGO纳米片阵列材料的制备方法和应用

本发明通过水热和煅烧反应合成了一种生长在镍泡沫上低析氢电位的双功能催化剂N‑NiZnCu LDH/rGO纳米片,并分析了该材料的形貌、结构和电化学性能。实验表明,阳极和阴极都使用泡沫镍上N‑NiZnCu LDH/rGO的电解槽,在10mA·cm‑2的电流密度下,UOR,AOR和HzOR的槽电压分别为1.305V,0.489V和0.010V,均比贵金属电解槽Pt/C||IrO2的电位低,并且在3000次循环后其电流密度基本保持不变,稳定性好。另外,对比一些近年的析氢材料的电位,相同电流密度下N‑NiZnCu LDH/rGO的电位依然是很低的。因此,本发明的纳米片材料作为双功能催化剂具有很大潜力。

标签:
化学分析
湖北 - 武汉 来源:中冶有色网 2023-03-19
利用近红外光谱技术进行卷烟叶组配方计算机辅助设计的方法

一种利用近红外光谱技术进行卷烟叶组配方计算机辅助设计的方法,其特征是,该方法包含以下步骤:通过近红外光谱仪扫描得到原料烟叶的近红外漫反射光谱,获取库存烟叶的近红外光谱数据,并输入各烟叶的相关信息,建立数据库;对烟叶的近红外光谱数据进行主成分分析;以遗传算法作为算法模型进行配方拟合运算,利用评价函数的调整,得到多个拟合配方。本发明可以方便、快速地得到多个拟合配方,及这些配方的原始适应值、配方所用烟叶数目、配方估价、主要化学成分含量及误差。

标签:
化学分析
湖北 - 武汉 来源:中冶有色网 2023-03-19
模拟激光钻井破岩的实验方法及实验装置

本发明提供一种模拟激光钻井破岩的实验方法,使用双轴应力模拟地层应力,通过方向调整组件控制激光束照射位置高度,改变激光束照射在岩样表面光斑大小,使用循环气体模拟激光钻井中的气体循环氛围,通过气体收集部件,收集试验后循环气体,用以分析激光破碎岩石物理化学反应;本发明还对应提供了模拟激光钻井破岩的实验装置,包括控制台、操作台、方向调整组件、固定在方向调整组件上的激光切割头、液压系统、密封单元和与密封盒连通的气体收集单元;本发明提供的实验方法可模拟地层中激光钻井破岩,通过循环气体分析激光破碎岩石物理化学反应,实验装置安全环保,激光光斑调整更简洁智能,可同时获得多个循环气体实验样品。

标签:
化学分析
湖北 - 武汉 来源:中冶有色网 2023-03-19
提高20MnTiB高强度紧固件用钢冶炼中B的收得率方法

本发明公开了一种提高20MnTiB高强度紧固件用钢冶炼中B的收得率方法,包括:1)转炉冶炼:采用高拉碳工艺,控制终点C大于0.098wt%,溶解氧α[O]为280×10-6~350×10-6;出钢过程连续吹氩,温度1650~1690℃,出钢加Al块,石灰和萤石,C控制在0.18~0.22wt%;2)吹氩:到站后,根据出钢碳喂铝线,再吹氩;3)LF炉精炼:渣面加铝丸,渣量1.5~2.0%,造白渣,精炼渣碱度3.5~5.0;T≥1550℃时,取样分析,调整化学成分;在精炼中后期喂钛线,再加硼铁;精炼过程全程吹氩,起坑前喂入Si-Ca线,搅拌后上连铸平台。采用本发明的冶炼方法B的收得率不低于80%。

标签:
化学分析
湖北 - 武汉 来源:中冶有色网 2023-03-19
快速高通量的基因定点诱变方法

本发明提出了一种快速高通量的基因定点诱变方法,其步骤为:1.构建了一个表达DPNI限制性内切酶的DNA腺嘌呤甲基化酶缺陷的用于定点诱变的菌株;2.根据需要对基因待突变的位置进行序列分析,设计部分重叠(10~16NT)的PCR诱变引物;3.反向PCR扩增;4.扩增后的PCR产物直接化学法转化上述构建的表达DPNI的DNA腺嘌呤甲基化酶缺陷的菌株,这样经过DPNI体内筛选就可以得到携有预定突变的质粒。本发明能够真正做到简单快速的定点诱变,且不需订购特殊修饰的引物,不需要对PCR后的产物进行任何处理步骤(酶切连接,体外杂交,胶回收和体外DPNI的消化处理等)就能方便迅速地构建突变质粒。

标签:
化学分析
湖北 - 武汉 来源:中冶有色网 2023-03-19
高塑性连续油管用钢及其制造方法

本发明提供一种高塑性连续油套用钢及其制造方法。钢的化学成分(熔炼分析)按重量百分计为:C 0.04~0.14%,SI 0.15~0.40%,MN 0.20~1.20%,NB 0.015~0.06%,TI 0.008~0.025%,MO 0~0.20%,CU 0.15~0.30%,CR 0.20~0.50%,P 0.008~0.022%,S 0.001~0.004%,其它为铁及不可避免的夹杂元素。具体制造方法中涉及炼钢工艺控制及控轧控冷工艺控制两方面。通过本发明所述方法所得钢材成本大大降低,不但生产出的钢强韧性适中,而且由于采用微合金化钢控轧控冷工艺生产,生产简便易行,钢的组织均匀性好,并且由于微合金钢的轧制过程变形抗力小,对轧机损耗小,利于推广应用。

标签:
化学分析
湖北 - 武汉 来源:中冶有色网 2023-03-19
电极合成材料及其制配方法

本发明公开了一种电极合成材料及其制配方法,以还原氧化石墨烯(rGO)为基底,以钼酸铵为钼源,以硫脲为硫源,在还原氧化石墨烯(rGO)表面生长MoS2,形成MoS2‑rGO复合材料,并将MoS2‑rGO复合材料涂到GCE电极表面形成复合电池负极材料层(MoS2‑rGO)。本发明通过制备MoS2‑rGO复合物,并研究其电化学性能,确定rGO的复合使得MoS2能形成具有良好分散性的花状结构;同时电化学测试表明rGO的复合不仅提高了MoS2的导电性,还增强了MoS2的电化学稳定性。本发明将MoS2‑rGO复合物制作成修饰电极,首次应用于GA‑AgNPs的电化学研究及检测。由于MoS2对AgNPs良好的吸附性以及MoS2‑rGO/GCE较大的电化学活性面积,使得MoS2‑rGO/GCE对GA‑AgNPs的电化学信号表现出明显的增强作用。

标签:
化学分析
湖北 - 武汉 来源:中冶有色网 2023-03-19
非正火型桥梁用中厚钢板及其制造方法

本发明提供了一种非正火型桥梁用中厚钢板及其制造方法,其特征在于:所述中厚钢板熔炼分析化学成分的质量百分数为:C:0.06~0.10%,Si:0.10~0.24%,Mn:0.90~1.19%,P≤0.015%,S≤0.007%,Nb:0.020~0.050%,V:0.020~0.040%,Ti:0.008~0.020%,Als0.010~0.050%,余量为Fe及不可避免的杂质;同时[%Nb]/[%V]=1.00~1.50,碳当量CEV≤0.36%该中厚钢板采用TMCP工艺生产,厚度可达6-50mm,钢板的强度高,屈强比较低,同时低温韧性优异,产生中心偏析可能性低。

标签:
化学分析
湖北 - 武汉 来源:中冶有色网 2023-03-19
微型皮拉尼计
微型皮拉尼计 1131     
 0

一种微型皮拉尼计,属于微机电系统的真空度测量器件,克服现有微型皮拉尼计体积大、灵敏度不够高的问题。本发明在硅衬底上具有凹槽,凹槽表面架有隔热层,隔热层表面覆盖绝缘层,绝缘层上溅射有加热体,加热体的两端溅射有金属电极;所述加热体为形状弯曲的铂或镍金属;所述绝缘层材料为氮化硅或二氧化硅;所述隔热层材料为二氧化硅、氮化硅中的一种或两种。本发明体积小、重量轻而且性能稳定,加热体采用金属铂,它的线性度好、性能稳定、灵敏度高、有良好的化学稳定性;其制造工艺简单、成本低、成品率高、可靠性高。适用于各种大小真空封装以及微型腔体中进行真空度实时检测。

标签:
化学分析
湖北 - 武汉 来源:中冶有色网 2023-03-19
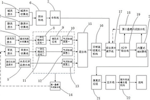
港口洗舱综合废水的分质处理系统

本实用新型提供了一种港口洗舱综合废水的分质处理系统,包括检测分质机构、废水预处理单元、综合废水调节池、生化处理单元和臭氧反应塔;废水预处理单元包括酸碱中和处理机构、清洗废水处理机构、苯废水处理机构及余类化学品处理机构,所述酸碱中和处理机构、清洗废水处理机构、苯废水处理机构及余类化学品处理机构的进水口均与检测分质机构的出料口连接,其出水口均与综合废水调节池的进水口连接,综合废水调节池的出水口与生化处理单元的进水口连接,生化处理单元的出水口与臭氧反应塔的进料口连接。该实用新型对含不同有机化学品的综合废水进行分类,根据各类废水特点,采用不同工艺分质进行处理,在保证出水达标情况下尽可能的降低运行成本。

标签:
化学分析
湖北 - 武汉 来源:中冶有色网 2023-03-19
防酒驾装置
防酒驾装置 812     
 0

本实用新型公开了一种防酒驾装置,其结构包括外壳、电化学传感器、电路板、单片机、无线模块、定位模块、连接端口和分隔板,通过一种防酒驾装置,该装置与汽车的发动打火系统进行连接,且进行控制,通过电化学酒精传感器对驾驶人得酒精含量进行检测,当未检测到酒精含量时,汽车正常打火启动,当检测到酒精浓度过高时,关闭汽车的打火启动系统,禁止启动汽车,且通过定位模块对位置进行定位,通过无线模块发送信号至连接的外部(朋友或家人)的手机上,通过外部(朋友或家人)的手机即可知道驾驶人的酒驾情况和具体位置,避免驾驶人酒驾带来的危险,且在该装置底部设置了固定装置,通过固定板可快速将该装置固定在汽车的遮阳板上。

标签:
化学分析
湖北 - 武汉 来源:中冶有色网 2023-03-19
锅炉管防腐层的激光表面熔覆工艺

本发明涉及一种激光表面熔覆工艺,具体公开了一种锅炉管防腐层的激光表面熔覆工艺,室温下利用清洗剂对锅炉管进行除油、除锈处理,用着色探伤法对待加工部位进行检验;采用同轴或旁轴送粉装置将镍基合金粉末送入激光熔池,所述镍基合金粉末的化学成份按重量百分比为:C:0.01-0.05%、Cr:21-22%、Fe:1.0-2.0%、Mo:8-10%、Si:0.1-0.7%、Nb:3.5-4.2%,Ni:63-64.5%;在待加工部位表面形成耐腐蚀磨损涂层,其工艺参数为:聚焦镜F=300-400mm;熔覆功率P=2000-5000W;光斑尺寸D=3-10mm;扫描速度V=200-1000mm/min;搭接率40-60%,并对制备的熔覆涂层进行裂纹探伤检测。本发明强化了锅炉管的防高温腐蚀及氧化性能,提高其使用寿命,降低生产成本,大幅度提高电厂锅炉生产效率,促进准东地区煤炭、煤电、煤化工事业的发展。

标签:
化学分析
湖北 - 武汉 来源:中冶有色网 2023-03-19
Cu基柔性非酶乳酸传感器电极膜及其制备方法

本发明提供了一种Cu基柔性非酶乳酸传感器电极膜及其制备方法。该制备方法采用BC膜作为构筑生物传感器中柔性电极材料的载体,用具有导电性好且比表面积大的多壁碳纳米管作为导电材料,首先将两者复合,制备出导电BC/c‑MWCNTs纳米复合膜,为了调控MOFs的形貌和尺寸,在BC/c‑MWCNTs纳米复合膜上用电化学聚合的方法去聚合吡咯,得到BC/c‑MWCNTs/PPy纳米复合膜;为了进一步提高乳酸检测灵敏度,再用电化学沉积法在导电BC/c‑MWCNTs/PPy纳米复合膜表面沉积Cu‑MOFs,制备得到Cu基柔性非酶乳酸传感器电极膜。该电极膜在检测乳酸时稳定性好、成本低、使用寿命长,不受环境、温度和pH等的影响,且容易保存,通过该电极膜的检测,能够实时有效地反映人体汗液中的乳酸浓度,判断运动是否过度,具备巨大的应用前景。

标签:
化学分析
湖北 - 武汉 来源:中冶有色网 2023-03-19
胃泌素释放肽前体蛋白表达载体的构建、单抗及试剂盒的制备方法

本发明提供了一种胃泌素释放肽前体蛋白表达载体的构建、单抗及试剂盒的制备方法,载体构建时在HSPA6和ProGRP之间加上了肠激酶酶切位点,并且采用N端融合的方式来做融合表达;将重组的HSPA6+ProGRP融合蛋白替代半抗原ProGRP做为免疫原制备单抗,利用肠激酶切掉HSPA6+ProGRP融合蛋白的HSPA6标签部分,得到纯的ProGRP来筛选单克隆抗体;本申请分别将两株单克隆抗体偶联上磁粒子和标记上吖啶酯,可以进行双抗体夹心法的磁粒子化学发光检测样本,作为试剂盒用于样本检测。本发明制备抗体的周期短,效价高,适合用于化学发光试剂盒的检测,可用于临床诊断。

标签:
化学分析
湖北 - 武汉 来源:中冶有色网 2023-03-19
非侵入式一体化纤维基C反应蛋白传感器

本发明提供了一种非侵入式一体化纤维基C反应蛋白传感器。包括纤维基体液过滤单元和纤维基有机电化学晶体管检测单元,纤维基体液过滤单元包括亲水过滤区和围绕亲水过滤区的疏水区,亲水过滤区包括若干层孔径由上至下逐渐减小的多孔纳米纤维膜过滤层,多孔纳米纤维膜过滤层表面修饰有用于滤除体液中的干扰物质的修饰物;纤维基有机电化学晶体管布置于亲水过滤区的下方,包括电解液、源漏纤维电极和栅纤维电极,栅纤维电极的表面修饰有抗C反应蛋白单克隆抗体靶向分子,用于检测体液中的C反应蛋白。本发明提供的纤维基C反应蛋白传感器的跨导值高达40~100mS,具有高灵敏度和低检测下限,能够实现体液过滤与传感的一体化,适于穿戴。

标签:
化学分析
湖北 - 武汉 来源:中冶有色网 2023-03-19
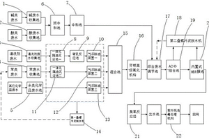
港口洗舱综合废水的分质处理系统及处理方法

本发明提供了一种港口洗舱综合废水的分质处理系统及处理方法,该系统包括检测分质机构、废水预处理单元、综合废水调节池、生化处理单元和臭氧反应塔;废水预处理单元包括酸碱中和处理机构、清洗废水处理机构、苯废水处理机构及余类化学品处理机构,所述酸碱中和处理机构、清洗废水处理机构、苯废水处理机构及余类化学品处理机构的进水口均与检测分质机构出料口连接,其出水口均与综合废水调节池进水口连接,综合废水调节池出水口与生化处理单元进水口连接,生化处理单元出水口与臭氧反应塔进料口连接。该发明对含不同有机化学品的综合废水进行分类,根据各类废水特点,采用不同工艺分质进行处理,在保证出水达标情况下尽可能的降低运行成本。

标签:
化学分析
湖北 - 武汉 来源:中冶有色网 2023-03-19
燃料电池系统的故障诊断装置及方法

本发明涉及一种燃料电池系统的故障诊断装置及方法,包括通信单元、诊断核心单元和人机交互单元,其特点是:通信单元接收主控制器的过程参数和工作状态信息,以及巡检单元的单片电池电压信息,向现场远程监控中心和上位机发送诊断结果以及各种参数和数据;诊断核心单元通过制定的诊断策略对燃料电池系统的传感器、执行器、控制器、巡检单元和电堆的故障进行检测与定位;人机交互单元对故障诊断结果进行显示、设置、清除和修改,并给出维修建议和措施。该装置考虑了燃料电池的电化学反应机理,结合专家知识和经验,采用多传感器信息融合方法,能有效应用于燃料电池系统的远程、近程、离线和在线故障诊断,提高了其故障诊断精度和可维护性。

标签:
化学分析
湖北 - 武汉 来源:中冶有色网 2023-03-19
上一页 20 21 22 23 24 ... 62 下一页
共62页    到第

中冶有色为您提供最新的湖北武汉有色金属化学分析技术理论与应用信息,涵盖发明专利、权利要求、说明书、技术领域、背景技术、实用新型内容及具体实施方式等有色技术内容。打造最具专业性的有色金属技术理论与应用平台!

全国热门有色金属设备推荐
展开更多 +
全国热门有色金属技术推荐
展开更多 +

 

江西省隆恩特环保设备有限公司
宣传

报名参会
更多+

报告下载

有色专家
更多+

鞍钢集团有限公司
中国工程院院士
江西理工大学
副处长/教授
中南大学
院长/教授
有研资源环境技术研究院(北京)有限公司
副总经理/教授级高工
中铝检测科技(郑州)有限公司/国家轻金属质量检验检测中心
正高级工程师
赤泥综合利用研究报告2025
推广

热门技术
更多+

推荐企业
更多+

福建省金龙稀土股份有限公司
宣传

发布

在线客服

公众号

电话

顶部
咨询电话:
010-88793500-807