青岛垚鑫智能科技有限公司
宣传

位置:中冶有色 >

有色技术频道 >

> 复合材料技术

分类:
全部
矿山技术
冶金技术
材料制备及加工技术
环境保护技术
分析检测技术
 
全部
功能材料技术
复合材料技术
新能源材料技术
合金材料技术
加工技术
地区:
全部
北京
天津
上海
重庆
河北
山西
辽宁
吉林
黑龙江
江苏
浙江
安徽
福建
江西
山东
河南
湖北
湖南
广东
海南
四川
贵州
云南
陕西
甘肃
青海
内蒙
广西
西藏
宁夏
新疆
其他
其他
展开
 
全部
南京
无锡
徐州
常州
苏州
南通
连云港
淮安
盐城
扬州
镇江
泰州
宿迁

江苏南京有色金属复合材料技术理论与应用

免费发布技术信息>>
防冻害与抗振加固路基结构

本发明公开一种防冻害与抗振加固路基结构,包括最底部的粗粒土垫层,并且在所述的粗粒土垫层上面从下至上依次还包括加筋铝基复合材料颗粒碎石垫层、铃桩石灰废旧混凝土填料垫层和加筋固化土填料垫层;所述的哑铃桩石灰废旧混凝土填料垫层的构筑方法如下:将石灰、废旧混凝土、填料按重量比4‑12:10‑18:100混合搅拌均匀后铺设,并且在该垫层内部按等间距水平埋设多个哑铃桩,本发明解决季节冻土区重载铁路路基冻害与振陷问题,提高线路平顺性,能够保持路基稳定、避免路基不均匀沉降,减少了路基损伤,保证了铁路列车行驶安全。

标签:
复合材料
江苏 - 南京 来源:中冶有色网 2023-03-18
喷射成形同步超声热精轧制备技术

本发明公开了一种喷射成形同步超声热精轧制备技术,属于复合材料技术领域,具体步骤为:漏包中的金属熔体经过内、外漏嘴分别流入喷嘴处;金属熔体在高压惰性气体雾化成大量的锥状喷射细微液滴;喷射细液滴在雾化室中高速喷射气体飞行,液滴急剧冷却形成固、液共存状态,雾化锥液滴扫描沉积在旋转运动及回缩运动的基底上,形成一层沉积层;利用超声工具头的超声振动与热精轧作用于沉积层上,且沉积层的热传入下一层沉积层金属中,形成最终的锭坯;本发明解决了传统工艺中组织性能较差,以及工序路线长和材料氧化问题,缩短加工流程,并且在惰性环境下完成整个过程,避免了材料的氧化,可以制备大尺寸的毛坯件,降低了工艺成本。

标签:
复合材料
江苏 - 南京 来源:中冶有色网 2023-03-18
连续异构型大面积冲击监测网络及冲击区域定位方法

本发明公开了一种连续异构型大面积冲击监测网络及冲击区域定位方法,属于航空航天智能结构技术领域。连续异构型大面积冲击监测网络由线型压电传感器连续串联阵列和线型压电传感器离散独立阵列交替排列组成,整个监测网络嵌入飞行器复合材料结构内部或者布置于结构表面形成智能蒙皮。当结构遭受外界物体冲击时,监测网络输出冲击响应信号,冲击响应信号经过数字化后,由冲击区域定位方法判断冲击发生的位置。本发明能够极大的减少飞行器智能蒙皮大面积冲击监测时所需的传感器引线数量及冲击监测系统所需数据采集通道数,可以降低冲击监测系统处理器复杂度并降低在计算冲击位置时所需的功耗,从而提高冲击监测系统可靠性。 1

标签:
复合材料
江苏 - 南京 来源:中冶有色网 2023-03-18
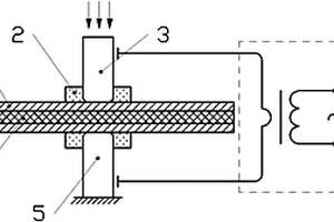
碳纤维增强热塑性超混杂复合层板的损伤修复工艺及其装置

本发明涉及一种碳纤维增强热塑性超混杂复合层板的损伤修复装置,包括电极、给压组件、供电组件;电极包括立式点压上、下电极和卧式滚压上、下电极;立式点压上、下电极与构件接触部套设陶瓷压环;下电极固定,给压组件驱动上电极向下移动并给予构件恒定压力;卧式滚压上、下电极保持角速度相同方向相反的自转运动,构件在卧式滚压上、下电极沿构件上下表面滚动时,与构件产生滚动摩擦,并与构件发生相对移动;供电组件在内置电源及变压器的协同作用下能够调节电流大小,并针对不同尺寸、材料的超混杂复合层板构件变化电流参数。本发明具有能耗低、方法简单易实施、修复周期短等优势,大大节约了复合材料的修复成本。

标签:
复合材料
江苏 - 南京 来源:中冶有色网 2023-03-18
基于人工智能的户外生活垃圾自动分拣的装置

目前市场上出现的各类用于垃圾分类的前端设备,都是基于人工分类模式。一种基于人工智能的户外生活垃圾自动分拣的装置,使用了基于深度学习的图像分类技术来对垃圾进行分类判定,判别属于可回收物还是不可回收物,采用云端分类模型与本地分类模型相结合的方式,提升分类的正确性和连接可靠性,外壳采用玄武岩纤维复合材料,使得外壳具备高强度、轻量化、隔热、无信号屏蔽等特点,使用氟碳漆涂装翻转板,使得维护人员非常容易清洗留存的垃圾脏污,使用基于颜色特征分布的机器视觉分析方法,用于判断投料板上是否存在投入的垃圾,节约上传数据流量,使用基于颜色特征分布的机器视觉分析方法,用于判断投料板上是否脏污情况,使用多种传感器探测设备状态用于判断设备内垃圾的容量,使用红外漫反射传感器感应人手部是否靠近投料口,自动打开投料门。

标签:
复合材料
江苏 - 南京 来源:中冶有色网 2023-03-18
真空叠轧金属复合板板坯真空制备自动检测控制装置及方法

本发明公开了一种真空叠轧金属复合板板坯真空制备自动检测控制装置,属于金属复合材料制造技术领域,用于嵌入式真空叠轧类金属复合板坯的真空制备,包括真空泵、真空电磁阀、真空计、三通接头、多个通气管道和多个内螺纹六角套管,真空电磁阀位于靠近真空泵一侧的真空计前端,真空电磁阀和真空计的连接方式均为内六角螺纹连接,真空计的上方设有真空计通讯接头,并连接电控柜,用于将模拟量信号转化为数字信号传输给电控柜。本发明实现了真空值自动采集,检测精度更高,产品真空度值从模拟量到数字量的转化,实现数值可视化,真空制备过程中自动抽真空工作同时对保压过程进行数据监控,实现真空度自动读取和实时监控。

标签:
复合材料
江苏 - 南京 来源:中冶有色网 2023-03-18
高低温退火韧性的铁基非晶合金及其制备方法和用途

本发明公开了一种高低温退火韧性的铁基非晶合金及其制备方法和用途,所述铁基非晶合金的化学表达式为FeaCobNicBdCeCufMg,其中,a、b、c、d、e、f和g为对应各元素的原子摩尔百分含量,且:65≤a≤76,5≤b≤13,3≤c≤8,8≤d≤16,0.1≤e≤0.7,0.1≤f≤0.4,1≤g≤5,a+b+c+d+e+f+g=100;所述组分M为Zr、Nb、Cr中的至少一种元素。本发明的铁基非晶合金在低温退火后仍能保持良好的韧性,对折180°不断,同时还具有良好的软磁性能与电性能,以及高的非晶形成能力,制备工艺简单,可广泛应用于传感器、变压器、电加热材料、非晶增强复合材料等方面。

标签:
复合材料
江苏 - 南京 来源:中冶有色网 2023-03-18
漂浮型底泥‑氮化硼复合光催化材料及其制备方法

本发明公开了一种漂浮型底泥‑氮化硼复合光催化材料及其制备方法,包括以下步骤:(1)底泥干燥脱水得到底泥粉体材料;(2)将尿素和三氧化二硼按1:2质量配比混匀后在1100℃通过高温缩聚反应制备氮化硼粉体材料;(3)将底泥和氮化硼按1:0.3~1质量比研磨混匀后,加水搅拌均匀并团成块状,在1000~1500℃煅烧制备漂浮型底泥‑氮化硼复合材料。本发明首次以底泥和氮化硼为原料制备了可漂浮在水面上的复合光催化材料,可充分利用太阳光,无需搅拌,特别适用于污水处理领域。

标签:
复合材料
江苏 - 南京 来源:中冶有色网 2023-03-18
针对2~18GHz频段的高效吸波剂及其制备方法

本发明公开了一种针对2~18GHz频段的高效吸波剂,该吸波剂是纳米球和纳米棒共存的Fe3O4/Cu复合物,其中n(Fe)/n(Cu)=27:7~27:3。本发明利用溶剂乙二醇的还原性,原位形成Fe3O4/Cu的复合物。并通过调整Fe3+/Cu2+的摩尔比,控制复合物中单质Cu含量。当体系中单质Cu含量达到一定程度时,有利于晶粒某一方向的形核和长大,促进部分纳米球向纳米棒转变,形成纳米球和纳米棒共存的形态。纳米球具有大比表面积,可增加电磁波内部的反射来增强对电磁波的吸收;而纳米棒则有利于电子的传输,使材料内部易形成导电网络来增强介电损耗。本发明的吸波剂,在厚度为~2mm时,最强反射损耗RL可达‑53.43dB,同时最大有效吸收带宽可达5.84GHz。这种纳米球和纳米棒共存的Fe3O4/Cu复合吸波剂的频宽优于目前大多数的Fe3O4基复合材料。

标签:
复合材料
江苏 - 南京 来源:中冶有色网 2023-03-18
同步阻燃增强高密度聚乙烯的制备方法

本发明公开一种同步阻燃增强高密度聚乙烯的制备方法,属于高密度聚乙烯(HDPE)领域。所述同步阻燃增强高密度聚乙烯的制备方法,是将纤维原料经磷酸酸解、超声破碎一段时间,然后加入胺类物质进行中和,制成含聚磷酸盐的微纳米纤维素胶体,将制得的含聚磷酸盐的微纳米纤维素胶体与HDPE混和,得到共混物;然后将上述共混物进行真空干燥,熔融共混,经挤塑造粒,制成阻燃增强高密度聚乙烯。借助微纳米纤维素的增强效应和体系的阻燃效应,同步赋予HDPE阻燃增强特性。与纯的HDPE相比,复合材料的刚度增加了24%,极限氧指数增加了28%。该方法还解决了酸处理微纳米纤维素后续的脱酸处理,易于工业化。

标签:
复合材料
江苏 - 南京 来源:中冶有色网 2023-03-18
铝合金表面的自润滑耐磨涂层的制备方法

本发明涉及一种铝合金表面的自润滑耐磨涂层的制备方法,属于金属复合材料技术领域。通过依次在铝合金的表面提供陶瓷中间缓冲层和表面自润滑层的方式,可以使高分子自润滑层附着于合金的表面;同时为了解决自润滑层与陶瓷中间缓冲层的附着力的问题,通过分别将陶瓷中间缓冲层表面羟基化以及对自润滑层树脂进行羟基化改性的方法,使陶瓷中间缓冲层与自润滑层良好结合,提高耐磨层的耐久性。

标签:
复合材料
江苏 - 南京 来源:中冶有色网 2023-03-18
二氧化钛与石墨烯复合纳米材料的制备方法

本发明提供一种二氧化钛与石墨烯复合纳米材料的制备方法,该方法包括:取石墨烯氧化物水溶液和叔丁胺混合得到混合液,再与钛前驱体溶液混合,在微波辅助加热至120℃~200℃的条件下磁力搅拌,进行反应生成有机相溶液,再从该有机相溶液中分离出二氧化钛与石墨烯复合纳米材料;所述钛前驱体溶液由钛酸正丙酯、有机包覆剂和甲苯组成。用来制备高质量二氧化钛与石墨烯复合纳米材料。所谓高质量,即纳米粒子结晶性好、粒径分布窄、尺寸可控;纳米粒子在复合材料中可均匀地分散于石墨烯基表面,不脱落、不团聚、稳定性好。

标签:
复合材料
江苏 - 南京 来源:中冶有色网 2023-03-18
硫碳导电聚合物正极及使用这种正极的二次铝电池

本发明公开了一种二次铝硫电池,包括正极、负极、电解质。该负极活性材料为金属铝或铝合金。该电解质为酸性卤铝酸型离子液体。该正极活性材料为硫/碳/导电聚合物复合材料。本发明方法制备的可充铝电池具有制备简单、原料丰富、价格低廉、易于生产的优点,作为一种新型绿色能源,在动力电池和储能领域有广阔应用前景。

标签:
复合材料
江苏 - 南京 来源:中冶有色网 2023-03-18
固体推进剂用纳米Al/Ni/HTPB核-壳结构含能复合粒子及其制备方法

本发明公开了一种固体推进剂用纳米Al/Ni/HTPB核-壳结构含能复合粒子及其制备方法。所属复合粒子是一种三层核-壳结构复合材料,首先是以Al粉为核,Ni为壳对Al粉进行一次包覆,制备纳米Al/Ni复合粒子;然后用HTPB对纳米Al/Ni复合粒子进行第二次包覆,制备纳米Al/Ni/HTPB复合粒子。本发明采用Ni和HTPB对纳米Al粉进行双层包覆,可有效阻止纳米Al的氧化,保持纳米Al的活性;包覆材料均为推进剂的配方组分,优化了含能粒子结构,解决了应用过程中推进剂相容性差的问题。

标签:
复合材料
江苏 - 南京 来源:中冶有色网 2023-03-18
增强型尼龙6材料的制备方法

本发明属于高分子复合材料技术领域,涉及一种增强型尼龙6材料的制备方法。将己内酰胺单体100份与催化剂0.1~15份加入反应釜进行反应后,进入双螺杆反应挤出机,加入助剂0.15~20份,并在双螺杆反应挤出机后半段加入玻璃纤维进行反应挤出增强改性,同时抽真空脱除未反应完的己内酰胺单体,从而得到玻璃纤维增强尼龙6材料。具有较高的拉伸强度、弯曲强度、弯曲模量及缺口冲击强度,热变形温度高,由于该材料是性能优良的工程塑料,因此广泛应用于电子、机械、汽车、纺织、建筑等领域。

标签:
复合材料
江苏 - 南京 来源:中冶有色网 2023-03-18
5-羟甲基糠醛的SERS检测方法

本发明公开了一种5‑羟甲基糠醛的SERS检测方法,包括PVP改性的SiO2纳米球的制备、SiO2@Ag纳米球的制备和检测。本发明的有益效果是:利用简单的方法在SiO2纳米球表面完全包覆均匀的AgNPs,得到SiO2@Ag纳米复合材料,然后将其作为检测5‑HMF的SERS基底。由于SiO2@Ag纳米球具有高度的表面均匀性,且在SiO2纳米球表面包覆的AgNPs之间的间隙小于10 nm,可以形成大量的热点,所以此SERS基底具有稳定性好、重现性好、灵敏性高的优点,适用于5‑HMF的低浓度和在实际样品中的检测。

标签:
复合材料
江苏 - 南京 来源:中冶有色网 2023-03-18
化学交联纳米纤维素复合柔性导电材料及其制备方法

本发明公开了一种化学交联纳米纤维素复合柔性导电材料及其制备方法。该制备方法包括以下步骤:采用具有催化改性功能的二元羧酸或多元羧酸低共熔溶剂和含双键的环氧类单体对纤维素进行高温润胀,然后将所述纤维素原料经机械处理得到改性纳米纤维素分散液;向分散液中加入引发剂进行快速聚合,制备得到化学交联纳米纤维素复合柔性导电材料。本发明反应过程绿色环保、聚合速度快,具有工业化前景;可在纤维素表面引入双键交联点,使纤维素与柔性聚合物基材产生化学交联,进一步实现复合柔性导电材料的应力和应变同时提升;所述复合材料可广泛应用于软体机器人、可穿戴传感器和可拉伸元器件等领域。

标签:
复合材料
江苏 - 南京 来源:中冶有色网 2023-03-18
乳酸菌发酵竹青碎料制备无胶碎料板的方法及其产品

本发明公开了一种乳酸菌发酵竹青碎料制备无胶碎料板的方法及其产品,涉及农林废弃物利用及复合材料技术领域。该方法包括以下步骤:(1)将竹青废料烘干,除杂,粉碎,得到竹青碎料;(2)所述竹青碎料加入复合乳酸菌溶液,进行厌氧发酵;(3)厌氧发酵后的竹青碎料干燥,组坯,再经热压后得到所述无胶碎料板;所述复合乳酸菌溶液包括副干酪乳酸菌、植物乳杆菌和布氏乳酸菌。本发明提供的方法利用乳酸菌发酵可以降解竹材中纤维素、半纤维素和木质素,并生成具有自粘特性的物质的特性,该方法制备的竹青碎料无胶板不仅能满足国家标准的要求,而且在生产、使用过程中不产生有害物质和化学残留。

标签:
复合材料
江苏 - 南京 来源:中冶有色网 2023-03-18
纤维材料、制备方法、装置以及卫生用品

本发明属于特殊性能纤维制品及复合材料领域,具体涉及一种纤维材料、制备方法、装置以及卫生用品。该复合纤维材料在使用过程中可以有效解决现有单层或双层技术中存在的立体保持性差,抗变形能力差,舒适度不好,弹性差等问题,该纤维材料通过在3D鼓包中通过上/下倒刺开孔以及侧部倒刺开孔结构,形成了内部结构的支撑,实现了增加立体感、弹性和抗变形能力,进一步减少接触面积,提高空气流通性能,增加干爽性、透气性、舒适性、美观性和体验感,有效减少液体回渗和有效减少稀便接触和附着皮肤,减少皮肤过敏。

标签:
复合材料
江苏 - 南京 来源:中冶有色网 2023-03-18
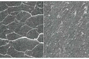
层状铝合金/铝基复合板材及其制备方法

本发明属于金属材料制备领域,具体涉及一种层状铝合金/铝基复合板材及其制备方法。具体为在表面粗化处理过的铝合金板之间均匀分散氮化镁粉末,将堆叠好的板材进行真空热压使板材通过置换反应原位生成AlN,提高板材间的结合强度和结合质量,并对其进行轧制,以细化晶粒,提高材料内位错密度和晶界数量,达到提高材料力学性能的效果,随后进行低温退火去除残余应力使其具有更佳的综合力学性能;然后将所得板材切割为大小相等的两块并上述步骤。本发明制备的层状铝基复合材料板材界面结合好,最大程度的降低轧制过程中引入的内部缺陷,使材料具有良好的强度和塑性。

标签:
复合材料
江苏 - 南京 来源:中冶有色网 2023-03-18
含HATN@石墨烯防腐涂层及其制备方法

本发明属于防腐蚀涂层技术领域,涉及一种含HATN@石墨烯防腐涂层及其制备方法。其技术要点如下:防腐蚀涂层包括:环氧树脂、HANT@石墨烯、固化剂和助剂;其中,HANT@石墨烯在防腐蚀涂层中的质量分数为0.02~0.4%。本发明提供的一种含HATN@石墨烯复合材料的防腐涂层及其制备方法,其中纳米棒状结构的HATN有机物提供了丰富的氧化还原基团,改善石墨烯与高分子基体相容性的同时,使石墨烯片层的阻隔范围更加连续。石墨烯增强涂层的阻隔作用之外,有效降低涂层内外的电势差,实现更好的电化学保护。

标签:
复合材料
江苏 - 南京 来源:中冶有色网 2023-03-18
锌包氧化石墨烯复合防腐涂料的制备方法

本发明公开了一种锌包氧化石墨烯复合防腐涂料的制备方法,本发明利用电刷镀工艺与镀层连续制取装置实现了锌粉与氧化石墨烯相结合形成复合材料即使得氧化石墨烯外包裹有适当的锌层,一方面既能够保证锌包氧化石墨烯粉末在涂层成膜过程中形成更为均匀致密的堆积层结构;另一方面又能够充分利用锌层的电化学保护作用,提升涂层的耐腐蚀能力。另外,由于氧化石墨烯的大量掺杂,一定程度减少了锌粉的用量,在减少锌粉加入量的前提下,仍能够使得涂料保持较好的抗腐蚀作用。最后,由于锌层的包裹,有效遮蔽了氧化石墨烯的表面化学基团,有效减少了氧化石墨烯使用过程中产生的聚团沉降现象,进而使得氧化石墨烯粉末能够均匀稳定地分散在防腐涂料中。

标签:
复合材料
江苏 - 南京 来源:中冶有色网 2023-03-18
基于角蛋白巯基—二硫键交换反应的硫化氢供体及其合成方法和应用

本发明公开了一种基于角蛋白巯基—二硫键交换反应的硫化氢供体及其合成方法和应用,该合成包括:从人发中提取角蛋白,得到含巯基的角蛋白溶液;将含二硫键的小分子溶于有机溶剂中,并将其加入角蛋白溶液中,得到反应液A,反应后透析并冷冻干燥得固体样品B;将固体样品B溶于有机溶剂中,加入含硫代羧基的小分子后,继续反应得到反应液C;将反应液C透析后,冷冻干燥得到基于角蛋白巯基交换反应的硫化氢供体。本发明首次采用基于角蛋白的巯基交换反应合成还原性响应的硫化氢供体,合成的基于角蛋白巯基—二硫键交换反应的硫化氢供体具有良好的生物相容性,稳定性高能够溶于水,并具有靶向性释放等特点,有利于制备多功能的硫化氢释放复合材料。

标签:
复合材料
江苏 - 南京 来源:中冶有色网 2023-03-18
等离子熔覆制备异构材料的方法

本发明属于异构材料制备领域,具体涉及一种等离子熔覆制备异构材料的方法。包括预处理、底层熔覆、多层熔覆和固溶时效析出四步工序。具体步骤为:采用等离子熔覆,在高韧性材料A基体上熔覆高强度的材料B,再在高强度材料B基体上熔覆高韧性的材料A,按照特定的搭接堆垛方式重复以上的操作,最后经固溶时效析出获得三维方向上可控可设计的异构材料,最终实现材料的高强高韧。本发明通过等离子熔覆工艺及固溶时效析出制备多层复杂的异构复合材料,有效地避免杂质的掺入和界面氧化,易于进行工业生产,适用的原材料范围广,且熔覆样式及形状变化多样,实现了异质结构在三维方向上可控可设计。

标签:
复合材料
江苏 - 南京 来源:中冶有色网 2023-03-18
电化学还原二氧化碳为一氧化碳的中空结构催化剂及其催化剂的制备方法

电化学还原二氧化碳为一氧化碳的中空结构催化剂及其制备方法。本发明属于二氧化碳资源化技术领域;在惰性氮气1000℃下碳化Cu(OH)2@ZIF‑8复合材料,制得了中空结构的C‑Cu(OH)2@ZIF‑1000碳材料;通过调控材料的形貌来提高材料的CO2催化还原性能;ZIF‑8的加入不仅提供了碳源和氮源,同时经过高温碳化后形成不同种类的氮,从而起到很好的催化还原作用;铜盐的加入形成了金属‑氮共掺杂结构,通过两者之间的协同作用,进一步提高了材料的CO2催化还原能力;该方法简便、快捷、易操作、环境友好、可大规模应用于工业生产。

标签:
复合材料
江苏 - 南京 来源:中冶有色网 2023-03-18
镁合金/生物陶瓷多孔支架及其制备方法和应用

本发明公开了一种镁合金/生物陶瓷多孔支架及其制备方法和应用,属于生物医学材料技术领域,所述复合材料以镁合金作为支架的框架结构,在支架表面涂覆一层生物活性陶瓷浆料,利用高温脱脂、烧结法可以制得支架成品;所述支架可以在没有模具的条件下实现多孔结构化设计,具有一定的机械强度和良好的生物活性,能够很好的应用于骨组织工程领域。本发明生物支架框架结构使用3D打印金属材料作为支撑结构,表面涂覆一层较为均匀的生物陶瓷材料,烧结后具有良好的生物活性。

标签:
复合材料
江苏 - 南京 来源:中冶有色网 2023-03-18
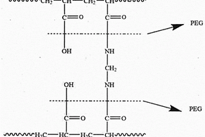
内应力可视化的半互穿网络型形状记忆复合物及其制备方法

本发明公开了一种内应力可视化的新型水驱动半互穿网络形状记忆材料及其制备方法。该材料由聚乙二醇与聚丙烯酸组成的具有形状记忆功能的复合材料。当该材料在外力下变形(弯曲、扭曲等)、撤销外力后,材料因自身弹性,回复原始形状;但当材料吸水后,材料在外力作用后产生的内应力的作用下,产生形变(称为内应力赋形,材料处于临时形状),当烘干后,材料回复原始形状。该材料在吸水后,材料会根据所受外力自动产生弯曲或扭曲形变;使内应力可视化。该材料原料价廉、制备简单,易于大批量生产。

标签:
复合材料
江苏 - 南京 来源:中冶有色网 2023-03-18
CoMoO<sub>4</sub>/g-C<sub>3</sub>N<sub>4</sub>复合光催化剂及其制备方法和应用

本发明公开了一种CoMoO4/g‑C3N4复合光催化剂,所述光催化剂为二维片层状的g‑C3N4上负载有一定量的CoMoO4纳米棒;g‑C3N4上CoMoO4纳米棒的负载量为5%~15%(质量百分比)。本发明还公开了上述CoMoO4/g‑C3N4复合光催化剂的制备方法及其在缺氧水体中吸附降解腐植酸的应用。本发明CoMoO4/g‑C3N4复合材料可见光下对水体中的腐植酸具有良好的吸附能力和降解能力,尤其在水体中有过硫酸盐存在的情况下,CoMoO4/g‑C3N4能够有效活化过硫酸盐生成硫酸根自由基,从而进一步提高其降解水体中有机污染物的能力。

标签:
复合材料
江苏 - 南京 来源:中冶有色网 2023-03-18
制备泡沫玻璃-气凝胶隔热材料的方法

本发明涉及一种制备泡沫玻璃‑气凝胶隔热材料的方法。先制备泡沫玻璃,然后用粉煤灰制备硅溶胶,最后制得泡沫玻璃‑气凝胶隔热材料。本发明将粉煤灰掺杂进碎玻璃中通过高温发泡制备泡沫玻璃,在降低材料制备成本的同时,实现了固体废弃物的资源化利用。同时通过真空浸渍工艺将两种材料相结合,可以使得泡沫玻璃隔热效果进一步提升和使气凝胶产品获得机械强度的附加。所制备的泡沫玻璃/气凝胶复合材料密度为0.34~0.67g/cm3,抗压强度为1.21~2.78MPa,抗折强度为0.74~1.37MPa,常温导热系数在0.062~0.102W·m‑1·K‑1之间。可作为高效隔热材料用于建筑、石油石化和工业窑炉等领域。

标签:
复合材料
江苏 - 南京 来源:中冶有色网 2023-03-18
复合氧化物涂层及其制备方法和应用

本发明公开了一种复合氧化物涂层,包含氧化锆和氧化镧,该复合氧化物涂层的制备方法包括:1)将镧盐溶解于水中,搅拌均匀,得A溶液;2)将锆前驱体、醇类和酸混合,搅拌均匀,得B溶液;3)边搅拌边将A溶液缓慢滴加至B溶液中,得复合氧化物涂层前驱体溶胶;4)将载体放置于复合氧化物涂层前驱体溶胶中,浸渍,干燥,热处理,获得不同厚度的复合氧化物涂层。本发明制备工艺简单,涂层原材料易获得,便于工业化推广,制备的复合氧化物涂层在纤维表面的覆盖性好完整致密,有效提升了碳化硅纤维的抗高温氧化性能,在纤维上制备涂层后能够在高温、长时间的工作条件下保持复合材料的界面稳定性,提高纤维的高温抗氧化性能和耐高温碱腐蚀性能。

标签:
复合材料
江苏 - 南京 来源:中冶有色网 2023-03-18
上一页 14 15 16 17 18 ... 167 下一页
共167页    到第

中冶有色为您提供最新的江苏南京有色金属复合材料技术理论与应用信息,涵盖发明专利、权利要求、说明书、技术领域、背景技术、实用新型内容及具体实施方式等有色技术内容。打造最具专业性的有色金属技术理论与应用平台!

全国热门有色金属设备推荐
展开更多 +
全国热门有色金属技术推荐
展开更多 +

 

江西省隆恩特环保设备有限公司
宣传

报名参会
更多+

报告下载

有色专家
更多+

武汉科技大学
校学术委员会主任 / 教授
郑州大学
校长/党委书记
赣州有色冶金研究所有限公司
副主任/高级工程师
辽宁忠旺集团
教授级高工
长沙矿冶院检测技术有限责任公司
总经理
赤泥综合利用研究报告2025
推广

热门技术
更多+

推荐企业
更多+

福建省金龙稀土股份有限公司
宣传

发布

在线客服

公众号

电话

顶部
咨询电话:
010-88793500-807