青岛垚鑫智能科技有限公司
宣传

位置:中冶有色 >

有色技术频道 >

> 复合材料技术

分类:
全部
矿山技术
冶金技术
材料制备及加工技术
环境保护技术
分析检测技术
 
全部
功能材料技术
复合材料技术
新能源材料技术
合金材料技术
加工技术
地区:
全部
北京
天津
上海
重庆
河北
山西
辽宁
吉林
黑龙江
江苏
浙江
安徽
福建
江西
山东
河南
湖北
湖南
广东
海南
四川
贵州
云南
陕西
甘肃
青海
内蒙
广西
西藏
宁夏
新疆
其他
其他
展开
 
全部
广州
韶关
深圳
珠海
汕头
佛山
江门
湛江
茂名
肇庆
惠州
梅州
汕尾
河源
阳江
清远
东莞
中山
潮州
揭阳
云浮

广东广州有色金属复合材料技术理论与应用

免费发布技术信息>>
纳米纤维改性PBT复合材料及其制备方法和应用

本发明公开了一种纳米纤维改性PBT复合材料及其制备方法和应用,涉及复合材料领域。复合材料包括PBT树脂:40份‑55份;PBAT树脂:5份‑15份;PE树脂:5份‑10份;纳米纤维素:5份‑10份;玻璃纤维:15份‑30份;相容剂:3份‑5份;润滑剂:0.1份‑2份;抗氧剂:0.2份‑0.5份。本申请通过PBAT树脂提高材料的韧性,PE树脂影响PBT的结晶以降低收缩,改善尺寸稳定性,同时纳米纤维素和玻璃纤维增加复合材料的强度,使复合材料同时具备有低收缩率和高缺口冲击强度,同时弯曲强度无明显降低,原料环保易得,制备工艺简单,适合工业化生产。

标签:
复合材料
广东 - 广州 来源:中冶有色网 2023-03-18
含有三维网络结构天然纤维复合材料的制造方法

本发明公开了一种含有三维网络结构天然纤维复合材料的制造方法,本发明通过在天然纤维复合材料体系中构筑以无机粒子为主体的三维连续网络,将无机粒子以一种三维交替的脉络形式穿插在复合材料基体中,使少量的无机纳米粒子以较高的密度分布于复合材料中以发挥更高的效力,实现低量无机粒子在增强天然纤维复合材料力学和尺寸稳定性的同时赋予其阻燃、导电、电磁屏蔽等功能。

标签:
复合材料
广东 - 广州 来源:中冶有色网 2023-03-18
复合材料及其制备方法、量子点发光二极管

本发明涉及一种复合材料及其制备方法、量子点发光二极管。复合材料包括半导体材料和掺杂于半导体材料中的p型掺杂剂,p型掺杂剂为全氟烷基硅烷。上述复合材料中,作为p型掺杂剂的全氟烷基硅烷具有很强的吸电子能力,可以将电子从半导体材料中吸走,从而留下空穴,提高半导体材料的空穴浓度,继而提高半导体材料的导电率,从而提高空穴传输效率,增加半导体材料的空穴传输性能。此外,本发明还涉及一种复合材料的制备方法以及包括上述复合材料的量子点发光二极管。

标签:
复合材料
广东 - 广州 来源:中冶有色网 2023-03-18
用于污泥脱水的铁硅生物酶磁性复合材料及合成方法

本发明公开了一种用于污泥脱水的铁硅生物酶磁性复合材料及合成方法。具体涉及铁硅材料的合成、生物酶的复配以及其在污泥脱水中的应用。本发明包括以下步骤:(1)铁硅材料的合成:(2)不同生物酶在铁硅材料上的固定(磁性铁硅@生物酶复合材料);(3)根据污泥成分对不同磁性铁硅@生物酶复合材料进行复配;(4)将复配完成的磁性铁硅@生物酶复合材料用于污泥脱水。本发明目的在于提升生物酶在污泥脱水中的效率及复合材料的循环再利用。本发明在不增加污泥脱水含固率的前提下,实现污泥的高效减量和资源循环利用。

标签:
复合材料
广东 - 广州 来源:中冶有色网 2023-03-18
具有高导热散热及吸波功能的复合材料及其制备方法和用途

本发明涉及一种具有高导热散热及吸波功能的复合材料及其制备方法和用途;所述的具有高导热散热及吸波功能的复合材料包括原始塑料、导热粉体、吸波剂和助剂混合制成;所述的具有高导热散热及吸波功能的复合材料的制备方法包括以下具体步骤:1)除水分;2)记重配料;3)混合搅拌;4)抽粒造粒;5)包装;一种具有高导热散热及吸波功能的复合材料在散热吸波板材、散热吸波鳍片体以及散热吸波外壳中应用,本发明复合材料除具备塑胶材料优异的可塑性,高效率的生产工艺外,同时赋予产品高导热散热性能和优良的电磁波吸收能力,可应用于电子电气等产品上,为其解决热量过大及电磁干扰严重等问题。

标签:
复合材料
广东 - 广州 来源:中冶有色网 2023-03-18
用于制造具有夹层结构的PET木塑复合材料的制造设备

用于制造具有夹层结构的PET木塑复合材料的设备,本发明属于复合材料制备设备领域,具体涉及一种PET复合材料的制备设备领域。本发明的目的是通过改进设备结构来克服上述背景技术存在的强度低、韧性差及不美观等的问题。本发明的用于制造具有夹层结构的PET木塑复合材料的设备,具有控制设备、主挤出设备、辅助挤出设备和将主挤出设备与辅助挤出设备连接在一起的模具头,所述主挤出设备具有动力设备、传动轴、机筒、加热装置、进料斗、支架和平台底座;所述辅助挤出设备具有动力机械、传动杆、螺纹内杆、反应筒、加热装置、辅料入斗和支架。本发明提供的设备用于PET木塑复合材料的制备领域。

标签:
复合材料
广东 - 广州 来源:中冶有色网 2023-03-18
增强钛基复合材料及其粉末冶金制备方法

一种增强钛基复合材料,其特征是由以下成分和质量百分组成:粒径为5~10μm的TiB21.0~11.0%,粒径为10~25μm的稀土六硼化物0.8~1.0%,钛粉75.0~85.0%,Al粉3.5~4.5%,Mo粉5.0~7.0%和Fe粉1.0~1.5%。本发明所述的增强钛基复合材料的粉末冶金制备方法步骤如下:将TiB2、稀土六硼化物、Ti粉、Al粉、Mo粉和Fe粉混合均匀;在冲击速度为4.50~6.28m/s,冲击能量与装粉量之比为:1370~2602J∶10~19g的条件下,压制生坯;真空烧结生坯,得到所述增强钛基复合材料。本发明的增强钛基复合材料是一种烧结致密度高、硬度和弯曲强度高的材料。本发明方法制备钛基复合材料工艺过程简单,成本低,可减少生产环节,降低能耗,适合于大批量生产。

标签:
复合材料
广东 - 广州 来源:中冶有色网 2023-03-18
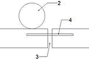
用于水泥混凝土路面的圆盘形复合材料传力杆

本实用新型公开了一种用于水泥混凝土路面的圆盘形复合材料传力杆,连接于具有板间横向接缝的水泥混凝土路面板之间,所述圆盘形复合材料传力杆由复合材料构成,其形状为具有一定厚度的圆盘形,横截面为矩形。本实用新型在保护路面结构方面有着良好的使用效果,与传统的圆截面钢制传力杆相比,圆盘形复合材料传力杆具有更好的抗锈蚀性,防止混凝土路面因传力杆锈蚀而造成的接缝“锁死”导致的混凝土接缝破坏,延长路面寿命;圆盘形复合材料传力杆与混凝土接触面积更大,能够减小传力杆与混凝土之间的接触应力,降低传力杆与混凝土接触面因应力过大而破坏的可能性,提高路面结构的耐久性,很适合用于当下我国的交通道路建设。

标签:
复合材料
广东 - 广州 来源:中冶有色网 2023-03-18
复合材料及电池复合隔膜

本发明公开了一种复合材料及电池复合隔膜。一种复合材料,复合材料包括过渡金属硫化物插层和包覆的蒙脱石;过渡金属硫化物的化学式为MS2,M包括Fe、Cu、Mo、Ti、Co、Ni、Mn、Nb、Zr、W、Re和Ta中的任意一种或多种。一种电池复合隔膜,电池复合隔膜包含基材;基材表面上涂覆有涂层;涂层包括复合材料。本发明提供的复合材料将蒙脱石对多硫化锂的强吸附作用与过渡金属硫化物的催化作用有机结合,从而利用复合材料内部和外部的吸附和催化活性位点形成吸附和催化协同作用,从而实现锂硫电池充放电过程多硫化物的吸附和转化过程的强化,有效抑制多硫化物的穿梭效应,进而大幅提高锂硫电池的循环稳定性。

标签:
复合材料
广东 - 广州 来源:中冶有色网 2023-03-18
含脱层复合材料层合板Ⅱ型裂纹扩展的分析方法

本发明公开了一种含脱层复合材料层合板Ⅱ型裂纹扩展的分析方法,包括以下步骤:S1、建立含脱层复合材料层合板的数学模型;S2、基于一阶剪切变形理论,确定非线性几何变形场和控制方程组;S3、求解控制方程组,得到含脱层复合材料层合板的非线性后屈曲响应;S4、计算求解含脱层复合材料层合板的弹性能,外力功及表面能,得出系统势能的改变量;S5、求解能量释放率和临界扩展荷载。本发明建立了一种通用的预测Ⅱ型裂纹扩展的计算方法,该计算方法不受脱层参数和几何尺寸的约束,可以广泛应用于复合材料脱层薄壁结构的Ⅱ型裂纹扩展分析,为含脱层复合材料层合板脱层扩展以及剩余强度评估提供了理论基础和参考方法。

标签:
复合材料
广东 - 广州 来源:中冶有色网 2023-03-18
具有碳-碳复合材料的玻璃饭盒

本发明提供了一种具有碳‑碳复合材料的玻璃饭盒,包括本体和盖体,所述本体和盖体扣接,所述本体包括碳‑碳复合材料外层坯体、玻璃材料内层坯体和连接所述碳‑碳复合材料外层与所述玻璃材料内层坯体的连接层,所述连接层为制备在碳‑碳复合材料层坯体表面的玻璃粒子层。由此,通过碳‑碳复合材料外层坯体提高导热率,缩短加热时间,由于碳‑碳复合材料外层坯体是均匀分布,可使受热均匀。

标签:
复合材料
广东 - 广州 来源:中冶有色网 2023-03-18
多功能复合材料及其制备方法和应用

本发明涉及一种多功能复合材料及其制备方法和应用,所述复合材料包括交替层叠设置的复合海绵层、负载抗肿瘤药物的电纺纤维层,且所述复合材料的上、下表层均为复合海绵层。本发明所涉及的多功能复合材料集止血功能、抗菌功能和化疗功能于一体,多维度地针对引起肿瘤复发的原因,更加高效地抑制术后肿瘤的复发。本发明所涉及的多功能复合材料将复合海绵层与负载抗肿瘤药物的电纺纤维层交替层叠,其中复合海绵层可以快速有效地吸收流出的血液,进一步将其凝结在内部;同时,抗肿瘤药物从电纺纤维中持续释放,从而杀死残留的肿瘤细胞。综上,本发明所涉及的复合材料是一种多功能的抑制肿瘤复发的材料。

标签:
复合材料
广东 - 广州 来源:中冶有色网 2023-03-18
含氧化硼的碳化钨复合材料及其制备方法

本发明属于硬质合金材料技术领域,公开了一种含氧化硼的碳化钨复合材料及其制备方法。所述复合材料由碳化钨、氧化硼、氧化铝和氧化锆制备而成,其中碳化钨的含量为88‑96wt%,氧化硼、氧化铝和氧化锆的用量都不为0;且氧化铝:氧化硼的摩尔比为(0.5~4.5):1。本发明通过加入氧化硼,显著降低复合材料的烧结温度,同时提高复合材料的断裂韧性。利用氧化硼与氧化铝反应生成硼酸铝晶须的过程,在较低温度得到致密的无粘结相WC复合材料。所制备的复合材料不含有任何金属粘结相,具有很高的硬度、耐磨性以及较好的韧性,适合刀具材料或模具材料。

标签:
复合材料
广东 - 广州 来源:中冶有色网 2023-03-18
纳米硅颗粒-石墨片-碳纳米管复合材料及其制备方法与应用

本发明提供了一种纳米硅颗粒-石墨纳米片复合材料及其制备方法与应用。所述制备方法,以石墨纳米片为基础,将硅纳米颗粒负载在石墨纳米片的表面上,再掺入少量碳纳米管,然后通过静电喷雾与热处理相结合的方法在复合材料表面包覆一层碳层,形成多尺度的碳(石墨纳米片+碳纳米管)-硅纳米颗粒-碳复合结构材料,使得所述纳米硅颗粒-石墨片复合材料具有较强的机械强度,由其制备而成的锂电池的容量大,循环性能好,充放电时间少;在快速充-放电的情况下,与正常充放电速率相比,其容量衰减小。

标签:
复合材料
广东 - 广州 来源:中冶有色网 2023-03-18
木质素/纤维热塑性复合材料及其制备方法

本发明公开了一种木质素/纤维热塑性复合材料及其制备方法,属于热塑性复合材料领域。本发明基于Diels‑Alder反应构建两种可动态化学交联的改性木质素;再将两种改性木质素、阻燃剂与纤维充分共混;利用Diels‑Alder反应的温度响应性,在60~90℃将这种混合物交联固化,形成复合材料。该复合材料可在110~130℃发生Diels‑Alder可逆反应,恢复成固化前的液/固混合状态,可根据这一特征对复合材料进行回收、机械杂质分离、以及重塑再利用。本发明以生物质为原料合成具有良好机械性能的热塑复合材料,与现有材料相比,本发明中的复合材料可生物降解,可抗紫外老化,制备方法简便,可重复利用,更加环保。

标签:
复合材料
广东 - 广州 来源:中冶有色网 2023-03-18
抑制耐药质粒水平转移的复合材料及其制备方法和应用

本发明属于生物材料技术领域,具体公开了一种抑制耐药质粒水平转移的复合材料及其制备方法和应用。本发明提供了一种抑制耐药质粒水平转移的复合材料,其可以作为耐药质粒接合抑制剂,所述复合材料制备步骤如下:S1.将蓖麻油和异佛尔酮二异氰酸酯搅拌混合,依次加入哌嗪、催化剂搅拌反应,再添加N‑甲基二乙醇胺,反应至溶液难以流动时添加丁酮,反应后冷却,中和;S2.向步骤S1所得反应体系中加入亚油酸,加水乳化,搅拌后提纯得到所述复合材料。所述复合材料具有pH响应特性,能够靶向动物结肠、盲肠给药,可显著抑制耐药质粒在肠道内细菌之间发生接合转移;可作为新型有效质粒抑制剂,为质粒介导的耐药基因水平传播防控提供了新方法。

标签:
复合材料
广东 - 广州 来源:中冶有色网 2023-03-18
利用黏土矿物制备碳化硅纳米材料、含碳化硅纳米复合材料的方法及应用

本发明公开了一种利用黏土矿物制备碳化硅纳米材料、含碳化硅纳米复合材料的方法及应用。该方法包括:将黏土矿物‑碳复合物在还原剂的作用下发生还原反应,制得所述碳化硅纳米材料、含碳化硅纳米复合材料。本发明制备的碳化硅纳米材料、含碳化硅纳米复合材料具有大比表面积和多级孔结构,通过调节有机前驱体中碳的含量能得到碳化硅纳米材料和含有碳化硅的纳米复合材料。此外,改变有机黏土矿物类型可调控碳化硅纳米材料和含碳化硅纳米复合材料的形貌。该方法所用原料丰富,价格低廉,制备过程简单可控,易于大规模制备;产物的成分可调,形貌可控,可满足多种应用需求。

标签:
复合材料
广东 - 广州 来源:中冶有色网 2023-03-18
制备复合材料层合板预埋分层缺陷的方法

本申请公开了一种制备复合材料层合板预埋分层缺陷的方法,包括根据复合材料层合板的厚度和预埋分层缺陷的位置确定出激光的参数;根据所述预埋分层缺陷的位置、长度和宽度确定黑色吸收层的位置、长度和宽度,将所述黑色吸收层粘贴在所述复合材料层合板两表面的相应位置;在所述黑色吸收层的表面分别设置透明约束层;利用具有所述参数的激光对所述复合材料层合板的两个表面依次进行冲击,直至完成所需冲击区域的冲击。上述制备复合材料层合板预埋分层缺陷的方法,能够快速准确制备不同位置、不同尺寸的更加真实的层合板预埋分层缺陷。

标签:
复合材料
广东 - 广州 来源:中冶有色网 2023-03-18
纳米氧化铝改性超轻质水泥基复合材料及其制备方法和应用

本发明涉及建筑材料技术领域,公开了一种纳米氧化铝改性超轻质水泥基复合材料及其制备方法和应用,所述纳米氧化铝改性超轻质水泥基复合材料按重量份计,包括水泥836份、微硅粉73份;空心微珠348份;纳米氧化铝8.36~25.08份;钢纤维35~39份;减水剂13~15份;减缩剂12~14份;水245~273份。所述纳米氧化铝改性超轻质水泥基复合材料的原材料来源广、用量配比合理,制备方法可行性好,通过添加纳米氧化铝改性,所制得的纳米氧化铝改性超轻质水泥基复合材料产品质轻、强度高,力学性能好,耐久性优良。所述纳米氧化铝改性超轻质水泥基复合材料可用于结合GFRP筋制备ULCC板材,将有潜力成为超高层建筑或大跨度构件的重要选材。

标签:
复合材料
广东 - 广州 来源:中冶有色网 2023-03-18
SiC颗粒增强铝基复合材料及其制备方法

本发明公开了一种SiC颗粒增强铝基复合材料,以AlMgSi合金为基体,以SiC颗粒为增强体;所述SiC颗粒的尺寸为10‑20μm;所述SiC颗粒的总体积占复合材料总体积的9‑13%。本发明还公开了上述SiC颗粒增强铝基复合材料的制备方法,其结合了搅拌铸造和挤压铸造制备方法。本发明增加了SiC颗粒增强铝基复合材料的颗粒分布均匀度,有效减少了SiC颗粒团聚及复合材料的缩松缩孔缺陷,得到一种兼有良好强度和韧性且颗粒分布均匀的SiC颗粒增强铝基复合材料。

标签:
复合材料
广东 - 广州 来源:中冶有色网 2023-03-18
核壳结构的纳米复合材料Fe3O4@PS@Ag及其制备方法

本发明公开了一种核壳结构的纳米复合材料及其制备方法。材料以Fe3O4为核,Fe3O4核包裹有纳米聚苯乙烯层,纳米聚苯乙烯层外包裹有纳米银层。本发明的新型核壳结构的纳米复合材料Fe3O4@PS@Ag,具有优异的光学性质与磁学特性。可作为优异磁光催化剂,在单分子检测、生物诊断及治疗等方面存在应用潜力。本发明方法制备得到的核壳结构的纳米复合材料Fe3O4@PS@Ag粒径分布均匀,化学稳定性好。所选用的原料广泛易得,操作简单,易于大规模生产。

标签:
复合材料
广东 - 广州 来源:中冶有色网 2023-03-18
热压夹芯结构木塑复合材料及其制造方法

一种热压夹芯结构木塑复合材料,本发明涉及木塑复合材料,具体涉及一种夹芯结构木塑复合材料,本发明要解决现有以热塑性聚合物为基体的木塑复合材料作为板材使用时,无法同时进行增强增韧、综合力学性能差,且材料密度大成本高,以及回收的废旧塑料难以再利用的问题。本发明包括热塑性聚合物塑料芯层材料、上表层木塑材料及下表层木塑材料,采用分层叠压的方式热压获得具有夹芯结构的木塑复合板材;本发明解决了热塑性聚合物基木塑复合材料综合力学性能差、密度高、成本高的问题。本发明还提供了一种夹芯结构木塑复合材料的制备方法。

标签:
复合材料
广东 - 广州 来源:中冶有色网 2023-03-18
层状结构的复合材料吸附去除水中硫酸根离子的方法

本发明公开了一种层状结构的复合材料吸附去除水中硫酸根离子的方法。用共沉淀法制备L-谷氨酸锌铝水滑石/硝酸根锌铝水滑石复合材料吸附处理水中的硫酸根离子。实验表明,该材料吸附水中硫酸根离子具有吸附时间短,吸附能力强,适用性强,可回收利用的特点。此外,本发明中的复合材料具有成本低,无污染,易于分离的优点,具有广阔的开发和应用前景。

标签:
复合材料
广东 - 广州 来源:中冶有色网 2023-03-18
氧化石墨烯-纳米微晶纤维素复合材料薄膜及其制备方法

本发明属于复合材料薄膜领域,公开了一种氧化石墨烯‑纳米微晶纤维素复合材料薄膜及其制备方法。所述制备方法包括以下步骤:(1)将石墨粉氧化剥离,然后加入纸浆迅速进行水解,继而终止反应,洗涤,过滤至滤饼pH呈中性;(2)滤饼再分散在水中,透析,超滤得氧化石墨烯‑纳米微晶纤维素复合材料薄膜。本发明所述的制备方法操作简单安全,工艺流程短,产品物理性能好,为高物理性能复合材料薄膜的制备提供了简单快捷的新方法。本发明制得的氧化石墨烯‑纳米微晶纤维素复合材料薄膜具有纳米微晶纤维素组分取向规则,排列整齐,薄膜拉伸强度和弹性模量大等优点,在复合材料领域具有广泛的应用前景。

标签:
复合材料
广东 - 广州 来源:中冶有色网 2023-03-18
椰衣与热塑性塑料复合材料的制备方法

本发明公开了一种椰衣与热塑性塑料复合材料的制备方法,该法将椰衣粉碎成30~120目的椰衣粉后,干燥至含水量≤3%;在80~110℃温度下向椰衣粉喷洒偶联剂溶液,制得改性椰衣粉;将改性椰衣粉与热塑性塑料树脂、相容剂、润滑剂、稳定剂、填料、阻燃剂等混合均匀,制得椰塑混合物料;将上述混合物料加入挤出机中挤出,即得椰塑复合材料。本发明解决了椰衣纤维与热塑性塑料的相容性及原料表面处理技术等问题,实现了椰子果实的综合利用,可代替资源短缺的木材使用,也增加了椰树果实的附加值,解决了椰衣废弃物的利用问题。本发明制备的复合材料兼有木材和塑料的优点,不仅可以有美观的外形,而且可防腐、防潮、防虫蛀、防火。

标签:
复合材料
广东 - 广州 来源:中冶有色网 2023-03-18
氮掺杂磁性多孔碳复合材料及其制备方法及应用

本发明涉及一种氮掺杂磁性多孔碳复合材料,包括氮掺杂多孔碳复合材料和镶嵌在所述氮掺杂多孔碳复合材料内部的含铁纳米颗粒,其中,氮掺杂多孔碳复合材料以D314型大孔弱碱性阴离子交换树脂为碳源,以K3Fe(CN)6为氮源和磁性来源。本申请以阴离子交换树脂为碳源,以铁氰化钾提供氮源及磁性来源,以氢氧化钾为活化剂。该材料的制备的原料易得,碳源价格低廉。该材料通过一步交换法和煅烧法制得,其制备方法操作简单、便捷,制得的氮掺杂磁性多孔碳复合材料表面具有大量孔洞及裂痕,为四环素吸附至材料表面提供了大量的位点。本申请制得的氮掺杂磁性多孔碳复合材料的亲水性好,稳定性高,适用范围广,能够通过化学吸附和物理吸附相结合的方式吸附水体中的四环素。

标签:
复合材料
广东 - 广州 来源:中冶有色网 2023-03-18
蒙脱石复合材料及其吸附重金属的应用

本发明公开了一种蒙脱石复合材料及其吸附重金属的应用。这种蒙脱石复合材料包括蒙脱石和水铁矿;水铁矿分散于蒙脱石的外表面。本发明的蒙脱石复合材料具有较大的BET比表面积,以及多级孔隙结构特征,既保留了蒙脱石的孔结构特点,又具有水铁矿的孔结构特征;带正电荷的水铁矿颗粒与层面带负电荷的蒙脱石颗粒牢固结合,形成稳定的蒙脱石复合材料;该复合材料具有典型的层状结构硅酸盐矿物和水铁矿的结构特征,水铁矿纳米颗粒呈现球形颗粒结构,被蒙脱石片层所包裹。将本发明的蒙脱石复合材料应用到多种重金属的水体或场地土壤环境中,能够有效对环境中的重金属进行有效去除。

标签:
复合材料
广东 - 广州 来源:中冶有色网 2023-03-18
无机/高分子复合材料及其制备方法

本发明提供一种无机/高分子复合材料的制备方法,包括以下步骤,将聚合单体和无机半导体混合,密封,在紫外光源的照射下进行本体聚合,所述聚合物单体与无机半导体的质量之比为7:3~999:1。所述聚合单体为丙烯酰胺、N,N‑二甲基丙烯酰胺、N,N‑亚甲基双丙烯酰胺、甲基丙烯酰胺、N‑异丙基丙烯酰胺、丙烯酰吗啉或1,3,5‑三丙烯酰基六氢均三嗪中的一种或几种;所述无机半导体为纳米TiO2、纳米ZnO、纳米Fe3O4、纳米Fe2O3、纳米CdS中的一种或几种;所述紫外光源的光强为30~50mW/cm2。本发明还提供由该制备方法制备得到的无机/高分子复合材料,本发明所制备的无机/高分子复合材料中的无机半导体粒子分布均匀。

标签:
复合材料
广东 - 广州 来源:中冶有色网 2023-03-18
多孔载体支撑金属气凝胶复合材料的制备方法

本发明属于气凝胶材料制备技术领域,公开了一种多孔载体支撑金属气凝胶复合材料的制备方法,用多孔载体作为支撑体,将制备的高浓度金属纳米粒子胶体溶液填充到多孔载体的孔隙或覆盖其表面上,得到多孔载体与胶体溶液复合材料并封装于二甲基硅油中,放入烘箱加热,使高浓度金属纳米粒子胶体溶液在多孔载体的孔隙或表面凝胶化,获得多孔载体支撑金属水凝胶复合材料;然后用石油醚清洗并用丙酮或乙醇进行溶剂交换,通过超临界CO2干燥获得多孔载体支撑金属气凝胶复合材料。本发明用于制备多孔载体支撑金属气凝胶复合材料,制备的多孔载体支撑金属气凝胶复合材料具有高机械稳定性能,且完整保留了金属气凝胶的三维多级孔结构和连续的导电网络。

标签:
复合材料
广东 - 广州 来源:中冶有色网 2023-03-18
MXene/多孔碳纳米纤维复合材料及其制备方法和应用

本申请属于碳纤维复合材料技术领域。本申请提供了一种MXene/多孔碳纳米纤维复合材料及其制备方法和应用。利用静电纺丝可以将MXene材料很好地嵌入碳纤维中,大大增加了复合材料的导电性,再利用碳纳米材料和高聚物材料分解温度的差异,在碳化过程中碳纳米材料会优先分解,在碳纤维形成孔洞结构,并将MXene材料锚定在具有孔洞结构的碳纤维中,能够有效抑制MXene片层间的堆积,增加复合材料的比表面积,加速离子与电子的传输速度,抑制MXene在多次反应之后的结构坍塌,同时还具有一定柔性,可以提高复合材料的电化学性能。本申请的制备方法产出率高、形貌可控,可适用于大批量生产。本申请的MXene/多孔碳纳米纤维复合材料可应用于超级电容器材料或吸波材料。

标签:
复合材料
广东 - 广州 来源:中冶有色网 2023-03-18
上一页 118 119 120 121 122 ... 132 下一页
共132页    到第

中冶有色为您提供最新的广东广州有色金属复合材料技术理论与应用信息,涵盖发明专利、权利要求、说明书、技术领域、背景技术、实用新型内容及具体实施方式等有色技术内容。打造最具专业性的有色金属技术理论与应用平台!

全国热门有色金属设备推荐
展开更多 +
全国热门有色金属技术推荐
展开更多 +

 

江西省隆恩特环保设备有限公司
宣传

报名参会
更多+

报告下载

有色专家
更多+

有研科技集团有限公司
首席科学家
中国矿业大学(北京)
院长/教授
中国瑞林工程技术有限公司
中国工程院院士
赣州江钨钨合金有限公司
副总经理
云南锡业集团(控股)有限责任公司
副总经理
赤泥综合利用研究报告2025
推广

热门技术
更多+

推荐企业
更多+

福建省金龙稀土股份有限公司
宣传

发布

在线客服

公众号

电话

顶部
咨询电话:
010-88793500-807