青岛垚鑫智能科技有限公司
宣传

位置:中冶有色 >

有色技术频道 >

> 化学分析技术

分类:
全部
矿山技术
冶金技术
材料制备及加工技术
环境保护技术
分析检测技术
 
全部
物理检测技术
化学分析技术
力学检测技术
无损检测技术
失效分析技术
环境检测技术
地区:
全部
北京
天津
上海
重庆
河北
山西
辽宁
吉林
黑龙江
江苏
浙江
安徽
福建
江西
山东
河南
湖北
湖南
广东
海南
四川
贵州
云南
陕西
甘肃
青海
内蒙
广西
西藏
宁夏
新疆
其他
其他
展开
 
全部
武汉
黄石
十堰
宜昌
襄阳
鄂州
荆门
孝感
荆州
黄冈
咸宁
随州
恩施土家族苗族自治州
仙桃
潜江
天门

湖北有色金属化学分析技术理论与应用

免费发布技术信息>>
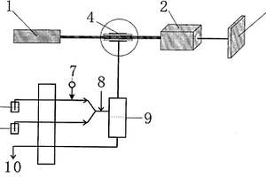
分析晶粒特征的方法
分析晶粒特征的方法 827     
 0

本发明特别涉及一种分析晶粒特征的方法,属于金相分析技术领域,方法包括:将待分析样品进行预处理,得到含分析面的待溅射样品;将所述待溅射样品的分析面进行辉光放电溅射处理,获得待扫描面;将所述待扫描面进行显微镜扫描,得到待扫描面的形貌数据;根据所述待扫描面的形貌数据,得到晶粒特征;通过辉光光谱仪辉光放电溅射金属表面显现其晶粒特征,然后使用激光显微镜获取晶粒形貌分析晶粒特征;辉光放电时高能氩离子轰击样品表面,使样品表面原子脱离晶格束缚,最终被溅射区域显现出晶粒特征。辉光放电代替了化学腐蚀。激光显微镜对表面形貌分辨率较高,能较准确获取溅射后的晶粒特征。

标签:
化学分析
湖北 - 武汉 来源:中冶有色网 2023-03-19
焦炭全自动取制样及分析设备

本实用新型涉及一种焦炭全自动取制样及分析设备,包括有取样系统、化学样制样系统、物理样分析系统和弃料转运机构;其中:所述取样系统包括有第一取样机、振动溜管、提升机、大料斗a、第二取样机、大料斗b、斜向皮带机、缩分皮带机,二分器m、样桶a和样桶b;所述化学样制样系统包括有一级破碎机、二级破碎机、二分器n、水分样收集器、对辊、微型给料器、棒磨机和粉末样收集器;所述物理样分析系统包括有六级滚筒筛、六级秤、可逆皮带机、配鼓提升机、转鼓、三级滚筒筛、三级秤以及给料器组成;本实用新型通过安装配鼓提升机,将筛分后配鼓的焦炭重新提升到高处,再运行转鼓分析,降低设备的安装高度,从而减少建筑成本。

标签:
化学分析
湖北 - 鄂州 来源:中冶有色网 2023-03-19
用于失效分析的芯片样品制作方法

本发明实施例公开了一种用于失效分析的芯片样品制作方法,将辅助支架围绕芯片设置,在辅助支架的围绕所述芯片的空间内填充固定粘接剂,能够保证芯片在研磨过程中不会发生移动,避免研磨不均匀,提高芯片样品制备成功率;辅助支架的高度要高于引线的最高点高度,可以增加对引线的保护,便于制样成功后直接进行芯片背面失效分析。进一步的,对芯片背面进行化学研磨时配置的研磨抛光液,可以提升研磨效率,节约研磨时间,而且不会和固定粘接剂进行化学反应,避免反应堆积物引起的芯片破损,最终获取均匀、完整、光洁的芯片样品表面,提高了无损制样的成功率。

标签:
化学分析
湖北 - 武汉 来源:中冶有色网 2023-03-19
中药及中药制剂的网络药理分析方法以及系统

一种中药及中药制剂的网络药理分析方法,其包括如下步骤:S1、获得中药及中药制剂的网络药理分析的各个源文件信息;S2、根据各个源文件的内在联系关系,建立“中药制剂化学成分/中药化学成分‑‑‑人蛋白/基因‑‑‑疾病”数据库,所述“中药制剂化学成分/中药化学成分‑‑‑人蛋白/基因‑‑‑疾病”数据库包括化合物的毒副作用;S3、根据建立的“中药制剂化学成分/中药化学成分‑‑‑人蛋白/基因‑‑‑疾病”数据库中“中药制剂化学成分/中药化学成分‑‑‑人蛋白/基因‑‑‑疾病”通路在Cytoscape软件中构建网络图。

标签:
化学分析
湖北 - 鄂州 来源:中冶有色网 2023-03-19
用于尿液代谢组核磁共振分析的样品配制方法

本发明公开了一种用于尿液代谢组核磁共振分析的样品配制方法,涉及生命科学/分析化学领域,更具体涉及尿液代谢组核磁共振分析。本发明通过在样品配制过程中向尿液中添加氟化钾溶液,避免了钙、镁离子与代谢物间的络合作用。由附图可见,本发明不仅使得样品之间的柠檬酸质子化学位移差别显著减小、较多代谢物的质子化学位移偏差减小、柠檬酸最低场信号向高场移动,还使得柠檬酸最低场信号和二甲胺信号的重叠消除,其间原来被掩盖的代谢物信号得到获取,提高了信号的一致性、降低了数据分析的失误率;且具有配制简单、操作方便、价格低廉的优点。

标签:
化学分析
湖北 - 武汉 来源:中冶有色网 2023-03-19
芯片固定装置及制备失效分析样品的方法

本发明提供了一种芯片固定装置及制备失效分析样品的方法,通过将芯片样品贴附于芯片固定装置上,通过固定芯片样品提供化学研磨过程中需要的反摩擦力和反离心力,实现自动化学研磨,从而实现批量自动制备失效分析样品,提高了失效分析样品预处理的效率,提高了失效分析样品制备的成功率,同时节省了人力资源;同时,在压力调节装置中设置有弹簧,通过调节阀调节弹簧的松紧,从而调节施加在化学研磨平台上的压力,实现化学研磨速度的调节,提高了化学研磨的效率。

标签:
化学分析
湖北 - 武汉 来源:中冶有色网 2023-03-19
李斯特菌属细胞中脂肪酸组分的分析方法

一种李斯特菌属细胞中脂肪酸组分的分析方法,属于生物工程技术领域,特别涉及采用细胞化学分析方法进行细菌分类的方法,主要包括以下步骤,李斯特菌复壮,用牛津琼脂平板和胰酪胨大豆酵母浸膏琼脂平板分别分离和纯化李斯特菌,培养单个典型菌落的李斯特菌并制成菌悬液,用甲醛灭活处理,把经甲醛处理后的菌悬液平均分装在离心管洗涤,用盐酸和甲醇的混合液甲酯化,把制得的脂肪酸进行气相色谱质谱(GC-MS)分析。本发明的方法不仅可以打破传统细菌分类学的局限,减少人为因素对传统形态分类带来的误差,同时为新的菌种和毒种的分类鉴定提供强有力的工具,而且还能够应用该方法从其他细菌和食品中鉴定李斯特菌。

标签:
化学分析
湖北 - 武汉 来源:中冶有色网 2023-03-19
硅酸三钙水化全过程性能指标确定方法及其计算分析仪

本发明公开了一种硅酸三钙水化全过程性能指标确定方法及基于该方法的计算分析仪,其确定方法包括如下步骤:1)建立基于多尺度、多物理场、多驱动项作用下的C3S水化过程温度场、化学场、电势场控制方程;2)结合C3S颗粒与水反应过程中的放热特征,分别建立基于水分吸附和化学反应过程的放热速率计算公式,将二者叠加得C3S水化全过程放热速率的确定方法;3)基于C3S水化放热速率和C3S水化反应过程,建立C3S水化全过程化学收缩的确定方法。本发明充分考虑多尺度、多物理场、多驱动项作用,提出一种C3S水化全过程的性能指标确定方法,具有分析结果准确、便捷、高效等优势,可为C3S水化全过程性能分析提供新思路和新工具。

标签:
化学分析
湖北 - 武汉 来源:中冶有色网 2023-03-19
基于地学栅格图像的空间加权主成分分析的方法

本发明一种基于地学栅格图像的空间加权主成分分析的方法,包括选定要进行主成分分析的N个栅格图像或称N个变量、定义待处理图像的加权值W、求变量间加权相关系数矩阵、根据相关矩阵求解特征根、确定主成分进行综合评价以及相对应的一套统计分析图表。本发明是利用样本位置属性给样本中增加空间权重因素来来改进相关矩阵,可以提高那些大权重(权重值接近于1)像元处的重要性,减小那些权重较小点处(权重值接近于0)像元的影响。本发明适用于地学数据如地质数据、矿产数据、地球化学异常、地球物理数据和遥感数据等进行矿产勘查和资源评价、环境污染评价、自然灾害分析等地学信息提取和地学数据挖掘工作。

标签:
化学分析
湖北 - 武汉 来源:中冶有色网 2023-03-19
物质含量分析方法
物质含量分析方法 699     
 0

本发明提供一种物质含量分析方法。涉及物质成分、含量的定量分析方法的技术领域,具体地说是一种利用样本中的多种化学信号建立定量分析模型进行分析的方法。公开了一种物质含量分析方法,包括以下步骤:S100:根据两种不同物质含量分析仪器获取同一样品的采集信号;S200:根据两组不同所述采集信号生成数学模型:其中,符号“< ·> ”表示求内积运算,λ是正则化常数,α1,α2是线性组合系数,符号s.t表示约束条件,||·||2表示求2范数;S300:求解所述数学模型,获得结果函数:β=(α1X1W1+α2X2W2)+Y,其中,β为回归系数, (.)+表示广义逆。

标签:
化学分析
湖北 - 武汉 来源:中冶有色网 2023-03-19
磷酸激酶辅助的DNA中5-羟甲基尿嘧啶修饰定位分析方法和试剂盒

本发明提供了一种磷酸激酶辅助的DNA中5‑羟甲基尿嘧啶修饰定位分析方法和试剂盒,所述方法包括:采用5‑羟甲基尿嘧啶磷酸激酶5hmUDK蛋白对DNA进行磷酸化反应,获得磷酸化DNA样品;将所述磷酸化DNA样品进行点击化学反应以进行生物素标记,获得标记后样品;将所述标记后样品通过链霉亲和素磁珠的富集后进行测序,获得5‑羟甲基尿嘧啶的位点信息。本发明利用5hmUDK将带有叠氮基团的磷酸根转移到5hmU上,再利用生物正交反应将5hmU生物素化,最后通过链霉亲和素磁珠的富集和高通量测序的方法对DNA中的5hmU修饰进行定位。该方法富集倍数高、操作简便,可以有效地对DNA中的5hmU修饰进行定位。

标签:
化学分析
湖北 - 武汉 来源:中冶有色网 2023-03-19
空间数据模糊证据权重分析方法

本发明是一种用于矿产预测、矿产资源评价以及环境评价的模糊证据权重分析方法和技术。包括构建多变量空间信息数据库、通过数据处理和信息提取形成矿产预测的空间信息证据图层、通过计算得到证据图层的预测权重、通过综合多层证据图层绘制矿产资源预测概率图,达到矿产资源预测的目的。本发明具有实用性广、信息损失少、预测精度高等优点,适用于多源地学数据如地质数据、矿产数据、地球化学数据、地球物理数据和遥感数据等进行信息提取、数据集成、矿产资源评价、矿产勘查、环境污染评价、自然灾害和风险评价等预报性工作。

标签:
化学分析
湖北 - 武汉 来源:中冶有色网 2023-03-19
高效液相色谱法分析分离2,4-二氰基-3-异丁基戊二酰胺的方法

本发明公开了一种用HPLC法分析分离普瑞巴林中间体2,4‑二氰基‑3‑异丁基戊二酰胺的方法,属于分析化学的领域。采用本发明方法可以很好地将2,4‑二氰基‑3‑异丁基戊二酰胺与其合成过程中引入的有关物质进行有效分离,从而控制2,4‑二氰基‑3‑异丁基戊二酰胺的质量,准确测定2,4‑二氰基‑3‑异丁基戊二酰胺的含量,指示2,4‑二氰基‑3‑异丁基戊二酰胺的稳定性。本发明所建立的方法专属性强,准确度高,操作简便。

标签:
化学分析
湖北 - 黄石 来源:中冶有色网 2023-03-19
岩矿标本鉴定分析的教学实验设备

一种岩矿标本鉴定分析的教学实验设备,在所述实验台内设有环形转动底盘,在所述环形转动底盘上设有数个升降底座,在所述环形转动底盘上的升降底座上均设有升降柱体,在所述升降柱体一侧设有开口,在所述升降柱体一侧的开口内设有岩矿标本,在所述控制面板和标本放置盒下方分别设有化学试剂放置盒和物理用具放置盒;本实用新型提供了一种集岩矿标本鉴定教学与学生学习成效测评功能于一体的岩矿成分鉴定分析教学实验设备,既便于老师教学,又为学生增添了一种良好的学习工具,极大的帮助了教师进行地质方面岩矿成分的教学,大大提升了学生的学习兴趣,极大的改进了教学质量,能够带来良好的社会效益。

标签:
化学分析
湖北 - 荆州 来源:中冶有色网 2023-03-19
绿松石宝石学特征分析方法、介质、计算机设备及应用

本发明属于绿松石特征分析技术领域,公开了一种绿松石宝石学特征分析方法、介质、计算机设备及应用,包括:采用天然绿松石和使用磷酸盐作为结合剂处理的绿松石原石作为样本,使用常规宝石学仪器、红外光谱仪、紫外可见分光光度计、X射线荧光光谱仪对磷酸盐结合剂处理的绿松石的宝石学性质、化学成分组成特征以及振动光谱特征进行系统的分析。本发明通过对磷酸盐结合剂处理的绿松石的常规宝石学测试及各种谱学特征的分析,利用磷酸盐结合剂处理的绿松石有较高的磷铝比和荧光特征可将其与天然绿松石进行有效鉴别,可以更加全面的发现磷酸盐结合剂处理的绿松石的宝石学特征,为区分天然和磷酸盐结合剂处理的绿松石的辨别提供依据。

标签:
化学分析
湖北 - 武汉 来源:中冶有色网 2023-03-19
手持式学习诊断分析装置

本发明涉及一种学习诊断分析的电子装置,特别是一种结合学习数学、物理、化学等理科类学科的科学方法与微电脑技术,根据智能化测试分析使用者的学习状况,出具知识结构、应试能力诊断报告,并可以针对未掌握之处加以反复学习的手持式学习分析诊断装置;其由壳体、中央处理器、微处理器单元、显示驱动单元、触屏液晶显示屏、I/A接口、语言处理单元、发声装置、程序存储器、主控程序、界面程序、阅卷程序、数据管理程序、知识结构能力水平评估程序、个性化训练模式程序、信息评价程序、计时程序、输入单元、电源处理单元、资料数据存储器、试题数据库、试题关联资料库、知识库、知识点概念库、知识结构库、智能评语库、个性化数据库。

标签:
化学分析
湖北 - 武汉 来源:中冶有色网 2023-03-19
原位分析Li+离子或Na+离子在纳米线中充放电输运机制的方法

本发明涉及一种原位分析Li+离子或Na+离子在纳米线中充放电输运机制的方法,包括如下步骤:1)将纳米线正极与纳米线负极或纳米薄膜负极分散在基底上;2)在纳米线正极上制作多触点金属电极集流体,并在纳米线负极或纳米薄膜负极两端制作金属电极集流体;3)在金属电极集流体上制作保护层;4)将纳米线正极用保护层覆盖住仅留一端暴露或纳米线完全暴露作为电极模型;5)封装器件,并向其中注入有机液体电解液即完成多集流体单根纳米线电化学器件的组装,然后对其进行性能测试及表征。本发明的有益效果是:为纳米线电化学器件材料的结构、电输运与电化学性能相关性研究、电池诊断等提供了一种平台。

标签:
化学分析
湖北 - 武汉 来源:中冶有色网 2023-03-19
燃料电池电堆的尾气在线分析系统

本实用新型公开了一种燃料电池电堆的尾气在线分析系统,包括样气预处理单元和分析仪表单元。样气预处理单元包括球阀、金属过滤器、冷凝器、汽水分离器、膜过滤器、针阀和流量计,其过滤器采用二级串联模式,其冷凝器选用盘管式,其流量计选用浮子流量计,保证样气稳流和仪表稳态工作。分析仪表单元包括在线仪表和电源,其分析仪表采用电化学原理,对样气中氢/氧浓度进行实时分析;本实用新型可实现对燃料电池电堆尾气的在线分析和监测,实时反馈燃料电池电堆的内部工作状态和尾气中氢/氧浓度值,且具有结构简单、安全可靠和成本低等优点。

标签:
化学分析
湖北 - 武汉 来源:中冶有色网 2023-03-19
岩矿成分鉴定分析教学实验设备

一种岩矿成分鉴定分析教学实验设备,在所述实验台内设有环形转动底盘,在所述环形转动底盘上设有数个升降底座,在所述环形转动底盘上的升降底座上均设有升降柱体,在所述升降柱体一侧的开口内设有岩矿标本,在所述实验台上表面的一侧设有数个与所述升降柱体相适配的升降口,在所述控制面板和标本放置盒下方分别设有化学试剂放置盒和物理用具放置盒;本发明提供了一种集岩矿标本鉴定教学与学生学习成效测评功能于一体的岩矿成分鉴定分析教学实验设备,既便于老师教学,又为学生增添了一种良好的学习工具,极大的帮助了教师进行地质方面岩矿成分的教学,大大提升了学生的学习兴趣,极大的改进了教学质量,能够带来良好的社会效益。

标签:
化学分析
湖北 - 荆州 来源:中冶有色网 2023-03-19
生活垃圾渗沥液污染土壤的生态效应影响分析方法

本发明涉及一种生活垃圾渗沥液污染土壤的生态效应影响分析方法。该方法包括下述步骤:①将污染土壤样品与未污染土壤样品的含水率调整至田间持水量60%,并于20~30℃温度下培养;②土壤样品的生态效应指标选取微生物活性指标(呼吸强度与土壤酶活性(过氧化氢酶、淀粉酶、脲酶、蔗糖酶))和生物毒性指标(原生动物致死率);③根据污染土壤样品与对照土壤样品生态指标的差异性进行比较,分析土壤受生活垃圾渗沥液污染的程度。本发明提供的分析方法中提及的监测指标操作简便,易于实施,可以作为对化学指标监测的补充。

标签:
化学分析
湖北 - 武汉 来源:中冶有色网 2023-03-19
原位分析磷酸钙预成核簇形成的方法

本发明属于胶体与界面化学领域,特别涉及一种原位分析磷酸钙预成核簇形成的方法。该方法是利用稀土离子“电荷转移跃迁”响应“钙离子-酸根离子成键过程”,使用稀土离子作为荧光探针取代部分磷酸钙预成核簇PNCs形成中的钙离子,实现PNCs形成过程荧光信号化,计算信号增幅率并通过动力学、热力学模型拟合分析PNCs结晶行为,揭示其形成演化机理,深化对生物矿化本质的认识。而且,本发明在分析过程中可以调控各种影响因素,能够反映PNCs在不同影响因素下的形成过程,测试信息丰富。与现有原位方法相比,本发明具有成本低廉,操作简便的优点,同时准确性高、测试信息丰富。

标签:
化学分析
湖北 - 武汉 来源:中冶有色网 2023-03-19
基于介质阻挡放电低温原子化器的非色谱汞形态分析方法

本发明属于分析化学中的元素形态分析技术领域,特别的是涉及基于介质阻挡放电低温原子化器的非色谱汞形态分析方法,利用还原剂将样品中的无机汞还原为Hg0,而有机汞生成有机汞氢化物,在介质阻挡放电原子化器不放电时,进行无机汞的测定得到无机汞的浓度;在介质阻挡放电原子化器放电时,有机汞氢化物被原子化,进行总汞的测定,得到总汞的浓度;有机汞的浓度为总汞的浓度与无机汞的浓度之间的差值。本发明的有益效果在于:本方法测定简单快速,一分钟测定一个样品,而且具有气体消耗少(40-100mL?min-1),功耗低(≤20W)的优点。

标签:
化学分析
湖北 - 武汉 来源:中冶有色网 2023-03-19
基于手持式X荧光分析仪快速圈定钛矿床方法

本申请公开了一种基于手持式X荧光分析仪快速圈定钛矿床方法,应用手持式X荧光分析仪测定鱼卡榴辉岩型金红石矿石样品中钛含量,对比化学分析结果,并提出回归方程,经校正后的测试数据可作为半定量甚至定量结果,在野外快速判断榴辉岩的含矿性,指导槽探、钻探工程的施工,成功实现了野外快速便捷识别榴辉岩型金红石矿体、非矿体,大大加快了工作进度,缩短了勘查周期。

标签:
化学分析
湖北 - 武汉 来源:中冶有色网 2023-03-19
燃料电池电堆的尾气在线分析系统及方法

本发明公开了一种燃料电池电堆的尾气在线分析系统,包括样气预处理单元和分析仪表单元,样气预处理单元包括球阀、金属过滤器、冷凝器、汽水分离器、膜过滤器、针阀和流量计,其过滤器采用二级串联模式,其冷凝器选用盘管式,其流量计选用浮子流量计,保证样气稳流和仪表稳态工作,分析仪表单元包括在线仪表和电源,其分析仪表采用电化学原理,对样气中氢/氧浓度进行实时分析;还公开了其分析方法;本发明可实现对燃料电池电堆尾气的在线分析和监测,实时反馈燃料电池电堆的内部工作状态和尾气中氢/氧浓度值,且具有结构简单、安全可靠和成本低等优点。

标签:
化学分析
湖北 - 武汉 来源:中冶有色网 2023-03-19
用于分析食用植物油中脂肪酸组成的方法及基于脂肪酸组成的食用植物油真伪鉴别方法

本发明涉及一种用于分析食用植物油中脂肪酸组成的方法及基于脂肪酸组成的食用植物油真伪鉴别方法。其分析方法步骤如下:将待测食用植物油样品经甲酯化后去除杂质,得到前处理后的样品,备用;将前处理后的样品放入气相色谱-质谱联用仪采用选择离子扫描气相色谱-质谱法进行测定,分析得到样品中脂肪酸组成。其处理过程比较简单,快速,重复性好,精确度高,可同时处理多个样品;采用选择性离子模式,灵敏度高,可分析食用植物油中30多种脂肪酸的定性定量分析;运用蒙特卡洛模拟多种食用植物油同时掺伪情况,利用化学计量学多类分类方法,可以同时实现几种食用植物油的真伪鉴别,且可识别出几种食用植物油同时掺伪的情况。

标签:
化学分析
湖北 - 武汉 来源:中冶有色网 2023-03-19
人体组织多元素活体原位无创分析仪

本实用新型公开了一种人体组织多元素活体原位无创分析仪,涉及人体组织内多种化学元素含量的分析技术。本分析仪的结构是:受探测体(11)置于受探测体支座(12)上;将可移动式探头枪金属体(14)内的小型X光激发器(1)的X光按45度方向照射受探测体(11);硅漂移探测器(2)置于X光的入射线的90度方向接收所测元素的特征X荧光信号。本实用新型能对多组织、多元素同期分析;射线照射部位选择在被测元素浓度最高的部位,实施的是原位、活体分析,因此对疾病诊断的可信度更高;可直接、快速得出结果;为诊断和治疗营养缺失、心脑血管异常、糖代谢异常或重金属中毒疾病提供支持的技术手段。

标签:
化学分析
湖北 - 武汉 来源:中冶有色网 2023-03-19
石灰石和白云石试样低成本分析方法

本发明公开了一种石灰石、白云石试样低成本分析方法,首先测定石灰石、白云石试样中主成分二氧化硅的含量,二氧化硅含量小于或等于2%的石灰石、白云石试样,再按照下述步骤进行分析:1)称取试样置于陶瓷坩埚中,在微波马弗炉中950℃~1000℃下灼烧5~30min;2)取出冷却到室温,加入盐酸或者王水溶液将灼烧后的试样溶解;3)采用化学分析方法或仪器分析方法测定溶解试样中成分含量。本发明提高了分析速度,减少试剂用量,降低了石灰石、白云石试样的分析成本。本发明特别适合于二氧化硅含量小于或等于2%的石灰石、白云石的快速分解,为贸易及工艺指导提供了技术支撑和保障。

标签:
化学分析
湖北 - 武汉 来源:中冶有色网 2023-03-19
基于普鲁士蓝的电化学免疫传感器及基于该传感器所建立的电化学免疫传感方法和应用

本发明公开了一种基于普鲁士蓝的电化学免疫传感器及基于该传感器所建立的电化学免疫传感方法和应用,所述电化学免疫传感器是由基底电极为玻碳电极,其表面依次修饰壳聚糖‑普鲁士蓝纳米复合物、金纳米粒子和肿瘤标志物捕获抗体组成;将该电化学免疫传感器与脲酶功能化硅纳米探针结合即可测定样品中肿瘤标志物的含量;本发明具有制备工艺简单、可控、稳定性好、灵敏度高、线性范围宽、成本低等优良分析性能,在临床肿瘤标志物检测领域中具有很好的实用前景。

标签:
化学分析
湖北 - 黄石 来源:中冶有色网 2023-03-19
溶剂微萃取富集-固体基质成像比色痕量分析方法

一种溶剂微萃取富集-固体基质成像比色痕量分析方法,属于分析化学测定方法技术领域。使用微量的有机溶剂对液体环境样品进行分离富集,并利用固体基质进行数字式成像,用软件分析成像斑点,测定样品中痕量化合物的含量。该技术使用有机溶剂量少,环境友好,并具有成本低廉、灵敏度高、操作简便快速的优点。能够进行野外现场测定,可广泛的应用于环境监测分析。

标签:
化学分析
湖北 - 十堰 来源:中冶有色网 2023-03-19
生产高活性银杏叶提取物的萃取剂及其提取与分析方法

本发明具体涉及从银杏叶中提取银杏叶提取物的萃取剂、提取工艺及测试方法。发明的关键是创制一种新的萃取剂,采用水提法提取银杏黄酮和EGb,工艺中无需增加去除银杏酚酸的步骤。还包括一种利用次级化学平衡定量分析银杏酚酸的高效液相色谱法。产品总黄酮甙24%-32%,总萜内酯6%-13%,原花青素8-14%,银杏酚酸含量小于5毫克/千克,得率为2.8%-3.6%。萃取剂成本低,用量小,无残留。可明显提高银杏叶中黄酮类和萜内酯及原花青素类化合物的溶出率并抑制银杏酚酸的溶出。

标签:
化学分析
湖北 - 武汉 来源:中冶有色网 2023-03-19
上一页 61 62 63 64 65 ... 77 下一页
共77页    到第

中冶有色为您提供最新的湖北有色金属化学分析技术理论与应用信息,涵盖发明专利、权利要求、说明书、技术领域、背景技术、实用新型内容及具体实施方式等有色技术内容。打造最具专业性的有色金属技术理论与应用平台!

全国热门有色金属设备推荐
展开更多 +
全国热门有色金属技术推荐
展开更多 +

 

江西省隆恩特环保设备有限公司
宣传

报名参会
更多+

报告下载

有色专家
更多+

长沙矿冶研究院有限责任公司
中国工程院院士
广西大学
处长/教授
中国矿业大学
副院长/教授
北京科技大学、中国科学院
院士
南京理工大学、中国科学院
院士
赤泥综合利用研究报告2025
推广

热门技术
更多+

推荐企业
更多+

福建省金龙稀土股份有限公司
宣传

发布

在线客服

公众号

电话

顶部
咨询电话:
010-88793500-807