青岛垚鑫智能科技有限公司
宣传

位置:中冶有色 >

有色技术频道 >

> 复合材料技术

分类:
全部
矿山技术
冶金技术
材料制备及加工技术
环境保护技术
分析检测技术
 
全部
功能材料技术
复合材料技术
新能源材料技术
合金材料技术
加工技术
地区:
全部
北京
天津
上海
重庆
河北
山西
辽宁
吉林
黑龙江
江苏
浙江
安徽
福建
江西
山东
河南
湖北
湖南
广东
海南
四川
贵州
云南
陕西
甘肃
青海
内蒙
广西
西藏
宁夏
新疆
其他
其他
展开
 
全部
南京
无锡
徐州
常州
苏州
南通
连云港
淮安
盐城
扬州
镇江
泰州
宿迁

江苏无锡有色金属复合材料技术理论与应用

免费发布技术信息>>
耐腐蚀的轧制铝钢复合材料及其制备方法

本发明公开了一种耐腐蚀的轧制铝钢复合材料及其制备方法。该制备方法包括:材料准备、轧制、退火和热处理四个步骤。材料准备:准备铝板和钢板,并将所述铝板和所述钢板的表面进行打磨处理;轧制:将准备好的铝板和钢板用冷轧法轧制复合成铝钢复合材料;退火:将轧制步骤轧制复合好的铝钢复合材料进行退火处理,使钢完全再结晶;热处理:将退火步骤处理好的轧制铝钢复合材料在610‑620℃下保温10‑30min,使得铝层和钢层的界面处均有一层厚度为4‑12μm的铁铝金属间化合物。本发明公开的制备方法制备出的轧制铝钢复合材料的耐腐蚀性能良好。

标签:
复合材料
江苏 - 无锡 来源:中冶有色网 2023-03-18
含金属内衬碳纤维复合材料身管

本实用新型涉及一种含金属内衬碳纤维复合材料身管,包括金属内衬、金属尾管和碳纤维复合材料层,所述金属内衬和金属尾管衔接,所述金属内衬的筒身外周成型有环形凹槽,所述碳纤维复合材料层对应缠绕在所述环形凹槽内,并且所述碳纤维复合材料层具有环向压紧该金属内衬的趋势。上述结构的身管采用了分段组装的设计方式,可减轻身管每段的重量,便于携带,碳纤维复合材料层与金属内衬之间产生了环向预应力,从而使两者接触更加紧密,碳纤维复合材料碳纤维复合材料层受到一个环向拉应力,而金属内衬受到一个环向压应力,从而改善金属内衬的受力状况。

标签:
复合材料
江苏 - 无锡 来源:中冶有色网 2023-03-18
含金属内衬碳纤维复合材料身管

本实用新型涉及一种含金属内衬碳纤维复合材料身管,包括金属内衬、金属尾管、金属端管和碳纤维复合材料层,金属尾管、金属端管分别衔接金属内衬的首尾末端,所述碳纤维复合材料层穿套在所述金属内衬外周,并且所述碳纤维复合材料层具有环向压紧该金属内衬的趋势。上述结构的身管采用了分段组装的设计方式,可减轻身管每段的重量,便于战士携带。另外,碳纤维复合材料层对金属内衬产生环向预应力,碳纤维复合材料层受到一个环向拉应力,而金属内衬受到一个环向压应力,从而使两者接触更加紧密,提高了身管的承压负荷能力。

标签:
复合材料
江苏 - 无锡 来源:中冶有色网 2023-03-18
玻璃纤维增强复合材料芯铝绞线

一种纤维增强复合材料芯铝或铝合金绞线,外层是传统铝或铝合金绞线,采用纤维增强复合材料制成电缆复合材料芯。这是一种导流量大且抗雷击的电缆。它用复合材料代替了传统钢芯铝或铝合金绞线中的钢芯,这种新型复合材料芯比传统的钢芯比重小、强度高,且由于复合材料芯不导电,不导磁,使电缆在承载运行时温升较小并使导电率增加,可承受更大的载流量。该电缆的外层铝(合金)绞线符合中国或国外有关标准要求,复合材料有圆形、多根绞线形、多根扇形、多根中空扇形、管形等形态。

标签:
复合材料
江苏 - 无锡 来源:中冶有色网 2023-03-18
钎焊铝合金复合材料及制备方法

本发明公开一种钎焊铝合金复合材料及制备方法,包括:一次复合:将皮材1和芯材1进行复合,获得第一复合材料;一次热轧:对所述第一复合材料进行预热,将预热后的所述第一复合材料进行热轧后,获得皮材2;二次复合:将所述皮材2和芯材2进行复合,获得第二复合材料;二次热轧:对所述第二复合材料进行预热,将预热后的第二复合材料进行热轧,获得热轧卷;冷轧:将所述热轧卷进行多道次冷轧,获得冷轧卷;中间退火:对所述冷轧卷进行再结晶退火,获得O态钎焊铝合金复合材料。钎焊用铝合金材料复合率为0.25%~4%,避免了厚度小于10mm的皮材的使用,减少了热轧卷起皮气泡的风险以及热轧卷热轧时皮材打折的风险。

标签:
复合材料
江苏 - 无锡 来源:中冶有色网 2023-03-18
钛合金/陶瓷复合材料及制备方法

本发明公开一种钛合金/陶瓷复合材料及制备方法。钛合金/陶瓷复合材料包括钛合金基体和陶瓷团粒,所述钛合金基体包覆所述陶瓷团粒,所述陶瓷团粒位于同一平面,相邻的所述陶瓷团粒之间设有间隙;所述陶瓷团粒的高度与所述钛合金/陶瓷复合材料的高度的比值为0.1~0.7。应用本发明所述的热等静压钛合金粉末三维约束陶瓷团粒的制备方法,制备的钛合金/陶瓷复合材料具有轻质、高抗弹性能、抗多发弹等优点。

标签:
复合材料
江苏 - 无锡 来源:中冶有色网 2023-03-18
层状交替结构的聚酰亚胺导热网格膜/导热硅胶膜复合材料及其制备方法

本发明公开了一种层状交替结构的聚酰亚胺导热网格膜/导热硅胶膜复合材料,至少包括两个导热硅胶膜层和一个聚酰亚胺导热网格膜层,相邻导热硅胶膜层之间夹设有聚酰亚胺导热网格膜层,依次层状交替叠成复合材料。制备得到表面硅烷改性的聚酰亚胺导热网格膜;将导热硅胶固化形成导热硅胶膜;将聚酰亚胺导热网格膜放置于导热硅胶膜上方;在聚酰亚胺导热网格膜的上方继续倒入导热硅胶,再次固化形成导热硅胶膜,得到复合材料。通过上述方式,本发明能够利用网格化的聚酰亚胺导热薄膜可以调节复合材料的导热性能,通过网格化的聚酰亚胺导热薄膜的作用可将局部高度集中的热量快速扩散,提升了散热的均匀性和散热效率。

标签:
复合材料
江苏 - 无锡 来源:中冶有色网 2023-03-18
铝复合材料及其制备方法

本发明涉及一种用于制备手机结构件的铝复合材料、铝复合材料的制备方法。该铝复合材料由基层和覆层轧制后再200‑400℃热处理形成,基层为铝合金层,覆层为不锈钢层、钛层或钛合金层,铝复合材料的厚度为0.8‑8mm,覆层的复合比为5%‑40%,基层的复合比为60%‑95%。该铝复合材料的基层和覆层结合强度高,达到32N/mm,不易分层。

标签:
复合材料
江苏 - 无锡 来源:中冶有色网 2023-03-18
颗粒增强增韧树脂基纤维复合材料的制备方法

本发明涉及一种采用颗粒增强增韧纤维复合材料的制备方法,其特征在于,在基体树脂100重量份中加入粒径为10-50μm的固体颗粒5-30重量份,混合均匀后,再进行真空导入制成纤维增强复合材料。本发明能够利用颗粒使纤维增强复合材料强度与韧度等力学性能提高10%-35%。

标签:
复合材料
江苏 - 无锡 来源:中冶有色网 2023-03-18
非共价键交联高强高韧可塑可回收复合材料及其制备方法与应用

本发明公开了一种非共价键交联高强高韧可塑可回收复合材料及其制备方法与应用,通过一锅法将聚氨酯、多酚类化合物、金属离子化合物以及改性二维材料共混后再通过密炼机混炼压入模具成型并烘干制得。复合材料通过多重非共价键协同作用提供高强高韧性能。该复合材料所含原料及各原料的重量份数为(以复合材料总重100重量份计):聚氨酯为5.5‑45重量份,多酚类化合物25‑43重量份,金属离子化合物5‑8.5重量份,改性二维材料25‑43重量份。本发明复合材料具有优良的力学性能且可塑可回收,可用于航空航天、电子、军事、民用工程及机械领域。

标签:
复合材料
江苏 - 无锡 来源:中冶有色网 2023-03-18
低吸湿、导热绝缘PA66复合材料及其制备方法

本发明涉及一种低吸湿、导热绝缘PA66复合材料及其制备方法,PA66复合材料包括以下组分:PA66、补充尼龙材料、马来酸酐接枝聚偏氟乙烯、氧化镁、石墨烯纤维或碳纳米管、增韧剂、润滑剂、抗氧剂,其中,补充尼龙材料为PA46、PA12、PA1010、PA112、PA6T、PA9T、PPS的一种或者多种,氧化镁为表面经过硅烷偶联剂处理的氧化镁。本发明通过添加马来酸酐接枝聚偏氟乙烯、补充尼龙材料、石墨烯纤维或碳纳米管以及表面经过硅烷偶联剂处理的氧化镁提高了PA66复合材料的机械性能、导热性能,降低了PA66复合材料的吸水性,使得制备的PA66复合材料具有绝缘性。

标签:
复合材料
江苏 - 无锡 来源:中冶有色网 2023-03-18
隔音防火混凝土隔墙板复合材料及其制备方法

本申请涉及建筑材料领域,具体涉及一种隔音防火混凝土隔墙板复合材料及其制备方法。所述隔音防火混凝土隔墙板复合材料的制备原料按重量份包括:硅酸盐水泥40‑60份、膨胀珍珠岩15‑25份、H系硅微粉10‑20份、丙烯酸树脂隔音复合材料20‑30份、阻燃剂2‑6份、可再分散乳胶粉1‑3份和水50‑70份;所述丙烯酸树脂隔音复合材料的制备原料包括丙烯酸树脂乳液、交联树脂和聚羧酸减水剂,所述丙烯酸树脂乳液、交联树脂和聚羧酸减水剂的质量比为10:(3‑5):(1‑2)。本申请采用丙烯酸树脂隔音复合材料替代石膏,具有较优的隔音效果和防潮效果,且在低温潮湿环境下长时间使用或放置不易开裂。

标签:
复合材料
江苏 - 无锡 来源:中冶有色网 2023-03-18
MQDs/NCDs/TiO<Sub>2</Sub>复合材料,复合催化体系及提高有机污染物降解效率的方法

本发明公开了一种MQDs/NCDs/TiO2复合材料,所述MQDs/NCDs/TiO2复合材料是由TiO2纳米片,负载于所述TiO2纳米片上的氮掺杂的碳量子点和二硫化钼量子点组成。本发明还公开了由所述MQDs/NCDs/TiO2复合材料与过硫酸盐组成的复合催化体系以及提高有机污染物降解效率的方法。本发明的MQDs/NCDs/TiO2复合材料,解决了TiO2低的可见光利用率的缺陷,实现了高效的光生电子‑空穴的分离和转移效率,该复合材料与过硫酸盐组成的复合催化体系能够产生协同催化作用,进一步地促进了对有机污染物的降解。

标签:
复合材料
江苏 - 无锡 来源:中冶有色网 2023-03-18
环糊精聚合物/蒙脱石复合材料及其制备方法

本发明涉及一种环糊精聚合物/蒙脱石复合材料及其制备方法,属于复合材料制备技术领域。本发明将预先合成的马来酸酐(MA)和环糊精(CD)聚合物(P(CD-MA))通过酰胺化反应接入多巴胺(DA),而后经多巴胺和蒙脱石上的羟基缩合制备蒙脱石/环糊精复合材料;复合材料中环糊精的接入量可以通过改变P(CD-MA)的分子量、DA的含量和蒙脱石的含量控制;本方法的优点在于原料易得,成本低廉,方法简单,接入的CD量多且易控。本环糊精聚合物-蒙脱石复合材料利用蒙脱石对金属离子的交换吸附性和环糊精对有机物(特别是芳香族有机物)的包合作用,可以达到同时除去污水中的金属离子和芳香族有机化合物。

标签:
复合材料
江苏 - 无锡 来源:中冶有色网 2023-03-18
动态密封的复合材料托辊

本实用新型属于带式输送机技术领域,尤其涉及动态密封的复合材料托辊。当使用环境温度高于生产组装动态密封复合材料托辊时的温度时,弹性圈会随着复合材料辊皮的膨胀而压缩,密封件整体沿托辊轴方向朝托辊外进行移动,避免密封件组件相互挤压而变形或损坏,导致密封失效。当使用环境温度低于生产组装动态密封复合材料托辊时的温度时,弹性圈会随着复合材料辊皮的收缩而伸长,密封件整体沿托辊轴方向朝托辊内进行移动,避免密封件组件相沿托辊轴方向距离增大,导致密封不严,密封效果降低甚至起不到密封效果。本实用新型提供的态密封复合材料托辊,在不同使用环境温度下,密封性能仍有保证,防尘防水效果好。

标签:
复合材料
江苏 - 无锡 来源:中冶有色网 2023-03-18
复合材料补强橡胶及其制备方法

本发明涉及一种复合材料补强橡胶及其制备方法,本发明的方法为:1)将羟基磷灰石和TiO2分散到水中,形成分散液,水热反应,然后将水热得到的混合液与氧化石墨烯悬浮液混合,冷凝回流,得到羟基磷灰石/TiO2/氧化石墨烯复合材料;2)将增塑剂、操作油加入胶乳中,搅匀形成胶乳混合液,然后加入步骤1)的复合材料,搅拌6‑10h,再加入凝固剂,发生共沉,然后对沉淀物进行洗涤、脱水、干燥,即得到羟基磷灰石/TiO2/氧化石墨烯复合材料补强橡胶。本发明的补强橡胶力学性能优异,扯断强度在27.0MPa以上,撕裂强度在118.7MPa以上,硬度(邵氏A)在83.0以上。

标签:
复合材料
江苏 - 无锡 来源:中冶有色网 2023-03-18
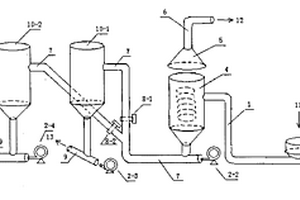
多用途木塑复合材料原料分离器

本实用新型涉及一种多用途木塑复合材料原料分离器,包含进料管、鼓风机、料斗、旋风分离器、风罩、排气管、导管、两只开关阀、两台储槽、送料管。所说的料斗为接受木塑复合材料原始原料的容器,所说的进料管为将原始原料输送进旋风分离器的管道,所说的鼓风机为市售鼓风机,通过其鼓风作用完成原料的输送、干燥及除尘,所说的旋风分离器为市售产品,主要用于分离原始原料中的灰尘,并通过其上方的风罩及排气管将灰尘从原始原料中分离出去,所说的风罩为与旋风分离器相配套的罩子,其最下端内径与旋风分离器圆筒部分内径相同,所说的导管为位于旋风分离器及储槽之间的管道,导管的适当位置上安装两只开关阀,分别用于控制木塑复合材料原料流向两个储槽,所说的储槽为圆柱体形容器,用于盛放经去尘、干燥处理的木塑复合材料原料,两个储槽下方各有一段送料管,当木塑复合材料原料落入其中后,在鼓风机的作用下分别被送至不同的挤出机,用于生产木塑复合材料产品。本多用途木塑复合材料原料分离器既可除去木塑复合材料原始原料中存在的灰尘,实现原料与灰尘的分离,提高原料的纯度,且可对原料进行干燥,实现原料与水分间的分离,进而改善最终产品的质量,另外,通过开关阀的控制,实现原料间的分离,可使木塑复合材料原料选择性地供任意一台挤出机生产使用,实现一台生产、另一台进行维护,也可供两台挤出机同时进行生产,因而,实用性更强。

标签:
复合材料
江苏 - 无锡 来源:中冶有色网 2023-03-18
用于导轨的复合材料
用于导轨的复合材料 872     
 0

本发明公开了一种用于导轨的复合材料,该复合材料包括:Ti3AlC2/Fe复合材料、CeO2粉末、Cu/SiCp(SiO2)复合材料、Cu-B4C复合粉体、Mo2FeB2、FeAl2O4-Al2O3-Fe和NiFe2O4陶瓷粉体,其各组分的重量含量为:?Ti3AlC2/Fe复合材料30~50份、CeO2粉末20~30份、Cu/SiCp(SiO2)复合材料40~60份、Cu-B4C复合粉体15~25份、Mo2FeB2?25~35份、FeAl2O4-Al2O3-Fe?35~55份和NiFe2O4陶瓷粉体10~20份。通过上述方式,本发明摩擦因数小,动、静摩擦因数的差值小,还具有良好的摩擦阻尼特性。

标签:
复合材料
江苏 - 无锡 来源:中冶有色网 2023-03-18
提高三元乙丙橡胶与氯化聚乙烯橡胶相容性的复合材料及其制备方法

本发明涉及一种提高三元乙丙橡胶与氯化聚乙烯橡胶相容性的复合材料及其制备方法,属于橡胶技术领域。首先将改性三元乙丙橡胶,氯化聚乙烯橡胶,硬脂酸,氧化镁,防老剂RD,石蜡和炭黑N774充分混合进行一次混炼,继续加入硫化促进剂,二次混炼后制得提高三元乙丙橡胶与氯化聚乙烯橡胶相容性的复合材料。本发明提供的制备方法简单易行,通过接枝改性的三元乙丙橡胶能够与氯化聚乙烯橡胶形成良好的均相混合体系,从而发挥出复合材料优异的综合性能,赋予该复合材料较好的耐臭氧、耐热、耐油、耐低温等特性。该复合材料可广泛的适用于汽车配件、电线电缆护套、防水卷材等制品。

标签:
复合材料
江苏 - 无锡 来源:中冶有色网 2023-03-18
集装箱底板用发泡木塑复合材料及其制备方法

一种集装箱底板用发泡木塑复合材料,所述木塑复合材料由发泡木塑复合材料芯板、胶黏剂层、玻璃钢皮层所组成;制备方法为:(1)制备发泡木塑复合材料芯板;(2)直接使用热熔胶膜覆于芯板表面,或采用共挤出的方法在芯板表面覆盖一层胶黏剂层;(3)制备连续玻璃纤维预浸料:将连续纤维进行排纱整经后,通过装有热固性树脂的浸渍槽来浸渍树脂;将浸渍树脂后的连续纤维进行挤压,使树脂充分浸润纤维;烘干后压实得到连续纤维预浸料;(4)将步骤(3)得到的连续纤维预浸料,同步骤(2)得到的表面覆有胶黏剂层的芯板一起,经成型固化模挤压、固化得到本集装箱底板用发泡木塑复合材料。本发明适合于连续成型,生产效率高,产品质量稳定。

标签:
复合材料
江苏 - 无锡 来源:中冶有色网 2023-03-18
适用于RTM成型工艺的管状复合材料的模具设计与制备

本发明设计了一种适用于树脂传递模塑成型(RTM)的管状复合材料的模具,使制备得到的管状复合材料能达到所需的标准与要求。本发明涉及一种管状复合材料模具,属于管状复合材料树脂传递模塑成型(RTM)的模具结构设计与制备技术领域。本发明的模具结构特征是由阳模及阴模闭合形成管状模腔,且模具外圈有密封条密封和固定螺丝,很好地保证了模具的整体密封性。另外,该模具在树脂注入口处独特的环状凹槽设计,在保证了制备管状复合材料时注射的稳定性的基础上,使得树脂可以更好地均匀地浸润管状织物且无气泡产生,最后树脂由树脂出口流出。同时本发明特有的圆柱状阳模内芯,使得脱模操作简单易行,易于操作。

标签:
复合材料
江苏 - 无锡 来源:中冶有色网 2023-03-18
制备超薄碳碳复合材料面板的夹具

本实用新型公开了一种制备超薄碳碳复合材料面板的夹具,涉及复合材料加工技术领域,包括承板,所述承板的上表面开设有限位槽,且限位槽的一内侧面与螺纹杆的一端转动连接,且螺纹杆上螺纹连接有与限位槽相匹配的限位块,且限位块与限位槽滑动连接,且限位块的上表面固定连接有夹具组件,且位于同一侧的两个所述伸缩杆的下端固定连接有稳定组件,通过把手转动螺纹杆,从而使得限位块方便带动U形夹板和复合材料面板进行前后移动,从而调节复合材料面板与激光雕刻设备之间的距离,方便工作人员将复合材料面板与激光雕刻设备的激光头之间的距离调整到合适的距离进行激光雕刻,提高激光雕刻的效果和成品率。

标签:
复合材料
江苏 - 无锡 来源:中冶有色网 2023-03-18
船用低噪声柔性复合材料节流阀及应用系统

一种船用低噪声柔性复合材料节流阀及应用系统,包括阀体,阀体的两端设置有法兰或者连接螺纹,阀体的中部设置有对称的螺纹接口,一个为进油口,另一个为回油口,阀体的内部配合安装有复合材料阀芯,复合材料阀芯呈空心圆柱状结构,阀体的内壁面和复合材料阀芯的外壁面之间形成弹性空间,所述弹性空间与所述螺纹接口连通,并通入液压油;复合材料阀芯的两端设置有胶连部位,所述胶连部位与阀体的内壁之间通过强力胶相连,所述胶连部位处开有固定环安装槽,所述固定环安装槽内通过紧固件安装有固定环,通过螺纹接口的进油和出油的控制,复合材料阀芯从中部开始发生径向变形,从而控制复合材料阀芯内部经流的流量大小,使用灵活、可靠。

标签:
复合材料
江苏 - 无锡 来源:中冶有色网 2023-03-18
编织C/C复合材料制动盘的制备方法及其连接方法

本发明公开了一种编织C/C复合材料制动盘的制备方法及其连接方法,属于C/C复合材料应用技术领域。该制备方法的步骤为:a、根据C/C复合材料制动盘的尺寸形状及构件装配要求,进行整体编织结构设计;b、基于整体编织结构设计,将铜丝作为独立的纱束与碳纤维纱束混编制成碳纤维混编铜丝预制体;c、以气相沉积法处理碳纤维混编铜丝预制体,得到C/C复合材料制动盘且C/C复合材料制动盘的装配侧具有可焊接的铜丝。将C/C复合材料制动盘装配侧的铜丝与待连接的零部件直接焊接或者与连接件焊接后再装配。本发明的C/C复合材料制动盘能够降低连接时的表面处理工序,混编的铜丝能够大大提升制动盘的力学性能和稳定性。

标签:
复合材料
江苏 - 无锡 来源:中冶有色网 2023-03-18
改性蓝藻生物炭复合材料及在处理电镀废水中的应用

本发明公开了一种改性蓝藻生物炭复合材料及在处理电镀废水中的应用,属于生物炭复合材料制备技术领域。本发明将太湖蓝藻烘干、研磨过筛后与活化剂混合经热裂解得到改性蓝藻生物炭;将改性蓝藻生物炭浸泡于含铁溶液中,进一步改性得到改性蓝藻生物炭复合材料。本发明制备的改性蓝藻生物炭复合材料同时具有吸附和催化能力的复合材料,该复合材料在处理电镀废水时,通过吸附和类芬顿反应,能够高效的去除废水中的金属离子。并且该复合材料稳定性强,可重复使用。

标签:
复合材料
江苏 - 无锡 来源:中冶有色网 2023-03-18
结构增强型复合材料棒材的制造方法

本发明公开了一种结构增强型复合材料棒材的制造方法,包括步骤:制作金属芯模,在金属芯模外套设与金属芯模同等长度的复合材料套管,复合材料套管与金属芯模之间填充泡沫夹芯;在金属芯模的圆柱体空腔内设置圆柱体形的硅橡胶棒;将棒材放置于复合材料棒材成型的自加热平台上,利用该自加热平台对棒材进行分阶段加热、加压,本发明所述结构增强型复合材料棒材的制造方法步骤少、操作简单,自动化程度高,成型率高、一次合格率高,生产效率高。根据本发明所述方法得到的增强型复合材料棒材经过抗拉强度、拉伸模量、线膨胀系数等相关力学性能试验,结果表明其保温隔热性能好,抗拉强度高,热膨胀系数低,增强型复合材料棒材的尺寸稳定。

标签:
复合材料
江苏 - 无锡 来源:中冶有色网 2023-03-18
连续生产铝/不锈钢复合材料的方法及系统

本发明涉及一种连续生产铝/不锈钢复合材料的方法及系统。该方法包括:将铝合金层、不锈钢层待复合表面打磨;将打磨后的铝合金层、不锈钢层加热保温;以铝合金层、不锈钢层待复合表面为结合面,将铝合金层、不锈钢层轧制复合,得到复合材料;将复合材料收卷、退火、精整;其中,在将铝合金层、不锈钢层待复合表面打磨前,由放卷装置供给铝合金层、不锈钢层并施加前张力;铝合金层的供给速度低于不锈钢层的供给速度;以及由收卷装置对复合材料收卷并施加后张力;前张力与后张力拉紧铝合金层与不锈钢层。利用该方法及系统能够完成连续卷带式生产铝/不锈钢复合材料,实现短流程、高效率的工业化生产铝/不锈钢复合材料,提高成材率,并提升产能。

标签:
复合材料
江苏 - 无锡 来源:中冶有色网 2023-03-18
可以同时检测多巴胺和扑热息痛的碳纳米管复合材料电化学传感器的制备

本发明提供了一种双亲光电活性功能支化大分子修饰碳纳米管制备碳纳米管复合材料及其应用于电化学传感器的制备方法,属于大分子自组装和复合材料电化学传感器领域,由以下步骤制备而得:1)首先合成了一种双亲光电活性支化功能大分子;2)将合成的功能大分子用于修饰碳纳米管制备可水分散的碳纳米管复合材料;3)将碳纳米管复合材料分散液滴到干净的电极表面,通过紫外光照交联成膜;4)将修饰后的电极插在高氯酸锂/乙腈溶液中电聚合制备得到碳纳米管复合材料电化学传感器。该方法采用水做溶剂,节能环保,且制得的纳米复合材料传感器稳定性好,灵敏度高、延长了使用周期。

标签:
复合材料
江苏 - 无锡 来源:中冶有色网 2023-03-18
用于曲轴的复合材料
用于曲轴的复合材料 776     
 0

本发明公开了一种用于曲轴的复合材料,包括:(TiC-TiB2)pNi、AlMgB、SiCp/Al复合材料、Al2O3-W-Cr、TiC-Al2O3-Fe复合材料、Cu-MgF2复合材料、Ni/Si3N4和TiMoC陶瓷粉体,其各组分的重量含量为:(TiC-TiB2)pNi?50~70份、AlMgB?15~25份、SiCp/Al复合材料25~40份、Al2O3-W-Cr?10~20份、TiC-Al2O3-Fe复合材料15~30份、Cu-MgF2复合材料20~30份、Ni/Si3N4?11~21份和TiMoC陶瓷粉体17~29份。本发明具有足够的刚度和强度,具有良好的承受冲击载荷的能力。

标签:
复合材料
江苏 - 无锡 来源:中冶有色网 2023-03-18
用于转轮除湿机的外壳为碳陶复合材料的电加热装置

一种用于转轮除湿机的外壳为碳陶复合材料的电加热装置,包括电加热器碳陶复合材料外壳、电热丝碳陶复合材料支架,所述电加热器碳陶复合材料外壳与电热丝碳陶复合材料支架之间通过连接装置螺栓固定连接,所述电热丝碳陶复合材料支架上绕有电热丝,电热丝从一号电热丝接线柱起,到二号电热丝接线柱止,电热丝从不锈钢十字型固定圈一端起,到二号电热丝接线柱止,这一段电热丝外侧包有绝缘套管,所述连接装置中间为螺栓,接线柱一头,螺栓上连接有垫片、螺母,另一头,螺栓上连接有十字型固定圈、垫片、螺母。本实用新型具有强度高,使用寿命长,结构简单,流程短,投资低、能耗低,加热效果好的优点。

标签:
复合材料
江苏 - 无锡 来源:中冶有色网 2023-03-18
上一页 567 568 569 570 571 ... 573 下一页
共573页    到第

中冶有色为您提供最新的江苏无锡有色金属复合材料技术理论与应用信息,涵盖发明专利、权利要求、说明书、技术领域、背景技术、实用新型内容及具体实施方式等有色技术内容。打造最具专业性的有色金属技术理论与应用平台!

全国热门有色金属设备推荐
展开更多 +
全国热门有色金属技术推荐
展开更多 +

 

江西省隆恩特环保设备有限公司
宣传

报名参会
更多+

报告下载

有色专家
更多+

长沙矿冶研究院有限责任公司
中国工程院院士
江西理工大学
教授
湖南科技大学
所长/教授
中冶沈勘秦皇岛工程技术有限公司
原矿山院院长/教授级高工
有研资源环境技术研究院(北京)有限公司
副总经理/教授级高工
赤泥综合利用研究报告2025
推广

热门技术
更多+

推荐企业
更多+

福建省金龙稀土股份有限公司
宣传

发布

在线客服

公众号

电话

顶部
咨询电话:
010-88793500-807