青岛垚鑫智能科技有限公司
宣传

位置:中冶有色 >

有色技术频道 >

> 化学分析技术

分类:
全部
矿山技术
冶金技术
材料制备及加工技术
环境保护技术
分析检测技术
 
全部
物理检测技术
化学分析技术
力学检测技术
无损检测技术
失效分析技术
环境检测技术
地区:
全部
北京
天津
上海
重庆
河北
山西
辽宁
吉林
黑龙江
江苏
浙江
安徽
福建
江西
山东
河南
湖北
湖南
广东
海南
四川
贵州
云南
陕西
甘肃
青海
内蒙
广西
西藏
宁夏
新疆
其他
其他
展开
 
全部
沈阳
大连
鞍山
抚顺
本溪
丹东
锦州
营口
阜新
辽阳
盘锦
铁岭
朝阳
葫芦岛

辽宁大连有色金属化学分析技术理论与应用

免费发布技术信息>>
含氯废水预处理方法
含氯废水预处理方法 1005     
 0

本发明涉及一种含氯废水预处理方法,属于分析化学领域,所述方法包括如下步骤:①将废水除去固体杂质;②向步骤①所得废水加入除氯剂;③将步骤②所得溶液过滤后滤液通过树脂柱纯化,本发明有益效果为对废水二次除氯,使氯的去除率达到99%以上。

标签:
化学分析
辽宁 - 大连 来源:中冶有色网 2023-03-19
荧光光谱无用散射自动去除方法

本发明属于分析化学领域,具体涉及一种自动识别散射区域,去除散射数据并填补去除部分的计算方法。包括以下步骤:首先,对于二维的光谱数据,通过拉曼散射和瑞利散射机理以及其对应的能量判断散射位置;然后,在一维光谱数据的基础上,通过散射位置和散射强度判断散射能量的覆盖范围,并将无用能量进行剔除;最后,对于去除散射数据的区域进行插值处理,达到去无用除散射并补齐的目的。本发明可以快速的自动识别出无用散射的位置,不需要人为设定散射能量的宽度,在可接受的误差范围内,最大限度的保留数据,这大大的提高了去除散射过程中的准确性和实现效率。这为实现大量含散射的光谱数据的批量处理提供可能。

标签:
化学分析
辽宁 - 大连 来源:中冶有色网 2023-03-19
D-氨基酸基NAD<Sup>+</Sup>类似物及其合成和应用

本发明公开了一类基于D‑氨基酸的烟酰胺腺嘌呤二核苷酸(NAD+)类似物及其合成方法与应用。D‑氨基酸基NAD+类似物的结构通式为D‑氨基酸基NAD+类似物是利用1‑(2’,4’‑二硝基苯基)‑3‑氨甲酰基吡啶和D‑α‑氨基酸为原料,在碱催化下合成的;D‑氨基酸基NAD+类似物可以作为NAD(P)依赖型氧化还原酶的辅酶。本发明方法具有以下优点:合成D‑氨基酸基NAD+类似物的反应条件温和,原料简单易得,反应产物完全保留原料D‑α‑氨基酸的立体结构,不发生消旋。本发明得到的NAD+类似物可用于生物催化、生物分析化学、代谢工程和合成生物学研究中。

标签:
化学分析
辽宁 - 大连 来源:中冶有色网 2023-03-19
低成本C53凸轮轴用钢保淬透性方法

本发明公开一种低成本C53凸轮轴用钢保淬透性方法,通过技术理论分析和在标准范围内对重点元素优化及对残余元素控制,设计制定合理成分内控范围和冶炼工艺;对碳、硅、锰均选择上限控制,目标值考虑了成分偏差,主要成分碳、硅、锰分别预留0.02%、0.05%和0.04%;通过计算利用低成本残余铬元素,铬按0.14%控制,使距淬火端面2mm、5mm、10mm和15mm处,硬度(HRC)值分别达到60、40、34和30;最后再确定化学成分内控范围。本发明有益效果是使距淬火端面5mm处淬透性硬度(HRC)达到40,解决了钢的淬透性在距淬火端3mm~7mm过渡区硬度不稳定问题,并降低产品成本。

标签:
化学分析
辽宁 - 大连 来源:中冶有色网 2023-03-19
纳米复合材料及其制备方法

本发明涉及制备客体@纳米多孔主体材料的方法,以及根据这些方法制备的客体@纳米多孔主体材料。根据本发明的方法包括以下步骤:在反应环境中使一种或多种试剂和目标客体前体渗透纳米多孔主体材料以发生反应,从而在纳米多孔主体材料的孔内形成目标客体物质。所述试剂包括氧化还原试剂和/或pH调节剂。通过分析适当的电化学势与pH值关系图并仔细选择适当的试剂并控制工艺条件以从选定的目标客体前体中制备出所需的目标客体颗粒,由于与已知方法相比通常可以使用更温和的反应条件,因此这种形成客体的合成策略比已知方法更加灵活和通用。

标签:
化学分析
辽宁 - 大连 来源:中冶有色网 2023-03-19
短波长激光手性拉曼光谱仪

一种短波长激光手性拉曼光谱仪,由波长位于325nm到532nm之间的激光激发光源、线偏振光均匀系统、圆偏振光转换器、样品池、圆偏振光分离器、双光束分叉光纤、瑞利线滤波器、成像光谱仪、电荷耦合器件短波长宽范围灵敏的CCD、计算机组成。短波长手性拉曼光谱仪用于手性分子、生物分子的手性绝对构型确定,是化学、生物、医药领域手性分子绝对构型、构象方面分析的有力工具。

标签:
化学分析
辽宁 - 大连 来源:中冶有色网 2023-03-19
苯硼酸亲水硅胶材料的制备方法

本发明属于分析化学领域,更具体地涉及一种苯硼酸亲水硅胶材料的制备方法。具体步骤如下:(1)将功能单体4‑氰基苯硼酸与叠氮基修饰的硅胶溶于溶剂中,磁力搅拌混合均匀;(2)加入适量催化剂并在80℃温度下,恒温反应10‑70小时。反应结束以后,将产物采用砂芯漏斗抽滤,并分别用10%EDTA水溶液,水,甲醇等溶剂进行冲洗。洗涤后产物干燥,即得本发明的亲水性的苯硼酸亲和材料。

标签:
化学分析
辽宁 - 大连 来源:中冶有色网 2023-03-19
基于NiNPs/AuNPs/CFP电极电催化氧化蔗糖溶液构建蔗糖燃料电池的方法

本发明涉及基于NiNPs/AuNPs/CFP电极电催化氧化蔗糖溶液构建蔗糖燃料电池的方法。以NiNPs/AuNPs/CFP可塑电极为工作电极,Ag/AgCl电极为参比电极,铂丝为辅助电极组成三电极系统,将该三电极系统置于蔗糖溶液和支持电解质中,设置初始电位为‑0.2V,终止电位为1.3V,记录扫描速度范围为20~100mV/S的10mmol/L蔗糖的循环伏安曲线,并利用标准曲线法对电极电催化氧化蔗糖溶液的控制过程进行分析。本发明目的是开发一种非酶燃料电池阳极,结合纳米材料的优势,以获得一种具有较高催化活性和稳定性的燃料电池阳极,提高化学能的转换率,促进燃料电池的发展。

标签:
化学分析
辽宁 - 大连 来源:中冶有色网 2023-03-19
纳秒瞬态吸收光谱仪中实现电泵浦的装置

本实用新型公开了一种纳秒瞬态吸收光谱仪中实现电泵浦的装置,包括函数发生器,所述函数发生器产生触发电信号和固定波形电压脉冲,所述触发电信号通过信号线作用在纳秒瞬态吸收光谱仪的激光器上,所述电压脉冲通过信号线作用在器件上,实现脉冲形状的电荷注入。本装置将光泵浦换成电泵浦,可以实现在器件中模拟使用条件下电荷注入过程的载流子动力学过程,即在纳秒瞬态吸收光谱的泵浦‑探测技术基础上进行电激发的光谱动力学检测,拓宽了瞬态吸收光谱技术的应用范围,为物理、化学中涉及激发态动力学的研究提供了有力工具。

标签:
化学分析
辽宁 - 大连 来源:中冶有色网 2023-03-19
ERα36敲低PC12细胞株及其构建方法

本发明公开了一种ERα36敲低PC12细胞株的建立方法。具体是通过应用shRNA技术,利用ERα36-shRNA转染PC12细胞,建立ERα36敲低PC12细胞株。应用免疫细胞荧光、免疫细胞化学和Western?blot技术检测细胞株中ERα36,证明细胞株建立成功。并测定细胞生长曲线和倍增时间。ERα36敲低PC12细胞株的建立为研究ERα36在中枢神经系统中作用提供了有力的实验材料。

标签:
化学分析
辽宁 - 大连 来源:中冶有色网 2023-03-19
燃料电池耗氢技术用于提高扁藻光解海水产氢的方法

本发明涉及绿藻光解水制氢,具体地说是,以具有光解海水产氢功能 的海洋绿藻—亚心形扁藻为体系产氢材料,在光反应器上外接碱性氢氧燃 料电池持续耗氢系统来维持体系内较低氢分压,依据电路中电子数量与氢 原子数的一一对应关系,通过测量电池外电路电流变化来反映体系内氢浓 度的变化,研究扁藻在解偶联剂CCCP调控下连续光照和非连续光照产氢 过程的特征。在燃料电池持续耗氢下,细胞密度为8×106 cells ml-1,非连续 光照(L/D=9h∶6h)比连续光照产氢时间延长3倍,为120h;氢气产量 提高1.6倍,为126ml l-1,且产氢过程中pH值、PSII光化学活性、体外氢 酶活性变化有一定的对应关系。本发明实现了对产氢过程高效、灵敏的实 时检测,方法简便,在产氢机理和工程基础研究中具有广泛应用前景。

标签:
化学分析
辽宁 - 大连 来源:中冶有色网 2023-03-19
智能发电系统
智能发电系统 843     
 0

本发明公开了一种智能波浪发电系统,包括:多个智能波浪发电单元、母线、逆变电路、化学储能装置或物理储能装置、储能管理电路、负载检测电路、中央基站和浪高仪;每个智能波浪发电单元的包括波浪能捕获装置、变极多速永磁发电机、DC/DC变换器、智能控制器、浮体、配重装置、支架、防风暴机构和锚、接触器、整流电路、DC-DC变换器、测速电机和位置传感器;本发明适用各种波形的波浪,波能转换高效,发电稳定,所发的电能优质,智能化,抗风浪强﹑低成本﹑易维护。

标签:
化学分析
辽宁 - 大连 来源:中冶有色网 2023-03-19
铕、铥共掺杂的铝硅酸锶电子俘获型光存储材料及其制备方法

本发明公开了一种铕、铥共掺杂的铝硅酸锶电子俘获型光存储材料及其制备方法,所述电子俘获型光存储材料的化学式为Sr1‑y‑xAl2Si2O8:yEu2+,xTm3+,其中,0.001≤y≤0.04,0.005≤x≤0.08。本发明所述的制备方法为高温固相法,原料简单易得,价格低廉,适用于批量大规模生产。本发明制备的光存储材料与以往材料相比,性能极大提升,在光存储性能测试中,共掺杂样品的光激励发光初始强度与单掺杂Eu2+相比均有明显提高,既适用于新型在近紫外被宽带激发的白光LED蓝光荧光粉,也是一种高性能的光信息存储材料,适于在医疗检测、电子通讯、电子显微镜照相和信息存储等多个应用领域。

标签:
化学分析
辽宁 - 大连 来源:中冶有色网 2023-03-19
一类罗丹明荧光染料,其制备方法及应用

一类罗丹明荧光染料,其制备方法及应用。所述的罗丹明荧光染料具有如下结构通式I。本发明所述的罗丹明类荧光染料具有优异的光化学物理性质,高的摩尔小光系数、良好的光稳定性、高的荧光量子产率等优点。其特有的螺环“开-关”结构,对质子敏感,可用于对pH的检测,而且可以解决通常pH探针背景荧光较高的弊端。可用于溶酶体荧光特异性标记及监测细胞凋亡中的应用。

标签:
化学分析
辽宁 - 大连 来源:中冶有色网 2023-03-19
用于飞秒瞬态吸收光谱仪中实现双束泵浦的装置

本实用新型公开了一种用于飞秒瞬态吸收光谱仪中实现双束泵浦的装置,该装置由分束器、光强衰减器、聚焦透镜(或聚焦反射镜)、平面反射镜组成。该装置通过在正常的飞秒瞬态吸收光谱仪中额外引入一条泵浦光光路而实现在一个探测周期内实现对样品的二次泵浦,进而为研究样品探测区域在已经处于激发态下的情况下的二次激发动力学提供了便利。本实用新型提供了一种装置,可以在飞秒瞬态吸收光谱的泵浦‑探测技术的基础上进行二次激发的光谱动力学检测,拓宽了瞬态吸收光谱技术的应用范围,为物理、化学、生物中涉及激发态动力学的研究提供了有力工具。

标签:
化学分析
辽宁 - 大连 来源:中冶有色网 2023-03-19
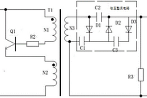
电子灭蚊拍
电子灭蚊拍 858     
 0

本实用新型公开了一种电子灭蚊拍,所述电子灭蚊拍的灭蚊拍电路包括供电电源、供电开关、电容式触摸开关、变压器、三极管、倍压整流电路、第一电阻器、第二电阻器、电击网以及电压检测元件;供电电源的正极依次通过供电开关、电容式触摸开关分别与变压器的第一一次绕组的一端以及三极管的集电极连接;三极管的基极串联所述第一电阻器后与所述变压器第一一次绕组的另一端连接,所述三极管的发射极与所述变压器第二一次绕组的一端连接,所述变压器第二一次绕组的另一端与所述供电电源的负极连接;所述变压器的二次绕组通过所述倍压整流电路分别与第二电阻器、电击网以及电压检测元件连接。本实用新型使用方便,成本经济,无化学污染、安全可靠。

标签:
化学分析
辽宁 - 大连 来源:中冶有色网 2023-03-19
沙丁胺醇分子印迹电极及其制备方法和应用

一种沙丁胺醇分子印迹电极及其制备方法和应用。本发明以邻苯二胺为功能单体、沙丁胺醇(SAL)为模板,在以玻碳为工作电极、铂丝电极为辅助电极、饱和Ag/AgCl电极为参比电极的三电极系统中采用电化学聚合的方法,使玻碳电极表面电聚合成SAL分子印迹聚合物膜。该聚合物膜经过洗脱模板分子后,即制备出了沙丁胺醇分子印迹电极。该电极的电流响应与SAL的浓度在4.09×10‑8~8.16×10‑7 mol·L‑1范围内线性相关良好(相关系数为‑0.9942)。其应用方法是将印迹电极放入一定浓度的SAL溶液中吸附后,再将三电极系统置于5mmol•L‑1 K3[Fe(CN)6]溶液中,差分脉冲伏安法检测SAL的含量。所制备的印迹电极具有较高的灵敏度和选择性,稳定性和重现性良好、可重复利用。该发明在食品检测领域中具有潜在的应用前景。

标签:
化学分析
辽宁 - 大连 来源:中冶有色网 2023-03-19
比率型变型受体汞离子荧光探针、其制备方法及应用

一种比率型变型受体汞离子荧光探针、其制备方法及应用,其合成步骤简单,光稳定性好,最大发射波长在550nm,在中性条件下具有很好的化学稳定性。酰胺官能团的互变异构使得受体具有变型能力,即以亚胺酸的异构体结合汞离子,而以酰胺异构体的结构结合其他金属离子,表现为对汞离子的专一结合选择性。探针结合汞离子后荧光光谱红移致633nm并有9倍的增强;与其他金属离子特别是同族元素锌离子、镉离子结合后没有明显的荧光变化,表现为对汞离子的专一荧光信号选择性。本发明实现了探针对汞离子的专一性的比率识别,能够用于细胞中汞离子的检测,对于其他生物和环境中汞离子的检测具有广阔的应用前景。

标签:
化学分析
辽宁 - 大连 来源:中冶有色网 2023-03-19
基于香豆素的红光聚集诱导发光材料及其制备方法

一种基于香豆素的红光聚集诱导发光材料及其制备方法,属于有机化学和材料化学技术领域。本发明解决技术问题的发光材料结构式如下:命名CRTP。CRTP的合成首先将4‑二乙基氨基水杨醛与乙酰乙酸乙酯和哌啶混合在无水乙醇中,回流加热得到G‑1产物,然后化合物G‑1与等摩尔量4‑(二苯基胺)苯甲醛在哌啶进一步催化下得到最终产物。利用香豆素和三苯胺制备得到红光聚集诱导发光材料CRTP。原料易得,合成简单易行。当其在不良溶剂或水相中聚集时CRTP能够实现明显的红光发射,可有效避免传统有机荧光团的聚集诱导猝灭现象,有望应用于固体发光材料及生物体内高灵敏度荧光检测。

标签:
化学分析
辽宁 - 大连 来源:中冶有色网 2023-03-19
智能磁力搅拌加热装置
智能磁力搅拌加热装置 1289     
 0

本发明公开了一种智能磁力搅拌加热装置,包括搅拌加热系统和智能控制系统。磁铁置于磁铁架上部中心,由其下方的电机提供动力绕轴转动,从而带动反应容器中的搅拌子转动。电机的转速由智能控制系统设置,并由磁铁的磁传感器检测;搅拌子的转速由搅拌子的磁传感器组检测。若搅拌子转速和电机转速不一致,说明搅拌子运行状态异常,此时智能控制系统将自动调节转速至二者一致,使搅拌子稳定运行。加热系统可以根据具体的实验要求加热并控制温度。本发明提供的方法可以通过磁传感器实时监控搅拌子运行状态,若有异常,智能控制系统将及时调整至正常状态,对样品的均匀混合和化学反应的稳定进行具有重要的意义。

标签:
化学分析
辽宁 - 大连 来源:中冶有色网 2023-03-19
SUMO-C4H7NO2探针、合成方法及应用

本发明属于生物技术领域,涉及一种SUMO化修饰捕获探针、其合成方法及应用。所述的SUMO化修饰捕获探针分子式为SUMO‑C4H7NO2,所述的SUMO为人源SUMO‑1,其核苷酸序列如SEQ ID NO:1所示,其氨基酸序列如SEQ ID NO:2所示。本发明采用基因克隆得到编码人源SUMO‑1蛋白的多肽,通过化学合成方法得到SUMO‑C4H7NO2,SUMO‑C4H7NO2结构稳定,方便化学合成及检测应用。SUMO‑C4H7NO2荧光探针具有高度特异性灵敏性较高。

标签:
化学分析
辽宁 - 大连 来源:中冶有色网 2023-03-19
基于激光诱导性石墨烯-贵金属纳米复合物的过氧化氢无酶传感器的制备方法

一种基于激光诱导性石墨烯‑贵金属纳米复合物的过氧化氢无酶传感器的制备方法,属于电化学传感器及新型纳米功能材料技术领域。步骤为:首先,采用高强度激光束在聚酰亚胺薄膜表面进行雕刻或烧灼后,去除聚酰亚胺薄膜剩余的材料,得到图案化的激光诱导性石墨烯;其次,将激光诱导性石墨烯移入真空磁控溅射装置进行贵金属的溅射,得到激光诱导性石墨烯‑贵金属纳米复合物;最后,以激光诱导性石墨烯‑贵金属纳米复合物为工作电极,与辅助电极、参比电极共同组建过氧化氢电化学传感器。本发明所涉及传感器可实现对含有微量过氧化氢的水溶液进行过氧化氢的快速灵敏检测;材料成本低廉,制造工艺简单,具有十分广阔的应用前景。

标签:
化学分析
辽宁 - 大连 来源:中冶有色网 2023-03-19
基于单根ZnO微米线的非平衡电桥式乙醇气体传感器

本发明公开一种基于单根ZnO微米线的非平衡电桥式乙醇气体传感器,本首先通过化学气相沉积方法制备出表面积大,结晶好的ZnO微米线阵列,然后从其上取出所需的单根ZnO微米线,在其两端用银胶固定并作为惠斯通电桥的一个可变桥壁,与其他三个桥壁构成非平衡电桥式乙醇气体传感器。制备工艺简单,成本低廉,制作方便易于实现,不仅具有较高的灵敏度而且响应和恢复速度快,可在室温下对乙醇气体进行检测,提高了检测器的可靠性。

标签:
化学分析
辽宁 - 大连 来源:中冶有色网 2023-03-19
增强型氧荧光敏感膜及其制备方法

本发明涉及一种增强型氧荧光敏感膜及其制备方法,该发明是利用溶胶凝胶或者聚合物基质对荧光探针金属络合物和荧光增强物质纳米二氧化钛颗粒进行有效包埋,制备出对氧具有增强响应的纳米材料掺杂光化学传感膜。采用该方法制备的氧敏感膜表面均匀,机械强度好,荧光强度高,制作工艺简单,可采用低灵敏度的光电检测装置进行检测,有效地降低了传感器成本,易于微型化和实用化。

标签:
化学分析
辽宁 - 大连 来源:中冶有色网 2023-03-19
基于阿霉素药物的诊疗一体化荧光药物分子及其制备和应用

基于阿霉素药物的诊疗一体化荧光药物分子及其制备和应用,属于有机化学和药物化学技术领域。本发明诊疗一体化药物分子简称CRDB是由香豆素酰肼衍生物通过酰腙键与阿霉素结合实现荧光团与药物分子的组装。具体制备方法为:将化合物溶于甲醇溶液中,向溶液中加入阿霉素后滴入三氟乙酸,常温搅拌6‑8小时后,向溶液中慢速滴加正已烷,过滤取得溶液中析出的黄色固体为CRDB。本发明基于阿霉素药物的诊疗一体化荧光药物分子靶向性好、副作用小、治疗效率高,还具备纳米药物所欠缺的成本低、合成易于调控、荧光检测无辐射,药物易定量。

标签:
化学分析
辽宁 - 大连 来源:中冶有色网 2023-03-19
用于船舶锅炉循环水处理的电解除垢装置

本发明公开了一种用于船舶锅炉循环水处理的电解除垢装置,包括减速电机、进水阀、出水阀、排污阀、换向器、刮刀、圆盘式平板电极、沉淀槽、导电率检测电极、水垢控制器、圆柱形桶、沉淀槽、旋转轴、滑环和轴套;所述的圆盘式平板电极共有六对,分别顺次固定在旋转轴上,其中前五对圆盘式平板电极通过导线与换向器连接,形成多级串联式处理结构,最后一对圆盘式平板电极作为导电率检测电极,通过导线与水垢控制器连接。本发明采用多级串联式平板电极能有效增大电化学反应接触面积,提高单位时间的除垢率,同时缩小装置体积,提高空间利用率。本发明采集处理后水的硬度,形成闭环控制,自动反馈调整电解电压,操作简便且有效降低整个装置的能耗。

标签:
化学分析
辽宁 - 大连 来源:中冶有色网 2023-03-19
一类可聚合荧光染料、其制备方法及应用

一类可聚合荧光染料、其制备方法及应用,所述的可聚合荧光染料具有下述通式的结构:其中:D是荧光染料母体;Z为含有可聚合的官能团的连接基团;n是1或2。本发明所述的可聚合荧光染料具有光稳定性高、荧光量子产率高的优点,可在激光读取、激光扫描、霓虹灯照射、户外等苛刻条件下使用。所制备得到的荧光纳米微球可广泛应用于生物检测、发光材料、印刷或涂料领域的应用。乳液聚合的制备方法利用烯烃双键自由基聚合反应,可以方便地将荧光染料化学嵌入聚合物中,不脱落,同时引入带有氯化苄乙烯的单体,可以进行形成化学交联位点,通过乳化聚合制备可功能化的荧光纳米微球,可以满足上述需求。

标签:
化学分析
辽宁 - 大连 来源:中冶有色网 2023-03-19
一类基于氟硼吡咯和香豆素的FRET分子及其合成方法

本发明涉及一类基于氟硼吡咯和香豆素的FRET分子及其合成方法。该FRET分子制备时,先以香豆酸为原料于氯化亚砜中室温搅拌得到黄色固体。然后在二氯甲烷溶液中,将黄色固体进一步与炔丙基氨和三乙胺常温搅拌反应,过滤后得到的产品柱层析分离提纯得到黄色固体。再进一步与氟硼吡咯、碘化亚铜及钯催化剂反应得到最终目标化合物。该化合物具有较好的化学、光稳定性,具有大的斯托克位移,适用于生物体内的荧光检测,可避免生物体内自发荧光干扰。本发明制备的这一类FRET分子可用于生命科学与超分子光化学等领域,应用前景广泛。

标签:
化学分析
辽宁 - 大连 来源:中冶有色网 2023-03-19
基于金属有机骨架材料的生物传感器及其应用

本发明公开了一种基于金属有机骨架材料和壳聚糖的酪氨酸酶电化学生物传感器及其制备方法和应用,首先将酪氨酸酶固载在以铜离子为金属中心的金属有机骨架材料(CuMOF)表面上,再与壳聚糖(Chi)混合后生成CuMOF-Tyr-Chi复合材料固定在玻碳电极表面制得酪氨酸酶电化学生物传感器。本发明的优点是:1.对双酚类化合物灵敏度高;2.检测限低;3.选择性好;4.本发明的生物传感器制备过程简单,无需复杂的样品前处理过程,对目标化合物响应迅速,易于微型化。

标签:
化学分析
辽宁 - 大连 来源:中冶有色网 2023-03-19
称量滴定管
称量滴定管 1135     
 0

本实用新型属于化学分析领域,涉及一种通用型称量滴定分析装置。本称量滴定管是以无色或棕色玻璃或耐腐蚀半透明塑料为主体,配一个耐酸、碱及有机溶剂腐蚀的塑料活塞。活塞的接触面需经打磨处理,这样可以保证其密封性。本称量滴定管为管体,一端沿管体方向接带塑料活塞的缩口管,另一端与管体呈120-135度接一个磨口塞,与磨口塞相对的管体另一侧接四个支撑柱组成。见附图。磨口塞中部有一通气口,在滴定时通气口与大气相同,称量时关闭可使称量读数稳定。四个支撑柱要在一个水平面上使管体悬空,能使本称量滴定管方便快捷地在电子天平上称量。靠近磨口塞的两个支撑柱与另两个支撑柱有一定间隔,以方便称量滴定管被夹子夹住。

标签:
化学分析
辽宁 - 大连 来源:中冶有色网 2023-03-19
上一页 7 8 9 10 11 ... 34 下一页
共34页    到第

中冶有色为您提供最新的辽宁大连有色金属化学分析技术理论与应用信息,涵盖发明专利、权利要求、说明书、技术领域、背景技术、实用新型内容及具体实施方式等有色技术内容。打造最具专业性的有色金属技术理论与应用平台!

全国热门有色金属设备推荐
展开更多 +
全国热门有色金属技术推荐
展开更多 +

 

江西省隆恩特环保设备有限公司
宣传

报名参会
更多+

2025年10月15日 ~ 17日
2025年10月17日 ~ 19日
2025年10月31日 ~ 11月02日
2025年11月07日 ~ 09日

报告下载

有色专家
更多+

西北稀有金属材料研究院宁夏有限公司
党委书记 / 董事长
辽宁忠旺集团
教授级高工
中国有色金属工业协会
教授级高级工程师
湖南大学
教授
武汉科技大学
党委副书记、校长
赤泥综合利用研究报告2025
推广

热门技术
更多+

推荐企业
更多+

福建省金龙稀土股份有限公司
宣传

发布

在线客服

公众号

电话

顶部
咨询电话:
010-88793500-807