青岛垚鑫智能科技有限公司
宣传

位置:北方有色 >

有色技术频道 >

> 化学分析技术

分类:
全部
矿山技术
冶金技术
材料制备及加工技术
环境保护技术
分析检测技术
 
全部
物理检测技术
化学分析技术
力学检测技术
无损检测技术
失效分析技术
环境检测技术
地区:
全部
北京
天津
上海
重庆
河北
山西
辽宁
吉林
黑龙江
江苏
浙江
安徽
福建
江西
山东
河南
湖北
湖南
广东
海南
四川
贵州
云南
陕西
甘肃
青海
内蒙
广西
西藏
宁夏
新疆
其他
其他
展开
 
全部
济南
青岛
淄博
枣庄
东营
烟台
潍坊
济宁
泰安
威海
日照
滨州
德州
聊城
临沂
菏泽

山东济南有色金属化学分析技术理论与应用

免费发布技术信息>>
高中化学用测量烧杯
高中化学用测量烧杯 850     
 0

本实用新型公开了一种高中化学用测量烧杯,包括挂绳、烧杯主体、储水杯、把手和挡板,所述挂绳前面固定有烧杯罩,所述烧杯主体外部右侧安装有温度计,所述烧杯罩上方通过铰链与烧杯盖连接,所述烧杯罩下方连接有吸盘,且烧杯罩右边安装有温度计,所述储水杯后面连接有胶头滴管,所述胶头滴管套后面通过胶头滴管与烧杯罩连接,所述烧杯盖内部安装有橡胶圈,所述把手前面连接有烧杯罩,所述挡板外部设置有烧杯主体,且烧杯主体右上角安装有过滤网。该高中化学用测量烧杯的烧杯主体为半圆柱状结构,由此可以很稳定将磁铁固定在量杯罩后部,从而使烧杯罩可以在磁铁的作用下稳定的与黑板固定,达到让更多同学看到的效果。

标签:
化学分析
山东 - 济南 来源:北方有色网 2023-03-19
应用在摩擦磨损试验机上的电化学动态测试装置

一种应用在摩擦磨损试验机上的电化学动态测试装置,用于模拟海洋环境对摩擦磨损过程进行电化学试验。它包括:电解池,在电解池的顶部固定有电极安装板,在电极安装板上设有参比电极和辅助电极,电解池内侧设有试验腔,试验腔内放置电解液;海浪模拟单元,所述海浪模拟单元包括水槽和往复机构,水槽固定在电解池的侧壁上,在水槽上设有至于电解池内腔中的进水管和出水管,其中进水管靠近试验腔底部,水槽、进水管、试验腔和出水管之间形成循环水路;往复机构用于驱使电解池内的电解液流动;夹紧单元,所述夹紧单元设置在电解池内,用于对放置在试验腔内的工件进行夹紧固定。本发明可以模拟电化学动态环境进行工件的摩擦磨损试验研究。

标签:
化学分析
山东 - 济南 来源:北方有色网 2023-03-19
电化学测试实验装置
电化学测试实验装置 979     
 0

本实用新型涉及一种电化学测试实验装置,包括电解槽、电解槽盖、活页、T形滑块组合件、金属压块、孔槽、ABS树脂夹。在进行试样的电化学测试实验时,需要对试样和电极的相对位置进行精确控制,根据测试材料规格的不同所需要调节的位置也不同,通过T形滑块组合件在平行孔槽中的左右滑移,然后用金属压块压紧在电解槽盖上,保证了试样和电极位于合适的位置上,提高了实验精确度。

标签:
化学分析
山东 - 济南 来源:北方有色网 2023-03-19
具有实时监测功能的危险化学品存储装置

本实用新型公开了一种具有实时监测功能的危险化学品存储装置,包括装置本体,所述装置本体的下表面固定连接有缓冲底盘,所述装置本体的右侧固定连接有警报装置,所述装置本体的左侧固定连接有与监测系统电性连接的监测模块,所述装置本体的顶部固定连接有密封模块,所述密封模块包括圆盘,所述圆盘的下表面固定连接有密封塞,所述装置本体的上表面开设有与密封塞相适配的出料口,所述圆盘的上表面开设有通孔并通过通孔限位转动有转轴。本实用新型,通过上述结构之间的配合使用,解决了在实际使用过程中,由于顶盖的密封性以及使用时的牢固性不足,易使化学品发生泄漏,给实验和生产造成安全事故,给使用带来不便的问题。

标签:
化学分析
山东 - 济南 来源:北方有色网 2023-03-19
电化学病毒监测废液处理装置

本发明涉及废液处理领域,尤其涉及一种电化学病毒监测废液处理装置。为了解决微电解发生器内密布的多层托板,不利于后期污泥的清除处理工作,并且污泥掉落在托板的各个微孔结构中易造成堵塞现象的技术问题。本发明提供了这样一种电化学病毒监测废液处理装置,包括有压缩组件和中心轴等;压缩组件连接中心轴。本发明在中心轴正转时,搅拌机构将污泥收集在储泥盒内,同时导气机构将侧部管道中的反应气体导入废液中,使废液的微电解处理工作连续进行,在中心轴反转时,压缩组件将储泥盒内积留的污泥向中间聚积,同时底阀组件打开,开始污泥冲除工作,使污泥从本废液处理装置中清除,避免影响下一组废液处理工作的高效进行。

标签:
化学分析
山东 - 济南 来源:北方有色网 2023-03-19
抗腐抗震化学自感应式火源探测器

本实用新型公开了一种抗腐抗震化学自感应式火源探测器,包括前支撑体和后支撑体,所述前支撑体左侧设置有指示活塞,且前支撑体内部设置有玻璃圆柱体,并且玻璃圆柱体内部设置有热膨胀液,所述指示活塞外侧设置有限位块,且指示活塞内部设置有限位球,并且限位球外围设置有限位小孔。该抗腐抗震化学自感应式火源探测器,利用设置的前支撑体、防护观察罩以及后支撑体,解决了在高腐蚀环境下,电控式自动灭火装置中的线性热敏感应线、热敏转换感应器和管路冲压式气动式自动灭火装置中机械式先导启动器极易受到腐蚀性元素侵蚀,造成火源侦测装置因腐蚀问题造成自动灭火装置误触发和失效问题。

标签:
化学分析
山东 - 济南 来源:北方有色网 2023-03-19
化学试验用导气测温一体式温度计

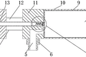
本实用新型公开了一种化学试验用导气测温一体式温度计,由温度计(1)构成,其特征在于在温度计(1)的外侧设玻璃套筒(2),玻璃套筒(2)的上口密封固定在温度计(1)的上部外壁上,玻璃套筒(2)的下口密封固定在温度计(1)的下部外壁上,在玻璃套筒(2)的下部侧壁上设进气孔(3),在玻璃套筒(2)的上部侧壁上设垂直于玻璃套筒(2)的出气管(4)。该化学试验用导气测温一体式温度计,结构简单、操作方便、使用安全,可广泛用于化学教学中测量液体温度并导出气体的试验。

标签:
化学分析
山东 - 济南 来源:北方有色网 2023-03-19
基于电化学传感器独立式voc探测器

本实用新型公开了一种基于电化学传感器独立式voc探测器,包括探测头,所述探测头通过螺纹连接探测器主体,所述探测头内设置电化学传感器,所述电化学传感器通过数字接口连接探测器主板,所述探测器主板包括处理器、电源模块、图像处理模块、物联网模块、GPS模块,所述电源模块、图像处理模块、物联网模块及GPS模块分别与处理器相互连接,所述物联网模块连接控制器,所述图像处理模块连接显示单元。通过采用以上技术方案,结构简单,安装快捷,无需布线只需悬挂安装在现场,现场的voc浓度就可以通过物联网模块上传到监测云平台,维护成本比较低,而且将传感器和放大电路独立出去,避免了信号弱的情况,减小了环境的影响,延长了使用的寿命。

标签:
化学分析
山东 - 济南 来源:北方有色网 2023-03-19
地球化学地气测量采样装置

本实用新型涉及地球化学地气测量领域的地气积累式取样采集装置,特别涉及一种地球化学地气测量采样装置。该地球化学地气测量采样装置,包括托架、采集罩、采样器和防污染罩杯,所述托架上装有采集罩,所述采集罩上装有防污染罩杯,所述采集罩与采样器连接。其有益效果是:通过改进后的取样装置,采样器下方产生了比改进前具有较大的腔室,增加了该处地气的流动性,避免了以前采样地区采样期间因有较多降水将采样器浸泡的情况,或采样器本身不稳定,发生采样器与土壤接触而被污染的情况,采样器可采集到更多的待测物质,本装置材质易得,结构简单便于制作,操作简便,成本低,易于推广应用。

标签:
化学分析
山东 - 济南 来源:北方有色网 2023-03-19
基于强化学习的移动端应用测试方法、装置、设备及介质

本申请公开了一种基于强化学习的移动端应用测试方法、装置、设备及介质,该方法包括:创建云数据中心的移动端应用模拟环境;采集用户行为数据,对其特征进行提取,产生用户操作行为的样本,并结合设计的测试用例,生成模拟用户操作行为的智能体;将智能体与创建的模拟环境进行交互,通过强化学习训练,得到训练好的策略模型和评价模型;通过训练好的模型,对待测移动端应用进行DevOps自动化测试。这样在云端模拟环境中,利用采集的用户行为数据及设计的测试用例,通过强化学习训练,形成用于云端模拟测试的用户行为的模型,保证测试覆盖率,并且可以更好的模拟实际用户的行为,重现用户操作场景,形成准确的测试评价,提升测试效率。

标签:
化学分析
山东 - 济南 来源:北方有色网 2023-03-19
测定非离子表面活性剂临界胶束温度的电化学方法

本发明涉及一种测定非离子表面活性剂临界胶束温度的电化学方法,属于电化学方法的技术领域。本发明针对已有测定CMT方法所用仪器昂贵、操作费时等不足,提出了一种测定非离子表面活性剂临界胶束温度的电化学方法,其步骤为:(1)工作电极的预处理;(2)工作电极表面积的测定;(3)测定不同扫描速率下氧化峰电流与温度的关系,及测定不同温度下待测溶液中扩散系数;(4)通过氧化峰电流与温度的关系、或通过扩散系数与温度的关系,找出临界胶束温度。其优点为:测试前溶液无需预处理,测试不受溶液浊度的影响,所用操作仪器更为普遍,价格便宜;其操作步骤也简单易于操作。

标签:
化学分析
山东 - 济南 来源:北方有色网 2023-03-19
基于k线聚类和强化学习的自适应金融时间序列预测方法

本发明公开了一种基于k线聚类和强化学习的自适应金融时间序列预测方法,先获取金融数据,对金融数据进行K线化处理,并K线化处理后的数据进行计算,得到当前匹配周期内的K线数据;采用Kmeans聚类算法、FCM聚类算法或基于数据密度的在线聚类方法对K线各个子部分进行聚类;将聚类结果输入到深度强化学习模型中进行参数训练,利用训练好的深度强化学习模型进行金融交易。本发明将金融数据进行K线化,并对K线各子部分进行聚类,将聚类结果输入到深度强化学习模型,得到基于分解k线聚类的深度强化学习模型,实现了实时金融交易价格的在线自适应预测。

标签:
化学分析
山东 - 济南 来源:北方有色网 2023-03-19
基于深度强化学习的建筑能耗预测方法及系统

本发明公开了一种基于深度强化学习的建筑能耗预测方法及系统,包括:采集建筑能耗历史数据,同时采集建筑面积、建筑常住人口数量、建筑常住人口消费水平、建筑所在地天气状况数据。将采集到的数据样本分组,根据所得到的训练样本输入到深度强化学习网络模型中进行训练并保存使状态动作值函数最优的网络模型。最后将预测样本输入到深度强化学习网络模型,进行建筑能耗预测。本发明采用深度学习中的卷积神经网络与强化学习中的Q学习相结合的方法实现了建筑的能耗预测,相对于传统的预测方法,用卷积神经网络结合Q学习算法的深度强化学习网络可以减少数据量,降低数据的存储要求,提高数据的使用效率,加快数据处理的效率。

标签:
化学分析
山东 - 济南 来源:北方有色网 2023-03-19
用于测量柴油中含硫量的电化学传感器

本发明涉及一种用于测量柴油中含硫量的电化学传感器,包括:线性扫描伏安法测量系统,以及两电极或三电极电化学工作体系;所述线性扫描伏安法测量系统与两电极或三电极电化学工作体系相连;其中,所述两电极电化学硫传感器由工作电极与辅助电极,以及离子液体‑有机溶剂混合液体组成两电极体系;所述三电极电化学硫传感器由工作电极、辅助电极和参比电极,以及离子液体‑有机溶剂混合液体组成三电极体系。本发明提供了一种更加轻便、快捷,且可以快速准确高效的柴油中硫含量的测定方法,该方法可以有效解决现有测定技术设备昂贵且不便移动的问题,从而节省设备成本和时间成本,不受场地限制,测定结果较为精确。

标签:
化学分析
山东 - 济南 来源:北方有色网 2023-03-19
测试电化学曲线样片面积控制装置

本实用新型涉及到一种测试电化学曲线样片面积控制装置,该装置为测试样片电化学曲线用样片面积控制装置。具体实施步骤是:在用于测试电化学曲线用槽一侧开一个长与宽都为1厘米的测试槽侧壁窗口,将测试样片固定在窗口上,在样片与测试用槽间添加一缓冲片,缓冲片上与测试槽侧壁窗口对应位置开一同样大小的窗口,缓冲片材料选择耐蚀性好、弹性好的橡胶。本实用新型在样片电化学曲线测试槽壁上开一窗口并添加缓冲片,控制测试电化学曲线样片有效面积,省去对样片表面封蜡步骤,提高实验效率,为测试曲线提供方便。

标签:
化学分析
山东 - 济南 来源:北方有色网 2023-03-19
用于原位锂电池电化学测试的叠压式三电极电解槽

本发明涉及一种用于原位锂电池电化学测试的装置,属于锂电池材料评价技术领域。本发明公开了一种锂电池原位电化学测试的叠压式三电极电解槽,其包含工作电极底座、参比电极圆环固定座和对电极顶盖三部分,该装置结构模拟CR20系列不同厚度的纽扣型电池,降低了电解槽内阻,并在结构中增加了参比电极,从而有效地监测充放电过程中测试电极的结构和性能变化,实现全方位、多角度地观测电化学过程。所发明的装置可以准确、有效地评价锂电池电极、电解液及隔膜等部件的电化学及电池性能。

标签:
化学分析
山东 - 济南 来源:北方有色网 2023-03-19
基于光信号的高精度光杠杆的化学反应监测装置

本申请涉及一种基于光信号的高精度光杠杆的化学反应监测装置,具体而言,涉及高精度监测领域。本申请提供的基于光信号的高精度光杠杆的化学反应监测装置,装置包括:壳体、隔板、光源和接收板;当需要对化学反应的进程进行监测时,将化学反应的反应物设置在该壳体的第二腔内部,当生成气体的化学反应时,气体会使得该第二腔内部的介质会发生改变,即使得该壳体的第二腔内部的折射率发生改变,从而使得光源产生的光信号在第二腔内部传输到达该接收板上的位置发生改变,通过该接收板上接收光信号的位置的变化情况与待监测的化学发生进程的对应关系,得到化学反应的进程。

标签:
化学分析
山东 - 济南 来源:北方有色网 2023-03-19
基于中空Fe<Sub>2</Sub>O<Sub>3</Sub>的双模式电化学适配体传感器及测定啶虫脒的方法

本发明涉及农残分析测定技术领域,特别是涉及一种基于中空Fe2O3纳米材料的双模式传感器以及用其测定啶虫脒的方法,包括双模式传感器制备步骤和使用该传感器测定啶虫脒的操作方法等;这种传感器是以方波伏安法SWV和i‑t双信号输出,可检测啶虫脒含量,并对结果相互印证,准确度高;本测定方法模式切换简捷快速,选择性好,灵敏度高。

标签:
化学分析
山东 - 济南 来源:北方有色网 2023-03-19
双放大电致化学发光传感器及测定毒死蜱的方法

本发明设计农残分析测定技术领域,特别是涉及一种基于中空Fe/Co‑MOF及Ag NPs的双放大适配体传感器以及用其测定毒死蜱的方法,包括双放大传感器制备步骤和使用该传感器测定毒死蜱的操作方法等;这种传感器利用了中空Fe/Co‑MOF对鲁米诺‑H2O2体系的催化作用,及纳米银对鲁米诺‑H2O2增强发光作用,实现联合增强ECL发光,用于毒死蜱的检测,灵敏度高,特异性好。

标签:
化学分析
山东 - 济南 来源:北方有色网 2023-03-19
冶金粉末含氧量化学试验室内测定装置

本实用新型公开了冶金粉末含氧量化学试验室内测定装置,由氮、氢气储瓶、氮、氢气输出管、和玻璃管、炉体构成,其特征在于:所述的氮、氢气输出管的输出口分别与三通壳体的第一、二个单向入嘴相连接;三通壳体的出口固定连接上单向出嘴;单向出嘴通过连通管与干燥塔连通,干燥塔的出口与玻璃管的入口相连接。该冶金粉末含氧量化学试验室内测定装置,由于氢、氮气的输入均采用了单向流动控制嘴,且交替使用一个干燥塔,干燥塔置于玻璃管的输入端,所以结构简单,使用安全,有效地避免氢气和氮气接触的机会,而且氮气吹除玻璃管内空气时一并将干燥塔内的空气排出,避免了氢气与空气接触发生爆炸的可能性,排除了安全隐患,降低了检测才成本。

标签:
化学分析
山东 - 济南 来源:北方有色网 2023-03-19
通过量子化学方法构建定量构效关系模型来预测有机化合物急性毒性的方法

本发明公开了一种通过量子化学方法构建定量构效关系模型来预测有机化合物急性毒性的方法,是运用Gaussian程序对化合物结构进行几何全优化,得出分子的体积、相对分子质量、最高占据轨道能、最低空轨道能、前线轨道能级差、偶极矩、溶剂化能、电子能等量子化学参数,将它们和疏水性参数作为结构描述符,结合毒性数据,通过编写的基于偏最小二乘逐步线性回归的程序,建立各种结构描述符与毒性之间的定量关系方程,得到方程的复相关系数,F-检验值和残差平方和,然后验证模型,以保证其外部预测能力。由此,可以快捷、有效的预测所要研究的有机化合物的毒性,为化学品的风险评价和监管提供必要的基础数据。

标签:
化学分析
山东 - 济南 来源:北方有色网 2023-03-19
用于涂层耐蚀性原位测试的电化学探头

本实用新型公开了一种用于涂层耐蚀性原位测试的电化学探头,其探头借助负压直接吸附在被检测涂层表面,无需破坏涂层,即可进行金属基、陶瓷基、非金属材料基等涂层的检测,可实现在役装备涂层、涂层样品的原位无损检测,保证试验结果的重复性,适用于各种涂层材料的耐蚀性能检测。另外,本实用新型还具有装置结构简单,可设计性强,适用面广,操作方便,效率高等优点。

标签:
化学分析
山东 - 济南 来源:北方有色网 2023-03-19
快速测定药用玻璃化学稳定性的方法

本发明提供一种快速测定药用玻璃化学稳定性的方法。步骤如下:对未经腐蚀的块状药用玻璃样品表面以及经腐蚀后得到的腐蚀玻璃样品表面分别进行纳米压痕测试,得到载荷‑位移曲线,从而得到纳米硬度H和等效弹性模量Er随压入深度的变化曲线,最大压入深度hmax和残余深度hf,残余深度hf和最大压入深度hmax的比值作为塑性变形量;通过对比不同腐蚀条件下玻璃样品的上述数据确定玻璃的化学稳定性情况。本发明方法测试样品制备方便,测试过程简单快捷,可以有效的判断药用玻璃化学稳定性的变化,特别是药用玻璃被药液侵蚀的初期,药用玻璃表层被侵蚀的表层厚度特别薄,可以快速有效的检测药用玻璃在腐蚀初期的化学稳定性的变化。

标签:
化学分析
山东 - 济南 来源:北方有色网 2023-03-19
用于涂层耐蚀性原位测试的电化学探头及其使用方法

本发明公开了一种用于涂层耐蚀性原位测试的方法及其专用电化学探头。本发明用于涂层耐蚀性原位测试的方法,通过将探头借助负压直接吸附在被检测涂层表面,无需破坏涂层,即可进行金属基、陶瓷基、非金属材料基等涂层的检测,可实现在役装备涂层、涂层样品的原位无损检测,保证试验结果的重复性,适用于各种涂层材料的耐蚀性能检测。其专用电化学探头,装置结构简单,可设计性强,适用面广,另外,还有操作方便,效率高等优点。

标签:
化学分析
山东 - 济南 来源:北方有色网 2023-03-19
具有防护功能的中医学化学检验装置

本发明提供一种具有防护功能的中医学化学检验装置,包括横向底板,固定吸盘,纵向支架,侧边连接架,储药筒,出料管,排料阀,辅助搅拌混合架结构,横向过滤网板,辅助旋转架结构,分类防护试验观察架结构,可调节辅助固定储存架结构,防护垫和接料斗,所述的纵向支架螺栓安装在横向底板的上部左侧;所述的侧边连接架焊接在纵向支架的左侧上部;所述的储药筒螺钉安装在储药筒的左侧。本发明固定吸盘分别胶接在横向底板的下部四角处,有利于能够增加对该装置的固定效果,从而避免使用者误碰撞到该装置将其撞倒造成损坏;分类标签分别设置在储料斗的前侧,有利于在使用时方便对存放在储料斗内的试验药品进行分类。

标签:
化学分析
山东 - 济南 来源:北方有色网 2023-03-19
化学产品质量检验用溶解装置

本实用新型公开了一种化学产品质量检验用溶解装置,包括溶解釜和搅拌机构,搅拌机构包括第一搅拌组件、第二搅拌组件及箱体,第一搅拌组件包括第一电机和第一搅拌杆,第一搅拌杆与第一电机连接,第一搅拌杆的外壁固定设有第一扩充杆;第二搅拌组件包括第二电机、主动伞齿轮及第二搅拌杆,主动伞齿轮位于箱体内部且与第二电机驱动连接,第二搅拌杆水平与箱体的两侧壁转动连接,第二搅拌杆上外套固定有第一从动伞齿轮,第一从动伞齿轮与主动伞齿轮啮合,第二搅拌杆的相对两端分别设有搅拌器,第二搅拌杆的相对两端分别与两个出料口相对。本实用新型解决了现有技术中存在的对检验对象的搅拌力度不够、搅拌杆容易断裂及出料口容易堵塞的技术问题。

标签:
化学分析
山东 - 济南 来源:北方有色网 2023-03-19
用于测量粉末样品化学成分的测试组件

本实用新型涉及一种样品池技术领域,具体涉及一种用于测量粉末样品化学成分的测试组件。包括样品台、按压器和盖片,样品台上设有凹槽和滑槽,按压器包括按压台和按压柱,按压柱横截面与凹槽形状、大小一致,按压柱远离按压台的一侧外围设有水平刻度线,盖片设有凸台,盖片面积大于凹槽面积,凸台与滑槽尺寸相适应。样品台、按压器和盖片的相互配合,使得测试组件既能保证粉末压制的均匀性,同时进行检测时,不影响粉末样品的状态,还能起到保存样品的作用。

标签:
化学分析
山东 - 济南 来源:北方有色网 2023-03-19
便于检修的化学储能蓄电池簇机柜

本实用新型公开了一种便于检修的化学储能蓄电池簇机柜,包括机柜本体,以及固定安装于机柜本体正面内部左右两侧的导向滑杆;所述机柜本体的内部顶面左右两侧均通过轴承横向贯穿设置有驱动蜗杆;还包括:所述机柜本体正面内部左右两侧导向滑杆的外壁等距离滑动贯穿设置有导向滑块;其中,机柜本体内部顶面驱动蜗杆的左右两端外壁均通过固定连接的扭力弹簧连接于机柜本体的内壁。该便于检修的化学储能蓄电池簇机柜,通过人为拉动设置于机柜本体正面的翻折密封挡板,使得翻折密封挡板将机柜本体正面开启,同时带动侧边的侧开式检修门进行开启,便于检修人员通过大面积的开合进行检修操作。

标签:
化学分析
山东 - 济南 来源:北方有色网 2023-03-19
铝合金型材化学成分检验用取样装置

本实用新型提供一种铝合金型材化学成分检验用取样装置,主要涉及检验用取样设备领域。一种铝合金型材化学成分检验用取样装置,包括底板,所述底板顶面一侧安装L型板,所述L型板底面通过两根左右分布的伸缩杆安装横板,所述横板底面四角均安装安装第一链轮,四个所述第一链轮之间通过链条啮合连接,每个所述第一链轮底面均安装钻杆,所述横板顶面安装电机。本实用新型的有益效果在于:本实用新型结构简单,使用方便,通过电机提供动力,在第一链轮、第二链轮与链条的配合下,能够同时带动四根钻杆转动,进而实现对型材的取样,减少了取样时间,提高了取样效率,降低了操作人员的体力劳动,给铝合金型材取样带来方便。

标签:
化学分析
山东 - 济南 来源:北方有色网 2023-03-19
阴道分泌物的形态学与干化学一体检验装置

本实用新型涉及形态学与干化学检验设备,特别涉及一种阴道分泌物的形态学与干化学一体检验装置,其包括有显微镜、开关电源、固态继电器、电磁阀、步进驱动器、底板、中间继电器、柱塞泵、可编程逻辑控制器、滑块遮挡板、数字摄像头、加热片、放大器、直线导轨、摄像头支架;本实用新型提高了形态学与干化学检验的自动化程度,实现了阴道分泌物的形态学与干化学一体式检验、出单,极大地提高了检验效率。

标签:
化学分析
山东 - 济南 来源:北方有色网 2023-03-19
上一页 45 46 47 48 49 ... 59 下一页
共59页    到第

北方有色为您提供最新的山东济南有色金属化学分析技术理论与应用信息,涵盖发明专利、权利要求、说明书、技术领域、背景技术、实用新型内容及具体实施方式等有色技术内容。打造最具专业性的有色金属技术理论与应用平台!

全国热门有色金属设备推荐
展开更多 +
全国热门有色金属技术推荐
展开更多 +

 

江西省隆恩特环保设备有限公司
宣传

报名参会
更多+

报告下载

有色专家
更多+

中南大学
中国工程院院士
广东省科学院资源利用与稀土开发研究所
教授
武汉科技大学
校学术委员会主任 / 教授
矿冶科技集团有限公司
所长/研究员级高工
江西理工大学
副校长/教授
赤泥综合利用研究报告2025
推广

热门技术
更多+

推荐企业
更多+

福建省金龙稀土股份有限公司
宣传

发布

在线客服

公众号

电话

顶部
咨询电话:
010-88793500-807