青岛垚鑫智能科技有限公司
宣传

位置:中冶有色 >

有色技术频道 >

> 无损检测技术

分类:
全部
矿山技术
冶金技术
材料制备及加工技术
环境保护技术
分析检测技术
 
全部
物理检测技术
化学分析技术
力学检测技术
无损检测技术
失效分析技术
环境检测技术
地区:
全部
北京
天津
上海
重庆
河北
山西
辽宁
吉林
黑龙江
江苏
浙江
安徽
福建
江西
山东
河南
湖北
湖南
广东
海南
四川
贵州
云南
陕西
甘肃
青海
内蒙
广西
西藏
宁夏
新疆
其他
其他
展开
 
全部
杭州
宁波
温州
绍兴
湖州
嘉兴
金华
衢州
台州
丽水
舟山

浙江有色金属无损检测技术理论与应用

免费发布技术信息>>
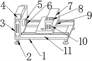
新型转子检测装置
新型转子检测装置 826     
 0

本实用新型公开了一种新型转子检测装置,包括底板,底板的底部固定设置有调节管,底板的顶部分别设置有检测箱和滑轨,检测箱的顶部固定设置有显示屏,滑轨的顶部活动连接有安装板,安装板的顶部固定连接有工作箱,工作箱的顶部固定连接有操作板,检测箱和工作箱的侧面均设置有转轴,转轴的顶部活动连接有固定螺栓,调节管的侧面活动连接有固定旋钮,调节管的底部设置有支撑脚,检测箱的内部分别通过螺栓固定安装有无损探伤仪和检测仪,工作箱的内部通过螺栓固定安装有电机,安装板的顶部贯穿有调节手柄,该种新型转子检测装置,通过设置的检测仪、无损探伤仪和电机解决了现有检测装置检测结果的精确度比较低的问题。

标签:
无损检测
浙江 - 杭州 来源:中冶有色网 2023-03-19
基于叶绿素荧光成像的转基因玉米草甘膦耐受性表型的检测方法

本发明公开一种基于叶绿素荧光成像的转基因玉米草甘膦耐受性表型的检测方法,包括:(1)制备实验样本;(2)获取受草甘膦胁迫不同天数的转基因玉米和非转基因玉米植株冠层叶片的莽草酸含量;(3)通过叶绿素荧光成像系统获取受草甘膦胁迫不同天数的转基因玉米和非转基因玉米植株冠层的叶绿素荧光参数;(4)建立PLSR模型,剔除异常样本,经K‑Means选择建模集和预测集;(5)利用主成分分析选择对草甘膦胁迫响应最敏感的叶绿素荧光参数;(6)基于选择的叶绿素荧光参数和转基因玉米植株实际的莽草酸含量建立PLSR回归分析模型,建模集和预测集决定系数为R2=0.75,R2=0.63。本发明鉴别精度较高、操作简单,可实现转基因玉米草甘膦耐受性表型的快速无损检测。

标签:
无损检测
浙江 - 杭州 来源:中冶有色网 2023-03-19
水果内部品质光特性在线检测的水果尺寸补偿方法和装置

本发明涉及了一种水果内部品质光特性在线检测的水果尺寸补偿方法和装置,装置由输送单元、尺寸检测单元、尺寸补偿单元、控制单元和驱动单元组成。水果在输送单元以滚动状态运动,尺寸检测单元获取水果的尺寸信息,编码器获取水果的位置信息,位置信息和尺寸信息传输给控制单元进行分析处理后,控制信息传输到驱动单元,驱动尺寸补偿单元实施尺寸补偿。所采用的通过水果内部品质光特性在线检测的水果尺寸补偿方法和装置可以使水果的检测位置始终在水果的赤道表面,并且检测装置始终能够在距水果最佳的位置获得检测信息,可以提高在线水果内部品质检测的快速、准确、有效性,提高水果内部品质无损检测的自动化水平。

标签:
无损检测
浙江 - 杭州 来源:中冶有色网 2023-03-19
用于水果内部品质检测的输送托盘

本发明公开了一种用于水果内部品质检测的输送托盘。在底盘中心开有阶梯孔,中空的波形座垫安装在底盘的阶梯孔中,将小水果,如苹果、梨、脐橙、柑桔等直接放在波形座垫上。在所述的底盘端面上安装有上部大而下部小的碗形托,碗形托内壁四周设有衬垫,将大水果,如西瓜、甜瓜等放在碗形托和波形座垫上。将水果输送到水果内部品质检测系统内,从而实现水果内部品质的无损检测。本发明结构简单,能在进行水果内部品质检测时防止环境光源通过底盘内的阶梯孔进入检测器,保证检测精度,并且可用于大水果和小水果的输送。特别适合于易损伤水果内部品质近红外光谱检测分级的水果输送。

标签:
无损检测
浙江 - 杭州 来源:中冶有色网 2023-03-19
短波红外消光光谱纺织品纤维成分检测方法

本发明公开了一种短波红外消光光谱纺织品纤维成分检测方法,所要解决的是快速、便捷、无损地实现纺织品纤维成分含量检测问题;该纺织品纤维成分含量检测方法步骤如下:(1)收集标准纺织品样本,建立完备的纺织品样本库。(2)测量标准纺织品样本的消光光谱。(3)分阶段建立纤维成分预测模型。(4)测量待检纺织品样本的消光光谱。(5)根据(3)所建立的纤维成分预测模型对待检纺织品样本的纤维成分进行预测,得到待检纺织品样本的纤维成分。本发明的短波红外消光光谱纺织品纤维成分检测方法,可大幅度提高纺织品纤维成分检测的复杂度和效率,实现快速、便捷、无损检测。

标签:
无损检测
浙江 - 杭州 来源:中冶有色网 2023-03-19
毛竹中半纤维素含量的检测系统及方法

本发明公开了一种毛竹中半纤维素含量的检测系统及方法,该检测系统包括透明样品槽,其侧壁外周的底部均匀设有22个透过波长不同的滤光片,可旋转工作台,用于承载所述透明样品槽;光源,用于照射预设检测点;检测器,用于检测在光源照射下预设检测点处的漫反射率;控制单元,用于控制可旋转工作台转动使透明样品槽侧壁外周的滤光片转动至预设检测点处,并获取检测器检测到的漫反射率以计算毛竹中半纤维素含量。本发明的检测系统和方法可快速有效地实现毛竹中半纤维素含量的快速、无损、低成本、环保地检测,这为快速获取毛竹组成成分的信息,指导后期毛竹的利用加工起着巨大的作用,且系统结构简单,易于操作,维护成本低廉。

标签:
无损检测
浙江 - 杭州 来源:中冶有色网 2023-03-19
新型冷镦上料检测装置

本发明公开了一种新型冷镦上料检测装置,包括装置主体、装置底座、高度调整机构、导料管、表面除杂机构、隔板、无损检测机构和缺陷标记机构,与现有技术相比,本发明结构简单,设计合理,通过设置表面除杂机构、无损检测机构和缺陷标记机构的方式,实现对线材的全自动表面除杂、无损检测和缺陷标记,检测效果好,省时省力,增加了生产效率,降低了冷镦产品的次品率,值得推广。

标签:
无损检测
浙江 - 嘉兴 来源:中冶有色网 2023-03-19
农畜产品品质近红外光谱便携式检测方法和装置

本发明公开了一种农畜产品品质近红外光谱便携式检测方法。箱体内设有样品室,三分叉光源输入光纤等间隔安装在样品室同一高度上,样品容器插入在中空的可拆卸样品托架内,并安装在中空的可转动承载台上,箱体内的下端凸台中安装空心轴并安装齿轮,齿轮与可转动承载台固接,安装在步进电机主轴上的齿轮与空心轴齿轮相啮合;聚光透镜安装在凸台孔中,近红外光源的光经三分叉光源投射到样品上,再经通孔由聚光透镜传输给信号接收光纤,待检测的光至光谱议进行分析处理。本发明实现了在检测积分时间内待测样品整周面积的光源照射,保证了透过样品后的光能较多反映样品的品质信息,从而通过有效光谱信息的采集,提高检测精度,实现快速无损线检测。

标签:
无损检测
浙江 - 杭州 来源:中冶有色网 2023-03-19
具有检测功能的自动转移机械手

本实用新型主要公开了一种具有检测功能的自动转移机械手,包括基座、旋转台和调节臂,基座内设有第一电机,基座的表面设有旋转槽,旋转台设置在旋转槽内且与第一电机连接,调节臂上设有两个铰接杆,铰接杆的两端分别与旋转台和调节臂铰接,旋转台上设有驱动铰接杆转动的第二电机,调节臂的下端设有连接杆,连接杆上设有两个夹臂以及检测罩,两个夹臂交叉铰接在连接杆上,调节臂上设有驱动夹臂的驱动装置,检测罩位于两个夹臂之间,检测罩内设有检测板,检测板的一侧设有无损检测头,基座上设有控制器,控制器分别与无损检测头、第一电机和第二电机、驱动装置电连接。本实用新型操作灵活,调节范围广,检测效率高。

标签:
无损检测
浙江 - 杭州 来源:中冶有色网 2023-03-19
超声相控阵微空化微流控检测系统

本发明公开了超声相控阵微空化微流控检测系统,属于无损检测技术领域,本发明可以实现通过先对工件进行外观采集,获取其形状后进行图像处理,然后经过数据计算处理后生成最佳的检测轨迹,对于隐藏点通过预先布设合适的超声波反射板,根据布设方向和位置调整对隐藏点检测的最佳检测位置和角度,然后由超声相控阵检测模块对工件按照生成的轨迹和对隐藏点的定位,保证全方位完全彻底的对工件表面进行无损检测,并且实时调整探头角度使得超声波的发射方向始终与工件表面保持垂直,实现高精度的无损检测,尤其适用于不规则形状具有隐藏区域的工件,具有极大的市场推广价值。

标签:
无损检测
浙江 - 杭州 来源:中冶有色网 2023-03-19
大跨度桥梁钢箱梁内检测的爬壁机器人

本发明公开了一种大跨度桥梁钢箱梁内检测的爬壁机器人。包括机器人本体,还包括安装在机器人本体上的运动控制系统、摄像头模块和无损探伤模块;运动控制系统包括磁轮机构、电机、单片机主控模块和电机驱动模块,磁轮机构与电机连接,单片机主控模块控制电机驱动模块驱动电机转动;单片机主控模块与摄像头模块电连接,摄像头模块获取钢箱梁内部不同方位的表观信息;无损探伤模块持续检测钢箱梁的焊缝缺陷。该爬壁机器人可实现内直角壁面过渡,具有结构简单、壁面适应性强、越障性能好等优点。同时,机器人通过搭载摄像头和无损探伤探头,能够实现自动巡检,从而提高钢箱梁检测效率和准确率。

标签:
无损检测
浙江 - 宁波 来源:中冶有色网 2023-03-19
基于巨磁电阻传感器的涡流检测装置

本发明公开了一种基于巨磁电阻传感器检测探头的涡流检测装置。该装置采用基于直接数字合成技术的集成电路得到频率可调的正弦信号,为激励线圈提供激励信号。根据电磁感应原理,当激励线圈靠近被测导电结构时,被测件中会产生涡流;涡流反过来又影响激励线圈所产生的磁场。基于巨磁电阻传感器的检测探头检测出磁场的变化,该磁场变化信号经过差动放大后分两路送入相敏检波器。相敏检波器的输出信号与被测件的某个或某些待检测参数有密切关系,经过分析或反演计算,可推测出待测参数的状况或数值。该装置采用了基于巨磁电阻传感器的检测探头,探头适用于检测磁场尤其是微弱磁场,适用于航空航天等领域的多层导电结构里层和深层缺陷的无损检测与评估。

标签:
无损检测
浙江 - 杭州 来源:中冶有色网 2023-03-19
高电阻率铁磁材料缺陷检测方法

本发明提供一种对高电阻率铁磁材料的裂纹、气泡等缺陷进行无损检测的方法。本发明基本检测流程是将检测对象置于交变磁场中交流磁化使其温度升高,同时采用红外热像仪实时获取热图像,根据缺陷引起的温度场分布异常检测缺陷。相比较已公开的热成像无损检测方法,本发明主要特征是热激励手段不同,通过铁磁材料在交流磁化过程中的磁滞损耗来实现。本发明所述方法可以在非接触的情况下对检测对象从内部进行加热进而检测缺陷,并且不要求检测对象导电,特别适合于铁氧体等高电阻率铁磁材料缺陷检测。

标签:
无损检测
浙江 - 杭州 来源:中冶有色网 2023-03-19
焦炭塔过渡段的对接焊缝检测工艺

本发明公开了一种焦炭塔过渡段的对接焊缝检测工艺,将传统的分段检测方式优化为分层检测方式,通过选择无损检测方法和检测时机来避免较大的焊缝厚度差对焊缝检测的影响,充分利用各种无损检测方法的优点,实现对焦炭塔过渡段的整个焊缝截面内各类型缺陷的有效检测,降低检测盲区的影响,以达到最大缺陷检出能力的检测目的。本发明检测工艺既优先保证了焊缝中间部分的内部质量,又确保了整个过渡段环形锻件的结构尺寸。

标签:
无损检测
浙江 - 宁波 来源:中冶有色网 2023-03-19
太阳能供电的钢结构无线自调零应变检测装置

本发明公开了一种太阳能供电的钢结构无线自调零应变检测装置,它主要由数据采集基站和若干个检测单元组成;数据采集基站主要由计算机工作站和无线网络收发基站相连组成;检测单元主要由自动化调零与量程可调应变传感模块、太阳能供电模块、无线收发模块和中央处理模块组成;本发明利用太阳能供电模式与无线通讯协议,做到真正意义上的零线路布置,长期全天候工作;利用集成电路设计原理,实现应变片的自动化初始调零设计,实现应变量程可调,以保证在钢材料受力极限强度范围内的最大精度测量要求;根据钢结构材质特性,实现表面快速无损安装与拆卸;根据钢结构建筑规模大的特性,实现传感器检测测点的传输接力、灵活组网。

标签:
无损检测
浙江 - 杭州 来源:中冶有色网 2023-03-19
具有高温应变检测功能的传感胶带

本发明属于高温环境应变检测领域,具体涉及一种具有高温应变检测功能的传感胶带。包括利用进口玻璃纤维布和铁氟龙树脂形成的胶带基材,铁氟龙树脂中嵌入了聚酰亚胺耐高温光纤光栅,胶带的胶层为环氧-聚酰亚胺胶,胶层外覆盖一层保护膜,过渡区有一个高温保护套,后端为耐高温光缆和光纤匹配头。本发明利用了耐高温胶带与耐高温光纤光栅相结合的结构,制成一种带有高温应变检测功能的传感胶带,通过光纤光栅的相应布局方式,可以实现一维或二维应变检测功能,这种传感胶带使用方便,可以与各种高温构件表面完全柔性贴合,同时还能用于易燃易爆环境,实现实时检测、无损检测、抗电磁干扰、分布式和准分布式测量。

标签:
无损检测
浙江 - 杭州 来源:中冶有色网 2023-03-19
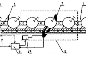
漏磁检测小车
漏磁检测小车 907     
 0

本实用新型涉及设备无损检测技术领域,具体为一种漏磁检测小车,包括车本体,车本体的一端连接有车把手,车本体内设有横梁,车本体内设有隔板,隔板将车本体分为角落检测区和普通检测区,角落检测区包括呈L型的第一衔铁,第一衔铁的内侧连接有呈L型的第一磁铁,第一磁铁的一端与罐体侧壁相对应,第一磁铁的另一端与罐体底板相对应,第一磁铁上还连接有用于检测角落的第一探头,第一探头电连接有第一数据采集器,第一数据采集器电连接有便携机,便携机安装在车把手上。将现有技术中的检测小车进行优化,在保留原检测装置的情况下,增加了角落检测区,本实用新型不仅可以实现平时的底板无损检测,还可以实现储罐角落的无损检测。

标签:
无损检测
浙江 - 宁波 来源:中冶有色网 2023-03-19
检测水果甜度的方法、装置、系统及存储介质

本发明实施例提供了一种检测水果甜度的方法、装置、系统及存储介质。该方法包括:通过磁共振弥散加权成像,获取待检测水果无损的情况下的表观弥散系数;根据所述待检测水果的表观弥散系数确定所述待检测水果的有效表观弥散系数;以及根据所述有效表观弥散系数确定所述待检测水果的甜度。上述技术方案能够在待检测水果无损的情况下基于磁共振成像获取待检测水果表观弥散系数并利用表观弥散系数来确定水果的甜度,实现了无损且可靠的水果甜度检测。

标签:
无损检测
浙江 - 宁波 来源:中冶有色网 2023-03-19
利用拉曼光谱检测水果中β-胡萝卜素含量的方法

本发明公开一种利用拉曼光谱检测水果中β-胡萝卜素含量的方法,利用拉曼光谱对水果样品进行无损检测,同时使用高效液相色谱进行化学检测,将两者检测结果相比较,而后进行科学的数学推演,以得出两者间的映射关系,通过该映射关系,利用拉曼光谱检测数据,即可得出适用于该种水果的β-胡萝卜素含量。本发明具有检测速度快、样品无损、灵敏度高等优点。

标签:
无损检测
浙江 - 杭州 来源:中冶有色网 2023-03-19
基于叶色检测的植物生长状况监测方法

本发明公开了一种基于叶色检测的植物生长状况监测方法。基于植物的叶色值与其叶绿素含量的正相关性可知,获取叶色值就能间接得到叶绿素含量。由此,本方法通过拍摄得到植物叶片图像,借助事先训练好的卷积神经网络分类器对植物进行分类;接着用图像处理技术对叶片的颜色进行分析,根据叶色与叶色值之间的模型,得到对应的叶色值,从而得到叶片的叶绿素含量,并得出植物的生长状况。本方法与传统方法相比,优点在于可以实现无损监测,并具有较强的可靠性,不受植物种类限制。

标签:
无损检测
浙江 - 绍兴 来源:中冶有色网 2023-03-19
码头裂缝检测及预测方法

本发明涉及结构安全评估技术领域,具体一种涉及码头裂缝检测及预测方法,包括如下步骤:构建测量物体结构模型,并进行预处理;对所述测量物体结构模型进行加压,并采集所述测量物体结构模型的图像信息;基于3D‑DIC技术对采集到的图像信息进行分析,获得结构裂缝信息,基于3D‑DIC技术,能够快速、无损的量测出裂缝的张开程度和方向,直观得出裂缝的种类及其可能对结构造成的影响,从而有效预知码头裂缝未来情况,码头使用寿命,对码头结构可能产生的危害提前进行预防和修建,有效地避免裂缝的产生对码头正常使用产生的不利影响。

标签:
无损检测
浙江 - 杭州 来源:中冶有色网 2023-03-19
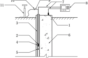
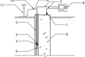
基桩的孔中双测点低应变完整性检测装置

本实用新型公开了一种基桩的孔中双测点低应变完整性检测装置,包括带固定装置的加速度传感器、预埋管、脉冲锤、带刻度的引线以及数据采集处理装置。本装置所采用的传感器由加速度传感器和固定装置组成,当加速度传感器到达指定位置后,利用固定装置固定其在管中的位置。在灌注混凝土桩时,需在钢筋笼内预埋管件以吊放传感器。进行检测时,将两个传感器分别吊放到预埋管中指定深度,利用脉冲锤敲击桩顶,根据两个测点的结果进行分析,达到测量混凝土波速、检测桩长及桩身缺陷定量化分析的目的。本实用新型结合了传统基桩低应变检测法与声波透射法的优点,具有快速、经济、无损等特点。

标签:
无损检测
浙江 - 杭州 来源:中冶有色网 2023-03-19
基于HPV和TDP双模式的树干液流检测装置及其测量方法

本发明公开了一种基于HPV和TDP双模式的树干液流检测装置及其测量方法,包括:数据采集模块、主控单元模块、数据显示模块和数据存储模块以及与云服务器通信的GPRS模块,供电模块和单片机;所述单片机和供电模块电性连接;所述单片机和GPRS模块电性连接,所述GPRS模块和云服务器信号连接;所述单片机和主控单元模块电性连接。本发明中,采用直径1‑2mm的热探针对树木几乎无损伤的侵入式检测并有效地避免外界因素的干扰,结合远程服务端动态采样并依据环境变化切换检测装置的工作方式,综合HPV和TDP法各自的优点,可提升测量数据的有效性和精确度,减小数据冗余,降低能耗且可实现云服务器平台的数据共享。

标签:
无损检测
浙江 - 杭州 来源:中冶有色网 2023-03-19
高温或低温被测管道壁厚检测方法、设备及系统

本发明实施例公开了一种高温或低温被测管道壁厚检测方法、设备及系统,属于无损检测或监测技术领域,设备包括:至少一个测厚探头和与所述测厚探头连接的控制器;所述测厚探头用于安装在高温或低温被测管道的外壁;所述测厚探头包括超声波导波杆和安装于所述超声波导波杆的一端的超声压电片;所述超声波导波杆的另一端与高温或低温被测管道的外壁垂直接触。本发明实施例无需在高温管道上开孔安装,拆装方便,避免因开孔而产生的各种安全隐患。采用超声导波,超声波传导不受外界环境影响,测厚稳定可靠。使用常规压电片材料就可以实现高温连续测厚,降低了生产成本,提高了测量的稳定性和准确性。

标签:
无损检测
浙江 - 嘉兴 来源:中冶有色网 2023-03-19
用于水冷壁检测的自适应超声波测厚装置

本实用新型公开了一种用于水冷壁检测的自适应超声波测厚装置,涉及无损检测领域,超声波测厚装置包括调节底板,自适应机构,探头夹持机构和机器人连接机构,所述自适应机构多组固定设置于调节底板下方,并通过调节底板上的安装槽位置控制自适应机构的间距,适应不同节距规格的水冷壁;所述探头夹持机构固定设置于自适应机构下方,通过自适应机构对水冷壁管的适应能力保证厚度测量的准确性与稳定性。

标签:
无损检测
浙江 - 杭州 来源:中冶有色网 2023-03-19
固相萃取测定中药挥发油含量的检测方法及固相萃取棒

本发明涉及中药储存品质评价与控制方法,尤其涉及一种固相萃取测定中药挥发油含量的检测方法及固相萃取棒。本发明的一个目的是提供一种中药挥发油的固相萃取棒,本发明的另外一个目的是提供一种固相萃取测定中药挥发油含量的检测方法。本发明用于萃取中药挥发油,及其在中药储存品质评价与控制中的应用,实现中药无损检测和品质实时监测。

标签:
无损检测
浙江 - 杭州 来源:中冶有色网 2023-03-19
测量皮瓣厚度和检测接收线圈的方法

本发明公开了一种测量皮瓣厚度和检测接收线圈的方法,包括确定标准谐振频率、绘制标准曲线、测量皮瓣厚度和/或检测接收线圈。本发明提供的测量皮瓣厚度和检测接收线圈的方法通过将和发射线圈相同的体外线圈耦合到接收线圈上,在不同间距下测量其等效阻抗,最后通过标准曲线确定使用者的皮瓣厚度;和/或通过阻抗共振峰的最大值和谐振频率来判断线圈故障原因。本发明具有无损简单,迅速,不影响使用者体内安装植入体的工作情况的优点。而且,本发明还能够迅速判断线圈断路、谐振偏离等故障,为分析、了解故障原因提出可靠依据。

标签:
无损检测
浙江 - 杭州 来源:中冶有色网 2023-03-19
基桩的桩顶、孔中双测点低应变完整性检测装置及方法

本发明公开了一种基桩的桩顶、孔中双测点低应变完整性检测装置及方法,包括加速度传感器、预埋管、气囊固定装置、充气管、止气阀、充气装置、配重块、带刻度的传感器引线以及数据采集处理装置。本装置所采用的加速度传感器包括一个桩顶传感器和一个孔中传感器,桩顶传感器放置在桩顶,孔中传感器则通过预埋管件向桩内吊放,当孔中加速度传感器到达指定位置后,利用气囊固定装置固定其在管中的位置。采用本发明进行基桩检测时,利用脉冲锤敲击桩顶,对两个测点的振动结果进行分析,以达到测量混凝土波速、检测桩长及桩身缺陷定量化分析的目的。本发明结合了传统基桩低应变检测法与声波透射法的优点,具有快速、经济、无损等特点。

标签:
无损检测
浙江 - 杭州 来源:中冶有色网 2023-03-19
基桩的孔中双测点低应变完整性检测装置及方法

本发明公开了一种基桩的孔中双测点低应变完整性检测装置及方法,包括带固定装置的加速度传感器、预埋管、脉冲锤、带刻度的引线以及数据采集处理装置。本装置所采用的传感器由加速度传感器和固定装置组成,当加速度传感器到达指定位置后,利用固定装置固定其在管中的位置。在灌注混凝土桩时,需在钢筋笼内预埋管件以吊放传感器。进行检测时,将两个传感器分别吊放到预埋管中指定深度,利用脉冲锤敲击桩顶,根据两个测点的结果进行分析,达到测量混凝土波速、检测桩长及桩身缺陷定量化分析的目的。本发明结合了传统基桩低应变检测法与声波透射法的优点,具有快速、经济、无损等特点。

标签:
无损检测
浙江 - 杭州 来源:中冶有色网 2023-03-19
基桩的桩顶、孔中双测点低应变完整性检测装置

本实用新型公开了一种基桩的桩顶、孔中双测点低应变完整性检测装置,包括加速度传感器、预埋管、气囊固定装置、充气管、止气阀、充气装置、配重块、带刻度的传感器引线以及数据采集处理装置。本装置所采用的加速度传感器包括一个桩顶传感器和一个孔中传感器,桩顶传感器放置在桩顶,孔中传感器则通过预埋管件向桩内吊放,当孔中加速度传感器到达指定位置后,利用气囊固定装置固定其在管中的位置。采用本实用新型进行基桩检测时,利用脉冲锤敲击桩顶,对两个测点的振动结果进行分析,以达到测量混凝土波速、检测桩长及桩身缺陷定量化分析的目的。本实用新型结合了传统基桩低应变检测法与声波透射法的优点,具有快速、经济、无损等特点。

标签:
无损检测
浙江 - 杭州 来源:中冶有色网 2023-03-19
上一页 27 28 29 30 31 ... 47 下一页
共47页    到第

中冶有色为您提供最新的浙江有色金属无损检测技术理论与应用信息,涵盖发明专利、权利要求、说明书、技术领域、背景技术、实用新型内容及具体实施方式等有色技术内容。打造最具专业性的有色金属技术理论与应用平台!

全国热门有色金属设备推荐
展开更多 +
全国热门有色金属技术推荐
展开更多 +

 

江西省隆恩特环保设备有限公司
宣传

报名参会
更多+

报告下载

有色专家
更多+

华东理工大学
主任/教授
中南大学
中国工程院院士
武汉理工大学
外籍院士/教授
湖南有色金属研究院
教授级高工/原总工程师
赣州江钨钨合金有限公司
工程师
赤泥综合利用研究报告2025
推广

热门技术
更多+

推荐企业
更多+

福建省金龙稀土股份有限公司
宣传

发布

在线客服

公众号

电话

顶部
咨询电话:
010-88793500-807