青岛垚鑫智能科技有限公司
宣传

位置:中冶有色 >

有色技术频道 >

> 化学分析技术

分类:
全部
矿山技术
冶金技术
材料制备及加工技术
环境保护技术
分析检测技术
 
全部
物理检测技术
化学分析技术
力学检测技术
无损检测技术
失效分析技术
环境检测技术
地区:
全部
北京
天津
上海
重庆
河北
山西
辽宁
吉林
黑龙江
江苏
浙江
安徽
福建
江西
山东
河南
湖北
湖南
广东
海南
四川
贵州
云南
陕西
甘肃
青海
内蒙
广西
西藏
宁夏
新疆
其他
其他
展开
 
全部
广州
韶关
深圳
珠海
汕头
佛山
江门
湛江
茂名
肇庆
惠州
梅州
汕尾
河源
阳江
清远
东莞
中山
潮州
揭阳
云浮

广东广州有色金属化学分析技术理论与应用

免费发布技术信息>>
基于光缆网光路的双路由的生成方法及装置

本发明公开了一种基于光缆网光路的双路由的生成方法及装置,该方法包括根据区域的所有设备节点的节点图和局向光纤组同沟同缆数据设置强化学习环境;将所有设备节点对应的节点数据转换成邻接矩阵,将邻接矩阵和局向光纤组同沟同缆数据输入信息无损压缩模型进行分析,得到稠密信息张量;根据强化学习环境和确定出的主路由的起始设备节点对应的节点数据与主路由的终止设备节点对应的节点数据初始化稠密信息张量,得到第一稠密信息张量;将第一稠密信息张量输入确定出的双路由搜索模型中进行分析,得到所有设备节点对应的双路由生成结果。可见,实施本发明能够获取到全网最优的双路由生成结果,从而实现双路由的最优配置,以实现光网资源的充分利用。

标签:
化学分析
广东 - 广州 来源:中冶有色网 2023-03-19
海上风电储能容量配置的优化方法及装置

本发明公开了一种海上风电储能容量配置的优化方法及装置。该方法通过分析每个自然日的风力出电特性,根据风电处理特性执行相应的储能运行优化策略并模拟运行预设的时长后筛选满足预设边界条件的方案,并对各个方案进行性能评估,从而获得最优的海上风电储能容量配置的优化方案,最后根据该优化方案进行配置。该装置包括数据获取模块、条件设置模块、分析判断模块、模拟运行模块以及选择配置模块。该方法及装置能够为海上风力发电区域配置能量密度大、布局灵活的电化学储能,基于更加精细的风电出力特性研究,对电化学储能进行科学、合理地定容、优化,增强风电出力‑负荷匹配性,从而提升了海上风电储能容量配置的准确性、实用性和自适应性。

标签:
化学分析
广东 - 广州 来源:中冶有色网 2023-03-19
基于双层活性物质复合电极的锂离子电池等效电路模型

本发明公开了一种基于双层活性物质复合电极的锂离子电池等效电路模型,该等效电路模型包括依次串联连接的电池的欧姆电阻Re、第一电路单元、第二电路单元、第三路单元、第四电路单元、第五电路单元和锂离子在活性物质中累计或消耗的嵌入电容Cint。所述的等效电路模型适用于电极具有双层活性物质的锂离子电池,该等效电路模型拟合精度高,可精确有效地分析基于双层活性物质复合电极的锂离子电池内部的电化学阻抗和导电粒子传输动力学,对全面分析锂离子电池的各项电化学性能有着重要的作用。

标签:
化学分析
广东 - 广州 来源:中冶有色网 2023-03-19
铜或铜合金的表面平滑微蚀处理液

一种铜或铜合金的表面平滑微蚀处理液。本发明涉及一种印制电路板的金属表面处理液。本发明的处理液的组分及重量百分含量为:35%双氧水:3~12;98%硫酸:5~20;不饱和烷烃二醇化合物:0.1~5;稳定剂:0.1~0.5;氟表面活性剂:0.001~0.02;其余为去离子水稀释剂。本发明的铜或铜合金表面微蚀处理液在低双氧水使用浓度下能将其表面处理成光泽度大于80的平滑表面,且成分分析和控制简单,不易暴沸,适合印制电路板各种化学镀的前处理。

标签:
化学分析
广东 - 广州 来源:中冶有色网 2023-03-19
萃取头可拆卸式固相微萃取探针及其制备方法

本发明属分析化学领域,涉及萃取头可拆卸式的固相微萃取探针及其制备方法,剪取聚二甲基硅氧烷管及金属丝,在金属丝上涂覆一层高温环氧树脂胶水后,将聚二甲基硅氧烷管套在金属丝上固定粘接,得到一端具有套管,一端为游离金属丝的自制萃取头;然后在固相微萃取探针套件的内管距离末端0.2~0.5cm处进行适度挤压,使其出现一个凹陷,或将制萃取头的游离金属丝部分弯出一个以上的弯曲;再将金属丝插入内管中。本发明的探针使用和制备过程都非常简便,只需要在探针使用过后,将萃取头抽出,再插进新的自制萃取头,即可继续使用;重复抽查次数可达到80-120次。每支探针的成本仅相当于现有商品化探针的千分之一,且具有很强的可操作性和可靠性。

标签:
化学分析
广东 - 广州 来源:中冶有色网 2023-03-19
石墨烯量子点荧光探针及其合成方法和应用

本发明公开了一种石墨烯量子点荧光探针,其结构如式Ⅰ所示:本发明以偶氮染料为目标化合物,以偶氮染料脱色菌株为实验客体,首次将石墨烯量子点荧光探针技术应用于示踪微生物降解可视化中,利用荧光标记示踪偶氮染料在细菌细胞内降解的显色过程,阐明微生物细菌细胞对偶氮染料分子的捕获和降解转移特点。该研究的开展将建立一套全新的基于化学荧光标记技术的微生物示踪研究模式,更生动直观、高效、特异地对单个细胞进行快速、高灵敏度分析标识,能为功能微生物的高效示踪提供新的工具,也能为功能微生物单细胞研究和未培养微生物的深入挖掘提供技术支撑,对于毒性芳烃污染物防治具有重大的实践意义和应用潜力。

标签:
化学分析
广东 - 广州 来源:中冶有色网 2023-03-19
多取代4-氟吖啶衍生物及其制备方法

本发明提供一种多取代4‑氟吖啶衍生物及其制备方法。该多取代4‑氟吖啶衍生物,具有如式(Ⅰ)所示结构:,其中,R1为烷基、烷氧基、环烷基、芳基、酯基、醚基、杂环基或卤素;R2~R4独立地选自氢、烷基、烷氧基、环烷基、芳基、酯基、醚基、杂环基或卤素;R2代表苯环上任意位置的取代基,R2的取代数量为1~4,且苯环氨基的邻位上未同时被R2取代;R3和R4为单独的取代基或相连成环烷基;EWG为吸电子基团。本发明提供的多取代4‑氟吖啶衍生物因其具有刚性平面结构和良好的生物活性,可广泛应用于光电材料、化学分析及抗癌、抗菌、驱虫、抗疟等药物领域。

标签:
化学分析
广东 - 广州 来源:中冶有色网 2023-03-19
固体火箭发动机C/C复合材料喷管烧蚀行为建模仿真方法

本发明公开了一种固体火箭发动机C/C复合材料喷管烧蚀行为建模仿真方法,建立了C/C复材喷管的多尺度烧蚀模型,综合考虑了燃气流动、传热和传质,粒子的机械侵蚀、燃气的化学反应等过程,获得了喷管的温度场、流场、压力分布情况,通过粒子轨迹的结果分析判断喷管各部位的机械侵蚀程度,并且利用水平集的方法模拟了C/C复合材料微观表面的退移和形貌,揭示了纤维和基体的热化学烧蚀规律。本发明从宏观和微观两个角度全面分析了C/C复合材料喷管的烧蚀情况,对喷管的热性能研究和精细化设计有重要价值。

标签:
化学分析
广东 - 广州 来源:中冶有色网 2023-03-19
核壳型纳米二氧化硅荧光探针及其合成方法和应用

本发明公开了一种核壳型纳米二氧化硅荧光探针及其合成方法和应用。本发明核壳型纳米二氧化硅荧光探针是核壳结构的纳米颗粒,核壳结构包括如式(I)所示的内核荧光染料和如式(II)所示的外壳染料,纳米颗粒的结构如式(III)所示;本发明还公开了一种利用核壳型纳米二氧化硅荧光探针选育具有毒性芳烃降解活性微生物的方法,该方法建立了一套全新的基于化学荧光标记技术的微生物选育研究模式,可更高效、直观、特异地对单个细胞进行快速、高灵敏分析分选,能为功能微生物的高效选育提供新的工具,也能为功能微生物单细胞研究和未培养微生物的深入挖掘提供技术支撑,对于毒性芳烃污染物防治具有重大的实践意义和应用潜力。

标签:
化学分析
广东 - 广州 来源:中冶有色网 2023-03-19
化合物分子3D打印系统及方法

本发明提供了一种化合物分子3D打印系统及方法,包括化合物分子分析装置、三维光阱生成装置、粒子生成与激发装置、粒子捕获装置、粒子传送装置,化合物分子分析装置、三维光阱生成装置、粒子传送装置、粒子捕获装置、粒子生成与激发装置依次相连。本发明的有益效果是:本发明的化合物分子3D打印系统可以应用于制作传统化学方法难以制作或分离的高纯度化合物分子,甚至可以制造出通过计算机仿真合成的更高效且无法通过常规化学方法生成的靶向药物分子;其次,本发明的化合物分子3D打印系统由于无需通过复杂的合成步骤,也无需考虑选择合成方式,更加不需要考虑合成后有效成分的分离,可以大大缩短药物开发的周期以及节约开发成本。

标签:
化学分析
广东 - 广州 来源:中冶有色网 2023-03-19
呼出气收集管道装置
呼出气收集管道装置 993     
 0

本实用新型涉及医学检测技术领域,且公开了一种呼出气收集管道装置,包括放置桌板,放置桌板底部左右侧的前后两侧均固定连接有桌腿,左侧桌腿的右侧固定连接有延伸至放置桌板底部的放置台,放置台与放置桌板相对一侧固定连接有延伸至放置桌板顶部和放置台底部的氧气罐。该呼出气收集管道装置,通过佩戴口罩后,打开氧气罐上的阀门,氧气通过氧气输送管使得纯净的氧气被输送到口罩内,患者吸入的氧气中减少了空气中其他化学元素的影响,从而使得患者在呼出气体中也减少了空气中其他化学元素的影响,增加了患者呼出气体的纯净度,对呼出气体进行检测的时候能够更加准确的检测患者的身体情况。

标签:
化学分析
广东 - 广州 来源:中冶有色网 2023-03-19
纳米粒子修饰的玻碳电极的制备方法及其应用

本发明公开了一种纳米粒子修饰的玻碳电极的制备方法以及将该电极电化学检测核黄素的应用。本发明所述的检测方法在氯铂酸溶液中通过循环伏安法将铂纳米粒子沉积到玻碳电极表面,水热合成法合成MoS2纳米材料,将MoS2纳米材料修饰到铂纳米粒子修饰的玻碳电极表面,再通过电化学聚合的方法在MoS2纳米材料表面电沉积上聚噻吩,得到聚噻吩/MoS2纳米材料/铂纳米粒子修饰玻碳电极。采用微分脉冲伏安法检测核黄素,线性范围宽,灵敏度高,电极可多次使用,操作方便。

标签:
化学分析
广东 - 广州 来源:中冶有色网 2023-03-19
光调控的用于核酸提取的功能化毛细管及其制备方法与应用

本发明公开一种光调控的用于核酸提取的功能化毛细管及其制备方法与应用,属于生物检测技术领域。本发明通过化学修饰的方法,在毛细管内表面依次修饰3‑氨丙基三乙氧基硅烷、4‑溴甲基‑3‑硝基苯甲酸、4‑氨基‑1‑丁醇,使得毛细管内表面带有大量正电荷,从而可以吸附带有负电性的核酸;并且,在302nm紫外光的照射下,4‑溴甲基‑3‑硝基苯甲酸与4‑氨基‑1‑丁醇反应生成的化学键发生断裂,从而使吸附于毛细管内表面的核酸重新释放至液相中,用于下一步的检测。本发明极大程度地简化了核酸分离与提取的操作过程,缩短了核酸分离与提取的时间,可利用紫外光照射使提取得到的核酸分子重新释放进入液相中,用于后续的储存或检测。

标签:
化学分析
广东 - 广州 来源:中冶有色网 2023-03-19
机器臂回收处理废水方法及采用该方法的机器臂

一种机器臂回收处理废水方法及采用该方法的机器臂,由于很多时候废液桶中有VOC气体,可燃或可爆炸气体,在运输过程中容易因为振动而发生搅拌,然后发生化学反应,引起燃烧、爆炸、或者有毒气体泄漏,因此采用具有搅拌器的机器臂来模拟废液桶在车内的振动情况,避免废液由于振动而发生混合和反应,放出气体和热量,导致废液桶爆炸。因此,本方法加入废液危险检测系统检测温度变化,通过温度变化来确认是否有化学反应出现,而且考虑到化学反应是否激烈的问题,避免由于评判标准过于单一而放弃处理过多的废液桶,在保证安全的前提下还提高了处理效率。

标签:
化学分析
广东 - 广州 来源:中冶有色网 2023-03-19
利用小型猪红细胞系统评价眼刺激性的方法

本发明公开了一种利用小型猪红细胞系统评价眼刺激性的实验方法,该方法主要包括:(一)、小型猪血红细胞悬液的制备;(二)、小型猪血红细胞溶血试验;(三)、蛋白变性实验;(四)、预测模型;(五)、分类和判断。本发明方法所用血红细胞来源可靠安全,测试材料容易获得、均一性好,测试系统简单、廉价,无需特殊设备,检测方法快速、灵敏、通用。本发明方法可直接用于化学品包括表面活性剂、消毒用品、去垢剂等,化妆品包括洗发水、沐浴液、眼霜等,农药、眼部用药品及其它可能接触眼睛的物质的安全评估,用于上述原料、配方或产品眼刺激性的快速筛查、分类和标识。

标签:
化学分析
广东 - 广州 来源:中冶有色网 2023-03-19
液体膜的切变波共振吸收谱仪

本发明公开了一种液体膜的切变波共振吸收谱 仪, 由悬挂扭摆装置和计算机检测装置组成。本发明还公开了该 谱仪在测量液体膜的切变波共振吸收波谱中的应用。本发明的谱仪可在10-5—500Hz频率范围内, 测量液体膜的切变波共振吸收谱, 为研究溶液中的团簇间、长链间和多键间的交互作用范围, 分子和团簇的集团行为, 高分子溶液中的长链, 生命液体中的二、三、四级或其他化学溶液和络合物中的基团的行为提供可靠的测量。

标签:
化学分析
广东 - 广州 来源:中冶有色网 2023-03-19
快速处理人脸遮挡的人脸识别方法及装置

本发明公开了一种快速处理人脸遮挡的人脸识别方法及装置,该方法包括:获取测试人脸样本及标准化学习字典;利用带局部约束的目标函数求出所述测试人脸样本未遮挡部分的局部约束编码,利用马尔可夫随机场对所述测试人脸样本遮挡区域建模并迭代更新,直至检测完成;利用带l2范数约束的目标函数获取所述测试人脸样本的未遮挡区域的稀疏表达;逐类生成每类对应的重构人脸,求出每类重构人脸与所述测试人脸样本之间的重构误差;查找具有最小重构误差对应的类,将其确定为所述测试人脸样本的类别并将其输出。本发明能够处理识别带遮挡或受噪声污染的人脸,在保证高识别成功率的前提下有较快的识别速度,从而更好地进行人脸识别,更适用于实际场景。

标签:
化学分析
广东 - 广州 来源:中冶有色网 2023-03-19
城市废水集中处理装置

本实用新型公开了一种城市废水集中处理装置,包括物理处理室、化学处理室、生物处理室,所述物理处理室的内部安装有过滤板,所述物理处理室的内侧底部在过滤板的一侧安装有蓄泥槽,所述化学处理室分为脱硝区、除磷区和酸碱检测区,所述脱硝区、除磷区和酸碱检测区的内部均通过导水管连接,所述脱硝区安装在物理处理室的外侧下端,并且所述脱硝区的内部通过导水管与物理处理室内部安装有蓄泥槽的一侧连接,所述除磷区安装在脱硝区的一侧,所述酸碱检测区安装在除磷区外部的下端,所述生物处理室安装在酸碱检测区的外部一侧,所述生物处理室的内部下端安装有生物降解层。本实用新型能够有效的城市废水进行快速有效的分解。

标签:
化学分析
广东 - 广州 来源:中冶有色网 2023-03-19
远程监控智能灭蝇装置

本实用新型公开了一种远程监控智能灭蝇装置和方法,所述装置包括控制模块、环境参数检测模块、苍蝇密度检测模块、自动灭蝇模块和网络通信模块,所述环境参数检测模块包括温度传感器、湿度传感器和风速传感器,所述控制模块的数据端分别与温度传感器、湿度传感器、风速传感器、感应喷头、泵装置、苍蝇密度检测模块和网络通信模块的数据端连接。本实用新型克服了现有物理灭蝇技术的被动进行的缺陷,可以根据环境参数有针对性地开展灭蝇措施,极大地提高了灭蝇效率;本实用新型也克服了现有化学灭蝇技术面临的化学药剂毒害等缺陷,工作人员无需身处现场即可进行工作,为工作人员创造了更舒适的工作环境。本实用新型广泛应用于养殖场卫生技术领域。

标签:
化学分析
广东 - 广州 来源:中冶有色网 2023-03-19
稀土掺杂钴磷三元合金修饰纳米多孔铜的柔性无酶葡萄糖传感电极及其制备方法

本发明提供了一种稀土掺杂钴磷三元合金修饰纳米多孔铜的柔性无酶葡萄糖传感电极,在电极表面修饰Co‑M‑P/NPC复合结构,其中M可为无放射性稀土元素中的一种或空白,使其具有极高的电化学活性面积和较低的电荷转移电阻,通过多孔结构及活性物质大幅提升电极的电催化活性。本发明提供的Co‑M‑P/NPC复合电极具有较高的灵敏度,极低的检出限,较低的检出限以及良好的稳定性和抗干扰性能,在0.5~10.0mM的检出范围内其灵敏度为1920μA/mM·cm2,检出限为182nM,响应时间小于4s,可应用于人体血糖的实际检测。

标签:
化学分析
广东 - 广州 来源:中冶有色网 2023-03-19
人泛素偶联酶UbcH10单克隆抗体杂交瘤DY01及单克隆抗体

本发明公开了一种人泛素偶联酶UbcH10单克隆抗体杂交瘤DY01及单克隆抗体。抗人泛素偶联酶UbcH10单克隆抗体杂交瘤DY01,于2010年11月19日保藏于中国微生物菌种保藏管理委员会普通微生物中心,保藏号为CGMCC?No.4334。其产生的单克隆抗体,能特异性的结合重组和天然的人泛素偶联酶UbcH10蛋白,本发明所述的抗体可用于ELISA、western-blot、细胞免疫荧光以及临床组织标本的免疫组织化学染色研究。同时本发明所述抗体可制备成实验室和临床检测人泛素偶联酶UbcH10表达情况的免疫检测试剂。

标签:
化学分析
广东 - 广州 来源:中冶有色网 2023-03-19
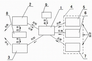
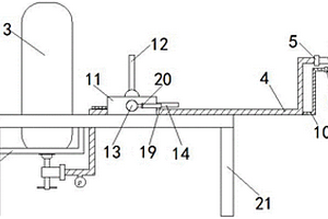
废液收集监控装置
废液收集监控装置 993     
 0

本实用新型公开了一种废液收集监控装置,它涉及化学分析仪器领域,它包括废液桶、桶盖、连接主体、O型圈、采集装置、过滤器、连接头,所述桶盖通过螺纹固定装配在废液桶上部的螺纹上,所述连接主体卡设于桶盖内,所述O型圈套设于连接主体上,所述采集装置固定安装在连接主体上,伸入到废液桶内,所述过滤器通过螺纹固定在连接主体上,所述连接头的一端通过螺纹固定安装在连接主体上,另一端与化学分析仪器或其他分析仪器的废液管管连接。一种废液收集监控装置结构新颖,装配可靠,自动实时监控废液桶内的液位高度,容积,温度等信息,超过设定值时可报警废液收集监控系统。

标签:
化学分析
广东 - 广州 来源:中冶有色网 2023-03-19
5G网络实时预警方法及系统

本发明公开了一种5G网络实时预警方法及系统,所述方法应用于化学实验室管理系统,所述系统与一智能摄像头通信连接,所述方法包括:根据第一智能摄像头和第一化学实验室的第一影像信息获得第一划分区域的第一气体检测信息;构建第一化学气体识别库;获得所述第一气体检测信息的第一匹配类别库;基于所述第一匹配类别库获得第一匹配编码;构建第一实时预警信号库;根据所述第一匹配编码,获得对应的第一匹配预警频率,并与预设响应周期结合进而生成第一匹配预警信号;将所述第一匹配预警信号发送至所述化学室管理系统中进行预警。解决了现有技术中预警方法不够迅速,且预警响应具有一定延时性的技术问题。

标签:
化学分析
广东 - 广州 来源:中冶有色网 2023-03-19
RHO沸石型2-乙基咪唑锌多孔材料的制备方法及其应用

本发明公开了一种RHO沸石型2-乙基咪唑锌多孔材料的制备方法及其在气相色谱中的应用。本发明涉及的多孔配位聚合物,其结构式为RHO-[Zn(eim)2](代号MAF-6),其中eim-代表有机配体2-乙基咪唑?(Heim)?脱去质子后的阴离子,RHO代表化合物具有RHO沸石的拓扑结构。本发明改进了传统的快速混合酸碱中和反应,通过优化了反应物浓度、模板剂用量和反应时间等参数,特别是改变了投料顺序,即反应体系开始时不同的反应物浓度比例,最终得以制备较大量高质量的MAF-6,而且所得样品具有很好的热稳定性和化学稳定性,孔洞率为55.4%,Langmuir比表面大于1650m2g-1。所述多孔材料MAF-6可制备成毛细管柱,具有良好的气相色谱分离能力和重现性,以及较好的热/化学稳定性,可用于分离检测沸点或尺寸相近的有机化合物。

标签:
化学分析
广东 - 广州 来源:中冶有色网 2023-03-19
6’-羟基萘基-2-氰基丙烯酸酯及其用途

本发明属于有机化学领域,具体涉及一种6’-羟基萘基-2-氰基丙烯酸酯,该化合物的化学结构如下式(I)所示,式(I)中,R是甲基,乙基,丙基,丁基,2-(2-甲氧基乙氧基)乙氧基或者2-(N,N-二甲基)胺基乙基。本发明所述的6’-羟基萘基-2-氰基丙烯酸酯是将6’-羟基-2-萘甲醛和2-氰基醋酸酯反应得到。本发明所述的6’-羟基萘基-2-氰基丙烯酸酯具有氟离子荧光识别性能,可以用来检测细胞内氟离子。

标签:
化学分析
广东 - 广州 来源:中冶有色网 2023-03-19
远程监控智能灭蝇系统和方法

本发明公开了一种远程监控智能灭蝇系统和方法,所述系统包括控制模块、环境参数检测模块、苍蝇密度检测模块、自动灭蝇模块和网络通信模块,所述环境参数检测模块包括温度传感器、湿度传感器和风速传感器,所述控制模块的数据端分别与温度传感器、湿度传感器、风速传感器、感应喷头、泵装置、苍蝇密度检测模块和网络通信模块的数据端连接。本发明克服了现有物理灭蝇技术的被动进行的缺陷,可以根据环境参数有针对性地开展灭蝇措施,极大地提高了灭蝇效率;本发明也克服了现有化学灭蝇技术面临的化学药剂毒害等缺陷,工作人员无需身处现场即可进行工作,为工作人员创造了更舒适的工作环境。本发明广泛应用于养殖场卫生技术领域。

标签:
化学分析
广东 - 广州 来源:中冶有色网 2023-03-19
智能化空气调节装置
智能化空气调节装置 816     
 0

一种智能化空气调节装置,包括有自动化控制器、环境监测装置、氧反应箱、空气净化装置组成,自动控制器的氧气控制端连有制氧反应箱,空气净化端连有空气净化装置,空气检测端连有环境检测装置,当密闭空间内的环境监测装置探测到空间内氧气浓度低时、二氧化碳浓度大于1.0%时或各气体参数超出指标时,自动控制器发出信号,激活制氧反应箱内的化学氧供氧单元,往复循环至制氧单元全部耗尽,当出现特出情况时,手动开启应急开关激活化学氧供氧单元,当检测到密闭空间内,自动控制器接到报警后立即开启空气净化装置,开始净化密闭空间内空气,当综合空气传感仪感应到空间内的,自动控制器发出信号开启净化系统及制氧装置,具有自动化程度高的特点。

标签:
化学分析
广东 - 广州 来源:中冶有色网 2023-03-19
具有本征阻燃性能的聚三唑及其制备方法和应用

本发明属于高分子化学和材料学领域,公开了一种具有本征阻燃性能的聚三唑及其制备方法和应用。聚三唑具有如式(I)或(II)所示的结构,其中,n为2~200的整数,R1,R3,R4为相同或不同的有机基团,R2为连接官能团, Fx为连接在苯环上的氟原子,x表示F原子的个数,x为2~4的整数。将二官能度或三官能度含多氟芳基活化叠氮化合物和二官能度炔基化合物,在有机溶剂中或者熔融状态下进行聚合反应,即可得到聚三唑。本发明制备的聚三唑,具有出色的可加工性、成膜性、较高的热稳定性,表现出优异的本征阻燃性能,同时具备聚集诱导发光性能,可用于化学荧光检测和制备阻燃材料。

标签:
化学分析
广东 - 广州 来源:中冶有色网 2023-03-19
禽畜养殖废水发酵除菌系统

本发明涉及废水除菌技术领域,尤其涉及一种禽畜养殖废水发酵除菌系统,包括厌氧发酵模块、化学除菌模块、固液分离模块、物理除菌模块、添料模块、检测模块和中控模块,所述中控模块用以根据沼气浓度判定发酵程度并在判定发酵程度符合标准后控制所述检测模块检测发酵后的养殖废水的pH值,并根据检测的pH值确定pH值调节剂的投入种类和投入量,当养殖废水的pH值符合标准后,中控模块根据养殖废水的含菌浓度确定杀菌剂的投入量。本发明通过发酵技术一方面可以去除一部分有害菌,再通过化学除菌模块和物理除菌模块进一步除菌,提高了除菌效率,另一方面去除一部分有机物并同时转化一部分难生物降解的有机物,降低了养殖废水后续处理的难度。

标签:
化学分析
广东 - 广州 来源:中冶有色网 2023-03-19
有机小分子探针及其制备方法和应用

本发明属于检测技术领域,公开了一种有机小分子探针及其制备方法和应用。所述有机小分子探针的化学结构如式(I)所示。所述制备方法为:将萘基荧光素、有机溶剂和三乙胺搅拌混合均匀,然后滴加氯甲酸烯丙酯,室温反应后萃取,浓缩有机相,经柱层析,得到所述有机小分子探针。本发明有机小分子探针的合成只需要一步,并且后处理过程简单,易于操作,产物易得。可实现对一氧化碳的紫外和近红外荧光双响应检测,具有响应快速、特异性高的优点,在环境、生物医药等领域具有广阔的应用前景。

标签:
化学分析
广东 - 广州 来源:中冶有色网 2023-03-19
上一页 25 26 27 28 29 ... 78 下一页
共78页    到第

中冶有色为您提供最新的广东广州有色金属化学分析技术理论与应用信息,涵盖发明专利、权利要求、说明书、技术领域、背景技术、实用新型内容及具体实施方式等有色技术内容。打造最具专业性的有色金属技术理论与应用平台!

全国热门有色金属设备推荐
展开更多 +
全国热门有色金属技术推荐
展开更多 +

 

江西省隆恩特环保设备有限公司
宣传

报名参会
更多+

报告下载

有色专家
更多+

太原理工大学
院长/教授
矿冶科技集团有限公司
所长/研究员级高工
洛阳有色矿业集团有限公司
生产技术部经理
紫金矿业信息化研发中心
副总经理
西安建筑科技大学
院长/教授
赤泥综合利用研究报告2025
推广

热门技术
更多+

推荐企业
更多+

福建省金龙稀土股份有限公司
宣传

发布

在线客服

公众号

电话

顶部
咨询电话:
010-88793500-807