青岛垚鑫智能科技有限公司
宣传

位置:中冶有色 >

有色技术频道 >

> 化学分析技术

分类:
全部
矿山技术
冶金技术
材料制备及加工技术
环境保护技术
分析检测技术
 
全部
物理检测技术
化学分析技术
力学检测技术
无损检测技术
失效分析技术
环境检测技术
地区:
全部
北京
天津
上海
重庆
河北
山西
辽宁
吉林
黑龙江
江苏
浙江
安徽
福建
江西
山东
河南
湖北
湖南
广东
海南
四川
贵州
云南
陕西
甘肃
青海
内蒙
广西
西藏
宁夏
新疆
其他
其他
展开
 
全部
广州
韶关
深圳
珠海
汕头
佛山
江门
湛江
茂名
肇庆
惠州
梅州
汕尾
河源
阳江
清远
东莞
中山
潮州
揭阳
云浮

广东广州有色金属化学分析技术理论与应用

免费发布技术信息>>
印染污泥无机成分模拟物及其应用

本发明属于化学分析领域,尤其涉及一种印染污泥无机成分模拟物及其应用。本发明提供的印染污泥无机成分模拟物按照以下方法制备得到:a)、絮凝剂和钙化合物在溶剂中混合,得到pH值为6.5~7.5的混合液;所述絮凝剂包括聚合氯化铝或聚合硫酸铁;所述钙化合物包括氢氧化钙和/或氧化钙;b)、所述混合液进行固液分离和干燥,得到印染污泥无机成分模拟物。本发明以絮凝剂和钙化合物制备得到印染污泥无机成分模拟物,实验结果表明该模拟物与实际印染污泥无机成分的形貌一致,成分相近。因此,由该印染污泥无机成分模拟物、水和待分析有机成分组成的印染污泥模拟体系可用于分析研究某种有机物在印染污泥中的降解路径和降解产物。

标签:
化学分析
广东 - 广州 来源:中冶有色网 2023-03-19
鉴定医用清洗液(剂)产品质量的质量控制物

公布了鉴定医用清洗液(剂)产品质量的质量控制物配方和制造方法。配方成份:人体、动物各类外周血细胞、蛋白质、葡萄糖、氯化钠、甲醇、甲醛、脂肪、天青、美蓝、伊红、醌类化合物、胆汁酸试剂及聚乙烯醇的混合物。制造方法:混合物定量涂布并固定于透明的硬质或软质载体表面并着色,载体表面包含了医疗行为中的使用后的手术器械、医疗设备、医学检验仪器可能沾染的各种同类污染物,制作成检验和判定医用清洗液(剂)的去污能力和去污速度的质量控制物。应用范围:制成的质量控制物,可用于医用清洗(剂)生产过程中、产品合格性及产品性能判定。对于清洗液(剂)产品的厂间、批间、瓶间的去污效果评定和质量监测,可快速和明确的清晰界线。使用方便:清洗液(剂)产品质量的质量控制物,体积小的固体,稳定,便于长期保存运输。主要成份用难以洗脱的染料着色。可肉眼清晰分辩、自动光电检测和化学方法检测;方便现场演示和大规模自动化检测。

标签:
化学分析
广东 - 广州 来源:中冶有色网 2023-03-19
化妆品安全风险物质高通量筛查质谱数据库的建立及应用

本发明属于化妆品安全和化学品质谱检测领域,具体涉及化妆品安全风险物质高通量筛查质谱数据库的建立及应用,本发明依据超高效液相色谱‑四极杆飞行时间高分辨质谱联用仪(UPLC‑Q‑TOF)、SCIEX OS及Library View软件构建化妆品中安全风险物质高通量筛查质谱数据库,通过数据库中化合物的保留时间、母离子及碎片离子精确质量信息、同位素丰度比等对样品中的安全风险物质进行快速筛查和定性,为风险监测和隐患排查提供有效技术支撑;本发明构建数据库的最大优点在于能够用于对样品中未知物筛查时定性速度快、准确,可实现在没有标准品的情况下对样品中的多种类禁限用物质进行同时快速定性及定量检测,降低了检测成本,大大提高了检测速度和效率。

标签:
化学分析
广东 - 广州 来源:中冶有色网 2023-03-19
圆柱形铅酸电池
圆柱形铅酸电池 1189     
 0

本实用新型公开了一种圆柱形铅酸电池,属于化学电池生产技术领域。一种圆柱形铅酸电池,包括柱形电池本体,所述柱形电池本体内部的顶端螺纹连接有螺纹安装板,所述螺纹安装板的顶部固定安装有电压检测器本体,所述螺纹安装板的内部开设有滑槽,所述滑槽的内部设置有电极柱;本实用新型通过电极柱、电压检测器本体、电压连接件、电极柱连接件和电池板组件的设置,当使用者需要对该电池的电压进行检测时,通过复位弹簧设置,可将电极柱连接件弹至电极柱与电压连接件之间,可使得电压检测器本体与内部电池进行连接,从而达到对该电池的电压进行检测的目的,整体流程仅需要通过按压推送杆即可,便于使用者对其进行操作。

标签:
化学分析
广东 - 广州 来源:中冶有色网 2023-03-19
木霉属真菌挥发物的收集和鉴定方法

本发明实施例公开了一种木霉属真菌挥发物的收集与鉴定方法,涉及木霉属真菌挥发物检测技术领域。本发明采用改进后的固相微萃取SPME富集木霉属真菌挥发物,然后采用气相色谱‑质谱GC‑MS检测木霉属真菌挥发物组分。解决了现有技术中由于木霉属真菌挥发物量少,收集难,以致于检测不到挥发物组分或检测到的挥发物组分种类甚少的问题。本发明快速准确地测定木霉属真菌挥发物真实的化学信息,为后续开展昆虫学实验提供全面可信的数据,有利于动态监测和防治地下害虫,同时为研究木霉属真菌与其它生物的互作关系提供理论基础。

标签:
化学分析
广东 - 广州 来源:中冶有色网 2023-03-19
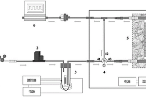
基于催化转化的气体浓度量化系统及方法

一种基于催化转化的气体浓度量化系统及方法,所述系统包括载体气体源(1),质量流量控制器(2),目标气体生成源(3),三通阀(4),催化加热箱(5),以及二氧化碳气体分析仪(6);载体气体源(1)的输出端与质量流量控制器(2)的输入端连接,质量流量控制器(2)的输出端与目标气体生成源(3)的输入端连接,目标气体生成源(3)的输出端与三通阀(4)的入口(41)连接,三通阀(4)的第一出口(42)与二氧化碳气体分析仪(6)连接,三通阀的第二出口(43)与催化加热箱(5)的输入端连接,催化加热箱(5)的输出端与二氧化碳气体分析仪(6)连接。装置便于携带,操作简单可靠,该系统中催化剂催化效率可达99%以上;可以准确定量大部分挥发性有机物的浓度,满足大气化学、大气污染等领域对于不同挥发性有机物的标定需求。

标签:
化学分析
广东 - 广州 来源:中冶有色网 2023-03-19
高压电气设备加速腐蚀实验装置

本发明公开了一种高压电气设备加速腐蚀实验装置,包括:感应电流发生机构,感应电流发生机构包括用以模拟高压电气设备壳体的金属板试件和与金属板试件配合以产生感应电流的感应电芯;腐蚀测试机构,腐蚀测试机构包括用以安装待测试样的固定机构,待测试件与感应电芯相连、以检测待测试件在盐雾中的腐蚀速度。本发明所提供的高压电气设备加速腐蚀实验装置中,感应电芯与金属板试件配合能够产生感应电流。腐蚀测试机构包括通过固定机构安装待测试样,待测试件能够与感应电芯导通,使感应电流能够流过待测试件,进而使其能够在感应电流的作用下产生电化学腐蚀,从而检测待测试件在盐雾和感应电流共同作用下的腐蚀速度,提高检测的准确性。

标签:
化学分析
广东 - 广州 来源:中冶有色网 2023-03-19
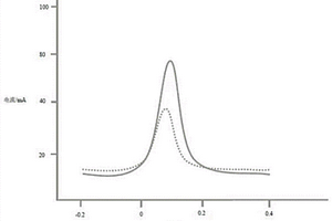
N-乙酰-L-羟基脯氨酸修饰电极用于氯噻酮手性识别的方法

本发明公开了一种氯噻酮的手性检测方法,采用如下步骤来实现:制备石墨烯,将石墨烯羧基化并修饰于玻碳电极,而后电化学修饰聚N‑乙酰‑L‑羟基脯氨酸,采用差分脉冲伏安法对氯噻酮异构体进行检测,扫描电位‑0.2至0.5V,结果显示,R‑氯噻酮具有较高的峰电流,S‑氯噻酮具有较低的峰电流。本发明所述的检测方法可以根据峰电流大小的不同,实现R‑氯噻酮和S‑氯噻酮的快速识别,检测方法简单,检测效率高。

标签:
化学分析
广东 - 广州 来源:中冶有色网 2023-03-19
直扩型热启动DNA聚合酶及其制备方法与应用

本发明公开了一种直扩型热启动DNA聚合酶及其制备方法与应用。本发明公开的直扩型热启动DNA聚合酶是野生型Taq DNA聚合酶经缺失、定点突变、融合非特异性双链DNA结合蛋白结构域生物突变,并用化学修饰改造而成。本发明直扩型热启动DNA聚合酶可大幅提高DNA聚合酶稳定性,可耐受高浓度的荧光染料和各种抑制剂,可应用于各种来源、组成复杂样本的直接PCR或qPCR检测,使得PCR相关反应和检测更加便利。本发明还公开了一种qPCR反应试剂盒,检测特异性高、荧光信号强,适用于低含量粗提取核酸的快速定量检测,可应用于食品掺杂、微生物检测、转基因植物筛查。

标签:
化学分析
广东 - 广州 来源:中冶有色网 2023-03-19
基于镍负载纳米氧化锌的甘油无酶传感器及其制备方法与应用

本发明属于电化学传感器技术领域,具体涉及一种基于镍负载纳米氧化锌的检测甘油的无酶传感器及其制备方法与应用。制备方法为将纳米氧化锌材料分散液、全氟磺酸树脂溶液混合均匀得到复合溶液,然后涂覆在基底电极表面得到基于纳米锌的修饰工作电极,再将修饰工作电极放入镀液进行电沉积,然后涂覆全氟磺酸树脂溶液,将所得修饰后的工作电极与参比电极和对电极组成三电极体系,得到基于镍负载纳米氧化锌的甘油无酶传感器。本发明制备纳米氧化锌材料本发明所述的检测甘油的无酶传感器具有良好的电子传递性,能将反应产生的电子进行良好的转移,能实现甘油的检测,提高所述传感器的反应速度,抗干扰能力强,具有较宽的检测范围,较低的检测限。

标签:
化学分析
广东 - 广州 来源:中冶有色网 2023-03-19
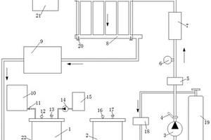
换流阀内冷水系统均压电极结垢与除垢试验平台

本发明公开了一种换流阀内冷水系统均压电极结垢与除垢试验平台,包括储水池,储水池上连接有去离子水罐的出水口,储水池上还连接有试剂补充罐的试剂出口,试剂补充罐用于为储水池提供化学试剂,储水池的液体出口连接补气池,补气池用于改变储水池传输的液体中气体溶解量,所述补气池的液体出口连接水质参数检测箱,水质参数检测箱用于检测流经水质检测箱的液体的水质参数,水质参数检测箱的液体出口连接结垢管段的液体入口,结垢管段上可拆卸连接有均压电极,结垢管段的液体出口连接除垢装置,所述除垢装置用于降低液体中致垢粒子浓度,所述除垢装置的液体出口连接储水池的回路液体入口。本发明功能完善,能满足不同条件的结垢或除垢试验需求。

标签:
化学分析
广东 - 广州 来源:中冶有色网 2023-03-19
基于深度学习的英文文献污染物信息抽取方法

本发明公开了一种基于深度学习的英文文献污染物信息抽取方法,包括:构建适用于本土环境监测文献文本挖掘的术语词典;获取原始文献,并对原始文献进行语料分词,构建文献生语料;构建实体抽取模型和关系抽取模型;对文献生语料进行预处理,得到用于实体抽取模型和关系抽取模型的训练集和测试集;通过训练集对实体抽取模型和关系抽取模型进行训练,得到训练完成的实体抽取模型和关系抽取模型;将测试集输入至训练完成的实体抽取模型进行识别,得到实体识别结果;将实体识别结果和测试集数据输入至训练完成的关系抽取模型,得到关系抽取结果。本发明不仅实现了原始英文文献中化学品的命名实体识别,也对化学品及检测浓度进行了关系抽取。

标签:
化学分析
广东 - 广州 来源:中冶有色网 2023-03-19
发电侧成员动态报价决策方法、装置及设备

本发明公开了发电侧成员动态报价决策方法、装置及设备,方法包括S1、生成各发电成员的强化学习初始策略空间,并对每一报价策略的选择概率进行初始化;S2、选定选择概率最大的报价策略;S3、利用出清模型得到市场出清结果;S4、基于对角化优化机制生成局部最优策略空间;S5、通过强化学习方法计算每一报价策略的评价函数值并修正报价策略的选择概率;S6、当不满足强化学习终止条件时重新执行步骤S2;S7、当判定评价函数值满足强化学习终止条件时,输出最优报价策略。本发明解决出现具有纳什均衡的市场中出清结果偏离纳什均衡点的问题,同时引入对市场发电成员的分析,以更加贴近市场发电成员的真实地决策过程。

标签:
化学分析
广东 - 广州 来源:中冶有色网 2023-03-19
结果可视化的纸基微流控芯片及其制备方法

本发明公开了一种结果可视化的纸基微流控芯片及其制备方法。纸基微流控芯片依次包括加样层以及检测层;该结果可视化的纸基微流控芯片进行检测时,检测结果无需借助额外的仪器即可直观呈现,提高了结果解释的简易性。本发明制备方法包括检测层为整块亲水性材料结构时,及检测层为具有凹槽、且凹槽内填充有亲水性材料的疏水或阻水性材料结构时的两种制备工艺,制备过程均简单易行,容易操作,且检测层为具有凹槽的疏水或阻水性材料结构的制备过程不采用任何化学药品或复杂的设备。

标签:
化学分析
广东 - 广州 来源:中冶有色网 2023-03-19
遗传毒性物质的高通量筛查方法

本发明公开一种遗传毒性物质的高通量筛查方法,涉及遗传毒性高通量筛查的技术领域。该方法是将编码硝基还原酶基因、编码O‑乙酰转移酶基因、DNA损伤检测响应元件和噬菌体裂解基因插入到大肠杆菌表达载体,得到重组载体;并将该重组载体转入到大肠杆菌,得到重组大肠杆菌;再将该重组大肠杆菌应用于遗传毒性物质的高通量检测。该筛查方法操作对象为大肠杆菌,无致病风险,操作简便易行;测试周期短,2h内可检测完成;检测灵敏度高;因此,该方法操作便利、耗时短、检测效率高、无需额外添加化学试剂、不受色素干扰、成本低廉、省时省力,易于实现高通量样品检测。

标签:
化学分析
广东 - 广州 来源:中冶有色网 2023-03-19
磺胺类药物的快速筛查方法

本发明公开了一种磺胺类药物的快速筛查方法。本发明磺胺类药物快速筛查方法适用于霜剂、膏剂、乳剂、溶液剂、凝胶剂等化妆品及胶囊剂、片剂、丸剂、散剂、颗粒剂、口服液等止咳平喘类中成药和保健食品的快速检测,大大提高了检测通用性和检测效率。本发明方法具有操作简单、专属性强、灵敏度高、准确度高、技术适用、环保安全等特点,可在现场对非法添加的磺胺类化学成分进行快速检测,符合推广应用的相关原则和要求。经过简单培训即可实施该方法,每个样品的检测时间小于5分钟,每次检测成本约为10~20元。该方法漏检率为0,误检率为0,正确率为100%,检出限小于30μg/g。

标签:
化学分析
广东 - 广州 来源:中冶有色网 2023-03-19
试剂开发的实验方法、装置、计算机设备和存储介质

本申请涉及一种试剂开发的实验方法、装置、计算机设备、存储介质和计算机程序产品。方法包括:获取免疫检测用试剂的类型,免疫检测用试剂的类型包括化学发光法免疫检测试剂或者荧光法免疫检测试剂;根据免疫检测用试剂的类型,确定实验参数组合方式;设定实验参数组合方式的实验顺序,按照实验顺序启动实验,并按照实验顺序自动进行实验;实验结束后输出免疫检测用试剂的实验结果。采用本方法不同类型的免疫检测用试剂能够按照对应的实验参数组合方式分开进行实验,有利于提高试剂开发的效率;基于确定好的实验参数组合方式自动进行实验,能够避免人工进行大量实验参数组合方式对应的实验带来的误差,同时,进一步提高了试剂开发的效率。

标签:
化学分析
广东 - 广州 来源:中冶有色网 2023-03-19
小柴胡颗粒活性成分群的构建方法

本发明涉及一种小柴胡颗粒活性成分群的构建方法。该构建方法包括以下步骤:取小柴胡颗粒浸膏样品,以甲醇水溶液为溶剂,制备供试品溶液;取所述供试品溶液进行液相色谱质谱法分析,得到小柴胡颗粒的化学成分分析结果;筛选小柴胡颗粒的活性成分及其对应的作用靶点,构建药材‑活性成分‑作用靶点网络;筛选hub基因;基于作用靶点进行GO功能富集分析和KEGG信号通路富集分析,得到小柴胡颗粒的活性成分群。本发明筛选得到了33个活性成分组成了小柴胡颗粒的活性成分群,从整体角度系统探索了活性成分群与药效作用机制的关联。

标签:
化学分析
广东 - 广州 来源:中冶有色网 2023-03-19
微电极集成传感芯片
微电极集成传感芯片 1208     
 0

本实用新型提供了一种微电极集成传感芯片及其在多参数生化分子检测中的应用。本实用新型将多个微电极集成在传感芯片电极基板的同一检测区域,与电极基板背面的接触位点导通相连,并在微电极表面设置修饰层,通过修饰不同的催化活性酶实现不同物质的检测,通过微电极集成、微型电解池设置和三电极体系接触位点导通实现了一次性同时检测多个指标的目的,并避免了检测溶液溢出检测范围造成干扰。微电极集成传感芯片可用于生物化学检测,如葡萄糖,尿酸,多巴胺,乳酸等,检测以上物质需在对应微电极表面修饰催化活性酶。

标签:
化学分析
广东 - 广州 来源:中冶有色网 2023-03-19
人细胞凋亡因子定量抗体芯片的制备及应用

一种人细胞凋亡因子定量抗体芯片及试剂盒, 配制宜于各标准蛋白混合到一起的缓冲液,配制能高效提取蛋白并使蛋白质保持良好活性的蛋白提取试剂;检测抗体中加入了具有颜色指示剂, 能使检测防止漏加和少加的误差?所述的人细胞凋亡因子定量抗体芯片的制备方法, 具体包括抗体芯片的设计,载玻片的处理,载玻片的化学修饰, 抗体的质检,捕获抗体和检测抗体最佳浓度的确定,微阵列点样抗体芯片,抗体芯片的封闭及多样品围栏的安装,抗体芯片的质量控制,包装和入库?所述人凋亡定量抗体芯片试剂盒的应用, 用于检测人凋亡因子在疾病中的表达情况?本发明的人凋亡定量抗体芯片检测通量更高?灵敏性更好; 检测的背景更小?特异性更高?操作更科学, 检测更简便。

标签:
化学分析
广东 - 广州 来源:中冶有色网 2023-03-19
物质气味嗅频提取方法
物质气味嗅频提取方法 1134     
 0

本发明公开了一种物质气味嗅频提取方法,给出了物质气味嗅频的定义;提出叠加降维算法(Superposition?Mapping?Analysis,SMA)对物质气味样品进行判别训练,结合物质气味化学配比表,以后序遍历规则的平衡二叉树为存储结构,建立物质气味样品属性库,对未知物质气味进行识别;构建物质气味成分比例及浓度模型对物质气味实现浓度实时提取。本发明提供了一种利用仿生嗅觉系统提取物质气味嗅频的方法,具有快速检测、高效准确、性能稳定等优点,为实现物质气味远距离网络传输提供前提基础。

标签:
化学分析
广东 - 广州 来源:中冶有色网 2023-03-19
C18/Fe3O4复合磁性微球及其制备方法与应用

本发明属于超顺磁性功能材料技术领域,具体为一种C18/Fe3O4复合磁性微球,其微球粒径在5~10μm之间。其兼具高分子微球的众多特性和磁响应性,可用于富集疏水性物质并在检测水时作为富集水中痕量的疏水性物质的应用。本发明采用化学共沉淀低温相转化法,制得了两亲性的Fe3O4磁流体,将其均匀分散在有机溶剂体系中,然后在比较温和的条件下对Fe3O4微粒进行硅烷化处理,得到表面带有丰富C18长链的磁性微球。微球粒径大小可控、成球性好、尺寸均匀、不同球之间磁含量均一、物化性质稳定,且在外加磁场下具有强烈的磁响应性和疏水性。

标签:
化学分析
广东 - 广州 来源:中冶有色网 2023-03-19
对有机小分子具有荧光识别功能的多孔金属有机框架的制备方法

本发明公开了一种对有机小分子具有荧光识别功能的多孔金属有机框架的制备方法,包括以下步骤:(1)合成有机配体5?(4?吡啶?4?基?苯甲酰氨基)?间苯二甲酸(H2PYBI);(2)合成Zn?MOF材料:称取Zn(NO3)2·6H2O和H2PYBI溶解于溶剂中后,于反应釜中加热反应,反应结束后降至室温,得到Zn?MOF材料;(3)制备活化配合物:加热步骤(2)中的Zn?MOF材料除去客体分子,得到活化后的配合物。相对于现有技术,本发明的对有机小分子具有荧光识别功能的多孔金属有机框架具有高孔隙率、大比表面积、规则孔道、骨架大小可调节等结构特点,且热稳定性及化学稳定性好,可以直接制备成为器件来检测硝基苯。

标签:
化学分析
广东 - 广州 来源:中冶有色网 2023-03-19
富含杂原子的膦脒类聚合物及制备该聚合物的多组分聚合方法与应用

本发明属于有机化学的技术领域,公开了富含杂原子的膦脒类聚合物及制备该聚合物的多组分聚合方法与应用。所述方法为:(1)在惰性气体保护下,以有机溶剂为反应介质,在催化剂的作用下,将末端二炔烃单体、末端二磺酰叠氮单体、膦亚胺类单体进行聚合反应,得到粗产物;(2)反应完毕后,将粗产物用溶剂溶解稀释,过滤,将滤液滴加到沉淀剂中进行沉淀,收集沉淀物,干燥至恒重,得到膦脒类聚合物。本发明的聚合方法在常温下进行,反应高效,原子经济性高,产物易分离;制备的膦脒类聚合物富含N、O、S、P等杂原子,具有特殊的光电性能,在生物、化学荧光检测和铂族金属离子检测领域具有独特的应用价值。

标签:
化学分析
广东 - 广州 来源:中冶有色网 2023-03-19
用于燃料电池的碳载铂基催化剂及其制备方法

本发明提供用于燃料电池的碳载铂基催化剂的 制备方法,步骤是将金属盐前驱体与络合剂、醇类还原剂一起 加入到有机溶剂中,在室温下搅拌;加入碱性物质,调节pH 值,在常压下通氮气保护加热回流,或者在高压釜中反应;加 入碳载体,在室温下搅拌,使金属溶胶粒子均匀的分散在碳载 体上;加入酸性物质,调节pH值,加入二次蒸馏水,超声震 荡破胶;抽滤,滤饼洗涤至不能检测出Cl- 离子,真空下干燥,冷却,研磨后得到本用于 燃料电池的碳载铂基催化剂,包括Pt/C、Pt-Ru/C、Pt-Ru- Ir/C、Pt/CNT、Pt-Ru/CNT、Pt-Ru-Ir/CNT。本方法工艺简 单,回收率高,成本低,环境污染少,催化剂活性组分颗粒度 小至1nm左右,分布均匀,贵金属利用率高,催化剂的电化学 活性表面积、催化活性和抗毒性能高。

标签:
化学分析
广东 - 广州 来源:中冶有色网 2023-03-19
人巨细胞病毒UL49基因抗原肽、及其抗体与应用

本发明公开一种人巨细胞病毒UL49基因抗原肽、及其抗体与应用,该抗原肽具有如SEQ ID NO.1所示的氨基酸序列,其核苷酸序列如SEQ ID NO.2所示。本发明的抗原肽为12短肽,易于化学合成,且产物纯度高。利用本发明的抗原肽制备的抗体,其效价可达1∶8000以上,对UL49原核表达蛋白、真核表达蛋白以及HCMV颗粒都具有高特异性,可用于制备体外诊断或治疗人巨细胞病毒的药物。本发明的抗原肽制备的抗体是HCMV UL49生物学功能研究的基础要素,利用该抗体,可以对HCMV感染进行定性或定量检测。

标签:
化学分析
广东 - 广州 来源:中冶有色网 2023-03-19
MnCo<sub>2</sub>O<sub>4</sub>/聚苯胺修饰玻碳电极的制备方法及应用

本发明公开了一种MnCo2O4/聚苯胺复合物修饰玻碳电极的制备方法以及使用该电极电化学检测槲皮素的方法。所述的制备方法包括将CoCl2·6H2O,MnCl2·H2O,氟化铵,六亚甲基四胺分散于水溶液中水热法制备MnCo2O4,将其修饰到玻碳电极表面,而后采用电化学聚合的方法在电极表面再修饰上聚苯胺,得到MnCo2O4/聚苯胺复合物修饰玻碳电极,采用微分脉冲伏安法检测槲皮素,线性范围宽,灵敏度高,电极可多次使用,操作方便。

标签:
化学分析
广东 - 广州 来源:中冶有色网 2023-03-19
量子点编码微球的液相芯片

本发明涉及一种全新设计的量子点编码微球的液相芯片。本发明所述的一种量子点编码微球的液相芯片,包括:高分子聚合物微球,该微球的表面被化学修饰,所述微球中包埋有量子点纳米材料;探针分子,偶联在被化学修饰的微球表面;以及用特定荧光蛋白标记的报告分子。本发明提高了微球的可编码性;采用量子点替换了有机荧光染料,具有荧光稳定、荧光强、不容易光漂白等优点,并且具有激发带宽、发射谱窄的优势,因此稳定性、灵敏度和分辨率更高;同时简化了光学检测系统,提高了检测速度,降低仪器成本,更易于操作。

标签:
化学分析
广东 - 广州 来源:中冶有色网 2023-03-19
便携式三电极结构
便携式三电极结构 965     
 0

本实用新型涉及一种便携式三电极结构,包括基底,基底上设有检测部和传导部,检测部包括第一检测层、第二检测层和第三检测层,第一检测层和第三检测层分别位于第二检测层的两侧边,传导部包括第一传导层、第二传导层和第三传导层,第一传导层的第一端部连接第一检测层,第二传导层的第一端部连接第二检测层,第三传导层的第一端部连接第三检测层,第一传导层的第二端部、第二传导层的第二端部和第三传导层的第二端部均延伸至基底的侧部,通过设计USB接口部,实现与USB标准接口紧密对接的目的,简化与电化学工作站之间的导路连接方式,将三电极集成设计在基底上,提高便携性,设计凸起围坝可以起到有效避免待测液溢出电极检测区域的作用。

标签:
化学分析
广东 - 广州 来源:中冶有色网 2023-03-19
新型非水泥基无机人造石板材及其制备方法

本发明公开了一种新型非水泥基无机人造石板材及其制备方法。本发明由无机微粉、乳液、无机颜料、骨料组成,所述组份经搅拌混合均匀,密封抽真空,当真空度达到一定值时,卸至模具中,在真空状态下振压成型大荒料,脱模硬化后经拉锯切割、打磨抛光及防护等工序处理后,在常温条件下制成的无机人造石饰面板材。所述非水泥基无机人造石板材的胶凝体系为无机微粉与乳液在共同作用形成的有一定胶凝性能的、以Al-O-Si键为主的三维网状大分子结构。本发明通过数据检测其板材结构稳定,不燃烧,耐老化,耐盐雾、盐碱、海水等多种化学介质的侵蚀,经抛光后具有树脂类人造石的外观及质感,具有良好的装饰效果,无毒环保,使用寿命长,能广泛应用于天然石及树脂型人造石涉及的各种室内外装饰装修工程。?

标签:
化学分析
广东 - 广州 来源:中冶有色网 2023-03-19
上一页 23 24 25 26 27 ... 78 下一页
共78页    到第

中冶有色为您提供最新的广东广州有色金属化学分析技术理论与应用信息,涵盖发明专利、权利要求、说明书、技术领域、背景技术、实用新型内容及具体实施方式等有色技术内容。打造最具专业性的有色金属技术理论与应用平台!

全国热门有色金属设备推荐
展开更多 +
全国热门有色金属技术推荐
展开更多 +

 

江西省隆恩特环保设备有限公司
宣传

报名参会
更多+

报告下载

有色专家
更多+

南昌航空大学
副院长/教授
南方科技大学
外籍院士
赣州有色冶金研究所有限公司
副主任/高级工程师
云南锡业集团(控股)有限责任公司
副总经理
南京理工大学、中国科学院
院士
赤泥综合利用研究报告2025
推广

热门技术
更多+

推荐企业
更多+

福建省金龙稀土股份有限公司
宣传

发布

在线客服

公众号

电话

顶部
咨询电话:
010-88793500-807