青岛垚鑫智能科技有限公司
宣传

位置:中冶有色 >

有色技术频道 >

> 化学分析技术

分类:
全部
矿山技术
冶金技术
材料制备及加工技术
环境保护技术
分析检测技术
 
全部
物理检测技术
化学分析技术
力学检测技术
无损检测技术
失效分析技术
环境检测技术
地区:
全部
北京
天津
上海
重庆
河北
山西
辽宁
吉林
黑龙江
江苏
浙江
安徽
福建
江西
山东
河南
湖北
湖南
广东
海南
四川
贵州
云南
陕西
甘肃
青海
内蒙
广西
西藏
宁夏
新疆
其他
其他
展开
 
全部

有色金属化学分析技术理论与应用

免费发布技术信息>>
红外光谱与在线电化学质谱联用的电化学测试装置

一种红外光谱与在线电化学质谱联用的电化学测试装置,包括位于上层的对电极模块、位于中层的流动电解池腔体模块和位于下层的红外光谱接口模块;流动电解池腔体模块包括电解池腔体、正极室、正极进液口、正极出液口、质谱进样口、送样口、参比电极接口、工作电极和参比电极,质谱进样口用于分离气体,气体从送样口中流出;对电极模块包括负极盖体、负极室、负极进液口、负极出液口、对电极接口和对电极;正极室与负极室之间通过离子交换膜隔开;红外光谱接口模块包括棱镜和红外光学窗口。本发明可将红外光谱的信号收集与质谱的采集进行集成,使采集的信号能够实现同频,且可以将工作电极和对电极隔开,属于电化学测试技术领域。

标签:
化学分析
广东 - 广州 来源:中冶有色网 2023-03-19
基于扫描电化学显微镜的光电化学动力学测试系统及方法

本发明公开了一种基于扫描电化学显微镜的光电化学动力学测试系统及方法,系统包括扫描电化学显微镜装置、Pt超微电极、样品固定装置、光源装置和转台控制装置,扫描电化学显微镜装置包括三维控制仪和电化学工作站;样品固定装置包括聚四氟化学池和固定件;光源装置包括散热器、直流电源以及依次排列在散热器圆盘边沿上的红、黄、蓝、白LED光源;转台控制装置包括中央处理器、带有通光孔的圆盘、驱动器、控制器和步进电机。实施本发明可克服目前太阳能电池和光电催化界面化学反应动力学信息获取不足的缺陷,快速得到精确的界面反应动力学信息,为研究太阳能电池或光电催化分解水器件提供有力的实验参数。

标签:
化学分析
湖北 - 武汉 来源:中冶有色网 2023-03-19
利用化学腐蚀和化学镀的双参数测量光纤光栅传感器

一种利用化学腐蚀和化学镀的双参数测量光纤光栅传感器,适用于光纤传感。其特征在于:该传感器是由相位掩膜法制成的光纤布拉格光栅,它被均匀分成两部分,光纤布拉格光栅的左半部分(1)被氢氟酸溶液腐蚀直径变细,并在左半部分上镀上一层金属(2),光纤布拉格光栅的右半部分(3)保持不变。该传感器的制作步骤为:采用相位掩模板法制作光纤布拉格光栅;将布拉格光栅左半部分放入氢氟酸溶液中腐蚀;在腐蚀后的光纤布拉格光栅表面吸附一层易氧化物质;在腐蚀后的光纤布拉格光栅表面生成一层薄金属层;对腐蚀后的光纤布拉格光栅进行化学镀金属。该传感器结构简单,容易制作;温度和应力传感灵敏度得到了提升;可以实现双参数的同时测量。

标签:
化学分析
北京 - 北京 来源:中冶有色网 2023-03-19
模拟测量方法、测量数据拟合方法及化学发光测定仪

本发明涉及一种模拟测量方法、数据拟合方法及化学发光测试仪,该方法包括:获取光信号中的入射光子经过光电倍增管进行增强、放大后输出的直流信号;将光电倍增管输出的所述直流信号通过直流放大器转换为电压信号,并将所述电压信号经过滤波电路输出滤波后的电压信号;获取在预设起始时间点的第一电压值和在预设结束时间点的第二电压值,通过模数转换器计算所述第二电压值与第一电压值的差值,并输出模数转换值;根据所述模数转换值计算出光信号的第一模拟计数值。通过上述方法,能够保证对不同强度的光信号进行计数时获得良好的线性,降低了计数误差,使化学发光分析仪对光信号的测量更可靠。

标签:
化学分析
广东 - 深圳 来源:中冶有色网 2023-03-19
用于使用两个不同的施加电位来降低电化学传感器中的干扰的改进方法的测量仪

本发明涉及改进的测量仪,所述测量仪使用降低分析物的测量中干扰化合物影响的方法,更具体来说,涉及降低其中测试条使用两个或多个工作电极的系统中干扰化合物影响的方法。在本发明中描述了测量仪,其给第一个工作电极(12)施加第一个电位(E1),给第二个工作电极(14)施加具有相同极性但是比第一个电位大的第二个电位(E2)。测量仪测量产生的电流,并且使用预先确定的算法来校正测量的电流,以补偿样本中存在的干扰化合物。

标签:
化学分析
其他 - 其他 来源:中冶有色网 2023-03-19
密封式全石英电化学发光性能测试光电化学池

本实用新型公开一种密封式全石英电化学发光性能测试光电化学池,包括化学池池盖和化学池池体,化学池池盖可拆卸连接在化学池池体顶端;化学池池盖上连通有若干个接线柱,接线柱贯穿化学池池盖并伸入化学池池体内;接线柱固接有插入式压合电极接头;化学池池盖内侧壁设置有池盖螺纹,化学池池体侧壁顶端开设有与池盖螺纹相适配的池体螺纹。本实用新型很方便地抑制了溶解氧对电化学发光活性中间体的淬灭作用,从而使电化学发光性能评估结果更可靠;并且装置制造成本低廉、可操作性强。

标签:
化学分析
天津 - 天津 来源:中冶有色网 2023-03-19
测量熔盐氧负离子浓度的电化学装置及电化学方法

本发明属于电化学领域,尤其是涉及了一种测量熔盐氧负离子浓度的电化学装置及电化学方法,用于标定熔融碱金属或碱土金属无机盐中游离氧负离子的浓度,包含外参比电极、内参比电极、连接内参比电极和外参比电极的电位计及固定内参比电极和外参比电极的固定组件,所述内参比电极包括电极套管、填充于电极套管底部的内参比盐、设置于电极套管顶部的高温密封胶、设置于电极套管内与内参比盐接触并凸出高温密封胶的金属丝。本发明的装置制备过程简单、易操作;制备所用到的材料廉价易得,极大降低了产品的制造成本;内参比电极具备优异的氧负离子响应速度,所测电位变化规律符合理论预期;连续有效使用时间不低于1个月,维护得当可使用3~6月。

标签:
化学分析
湖北 - 武汉 来源:中冶有色网 2023-03-19
包括消耗品摇动设备的用于使用电化学发光进行测定的高通量系统

本发明涉及一种用于对固相进行测定以测量样本中分析物的含量的系统。这样一种系统可以使用电化学发光(ECL)来进行免疫测定,包括用于测定消耗品的带平衡块的轨道摇动设备。

标签:
化学分析
其他 - 其他 来源:中冶有色网 2023-03-19
增加甲烷化学动态的中尺度大气光化学污染模拟预测算法

本发明公开了一种增加甲烷化学变化的中尺度大气光化学污染模拟预测算法,其基于CALGRID化学模式,考虑大气化学反应、大气输送与扩散、沉降、地面面源和高架排放源的影响,并对化学物种原始浓度中物理量的平均量分解为脉动量,在该基础上,将OH自由基和CH4作为变量,引入OH自由基和甲烷(CH4)的化学反应,根据OH自由基和CH4的化学反应列表计算OH自由基和CH4的浓度变化。本发明利用空气质量模式模拟OH自由基和CH4的时空分布,不仅有利于了解模拟区域的大气氧化能力,而且有利于深入了解光化学反应的细节。

标签:
化学分析
江苏 - 南京 来源:中冶有色网 2023-03-19
化学生产工艺、化学生产系统以及用于监测和改变反应器条件的方法

本发明包括化学生产工艺和系统以及用于监测和改变反应器条件的方法。用于监测和改变反应器条件的方法包括监测反应物回收流密度以及当该密度达到预定量时改变条件。提供一种化学生产系统,它包括接收来自分离单元的反应物回收流的反应器单元,在分离单元中该流可以由密度监测计监测。也提供了一种化学工艺,它包括反应物与起始原料在具有反应器参数的反应器单元内反应,以及生产包括反应物、产物和副产物的产物流。含有反应物和副产物的循环流可以从产物流分离并返回到反应器单元中。循环流密度可以至少周期性监测,并且当该密度表示循环流中增加的副产物浓度时,反应器参数改变。

标签:
化学分析
其他 - 其他 来源:中冶有色网 2023-03-19
基于Lucene的强化学习代码检索模型

本发明公开了一种基于Lucene的强化学习代码检索模型,包括以下步骤:1)分析代码文档并提取代码文档特征。2)使用Lucene为代码文档特征生成索引文件。3)通过比较当前查询和先前查询来获得查询重构。4)相似度计算组件根据代码文档特征和查询重构计算特征分数,并从用户反馈中提取用户满意度。5)采用MDP来根据查询公式和用户满意度计算特征权重。6)通过其特征得分和特征权重的内积来计算与每个代码文档之间的相关性得分,返回结果。用户满意则流程结束,否则返回步骤4。本发明基于Lucene的强化学习代码检索模型,通过获取隐式的用户满意度反馈作为排名的奖励,动态调整特征权重,帮助用户获取更精确的查询。

标签:
化学分析
江苏 - 南京 来源:中冶有色网 2023-03-19
传感器设备和用于具有至少一个化学或电化学探测装置的传感器设备的制造方法

本发明涉及一种所述传感器设备,所述传感器设备具有:衬底(10)以及在所述衬底(10)上和/或在所述衬底(10)中构造的至少一个化学或电化学探测装置(12),其具有结构化到所述衬底(10)中的探测开口(14)并且如此构造,使得在所述探测开口(14)中至少一种待探测的材料的存在引起由所述探测装置(12)输出的或在所述探测装置(12)上量取的第一传感器信号的变化,其中,所述探测开口(12)包括穿过所述衬底(10)的第一侧(10a)结构化的入口(16)并且包括第一空腔(18),所述入口(16)通到所述第一空腔中。此外,本发明涉及一种用于具有至少一个化学或电化学探测装置(12)的传感器设备的制造方法。

标签:
化学分析
其他 - 其他 来源:中冶有色网 2023-03-19
用于检验化学沉铜质量的检验治具

本实用新型公开了一种用于检验化学沉铜质量的检验治具,包括外壳和检验机构,外壳采用不透光材料制成的盒体结构,外壳内部形成有检验腔室,检验腔室开口于外壳顶壁上,检验机构具有装于检验腔室底壁上的LED灯、盖合于检验腔室开口上的上盖、固定座和活动座,固定座具有一不透光材料制成的固定板和一透光材料制成的透光板,固定板固连于上盖内壁上,固定板一侧立面上还设有一竖向延伸的嵌槽,透光板设置于嵌槽内底面上,活动座具有一不透光材料制成的承接板和一把手,承接板滑动安装于嵌槽中,承接板与透光板之间还形成有透光间隙,把手安装于承接板的下侧上。该检验治具的结构简单,制作、维修简便且成本低,可轻松、准确的对沉铜样品进行检验。

标签:
化学分析
江苏 - 苏州 来源:中冶有色网 2023-03-19
电化学测量生物化学反应的装置和方法以及该装置的制造方法

本发明涉及一种装置、使用该装置进行测量的方法以及制造该装置的方法。该装置用于电化学测量生物化学反应,包括底板(1)、位于底板(1)上的传感器阵列(4)、底板(1)的涂层(12)以及具有至少一个留空(11)的密封膜(2)。该留空(11)以机械方式连接底板(1)和/或底板(1)的涂层(12),并且在传感器阵列(4)的上方形成流动吸收池。流动吸收池的流入口和流出口(10)在底板(1)中以连续开孔的形式形成。传感器的活性表面(5)没有涂层(12),并且以及底板(1)靠近传感器(6)的区域被涂层(12)覆盖。

标签:
化学分析
其他 - 其他 来源:中冶有色网 2023-03-19
电化学电源和电化学储能器件电极阻抗的测试方法及装置

本发明公开了一种电化学电源和电化学储能器件电极阻抗的测试方法及装置,所述测试方法采用测量头配合低电阻仪测试,将待测极片平整平整置放于水平安放的光滑平整的底座上,根据极片长短调整卡尺两端测量头间距,固定后卡尺放于极片上,使布设有端子线的光滑面与极片接触,端子线与低电阻仪可靠连接进行测试;所述测量装置包括两个相互测量头和低电阻仪,所述测量头由绝缘体和布设于绝缘体底面的一组相互平行的测量端子线组成,所述测量端子线电连接到低电阻仪,所述一对测量头中的一个固定于一卡尺的一端,另一个沿卡尺滑动。本发明测量极片阻抗灵敏度高、准确性好、操作简单,且测量头能够根据极片长度进行调整,适用范围广。

标签:
化学分析
江苏 - 苏州 来源:中冶有色网 2023-03-19
带膜的化学强化玻璃和化学强化玻璃的表面应力测定方法

本发明涉及带膜的化学强化玻璃和化学强化玻璃的表面应力测定方法。本发明涉及带膜的化学强化玻璃,其包括化学强化玻璃和在所述化学强化玻璃的至少一个主面上形成的膜,所述化学强化玻璃具有彼此相对的一对主面,其中,在利用波长365nm的表面传播光对所述化学强化玻璃进行的应力测定中观测到的干涉条纹为2条以下,并且所述膜的折射率低于所述化学强化玻璃的折射率。

标签:
化学分析
其他 - 其他 来源:中冶有色网 2023-03-19
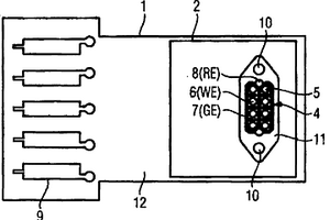
电化学传感器连接器
电化学传感器连接器 1142     
 0

本发明涉及包括连接器的电化学传感器,该连接器与连接装置相配合,以提供与测量计电路的电连接。

标签:
化学分析
其他 - 其他 来源:中冶有色网 2023-03-19
电化学工作站用测试线组件及电化学工作站

本实用新型提供了一种电化学工作站用测试线组件及电化学工作站,本实用新型的电化学工作站用测试线组件,包括分别连接电化学工作站中工作电极、辅助电极和参比电极的测试线,以及分别与各所述测试线可拆卸连接的测试加长线,且各所述测试加长线上包覆有耐高温绝缘层。本实用新型所述的电化学工作站用测试线组件,通过于各测试线上可拆卸连接有测试加长线,能够延长测试线的长度,便于对不同类型以及不同尺寸的电池进行测试,并减小参与测试的极耳在测试的过程中受到测试线的应力牵扯,防止极耳松动或断裂,通过在测试加长线上包括有高温绝缘层,可拓宽测试加长线的工作温度范围。

标签:
化学分析
江苏 - 常州 来源:中冶有色网 2023-03-19
化学镀溶液活性的量化方法,测定化学镀溶液活性的方法和设备

本发明涉及一种化学镀体系中化学镀溶液活性的量化方法,所述量化方法包括:对化学镀体系中的一个或多个化学镀溶液分别进行EIS测量,对各EIS测量的结果进行数据处理,获得相应的电荷转移电阻值,得到各化学镀溶液的活性与电荷转移电阻值的对应关系,以用电荷转移电阻值量化所述化学镀体系中的各化学镀溶液的活性。本发明还涉及量化测定化学镀体系中化学镀溶液活性的方法和设备。

标签:
化学分析
上海 - 上海 来源:中冶有色网 2023-03-19
能够固定的化学指示卡及化学监测装置

本实用新型公开了一种能够固定的化学指示卡及化学监测装置,其中,能够固定的化学指示卡包括指示卡本体和盒体,所述指示卡本体设于所述盒体内部,所述盒体的大小与所述指示卡本体相适配,且所述盒体上设有至少一个磁铁;化学监测装置包括托盘和所述化学指示卡,所述化学指示卡设于所述托盘上,所述托盘为铁磁性结构件。由于现有的托盘大多为铁磁性结构件,通过所述磁铁吸附在托盘上从而固定所述化学指示卡;当不使用托盘进行灭菌时,由于现有医用需要灭菌的物品大多为铁磁性结构件,故所述化学指示卡能够通过所述磁铁直接吸附在最难灭菌的位置上,使其在转运到灭菌器的过程中不会偏离最难灭菌的位置,从而方便监测到准确的灭菌效果。

标签:
化学分析
四川 - 成都 来源:中冶有色网 2023-03-19
电化学装置退化模型确定方法、电化学装置退化预测方法

本公开涉及一种电化学装置退化模型确定方法、电化学装置退化预测方法。该方法包括:获取待预测电化学装置在变工况状态下的实时运行数据,实时运行数据包括第一运行参数的第一数值以及第二运行参数的第二数值;根据第二数值以及电化学装置模型,确定待预测电化学装置的退化指标的第三数值,根据第一数值以及第三数值,对初始的退化模型进行训练,得到训练后的退化模型,电化学装置包括电池和/或电解池。本公开实施例的电化学装置退化模型的确定方法,能够训练得到退化模型,该退化模型能够对待预测电化学装置的退化信息进行准确预测。

标签:
化学分析
北京 - 北京 来源:中冶有色网 2023-03-19
高温气冷堆二回路动态水化学腐蚀电化学研究电极系统及测试方法

一种高温气冷堆二回路动态水化学腐蚀电化学研究电极系统及测试方法,包括测试腔,测试腔的进出口通过焊接方式与可流通高温、高压介质的管路进行连接;测试电极通过过盈配合的方式嵌入到圆柱形的电极密封套中,之后将电极密封套嵌入到压盖内的孔中;导线柱经聚四氟热缩套管包覆后,穿过压盖内孔,通过螺纹与测试电极进行电连接;将压紧密封件从压盖内孔穿入,导线杆从压紧密封件的内孔穿过,压紧密封件通过螺纹与电极密封套进行连接;压紧螺母与压盖外壁的压紧螺栓通过螺纹连接,通过对压紧密封件的挤压,测试腔内介质与压盖、导线柱之间的密封。本发明根据电极的形式,确定了电化学测试方法;该装置可模拟90°介质冲击情况的环境,并在模拟环境中进行腐蚀电化学研究。

标签:
化学分析
山东 - 威海 来源:中冶有色网 2023-03-19
化学法合成的聚苯胺电化学性能测试方法

一种化学法合成的聚苯胺电化学性能测试方法:当采用化学法合成聚苯胺时,在聚合反应发生前加入碳纸,并使碳纸充分湿润,然后加入引发剂,如过硫酸铵溶液,聚苯胺以碳纸为中心进行聚合反应,并均匀吸附在碳纸表面。在聚合反应任一时间,取出碳纸,以此碳纸为电极,即可测试该聚苯胺的电化学性能。本发明采用碳纸为载体,进行聚苯胺电化学性能的测试,有效解决了聚苯胺电化学测试中的灵敏度、准确性及稳定性问题。此方法简单易行、无污染、成本低,对于高聚物电化学性能的测试具有重要的借鉴意义和普适性。

标签:
化学分析
重庆 - 重庆 来源:中冶有色网 2023-03-19
电化学热力学测量系统
电化学热力学测量系统 1195     
 0

本发明提供了用于精确表征电极和电化学能量存储和转换系统的热力学和材料特性的系统和方法。本发明的系统和方法能够同时收集一套表征多个相互有联系的涉及电极反应进行状态、电压和温度的电化学和热力学参数。由结合了反映电极条件已热力学稳定化的测量条件的本发明方法和系统所提供的提高的灵敏度,可以实现对热力学参数非常精确的测量,这些热力学参数包括电极/电化学电池反应的诸如吉布斯自由能、焓和熵之类的状态函数,从而使得能够预测电极材料和电化学系统的重要性能品质,诸如电化学电池的能量、功率密度、电流速度和循环寿命。

标签:
化学分析
其他 - 其他 来源:中冶有色网 2023-03-19
电化学燃料电池、用于维护电化学燃料电池的方法和呼吸酒精测量仪器

本发明涉及一种用于测量人的呼吸中的乙醇的电化学燃料电池,以及涉及一种用于维护这种电化学燃料电池的方法。所述电化学燃料电池包括第一电极、第二电极和第三电极。第一电极设置为,在电化学燃料电池的正常运行模式中被用作测量电极,并且在电化学燃料电池的维护模式中被用作测量电极或者参考电极。第二电极设置为,在电化学燃料电池的正常运行模式中被用作反电极,并且在电化学燃料电池的维护模式中被用作测量电极或者参考电极。第三电极设置为,在电化学燃料电池的维护模式中被用作反电极。电化学燃料电池再者包含控制模块,以便在维护模式的第一阶段中设定测量电极相对于参考电极的第一电势。控制模块此外构造为,在维护模式的第二阶段中设定测量电极相对于参考电极的第二电势。

标签:
化学分析
其他 - 其他 来源:中冶有色网 2023-03-19
具有自诊断特征的电化学电池单元监测和平衡电路

一种用于测量电池组的电化学电池单元的电压的系统及方法。该系统包括电路元件,电路元件分别与电池组的相应电化学电池单元相关联,并且具有不同的电学特性以使得各个电化学电池单元可以相互区分开。该系统还包括测量电路,测量电路被配置成测量电化学电池单元的电压,以及基于与电化学电池单元相关联的电路元件的电学特性来识别被测量的电化学电池单元。描述了各种自诊断技术以及用于测量感测电阻、降低感测电阻以及测量电池单元的电压随着时间的变化的技术。

标签:
化学分析
其他 - 其他 来源:中冶有色网 2023-03-19
混凝土电化学阻抗测试设备及其混凝土电化学阻抗模具

本申请属于混凝土测试技术领域,尤其涉及一种混凝土电化学阻抗测试设备及其混凝土电化学阻抗模具,该混凝土电化学阻抗模具包括底座、两个导电挡板和两个螺旋加固机构,底座上具有用于承载测试块的承载面,两个导电挡板相对间隔设置,并均位于承载面的上方,两个导电挡板之间形成供测试块放置的放置区,两个导电挡板能够相互靠近或者相互远离,以夹紧测试块或者松开测试块;两个螺旋加固机构分别位于两个导电挡板背向放置区的侧方;各螺旋加固机构均包括加固杆,加固杆安装于底座上,并朝向导电挡板延伸,加固杆靠近导电挡板的端部螺接有用于抵紧导电挡板上的螺旋加固件。该混凝土电化学阻抗模具可以满足小尺寸测试块的测试需求,且操作简便快捷。

标签:
化学分析
广东 - 深圳 来源:中冶有色网 2023-03-19
电化学试条和一种电化学测量系统

本申请公开了一种电化学试条和一种电化学测量系统,电化学试条,包括电化学试条本体,电化学试条本体上至少设置有两个电极,电化学试条本体插入到测试仪时,由两个电极至少可形成一条与待测样本不连通的电极连通回路,并且,由两个电极至少可形成一条与待测样本相连通的样本连通回路。显然,由于同一个电化学试条上的电极会有相同的电极阻抗值,这样当测量得到电化学试条本体上电极连通回路和样本连通回路的阻抗值时,就可以利用电极连通回路的阻抗值将样本连通回路中电极所具有的阻抗值去除,并由此避免将电化学试条中电极所自带的阻抗误差引入到测试者的样本测量结果中,这样就可以进一步提高测试者血糖测试结果的准确性与可靠性。

标签:
化学分析
湖南 - 长沙 来源:中冶有色网 2023-03-19
机组检修化学监督检查包

本实用新型涉及一种机组检修化学监督检查包,包括外壳正面、外壳背面、外壳软脊和封装拉链,所述外壳正面的一条边和所述外壳背面的一条边分别与所述外壳软脊连接,所述封装拉链设置在所述外壳正面和所述外壳背面的另外三条边上;该检查包至少包括一片工具页,所述工具页设置在所述外壳正面与所述外壳背面形成的空间内,且所述工具页的一条边与所述外壳软脊连接。该化学监督检查包的结构简单、携带灵活,可实现定置管理各类检查工具,功能多且实用。

标签:
化学分析
山东 - 济南 来源:中冶有色网 2023-03-19
电化学微流量测量方法及电化学微流量传感器

本发明公开了一种电化学微流量测量方法。方法是将两个完全相同的电化学传感器分别放置在微管道的上下游,两电化学传感器的间距控制在几百微米到几纳米之间,采用电化学测量仪器分别测定两电化学传感器所对应的响应,通过响应的差值或比值的计算得出流体的流量。本发明还公开两种电化学微流量传感器,由微管道、两个工作电极共用一个对电极和参比电极组成,或由微管道、两套工作电极、对电极和参比电极组成,两工作电极的间距为几百微米到几纳米。本发明方法解决了一般的电化学流量传感器受流体中活性成分浓度影响的缺点,所设计的电化学微流量传感器制作工艺简单,容易在微管道中集成,在生物芯片,微流控系统等领域有很大的应用价值。

标签:
化学分析
浙江 - 杭州 来源:中冶有色网 2023-03-19
上一页 2010 2011 2012 2013 2014 ... 2305 下一页
共2305页    到第

中冶有色为您提供最新的有色金属化学分析技术理论与应用信息,涵盖发明专利、权利要求、说明书、技术领域、背景技术、实用新型内容及具体实施方式等有色技术内容。打造最具专业性的有色金属技术理论与应用平台!

全国热门有色金属设备推荐
展开更多 +
全国热门有色金属技术推荐
展开更多 +

 

江西省隆恩特环保设备有限公司
宣传

报名参会
更多+

报告下载

有色专家
更多+

中南大学
中国工程院院士
长沙矿冶研究院
总经理
北京科技大学
副院长/教授
广东省科学院工业分析检测中心
副主任
北京科技大学、中国科学院
院士
赤泥综合利用研究报告2025
推广

热门技术
更多+

推荐企业
更多+

福建省金龙稀土股份有限公司
宣传

发布

在线客服

公众号

电话

顶部
咨询电话:
010-88793500-807