青岛垚鑫智能科技有限公司
宣传

位置:中冶有色 >

有色技术频道 >

> 化学分析技术

分类:
全部
矿山技术
冶金技术
材料制备及加工技术
环境保护技术
分析检测技术
 
全部
物理检测技术
化学分析技术
力学检测技术
无损检测技术
失效分析技术
环境检测技术
地区:
全部
北京
天津
上海
重庆
河北
山西
辽宁
吉林
黑龙江
江苏
浙江
安徽
福建
江西
山东
河南
湖北
湖南
广东
海南
四川
贵州
云南
陕西
甘肃
青海
内蒙
广西
西藏
宁夏
新疆
其他
其他
展开
 
全部

有色金属化学分析技术理论与应用

免费发布技术信息>>
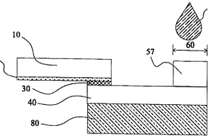
电化学网版印刷电极感测试片及其制法

本发明涉及一种电化学式网版印刷电极感测试片及其制备的方法。该试片具有快速吸收检体、有效控制检测检体体积以及检体填充定位的特性。该试片的结构是在一绝缘底板上具有两个或三个电极,分别为工作电极、辅助电极及参考电极(三极式);在电极区表面直接吸附一层反应层;反应层是由反应物、反应催化物、电子传递物质、润湿剂与界面活性剂等组成;电极区上方则有一检体导流区,分别由于电极区上方具有一U型通道的中间层薄片以及其上的上盖片组合而成。所形成的中空沟槽具有毛细与虹吸现象,能迅速将极少量的检体吸入至电极反应区,然后利用电化学的定电位法或定电流法,测定检体与反应区的反应催化物和电子传递物质所产生的反应,进而可以分析定量检体中的标的成分。上盖片上于电极区临导线。前端具有一密闭凸状空间,具有有效控制检体体积以及检体填充定位的功能。

标签:
化学分析
其他 - 其他 来源:中冶有色网 2023-03-19
用于电化学工作站自动量程测量装置及测量方法

本发明提供一种用于电化学工作站自动量程测量装置及测量方法。本发明的装置包括与PC端连接的ARM、FPGA、电化学工作站内部的信号源模块、低通滤波器、电压采集模块、电流采集模块、DSP。本发明的方法包括:步骤1:信号源模块给样品体系施加激励信号,电压/电流采集模块将样品反馈的模拟信号转为数字信号,经DSP分析处理后得到实时数据传输给ARM;步骤2:根据数据信号由ARM实时判断选择量程;步骤3:自动切换量程;由ARM发指令信号给FPGA,由FPGA发送指令对电路量程进行切换。此方法能够采集到更准确地信号,实时反馈样品体系在激励下的反应状态,便于电化学研究人员对样品体系的测量得出精确可靠的数据。

标签:
化学分析
江苏 - 泰州 来源:中冶有色网 2023-03-19
水环境的化学需氧量监测装置

本实用新型涉及水环境监测技术领域,尤其是一种水环境的化学需氧量监测装置,包括水环境单元和化学需氧量分析仪,还包括暂存罐,在暂存罐与水环境单元之间通过输送水管连接,在输送水管上设置有一号电磁阀,在暂存罐的底部设置有排放水管,在排放水管上设置有二号电磁阀,所述化学需氧量分析仪上设置有输入管和输出管,所述输入管延伸至暂存罐内部,在暂存罐的顶部设置有溢流管,在溢流管的顶部竖直向上设置有气压平衡管。本实用新型所得到的一种水环境的化学需氧量监测装置,能实现对水环境单元的化学需氧量进行间歇性检测、监测,且每次检测分析过程都是采用水环境中新鲜的样液,以确保检测的准确性,同时还可以留样。

标签:
化学分析
浙江 - 嘉兴 来源:中冶有色网 2023-03-19
用于对电化学储能器进行密封性检验的装置和方法

本发明涉及用于对电化学储能器进行密封性检验的一种装置和一种方法,所述电化学储能器被设计为电池单体(2)或被设计为具有多个彼此并联和/或串联的电池单体(2)的电池(1),其中设置有至少一个检测单元(4),借助所述检测单元能够检测壳体中的气体浓度。根据本发明,所述壳体被设计为电池壳体(3)并且是可封闭的,其中检测单元(4)是金属氧化物传感器,所述金属氧化物传感器与评估单元(5)连接并且能根据所检测的气体浓度借助所述评估单元(5)自动产生用于断开所述电化学储能器的控制信号和/或产生用于触发粘合剂释放单元(6)的控制信号。

标签:
化学分析
其他 - 其他 来源:中冶有色网 2023-03-19
实时侦测系统、实时侦测方法及化学机械抛光设备

本发明提供一种实时侦测系统,用于实时侦测研磨垫沟槽状况以管控研磨垫寿命,所述实时侦测系统包括图像采集模块、数据处理模块和界面管理模块。本发明还提供一种实时侦测方法,包括:实时采集所述研磨垫沟槽的图像;对所述图像进行实时分析,确认所述研磨垫是否到达寿命,实时输出分析结果。本发明还提供一种包括所述实时侦测系统的化学机械抛光设备。通过图像采集模块采集图像信息,并通过数据处理模块对图像进行分析处理,实时得出研磨垫是否达到寿命的结果,最后通过界面管理模块进行系统控制和状态显示,使得研磨垫寿命管控变得及时、可靠,同时减少了人力,解决了现有技术中研磨垫寿命管控缺乏即时性和可靠性且浪费人力的问题。

标签:
化学分析
上海 - 上海 来源:中冶有色网 2023-03-19
包括集成的干燥剂的电化学测试片卡

提供一种电化学测试片卡,这种电化学测试片卡能够被细分以制造电化学测试片。电化学测试卡由两个或多个电化学测试片前体组成,每个前体的特征在于存在由相对的电极限制的容纳干燥试剂的反应室。与卡的每个反应室气体连通的是一种集成的干燥剂。此外还提供一种使用主题电化学测试片卡的方法,以及包括这种电化学测试片卡的成套工具。主题测试片和卡都可用于许多不同的分析物(包括葡萄糖)的检测/浓度测定。

标签:
化学分析
其他 - 其他 来源:中冶有色网 2023-03-19
采用B-Z化学振荡反应测定重酒石酸去甲肾上腺素含量的方法

本发明涉及一种采用B?Z化学振荡法测定重酒石酸去甲肾上腺素含量的方法,通过对影响振荡反应的4种主要因素,(NH4)2Ce(SO4)3、KBrO3、HOOCCH2COOH、H2SO4浓度进行探讨,确定了B?Z反应中重酒石酸去甲肾上腺素检测的最佳浓度条件;进而考察了最佳的振荡反应温度。在最佳实验条件下,通过重酒石酸去甲肾上腺素对B?Z化学振荡体系扰动的大小与其浓度成线性关系来测定其含量,可用于重酒石酸去甲肾上腺素的日常例行分析检测。

标签:
化学分析
辽宁 - 抚顺 来源:中冶有色网 2023-03-19
大气颗粒物粒径和化学成分的实时在线测量系统及测量方法

一种大气颗粒物粒径和化学成分的实时在线测量系统及测量方法,利用的装置包括激光器、光电探测器及信号处理电路组成,采用单个激光器和四个探测器实现单颗粒物粒径和化学成分信号的同时在线测量。本发明的方法实现简单、无需膜采样和离线分析,有效拓展了基于光散射原理的大气颗粒物多物理和化学参数的实时在线传感方法。

标签:
化学分析
安徽 - 合肥 来源:中冶有色网 2023-03-19
均相多指标荧光/化学发光测定方法及其用途

本发明属血液检验领域,涉及一种均相多指标荧光/化学发光分析方法及其用途。采用聚苯乙烯微球上固定多种特异性识别单克隆抗体,与癌胚抗原、细胞角质素片断19、神经元特异性烯醇化酶和其它多种标志物结合后,与多种不同半抗原修饰的标记抗体夹心反应;与对应半抗原抗体修饰的辣根过氧化物酶、碱性磷酸酯酶和量子点反应,结合化学发光和荧光等检测在同一台仪器上进行多种标志物同时测定。本方法具有血清用量小、检测时间快、诊断费用低、操作简单、适合推广的多指标同时检测的优点,能为肿瘤等重大疾病早期诊断,提供辅助判断依据。

标签:
化学分析
上海 - 上海 来源:中冶有色网 2023-03-19
基于纸基电化学装置的测定多巴胺的方法

本发明公开了一种基于纸基电化学装置的测定多巴胺的方法,包括如下步骤:(1)以滤纸作为纸基基板的检测平台,铅笔手工绘制电极,以石墨作为电极材料,检测平台中间有圆形的亲水区域,周围是疏水区域;(2)示差脉冲伏安法测定多巴胺,制作测定多巴胺的工作曲线,检测平台可在干扰物存在下灵敏测定多巴胺;将待测样品加入检测平台可进行实际样品中多巴胺的检测。本发明提供一种基于纸基电化学装置的测定多巴胺的方法,纸基电化学分析系统是一种新的电化学装置,其制作简单,成本低,可用于许多应用领域,包括临床诊断的便携式、一次性的分析设备,食品质量控制和环境监测等。

标签:
化学分析
江苏 - 南通 来源:中冶有色网 2023-03-19
快速测定多菌灵的电化学传感器、制备方法及在测定多菌灵中的应用

本发明属于一种快速测定多菌灵的电化学传感器、制备方法及在测定多菌灵中的应用,该电化学传感器为VAL?MWCNTs/GCE电极,将MWCNTs/GCE电极放置在VAL?PBS(5mmol/L)溶液中,在电位为?0.8?2.0V区间以时间900s进行电流?时间扫描,制备VAL?MWCNTs/GCE电极,该电化学传感器制备方法简单、快速且稳定性好,由于该电极能够有效地提高多菌灵在此修饰电极上的氧化峰的电流,因此该电极对多菌灵具有良好的电催化活性,测定多菌灵的灵敏度较高、成本低廉,特别适合于生物活性分析,具有良好的应用前景。

标签:
化学分析
河南 - 信阳 来源:中冶有色网 2023-03-19
化学指示剂测试条
化学指示剂测试条 784     
 0

本发明描述用于检测和/或量化有机分析物的制品和方法。本发明提供化学指示剂测试条,包括:基底;以及位于所述基底上包含隐色染料复合物的涂层,所述涂层不溶于水并且可与有机分析物反应,所述涂层得自隐色染料和显影剂的溶液。在另一方面,所述涂层还包含辅助剂,所述辅助剂为不溶于水、极性、疏水性的非质子材料的形式,所述辅助剂扩展了所述分析物的检测下限。在又一方面,本发明提供使用化学指示剂测试条的方法,包括:(A)使所述化学指示剂测试条暴露于包含有机分析物的样品;(B)在所述暴露步骤之后,测量所述化学指示剂测试条上的颜色变化;以及(C)将所述颜色变化与所述样品中所述分析物的浓度相关联。

标签:
化学分析
其他 - 其他 来源:中冶有色网 2023-03-19
光致电化学传感器及测定DNA的方法

本发明属于分析化学领域,具体涉及一种光致电化学传感器及测定DNA的方法。在金电极上修饰nanoWS2,得WS2/GE;当捕获DNA滴加到WS2/GE上后,得ssDNA/WS2/GE,即光致电化学传感器;然后将ssDNA/WS2/GE插入到含目标DNA的溶液中孵化,室温下进行杂交反应后;将电极插入含有氨基酸的磷酸盐缓冲溶液中检测光致电化学信号;利用DNA杂交前后电极的光致电化学信号变化实现对目标DNA的高灵敏度检测。方法具有简单、灵敏度高的优势。

标签:
化学分析
山东 - 青岛 来源:中冶有色网 2023-03-19
化学剂的探测装置及探测方法

本发明的目的在于提供一种适用于硫磺芥子气和路氏毒气1探测的化学剂探测装置及探测方法,该装置具有探测化学剂的速度快、误报率低、探测化学剂的种类全和无人连续监测的特点。在本发明中,探测装置由取入样品并加热的样品导入部1、使从样品导入部1来的样品离子化的离子化部2、质量分析部3和解析数据的计算机6构成。当利用计算机6辨认出硫磺芥子气或路氏毒气1所特有的规定信号时,可以确定该样品。

标签:
化学分析
其他 - 其他 来源:中冶有色网 2023-03-19
电化学侧向流动生物测定和生物传感器

电化学侧向流动生物传感器(ELFB)条带,其包括:新的ELFB条带和电子检测器单元,该条带使用电缆或无线连接至所述电子检测器单元。该条带由如下部分制成:(a)聚合物疏水膜,其中所述膜提供固体支撑,并且能够沿条带进行毛细流动;(b)结合垫,其中所述垫放置于所述膜上并且与所述膜在条带的一端接触,且含有所吸附的脱水的标记的结合物颗粒的配方,其中所述结合物颗粒用试验的生物识别元件涂布且用电化学活性成分(EAC)?涂布或填充;(c)采样垫,其中所述垫放置在所述结合垫的顶部上且与所述结合垫接触,并且吸附流体样本;(d)丝网印刷电极(SPE),其中所述电极用固定的捕获抗体涂布;以及(e)吸液芯垫,所述垫放置在所述SPE的顶部上且与所述SPE接触,并且吸附过量的试剂,保持沿所述条带的侧向流动。ELFB可以用于生物流体中的细菌、寄生虫、病毒感染,和肿瘤,废水中的毒素、真菌毒素、爆炸物和其它污染物的快速的和早期的检测和定量分析。

标签:
化学分析
其他 - 其他 来源:中冶有色网 2023-03-19
在线化学仪表温度补偿附加误差检验辅助装置

本实用新型涉及一种在线化学仪表温度补偿附加误差检验辅助装置,它属于在线化学仪表检验技术领域。本实用新型根据在线化学仪表温度补偿附加误差检验的需要对在线水样的温度进行调控;装置内部通过磁力循环泵将水箱中的水样泵入电加热套管或微型制冷模块,在套管和制冷模块中进行水样的加热或冷却;温度控制器根据在线表流通池水样温度自动调节加热或制冷功率,从而将水样温度控制在目标值。本实用新型在此测量过程中,系统水样为真实在线水样,可以准确反映在线化学仪表在不同温度条件下的测量准确性,也可得到在线化学仪表温度补偿附加误差。

标签:
化学分析
浙江 - 杭州 来源:中冶有色网 2023-03-19
化学反应观测系统及方法

本申请涉及一种化学反应观测系统和方法。该化学反应观测系统产生太赫兹信号,并将太赫兹信号通过反应腔后,生成携带有太赫兹信号、反应物信息、中间物信息和产物信息的混合光谱信号,通过太赫兹信号提取混合光谱信号中的物质光谱信息,再对物质光谱信息进行定性分析和定量分析,从而获取反应物、中间物和产物的成分和含量;上述化学反应观测系统可以避免将化学反应过程中的气体产物转移至分析仪进行分析,采用太赫兹光谱技术直接分析实时在线化学反应过程的观测结果,实现化学反应的气相化学反应过程的观测,从而提高检测分析结果的准确度。

标签:
化学分析
北京 - 北京 来源:中冶有色网 2023-03-19
中药材内在化学组分的测定方法

本发明公开一种中药材内在化学组分的测定方法。所述方法包括以下步骤:A.用FTIR对中药材非晶体组分中分子振动时偶极矩的测定;B.用PXRD对中药材晶体组分测定;C.用XRF对中药材进行元素及含量的测定;D.中药材内在化学组分的表征。本发明能够克服现有分析技术单独应用所存在的片面性,简化样品复杂的前处理等诸多不便,可以达到方便、快速地对被检中药材全部内在化学组分进行测定和表征。本发明也适用于GAP种植的和一切可以制备成粉末样品的中药材内在化学组分的测定和表征及真伪品药材的鉴别。本发明可以避免以往应用单一方法得到的分析片面性和有失客观性的不足。因而本发明所测定和表征的中药材内在化学组分更具全面、深入和客观的特点,同时还有样品制备简单、测定速度快和再现性好等优点。

标签:
化学分析
河北 - 秦皇岛 来源:中冶有色网 2023-03-19
光致电化学传感器及测定含硫氨基酸的方法

本发明属于分析化学领域,具体涉及一种光致电化学传感器及测定含硫氨基酸的方法。经α‑Al2O3抛光粉抛光的金电极上,滴加nano WS2纳米材料,形成nano WS2修饰金电极,得WS2/GE,即光致电化学传感器;然后将WS2/GE插入到样品溶液中检测光致电化学信号;根据光致电化学信号强度实现对含硫氨基酸的高灵敏度检测。方法具有简单、灵敏度高的优势。

标签:
化学分析
山东 - 青岛 来源:中冶有色网 2023-03-19
基于覆盖引导模糊测试的深度强化学习软件测试方法

本发明公开一种基于覆盖引导模糊测试的深度强化学习软件测试方法:包括:1)、生成满足取值范围的初始状态;2)、将初始状态交给待测试深度强化学习软件运行,在被测软件运行中记录智能体所有运行信息;3)、设计目标函数,判定该初始状态是否触发错误,若触发错误,则认为该初始状态是成功测试用例;4)、分析收集到的状态是否形成新的覆盖,若形成新的覆盖,将其加入到种子池中;5)、从新加入种子池的种子中选取部分种子执行变异操作,将变异种子作为测试输入。本发明首次提出面向深度强化学习软件的覆盖引导模糊测试方法,改进传统覆盖引导模糊测试框架,能够生成更充分、全面的测试用例集合,更高效地暴露深度强化学习软件的错误行为。

标签:
化学分析
北京 - 北京 来源:中冶有色网 2023-03-19
液膜下金属失效电化学测试装置及其测试方法

本发明公开了一种液膜下金属失效电化学测试装置及其测试方法,所述装置包括喷雾箱、控制喷雾装置、样品台、控制液膜厚度装置、电化学工作站、工作电极探头和计算机。本发明能够模拟大气环境中金属材料在不同液膜厚度条件下的腐蚀失效过程,还具有高通量高效率地同时对多个样品或样品在多个液膜厚度环境中进行大气腐蚀评估分析的优点。本发明测试方法,将样品台组装好,设定喷雾程序和环境;模拟测试;控制液膜厚度;电化学测试,记录实验数据。本发明可模拟实现不同厚度及梯度变化的液膜;可大幅提高试验效率;可实现高通量的电化学表征,具有设备简单易控制、精确度高的特点。本发明在金属材料大气腐蚀研究领域有广阔的应用前景。

标签:
化学分析
上海 - 上海 来源:中冶有色网 2023-03-19
活性污泥溶解性化学需氧量的测定方法

本发明涉及活性污泥溶解性化学需氧量的测定方法。设定风光光度计的检测波长为630NM,并以去离子水的透光率为100%;将污泥破壁溶胞处理后,分别取一定体积的溶胞污泥至少2份,在不同的离心加速度下离心固定的时间,或者在固定的离心加速度下离心不同的时间,根据重铬酸钾标准滴定方法分析,测定出不同离心条件下污泥悬浊液的化学需氧量(COD)数值;在直角坐标系中以横坐标为溶液透光率数值,纵坐标为悬浊液的化学需氧量数值,然后采用EXCEL软件对数据进行线性回归,并外推至透光率为100%,对应的COD数值即为溶胞污泥后不含污泥粒子时溶液的溶解性化学需氧量(SCOD)数值。该方法分析测定结果与0.45UM膜过滤制备溶液测定的溶解性化学需氧量数值相比,其相对误差小于5%。

标签:
化学分析
天津 - 天津 来源:中冶有色网 2023-03-19
用于电化学储能装置的电压巡检装置

本发明涉及一种电压巡检装置,用于监测包含有多个储能单体的电化学储能装置的电压电流信号,包括:第一信号处理模块、第二信号处理模块、第三信号处理模块以及控制模块。本发明提供的电压巡检装置可以在稳定工作状态下测量电化学储能装置的整堆低频输出电压、整堆低频输出电流、各储能单体的低频输出电压;以及在动态工作状态下,特别是在交流阻抗测量模式下,同步测量电化学储能装置的整堆动态输出电压、整堆动态输出电流,同步测量各储能单体动态输出电压、单体动态输出电流。

标签:
化学分析
北京 - 北京 来源:中冶有色网 2023-03-19
产生和采集对细胞进行化学和生物学检验所用的灌洗诱导型粪便的方法和系统

本发明提供饮料并通过施用产生LIS标本,其含有从整个肠道脱落的细胞且不含干扰物质如成形的粪便颗粒,所述细胞的量足以进行化学分析和生物学分析以获得核酸序列的信息并进行医学诊断。本发明还提供由病人无需指导便可使用以产生适于进行分析的LIS标本的试剂盒。一种收集试剂盒依次利用饮料和其它消化物质以产生用于医学诊断的保藏细胞,使得可以对LIS进行细胞分析有助于对前肠和后肠疾病的诊断。前期通便灌肠用于清洗患者的消化道;至少通过前期通便灌肠诱导的粪便可被采集;而后期通便灌肠有利于脱落和保护从患者消化道来的细胞。定期释放胶囊,它含有通便药物也能被用在完全前期灌肠处理之后。为了对这一整套试验进行分析,提供了一个采集、密封、包装LIS标本的装置。

标签:
化学分析
其他 - 其他 来源:中冶有色网 2023-03-19
光电协同催化测定化学需氧量的装置

一种光电协同催化测定化学需氧量的装置,属于环境分析化学传感器的技术领域。该装置是传统的电催化水体化学需氧量分析仪的改进产品,改进部分计有:分析检测装置上配置有紫外光源和石英窗;用具有光电协同催化活性的金属氧化物修饰电极作工作电极;工作电极和辅助电极分别依附在上盖板的下表面的中部的两边,是进行光电协同催化测定水体的化学需氧量所必不可少的仪器,确保水样中的有机物能高效地降解和水体化学需氧量能快速、精确地测出。

标签:
化学分析
上海 - 上海 来源:中冶有色网 2023-03-19
电化学免疫检验试片及其制法

本发明提出一种电化学免疫检验试片及其制法,其包含绝缘基板;网版印刷电极在绝缘基板上,其中网版印刷电极包括电极区与接头区;电化学活性前体物在电极区上;以及提供反应薄膜迭合于网版印刷电极的电极区上,其中反应薄膜的第一端有检体注入区。本发明利用免疫反应有效地克服电化学法检测的干扰性问题,提供快速检验试片定量之检测。

标签:
化学分析
其他 - 其他 来源:中冶有色网 2023-03-19
污水中溶解性化学需氧量的测定方法

本发明涉及污水中溶解性化学需氧量的测定方法。采用具有紫外吸收的特征物质如蛋白质和DNA为基准,分别采用相应的特征吸收波长280nm和260nm进行污水吸光度检测;进行零点校正,然后制作回归工作方程:取不少于3份污水污泥,利用吸光度数据和化学需氧量数据进行数据线性一元或二元回归,得到工作方程;依据得到的工作方程,在日常污水处理工艺中,取出少量污水用0.45um膜真空过虑得到少量的溶液,再利用工作方程计算出污水的化学需氧量数据。本发明的污水化学需氧量测定分析方法具有原理可靠、分析快速、简便、经济、环保等优点。该方法适用于活性污泥法污水处理稳定运行工艺如污水厂或实验室中涉及排放污水中化学需氧量多次、大量测定情况下采用。

标签:
化学分析
天津 - 天津 来源:中冶有色网 2023-03-19
实现界面剥离的界面腐蚀电化学测量系统及测量方法

本发明提供一种利用鼓泡法构建稳定气液相界面,实现真正的物理剥离的界面腐蚀测量系统和测量方法。搭建界面腐蚀电化学测量系统,通过高速摄像及腐蚀产物成分分析精准测量气泡三相线位置、薄液膜区域及界面腐蚀影响区域尺寸;进而通过测定相同条件下有/无界面试样的腐蚀电流,在考虑腐蚀面积的基础上计算有/无界面情况下的腐蚀电流差,实现界面腐蚀的真正剥离研究;同时获得界面腐蚀电流与薄液膜区域及界面腐蚀影响区域之间的关联。所述界面腐蚀电化学测试平台主要由气泡发生部分、电化学测量部分、液体存储腔以及高速摄像系统几部分组成。

标签:
化学分析
北京 - 北京 来源:中冶有色网 2023-03-19
具有减少的样本体积的电化学测试传感器

本发明公开了一种用于检测流体测试样本的分析物浓度的电化学测试传感器,该电化学测试传感器包括基部、介质层、试剂层和盖。该基部提供了测试样本的流动路径,在其表面上具有适于与电流检测器进行电通信的反电极和工作电极。该介质层形成了经由其中的介质窗。该试剂层包括适于与所述分析物反应的酶。该盖适于与所述基部配合,并辅助形成具有开口的毛细空间,用于将所述测试样本引至该毛细空间中。所述反电极的宽度的至少一部分比所述工作电极的宽度大。

标签:
化学分析
其他 - 其他 来源:中冶有色网 2023-03-19
采用电化学检验亚硝酸盐的方法

本公开提供的采用电化学检验亚硝酸盐的方法,包括如下步骤:S1、制备氧化石墨烯‑聚苯胺‑金纳米粒子纳米复合物溶液;S2、采用所述氧化石墨烯‑聚苯胺‑金纳米粒子纳米复合物溶液制备亚硝酸盐传感器;S3、采用所述氧化石墨烯‑聚苯胺‑金纳米粒子纳米复合物修饰的玻碳电极作为亚硝酸盐传感器的工作电极,采用磷酸盐缓冲液作为电化学检测的支持电解质,检测不同浓度的峰电流值,并以亚硝酸盐标准溶液的浓度为横坐标,峰电流值为纵坐标,拟合标准曲线;S4、根据所述标准曲线检测待测溶液中的亚硝酸盐。本公开的采用电化学检验亚硝酸盐的方法具有选择性好、灵敏度高、检测限低、准确性好,操作方便,检测速度快。

标签:
化学分析
陕西 - 西安 来源:中冶有色网 2023-03-19
上一页 2008 2009 2010 2011 2012 ... 2305 下一页
共2305页    到第

中冶有色为您提供最新的有色金属化学分析技术理论与应用信息,涵盖发明专利、权利要求、说明书、技术领域、背景技术、实用新型内容及具体实施方式等有色技术内容。打造最具专业性的有色金属技术理论与应用平台!

全国热门有色金属设备推荐
展开更多 +
全国热门有色金属技术推荐
展开更多 +

 

江西省隆恩特环保设备有限公司
宣传

报名参会
更多+

报告下载

有色专家
更多+

中南大学
中国工程院院士
广西大学
处长/教授
江西理工大学
教授
江西理工大学
副处长/教授
北京科技大学
副院长/教授
赤泥综合利用研究报告2025
推广

热门技术
更多+

推荐企业
更多+

福建省金龙稀土股份有限公司
宣传

发布

在线客服

公众号

电话

顶部
咨询电话:
010-88793500-807