青岛垚鑫智能科技有限公司
宣传

位置:中冶有色 >

有色技术频道 >

> 化学分析技术

分类:
全部
矿山技术
冶金技术
材料制备及加工技术
环境保护技术
分析检测技术
 
全部
物理检测技术
化学分析技术
力学检测技术
无损检测技术
失效分析技术
环境检测技术
地区:
全部
北京
天津
上海
重庆
河北
山西
辽宁
吉林
黑龙江
江苏
浙江
安徽
福建
江西
山东
河南
湖北
湖南
广东
海南
四川
贵州
云南
陕西
甘肃
青海
内蒙
广西
西藏
宁夏
新疆
其他
其他
展开
 
全部

有色金属化学分析技术理论与应用

免费发布技术信息>>
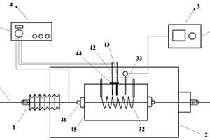
测试线材应力腐蚀电化学特性的装置及方法

本发明公开了一种测试线材应力腐蚀电化学特性的装置及方法,该装置包括应力加载装置、废液池、电化学测试系统和试验件,电化学测试系统包括电解池;还包括智能控温系统,智能温控系统包括温控开关、加热环和热电偶;电解池与试验件之间的间隙采用螺栓和生料带密封。预测寿命的方法包括:连接电极和试验件形成三电极体系,分别设定电位范围和扫描速率测试开路电位随时间的演化曲线和极化曲线,设置应力腐蚀时间,对比各个应力腐蚀时间下的桥索镀层钢丝电化学特性,进行镀层寿命的预测。本装置稳定可靠,能够实现线材在恒温应力腐蚀过程中电化学的稳定测试和分析,可快速有效地预测镀层发生应力腐蚀破裂的寿命,为桥索钢丝的后期维护提供根据。

标签:
化学分析
江苏 - 南京 来源:中冶有色网 2023-03-19
混匀铁矿石取样及化学成分预测方法

本发明涉及一种混匀铁矿石取样及化学成分预测方法,包括如下步骤:1)取样:海运进料时,通过自动取样缩分装置取样;汽运进料时,将原料堆沿斜高至少三等分,然后在每条等分线的圆周方向间隔4米取1个份样;将原料堆沿宽度方向至少5等分,然后在每条等分线的长度方向间隔4米取1个份样;将所有的份样组成一个大样;2)化学成分预测 : 取得的大样进行化学成分分析,并对TFe和SiO2含量按配比进行理论成分计算,然后将所得结果带入如下公式:TFe修正=TFe预测×99.8÷A预测;SiO2修正=SiO2预测×99.8÷A预测与现有技术相比,本发明的有益效果是:通过对混匀铁矿石合理取样,以及对烧结矿化学成分预测结果进行修正,提高烧结矿化学成分预测的准确率。

标签:
化学分析
辽宁 - 鞍山 来源:中冶有色网 2023-03-19
自生气化学剂产气总量受反应物浓度影响的测试方法

本发明公开了一种自生气化学剂产气总量受反应物浓度影响的测试方法,包括:(a)首先,制备纯净的氯化氨和硝酸钠备用;(b)然后,分别称取一定量的氯化氨和硝酸钠置于实验容器中;(c)向实验容器中添加不同量的溶剂,溶解构成不同反应物浓度的溶液;(d)将实验容器分别置于相同温度的水浴中;(e)向实验容器中分别加入相同量的催化剂;(f)待反应完全后,测量产气总量并记录,将实验数据进行整理,从而分析出自生气化学剂产气总量受反应物浓度的影响。本发明能快速测试出自生气化学剂产气总量受反应物浓度的影响,且测试结果准确,测试步骤简单,大大降低了测试成本。

标签:
化学分析
四川 - 成都 来源:中冶有色网 2023-03-19
基于深度强化学习的无人机意图航迹预测方法

本发明公开了一种基于深度强化学习的无人机意图航迹预测方法,首先,建立意图航迹预测奖励函数模型,其中包含机动动作模型和地形模型;接着,建立深度强化学习网络模型,对网络中参数迭代计算的过程进行分析;然后,对动作价值函数的近似过程进行分析,为之后的策略选择做准备;最后,建立策略模型,通过该模型对动作价值函数进行选取,从而选择出最佳的飞行动作,并通过航迹的形式显示结果。本发明不仅能完整的显示无人机的意图航迹,还可以得知无人机在飞行过程中做了何种机动动作。

标签:
化学分析
江苏 - 南京 来源:中冶有色网 2023-03-19
地表水环境介质中有机化学品暴露水平预测方法

本发明涉及环境生态风险评价领域,具体来说,涉及一种地表水环境下基于质量平衡和动态消减的地表水环境介质中有机化学品暴露水平预测模型和数据分析系统。随着现代化工业生产废水经过处理后最终排放进入周围水体环境,并随着水体挥发进入大气,通过吸附作用或沉降作用进入水体底部沉积物中。本发明建立了一个模型结构简单、预测规则透明、易于理解、有效的暴露预测模型系统,并且能够根据研究的目的和要求选择合适级别的模型,对有机化学品的环境暴露和安全管理以及环境生态风险评价具有重要意义。

标签:
化学分析
江苏 - 南京 来源:中冶有色网 2023-03-19
UHPLC-QQQ-MS/MS同时测定酸枣仁水煎液中6种化学成分含量的方法

本发明涉及一种采用UHPLC‑QQQ‑MS/MS技术同时测定酸枣仁水煎液中6种化学成分含量的方法,属于中药成分分析领域。本发明所建立同时测定酸枣仁水煎液中6种化学成分含量的分析方法专属性强、快速、灵敏且准确可靠,在完成含量测定的同时能够准确给出化合物质量数信息以达到成分鉴定的效果,该方法可为酸枣仁临床应用与质量控制提供技术支持。

标签:
化学分析
江苏 - 南京 来源:中冶有色网 2023-03-19
利用电化学阻抗谱实时监测水泥基材料裂缝的方法

本发明属于土木建筑领域,尤其是一种利用电化学阻抗谱实时监测水泥基材料裂缝的方法。首先在水泥基材料试件的两端预埋电极片或者实施时放置,通过导线将电极片与电化学工作站数据采集系统连接,再与计算机数据处理系统连接。然后,通过电极片对水泥基材料试件施加不同频率的正弦交流电压(电流)扰动信号,输入的扰动信号经过试件后产生相应的响应信号,即正弦交流电流(电压)信号,响应信号经过电化学工作站数据采集系统和计算机数据处理系统的处理,得到试件的电化学阻抗谱。最后通过分析电化学阻抗谱的特征变化来监测水泥基材料试件裂缝的开裂情况。本发明测量速度快,抗干扰能力强,操作简单。

标签:
化学分析
河南 - 焦作 来源:中冶有色网 2023-03-19
基于胶粘剂化学特性的粘接结构在全服役温度区间下的力学性能的预测方法

本发明公开一种基于胶粘剂化学特性的粘接结构在全服役温度区间下的力学性能的预测方法,包括步骤1:对粘接试件进行加速老化试验,按照老化周期[t1,t2,...,tN]间隔抽取粘接试件及其对应的粘结剂;步骤2:将不同老化周期的粘接试件在服役温度测点[T1,T2,...,Ti,...,Tm]下进行拉伸试验,获得剩余强度[S1,S2,...,Si,...,Sm],拟合得到不同服役温度测点下的粘接试件的力学性能曲线[S1(t),S2(t),...,Si(t),...,Sm(t)];步骤3:对常温加速老化试验获得的不同老化周期的粘结剂进行化学特性分析,获得关键化学特性曲线;步骤4:对所述关键化学特性曲线Hj(t)(j=1,2,3,...,n)进行线性组合,分别筛选获得不同服役温度测点下与所述粘接试件的力学性能变化曲线相关度最高的化学特性曲线的线性组合;步骤5:通过所述化学特性曲线线性组合对粘接试件的力学性能进行预测。

标签:
化学分析
吉林 - 长春 来源:中冶有色网 2023-03-19
测定菊花中化学成分含量的方法

本发明实施例提供了一种测定菊花中化学成分含量的方法,采用超高效液相色谱‑质谱联用,同时测定菊花中13种化学成分的含量;所述13种化学成分包括:异绿原酸C、橙皮苷、大波斯菊苷、槲皮素、金合欢素、金丝桃苷、绿原酸、木犀草素‑7‑O‑葡萄糖醛酸苷、木犀草素、芹菜素、香叶木素、异槲皮苷、隐绿原酸。采用本申请的方法,通过合理选择色谱条件和质谱条件,可以同时测定菊花中13种化学成分的含量,且所述方法具有简便,灵敏度高,分析速度快,专属性强等优势,从而可用于菊花药材的质量控制。

标签:
化学分析
天津 - 天津 来源:中冶有色网 2023-03-19
测定藿香叶中化学成分含量的方法

本申请提供了一种测定藿香叶中化学成分含量的方法,采用高效液相色谱‑质谱联用,测定藿香叶中15种化学成分的含量;所述化学成分包括:香草酸、牡荆素、毛蕊花糖苷、异毛蕊花糖苷、金丝桃苷、大波斯菊苷、芹菜素、β‑鼠李素、金合欢素、商陆素、广藿香酮、藿香黄酮醇、新西兰牡荆苷、雷杜辛黄酮醇、香叶木素‑7‑O‑β‑D‑葡萄糖苷。采用本申请的方法,通过合理选择色谱条件和质谱条件,可以同时测定藿香叶中15种化学成分的含量,且所述方法具有简便、灵敏度高、分析速度快、专属性强等优势,从而能够可信、全面、准确地用于藿香叶的质量控制,为藿香叶的质量评价提供依据。

标签:
化学分析
天津 - 天津 来源:中冶有色网 2023-03-19
化学致癌物职业暴露定量风险监测预警方法及系统

本发明提出一种化学致癌物职业暴露定量风险监测预警方法,包括:收集工作场所信息、暴露人群信息,对工作场所的化学物质进行风险辨识,基于物联网实时在线监测,进行暴露评估;并且分析确定高暴露的关键控制点;根据确定的化学致癌物选择对应的剂量‑反应模型,代入致癌风险公式,实现剂量‑反应评价;表征致癌风险。本发明实现化学致癌物职业病危害有效预测监测预警,提高监管水平。

标签:
化学分析
天津 - 天津 来源:中冶有色网 2023-03-19
化学检验用废液收集装置

本实用新型涉及一种化学检验用废液收集装置,包括箱体,箱体内间隔设置有两个上端开口的收集桶,箱体的上侧面开设有位于收集桶开口上方的投放口,收集桶开口和投放口之间设置有可左右滑动的盖板,箱体内固定有第一挡板,第一挡板的下端设置有和盖板下侧面接触的第一支撑板,第一挡板和盖板之间设置有弹簧,盖板上连接有穿过挡板的连接绳,箱体的前侧面上开设有滑槽,滑槽内设置有可上下滑动的踏板,踏板的上侧面和连接绳连接。本实用新型能够方便工作人员及时关闭开口,避免废液挥发。

标签:
化学分析
河南 - 郑州 来源:中冶有色网 2023-03-19
用于化学检验的试管摇晃装置

一种用于化学检验的试管摇晃装置,包括箱体、上盖、第一转轴、第一齿轮、第二齿轮、第二转轴、第三齿轮、驱动电机、安装板、夹持组件、挡止组件和控制按钮;箱体内设置有齿轮室、电机室和摇晃室,齿轮室位于电机室上方,摇晃室位于齿轮室横向一侧,摇晃室上端开口;上盖设置在箱体上,上盖位于摇晃室内;第一转轴贯穿齿轮室和摇晃室转动设置在箱体内;第一齿轮和第二齿轮均设置在第一转轴上,第一齿轮和第二齿轮均为不完全齿轮,第三齿轮选择性地与第一齿轮或第二齿轮啮合配合。本实用新型使用时能够大大降低实验员的劳动负担,且能够根据需要调节反应环境的温度,大大提高了对比试验的数据准确度,给实验员带来了便利。

标签:
化学分析
浙江 - 杭州 来源:中冶有色网 2023-03-19
化学检验用粉剂药物溶解振荡装置

本实用新型公开一种化学检验用粉剂药物溶解振荡装置,包括箱体、支撑架、动力组件、第一支撑杆、夹持组件、试管本体和搅拌组件,所述支撑架的底部安装在所述箱体上表面两侧,所述动力组件位于所述箱体内部,所述夹持组件位于所述箱体正上方,所述夹持组件通过所述第一支撑杆与所述支撑架连接。本实用新型中,所述支撑架用于支撑所述搅拌组件;所述动力组件为整个粉剂药物溶解振荡装置提供动力来源,使得工作人员在对粉剂药物进行溶解时,避免人力对粉剂药物进行溶解;所述第一支撑杆和所述夹持组件对固定限位所述试管本体进行固定限位;所述搅拌组件对所述试管本体内的粉剂药物进行搅拌,使得粉剂药物的溶解速度更加快速、效率更高。

标签:
化学分析
辽宁 - 锦州 来源:中冶有色网 2023-03-19
预测工业规模下化学物质热危险性的方法

一种预测工业规模下化学物质热危险性的方法,具体步骤如下,步骤一、建立化学物质热分解的描述性反应动力学模型;步骤二、建立化学物质热分解的三维非定常计算流体力学数学模型;步骤三、通过耦合上述三维非定常计算流体力学数学模型和描述性反应动力学模型,建立一套完整的可压缩多组分化学反应多相流控制方程组,并采用数值分析方法进行求解,从而预测工业规模下化学物质的热危险性。本发明提供一种预测工业规模下化学物质热危险性的方法。计算流体力学是以一组描述质量、动量、能量和组分守恒过程的数学近似方程为基础。描述性反应动力学基于反应路径和广义质量作用定律,以浓度为状态变量,准确地表达了反应速率方程。

标签:
化学分析
江苏 - 南京 来源:中冶有色网 2023-03-19
逆向深度强化学习的电力通信设备测试资源调度方法

本发明公开了一种逆向深度强化学习的电力通信设备测试资源调度方法。该方法首次采用逆向深度强化学习相关理论,分析了基于边缘计算的通信设备中自动化测试资源需求,综合考虑资源调度时间和测试执行时间以及通信时间,采用深度逆向强化学习算法框架,设计了一种电力信息通信设备自动化测试移动边缘计算资源动态调度方法,提高测试资源利用率。

标签:
化学分析
甘肃 - 兰州 来源:中冶有色网 2023-03-19
在线测量PLD薄膜化学计量比及各成分质量的方法

本发明涉及脉冲激光沉积镀膜领域,公开了一种在线测量PLD薄膜化学计量比及各成分质量的方法。首先,在脉冲沉积镀膜过程中,用激光诱导击穿光谱(LIBS)测量沉积的薄膜中各个成分化学计量比;然后,用石英晶体微天平(QCM)测量薄膜总沉积量;最后,将LIBS的结果和QCM的结果相结合,得到薄膜中各成分的质量。本发明基于PLD技术、LIBS技术、QCM测膜厚技术,将LIBS和QCM相结合,弥补了LIBS定量分析比较困难,QCM不能进行物质分辨的不足。本发明能够在脉冲激光沉积镀膜过程中,实时原位在线测量薄膜化学计量比,不会对镀膜过程有干扰,并且方法简单,易于实现。

标签:
化学分析
辽宁 - 大连 来源:中冶有色网 2023-03-19
可伸缩旋转的化学检验用试剂瓶试剂挂架

本实用新型公开了一种可伸缩旋转的化学检验用试剂瓶试剂挂架,包括挂架本体,挂架本体包括底座,底座上固定连接有立柱,立柱的上端套有活动套,活动套上固定连接有伸缩板,伸缩板的一侧下端通过螺栓可拆卸连接有转动盘,转动盘上固定连接有固定片,螺栓可拆卸连接在固定片上,转动盘上活动连接有连接杆。本实用新型是可以旋转和伸缩,本实用新型的固定盘活动连接在本实用新型的转动盘上,且本实用新型的固定盘上设了用于放置药剂瓶的放置槽和通孔,使用时,可通过转动本实用新型的固定盘来切换药剂瓶,工作时无需逐一拿取药剂瓶,较为方便,且较为安全。

标签:
化学分析
上海 - 上海 来源:中冶有色网 2023-03-19
专用于整组铅酸蓄电池化学整组修复的便携式智能全自动检修仪

本实用新型公开了一种专用于整组铅酸蓄电池化学整组修复的便携式智能全自动检修仪,其包括:由轻型而牢固的框架组成的机箱和控制电路;所述机箱分为机箱前部、机箱中部和机箱后部三部分;所述机箱前部包括多功能主控卡、数码管显示器、放电按钮、档位调节按钮、输出接口、充电按钮、切换按钮和设备状态指示灯;所述机箱中部包括电源驱动卡和大功率组合式变压器;所述机箱后部包括大功率散热风扇和大功率发热组件;所述机箱前部、机箱中部和机箱后部三个部分的电器元件之间电连接。本装置便携且智能化的专业设计使得修复工作变得简单、快捷,减轻维护人员的劳动强度,使修复流程更精准、科学、智能。

标签:
化学分析
江苏 - 苏州 来源:中冶有色网 2023-03-19
化学发光免疫测试板
化学发光免疫测试板 1228     
 0

本实用新型公开了一种化学发光免疫测试板,包括免疫测试板本体、铝箔盖和测试板,所述铝箔盖盖在免疫测试板本体的上端,所述测试板设置在免疫测试板本体的上端,所述测试板的内侧设有化学发光免疫测试孔,所述化学发光免疫测试孔的底部设有吸附分析滤纸。因此,本实用新型设计合理,结构简单,能够快速有效的测试出生物分子的结果。

标签:
化学分析
湖南 - 衡阳 来源:中冶有色网 2023-03-19
多组分同时定量分析的均相发光免疫分析方法及其所使用的试剂盒

本发明提供一种多组分同时定量分析的均相发光免疫分析方法及其所使用的试剂盒,该方法采用含有多种不同荧光素的受体微球,同时也包被捕获不同待测生物标志物的抗体分子。在测定过程中,待测样本中的多种生物标志物分别与检测体系中相应的受体微球表面的抗体分子和生物素化抗体形成双抗体夹心复合物,再分别连接标记有链霉亲和素的供体微球;用激发光照射供体微球时,使各种类的受体微球发出不同波长光学信号,分别检测不同波长光的强度即可对待测生物标志物进行准确定量。试剂盒包括含有化学发光剂和荧光素的受体微球、生物素化抗体和含有光敏物质的供体微球。本发明的有益效果是实现了多组分同时定量测定,节省检测成本。

标签:
化学分析
天津 - 天津 来源:中冶有色网 2023-03-19
管道直接安装式电化学测量流通槽

本实用新型公开了一种管道直接安装式电化学测量流通槽,它涉及工业在线流体测量分析仪器数据采集领域中溶液电化学测量的传感器装置。它由流通槽体、测量室、传感器、调节阀、快速接头、进水孔、出水口管等部件组成。它采用流通槽体自身具有能粘接或螺纹连接的形式,直接安装在工业管线的PVC管材或金属管材的工业或市政管道上,实现对溶液的电化学参数测量目的。本实用新型具有结构简单、体积小、安装使用方便,测量稳定精度高,有效延长传感器使用寿命等特点,特别适用于成为工业在线溶液电化学测量的传感器装置。

标签:
化学分析
河北 - 石家庄 来源:中冶有色网 2023-03-19
化学检验用工作台
化学检验用工作台 695     
 0

本实用新型公开了一种化学检验用工作台,包括桌体,所述桌体的底端安装有第一支撑块,所述第一支撑块的底端安装有万向轮,所述桌体的内部设有抽屉,且抽屉有两个,所述抽屉的正面安装有拉手,所述桌体内部右侧的抽屉内部安装有固定块,所述固定块的内部开设有试管放置槽,试管放置槽以横向七个一排为一组,且固定块的内部开设有竖向三组试管放置槽,所述抽屉的内部安装有辅助板,所述辅助板的内部开设有与试管放置槽相适配的放置孔。本实用新型通过抽屉内部储放试管的防护机构的设置,使得试管的端头放置在试管放置槽的内部的同时,试管的表壁与环形软块的内侧相紧贴,即由以上方式,实现对试管的稳固放置。

标签:
化学分析
山东 - 青岛 来源:中冶有色网 2023-03-19
临床化学检验用试管收纳装置

本实用新型公开了一种临床化学检验用试管收纳装置,包括盒体;所述盒体的内部为空腔,所述盒体的顶侧开设有若干开口,所述盒体内部的中端水平安装有安装板,所述安装板底端与若干开口相对应的位置均固定安装有推杆马达,若干所述推杆马达的马达轴均贯穿于安装板且轴头均固定安装有放置座。本实用新型通过设置的推杆马达,便于存放试管本体时,可通过启动推杆马达,将放置座推起,然后将试管本体经开口放到放置座上,然后再缩回马达轴,使得放置座移动到最低侧时,放置座上两个夹块受限位块的阻隔,向试管本体的一侧偏转,从而将试管本体固定,较为实用,适合广泛推广和使用。

标签:
化学分析
河北 - 石家庄 来源:中冶有色网 2023-03-19
红外镜面反射炉-顶空气相色谱-质谱联用测定烟气中挥发性化学成分的方法

本发明公开了一种红外镜面反射炉‑顶空气相色谱‑质谱联用测定烟气中挥发性化学成分的方法,包括以下步骤:(A)将烟叶样品和玻璃纤维滤片放置恒温恒湿下平衡48h;(B)称取不少于0.50g的步骤A得到的烟叶样品,置入石英管中后用红外线进行升温程序加热,并在加热时向石英管内通入空气以模拟烟叶燃烧过程,隔一段时间后停止红外线加热并改向石英管内通入氮气以模拟烟叶阴燃过程,并用玻璃纤维滤片捕集烟雾中的化学成分,反复执行模拟燃烧和模拟阴燃的步骤若干次;(C)将玻璃纤维滤片放入顶空瓶,进行顶空气相色谱‑质谱联用分析。该方法使烟丝用量可以达到甚至超过1支卷烟的烟叶原料,保证了烟叶烟气中痕量的挥发性化学成分的准确分析。

标签:
化学分析
云南 - 昆明 来源:中冶有色网 2023-03-19
化学反应塔登塔检修器

一种化学反应塔登塔检修器,在液压油缸两端各设置有端盖、在端盖的中心位置加工有中心孔,端盖的中心孔上安装有密封圈,在液压油缸内设置有活塞,活塞的圆周上安装有活塞杆密封圈,在活塞上设置有活塞杆,活塞杆的两端从端盖的中心孔位置穿出端盖外,活塞杆的一部分为空心活塞杆另一部分为实心活塞杆,在活塞杆上空心部分加工有一侧节流通孔a和节流通孔b,一侧节流通孔a和节流通孔b将液压油缸内活塞的一侧与另一侧相联通,在活塞杆的空心部分内设置有调节阀芯,调节阀芯的端部设置有活塞杆内密封圈,在液压油缸1上设置有液压动力单元,液压动力单元通过导管与液压油缸相联通。

标签:
化学分析
陕西 - 榆林 来源:中冶有色网 2023-03-19
光谱成像分析系统及光谱成像分析方法

本发明提供了一种光谱成像分析系统及其成像分析方法,光谱成像分析系统包括成像透镜阵列、光计算芯片和图像传感器;成像透镜阵列获取待测目标的原始图像;光计算芯片包括起偏振器、液晶相位延迟器阵列和检偏振器,光计算芯片先通过起偏振器偏振处理,后通过液晶相位延迟器阵干涉处理,以获得入射光谱和产生一组基频与谐波,液晶相位延迟器阵列根据基频和谐波构建该入射光谱的光谱回归函数,通过检偏振器检测入射光谱的偏振干涉态信息;图像传感器生成一组含有空间信息和偏振干涉态信息的光谱图像序列,并根据光谱回归函数计算出入射光谱的物质物理化学量信息。与相关技术相比,本发明实现了对动态目标进行实时全光谱成像和光谱分析。

标签:
化学分析
广东 - 深圳 来源:中冶有色网 2023-03-19
利用光纤光栅测量化学溶液浓度的系统

本实用新型公开了一种利用光纤光栅测量化学溶液浓度的系统,包括宽带光源1、光纤隔离器12、耦合器2、FBG传感器3、光谱分析仪4和计算机控制端5,光纤隔离器12分别与宽带光源1和耦合器2连接,耦合器2分别与FBG传感器3和光谱分析仪4连接,光谱分析仪4与计算机控制端5连接;所述的FBG传感器3的外部设有圆柱形光纤光栅封装结构8。本实用新型通过在FBG传感器的外部设有圆柱形光纤光栅封装结构,可以保护FBG传感器,还可以避免温度应变交叉敏感对测量结果的影响,同时结合浓度敏感FBG本身具有测量灵敏度高、抗电磁干扰等特点及耦合器、光谱分析仪等设备,从而实现了对溶液浓度的在线、准确、实时采集和远程控制。

标签:
化学分析
河北 - 秦皇岛 来源:中冶有色网 2023-03-19
用于监测光化反应历程的电化学装置

本实用新型提出了一种用于监测光化反应历程的电化学装置,包括壳体和盖板,所述盖板设于壳体的一侧面上,可用于打开或关闭壳体;所述壳体的中部设有一反应池,所述反应池将壳体的内部分成左腔体和右腔体,所述左腔体和右腔体内分别设有光源。本实用新型通过将电化学分析方法与光化反应池相结合,在电化学反应装置的基础上增加了光源,可随时监测反应情况,结构简单;既可用于光化反应机理的研究,同时也可以当成一般的电化学电解池使用,可有效减少样品消耗量,节省时间、提高效率、节约成本。

标签:
化学分析
广东 - 广州 来源:中冶有色网 2023-03-19
污水化学检验取样装置
污水化学检验取样装置 1114     
 0

本发明公开了一种污水化学检验取样装置,涉及污水取样设备领域,包括取样件,还包括:储存件,所述取样件内部设置有储存件和过滤件,所述储存件与过滤件内部均设置有多个分隔件,所述储存件底部设置有多个滑动件,所述滑动件上开设有进液口,所述过滤件内部设置有滤网和固定件;活动件,取样件内部固定设置有支撑件,支撑件内部滑动设置有活动件,所述出液管一端穿过固定件,所述固定件上开设有多个排气孔;滑动机构带动活动件和连通件左右移动,浮动件通过与出液管配合的方式带动连通件和滑动件向上运动,滑动件将进液口与储存件内部相连通,污水沿着出液管和滑动件进入相对应的储存件中,无需人工进行多组污水的分类取样和储存。

标签:
化学分析
山东 - 潍坊 来源:中冶有色网 2023-03-19
上一页 1988 1989 1990 1991 1992 ... 2000 ... 2305 下一页
共2305页    到第

中冶有色为您提供最新的有色金属化学分析技术理论与应用信息,涵盖发明专利、权利要求、说明书、技术领域、背景技术、实用新型内容及具体实施方式等有色技术内容。打造最具专业性的有色金属技术理论与应用平台!

全国热门有色金属设备推荐
展开更多 +
全国热门有色金属技术推荐
展开更多 +

 

江西省隆恩特环保设备有限公司
宣传

报名参会
更多+

报告下载

有色专家
更多+

郑州大学
副院长/教授
中南大学
常务副校长
武汉工程大学
教授
辽宁忠旺集团
教授级高工
有研资源环境技术研究院(北京)有限公司
副总经理/教授级高工
赤泥综合利用研究报告2025
推广

热门技术
更多+

推荐企业
更多+

福建省金龙稀土股份有限公司
宣传

发布

在线客服

公众号

电话

顶部
咨询电话:
010-88793500-807