青岛垚鑫智能科技有限公司
宣传

位置:中冶有色 >

有色技术频道 >

> 化学分析技术

分类:
全部
矿山技术
冶金技术
材料制备及加工技术
环境保护技术
分析检测技术
 
全部
物理检测技术
化学分析技术
力学检测技术
无损检测技术
失效分析技术
环境检测技术
地区:
全部
北京
天津
上海
重庆
河北
山西
辽宁
吉林
黑龙江
江苏
浙江
安徽
福建
江西
山东
河南
湖北
湖南
广东
海南
四川
贵州
云南
陕西
甘肃
青海
内蒙
广西
西藏
宁夏
新疆
其他
其他
展开
 
全部

有色金属化学分析技术理论与应用

免费发布技术信息>>
测量自生气化学剂反应效率受矿化度影响的方法

本发明公开了一种测量自生气化学剂反应效率受矿化度影响的方法,包括:(a)首先,制备纯净的氯化氨和硝酸钠备用;(b)然后,分别称取一定量的氯化氨和硝酸钠置于实验容器中;(c)向实验容器中添加不同量的溶剂和氯化钠,溶解构成不同矿化度的溶液;(d)将实验容器分别置于相同温度的水浴中;(e)向实验容器中分别加入相同量的催化剂;(f)每间隔一段时间测量产气量并记录,将实验数据进行整理,从而分析出自生气化学剂反应效率受矿化度的影响。本发明能快速测试出自生气化学剂反应效率受矿化度的影响,且测试结果准确,测试步骤简单,大大降低了测试成本。

标签:
化学分析
四川 - 成都 来源:中冶有色网 2023-03-19
自生气化学剂产气效率受催化剂浓度影响的测试方法

本发明公开了一种自生气化学剂产气效率受催化剂浓度影响的测试方法,包括:(a)首先,制备纯净的氯化氨和硝酸钠备用;(b)然后,分别称取一定量的氯化氨和硝酸钠置于实验容器中;(c)向实验容器中添加溶剂;(d)将实验容器置于一定温度的水浴中;(e)向实验容器中分别加入不同量的催化剂;(f)分别在间隔一定时间测量产气量并记录,将实验数据进行整理,从而分析出自生气化学剂产气效率受催化剂浓度的影响。本发明能快速测试出自生气化学剂产气效率受催化剂浓度的影响,且测试结果准确,测试步骤简单,大大降低了测试成本。

标签:
化学分析
四川 - 成都 来源:中冶有色网 2023-03-19
抛光液物理参数测量装置、测量方法和化学机械抛光设备

本发明公开了一种用于化学机械抛光设备的抛光液物理参数测量装置及测量方法。化学机械抛光设备包括抛光头、转台、抛光盘和抛光垫,其中抛光垫设置有通孔。抛光液物理参数测量装置包括传感器,传感器设置在抛光盘内且适于通过抛光垫内的通孔与抛光液接触以测量抛光液的物理参数;变送器,变送器设置在转台内且与传感器相连用于将传感器的测量信号转换为标准电信号;和处理单元,处理单元与变送器相连用于获取标准电信号以得到抛光液的物理参数。根据本发明实施例的抛光液物理参数测量装置可以在线测量并得到抛光头与抛光垫之间的抛光液的物理参数。本发明还公开了一种具有所述抛光液物理参数测量装置的化学机械抛光设备。

标签:
化学分析
北京 - 北京 来源:中冶有色网 2023-03-19
测量自生气化学剂反应效率受反应物浓度影响的方法

本发明公开了一种测量自生气化学剂反应效率受反应物浓度影响的方法,包括:(a)首先,制备纯净的氯化氨和硝酸钠备用;(b)然后,分别称取一定量的氯化氨和硝酸钠置于实验容器中;(c)向实验容器中添加不同量的溶剂,溶解构成不同反应物浓度的溶液;(d)将实验容器分别置于相同温度的水浴中;(e)向实验容器中分别加入相同量的催化剂;(f)每间隔一段时间测量产气量并记录,将实验数据进行整理,从而分析出自生气化学剂反应效率受反应物浓度的影响。本发明能快速测试出自生气化学剂反应效率受反应物浓度的影响,且测试结果准确,测试步骤简单,大大降低了测试成本。

标签:
化学分析
四川 - 成都 来源:中冶有色网 2023-03-19
测量自生气化学剂反应效率受温度影响的方法

本发明公开了一种测量自生气化学剂反应效率受温度影响的方法,包括:(a)首先,制备纯净的氯化氨和硝酸钠备用;(b)然后,分别称取一定量的氯化氨和硝酸钠置于实验容器中;(c)向实验容器中添加溶剂;(d)将实验容器置于不同温度的水浴中;(e)向实验容器中分别加入相同量的催化剂;(f)每间隔一段时间测量产气量并记录,将实验数据进行整理,从而分析出自生气化学剂反应效率受温度的影响。本发明能快速测试出自生气化学剂反应效率受温度的影响,且测试结果准确,测试步骤简单,大大降低了测试成本。

标签:
化学分析
四川 - 成都 来源:中冶有色网 2023-03-19
采用VB6电化学测量铝的方法

本发明提供一种采用VB6电化学测量铝的方法,利用Al3+与VB6的电化学行为测量铝。所述采用VB6电化学测量铝的方法,采用浓度为0.10-0.50M的KCl支持电解液,在pH值为3.5~6.5的条件下,利用Al3+使VB6在玻碳电极上产生的氧化峰电流下降值与Al3+浓度之间的线性关系对铝进行测量,其中,VB6在玻碳电极上产生的氧化峰电流下降值是指VB6浓度一定时,VB6在玻碳电极上产生的氧化峰电流与加入Al3+后在玻碳电极上产生的氧化峰电流的差值,VB6中吡哆醇的浓度为2.0×10-6~8.0×10-4M。本发明用对人体无毒的药物VB6测定铝离子,有利于建立体内测定的原位分析方法。

标签:
化学分析
江苏 - 南京 来源:中冶有色网 2023-03-19
临床化学检验用试管清洗烘干装置

本实用新型涉及一种临床化学检验用试管清洗烘干装置,解决了现有试管清洗烘干装置清洗效果差,烘干不充分的问题,现提出如下方案,其包括装置主体、空心轴电机、第一电推杆和第二电推杆,装置主体内侧壁固定连接有电阻加热片,装置主体内侧壁顶端固定连接有紫外线杀菌灯,装置主体外侧壁左右两侧中间偏上固定连接有支架,支架外侧壁顶端固定连接有热风机,装置主体外侧壁左侧中间偏下固定连接有水箱。本实用新型由于设置两个热风机,以及电阻加热片的设置,使得试管在清洗完成后,可通过将第二电推杆恢复至位置,热风机和电阻加热片可对试管残留的水分进行烘干,保证了试管内部的干爽,方便了试管可进行及时存放和立即使用。

标签:
化学分析
河北 - 石家庄 来源:中冶有色网 2023-03-19
基于化学分子描述符的气味物质愉悦度评分预测方法、程序和系统

基于化学分子描述符的气味物质愉悦度评分预测方法、程序和系统,涉及化学分子信息处理技术领域,本发明在对单分子气味物质的高维化学分子描述符特征进行基于特征取值多样性的特征选择后,利用主成分分析法对化学分子描述符特征进行降维处理,在特征维度减小的同时还可以有效地去除化学分子描述符特征数据之间的冗余信息,提取到更有效的特征数据,以此来提升愉悦度的预测性能,并且针对气味物质的嗅觉感知数据集样本量不大的情况,本发明中的随机森林回归预测模型中的剪枝操作可以有效地防止过拟合,从而提升愉悦度的回归预测性能,保证了预测精度。

标签:
化学分析
湖南 - 衡阳 来源:中冶有色网 2023-03-19
预制舱式电化学储能系统火灾监测、预警及定位装置

本发明提供一种预制舱式电化学储能系统火灾监测、预警及定位装置,包括温度监测模块、气体分析模块、多频声波定位阵列、分布式压力传感模块、多信号融合预警模块、可视化交互模块;本发明考虑多源信号融合分析,构建了电‑热‑气‑力多信息融合的多级预警体系,引入多级监测预警体系构建出针对锂离子电池储能舱的系统化预警体系;同时建立了基于电压/电流信号的电芯内温度监测模块,实现电芯温度的实时监测,融合了热失控过程典型气体分析监测模块,引入多频声波阵列模块实现对热失控电芯的精准定位,为后续BMS模块动作及消防系统联动处置提供必要信息,能有效提升热失控防控处置的有效性,从而可更好地防止这些早期故障引发灾难性的后果。

标签:
化学分析
辽宁 - 沈阳 来源:中冶有色网 2023-03-19
化合物作为色谱分析保护剂的应用、保护液和卷烟烟气中香味成分的分析方法

本发明涉及化合物作为色谱分析保护剂的应用、保护液和卷烟烟气中香味成分的分析方法,属于化学分析检测技术领域。一种式(I)所示的化合物作为气相色谱分析保护剂的应用,其中,R1~R5各自独立地选自H或含氮取代基,且R1~R5中有且只有一个为含氮取代基;所述含氮取代基选自C1‑10含氮烃基或C1‑10含氮杂环基;所述含氮取代基以碳原子作为连接原子;所述C1‑10含氮杂环基以氮原子作为杂原子。式(I)所示的化合物在弱极性溶剂中具有很好的溶解度、能克服现有分析保护剂酯溶性差的缺点,可以避免在进样时将水带入气相色谱(GC)系统,可以有效抑制气相色谱活性位点对待测物的吸附,较好改善待测物色谱峰的峰形和强度。

标签:
化学分析
河南 - 郑州 来源:中冶有色网 2023-03-19
预测造纸法再造烟叶化学成分含量的方法

本发明公开了一种预测造纸法再造烟叶化学成分含量的方法,利用造纸法再造烟叶配方原料化学成分的转化率为基础,通过分析造纸法再造烟叶配方原料化学成分统计均值与转化率之间的关系,得出一种预测造纸法再造烟叶化学成分的方法。本发明提供了一种预测造纸法再造烟叶化学成分含量的方法,为产品配方的设计提供数据依据,同时该方法简单、快捷等优点。

标签:
化学分析
云南 - 玉溪 来源:中冶有色网 2023-03-19
测定乌梅中化学成分含量的方法

本申请提供了一种测定乌梅中化学成分含量的方法,采用超高效液相色谱‑质谱联用,测定乌梅中16种化学成分的含量;所述化学成分包括:琥珀酸、L‑苹果酸、原儿茶醛、原儿茶酸、咖啡酸、D‑奎宁酸、柠檬酸、阿魏酸、丁香酸、隐绿原酸、新绿原酸、绿原酸、苦杏仁苷、山楂酸、科罗索酸、芦丁。采用本申请的方法,通过合理选择色谱条件和质谱条件,可以测定乌梅中16种化学成分的含量,且所述方法具有简便、灵敏度高、分析速度快、专属性强等优势,从而可用于乌梅的质量控制。

标签:
化学分析
天津 - 天津 来源:中冶有色网 2023-03-19
基于化学反应器网络方法的燃烧室贫油点火极限预测方法

本发明公开了一种基于化学反应器网络方法的燃烧室贫油点火极限预测方法,包括以下步骤:对典型工况下的三维模型燃烧室进行流体力学数值模拟,获得燃烧流场特征;通过数值模拟结果对燃烧室的流场及燃烧场进行分析,采用有限个数反应器,构建化学反应器网络拓扑结构;选取部分燃烧效率试验数据作为训练工况,建立参数化燃烧性能化学反应器网络预测模型;选取部分贫油点火极限试验数据作为训练工况,得到点火器停留时间与点火器处速度插值表,建立参数化贫油点火极限化学反应器网络预测模型。本发明与计算流体力学方法相比,大大减少了计算量,能够快速的预测燃烧室贫油点火极限,能够解决点火极限相关领域的工程问题。

标签:
化学分析
江苏 - 南京 来源:中冶有色网 2023-03-19
海水管路弯头局部腐蚀电化学测试装置及方法

本发明提供一种海水管路弯头局部腐蚀电化学测试装置及方法,该装置由弯头局部腐蚀电化学测试电解池、前端管路和后端管路组成;所述弯头局部腐蚀电化学测试电解池由管路弯头、丝状工作电极体系、丝状辅助电极体系和丝状参比电极体系组成;其中丝状工作电极体系由丝状工作电极、绝缘外套和电缆组成,丝状工作电极材质与管路弯头材质相同;丝状辅助电极体系由丝状辅助电极、绝缘外套和电缆组成;丝状参比电极体系由丝状参比电极、绝缘外套和电缆组成。本发明适用于海水管路弯头局部腐蚀电化学行为测试、分析弯头不同部位局部腐蚀速率差异和海水流速对弯头局部腐蚀速率影响,找出管路弯头腐蚀薄弱点,为海水管路弯头设计选材和综合防护提供技术支撑。

标签:
化学分析
山东 - 青岛 来源:中冶有色网 2023-03-19
瞬变电磁探测地下遗弃化学武器的方法

本发明公开了一种瞬变电磁探测地下遗弃化学武器的方法,步骤包括:划定探测区域,划分探测单元;设计发射线圈和接收线圈,分别与瞬变电磁仪连接,用于发射一次脉冲电磁场和接收二次感应涡流电磁场;测量背景场,得到背景场数据;在探测区域实施探测,得到实测数据;对比分析所得数据,观察是否存在异常值;如果存在,则在所述探测单元内重新设计发射线圈和接收线圈,利用得到的小线框开展精细探测,将所述探测结果绘制成图像,得到所述化学武器的位置;然后实施挖掘。本发明能有效探测埋藏在地下且具有金属外壳的化学武器,且灵敏度较高;本发明所述的探测方法是非接触式的,可以保护施工、探测人员的人身安全;而且采集数据快,工作效率高。

标签:
化学分析
江苏 - 徐州 来源:中冶有色网 2023-03-19
基于混沌与强化学习的交通流预测的并行方法

本发明提出一种基于混沌与强化学习的交通流预测的并行方法。包括:1.对数据进行预处理和混沌分析,通过混沌模型生成对比混沌时间序列,进行重构,标准化及数据集划分;2.使用预处理后的数据进行强化学习训练和对比环境的构造;3.构造actor‑critic神经网络模型进行智能体策略的学习和行为价值的判断;4.并行框架下从进程产生多个训练模型与环境进行互动,通过与主进程的中央神经网络模型的离散度对比和奖励实现并行更新,最后主进程进行预测验证。本发明采用强化学习和混沌时间序列对交通流进行预测,比传统统计学预测方法具有更强的解释性和在线调整的学习能力;并行的强化学习更快速地学习和调整,产生最佳的预测结果。

标签:
化学分析
黑龙江 - 哈尔滨 来源:中冶有色网 2023-03-19
深海多通道腐蚀电化学原位测试装置及其测试方法

本发明提供一种深海多通道腐蚀电化学原位测试装置及其测试方法,属于深海环境中金属与有机涂层涂覆材料腐蚀电化学原位自动测试领域,该装置采用油田测井用高压密封技术,将电源、精密模拟与数字电路、存储器以及电化学传感器等功能元件密封于耐压壳体内,形成黑匣子式的深海腐蚀电化学工作站,在深达3000米海水中而进行电化学测试,实现腐蚀电位/电流、恒电位极化、循环伏安曲线及交流阻抗等各类测量数据按照设定的频次进行采集和存储。本发明结构简单紧凑,可扩展性高,可同时进行多种金属或有机涂层涂覆试样深海环境下的原位电化学测试;布放与回收操作简单,独立电源,耐高压、体积小,可与任何其他形式的深海装置结合或进行搭载,工作寿命长。

标签:
化学分析
山东 - 青岛 来源:中冶有色网 2023-03-19
易制毒化学品从业人员的风险监测方法

本发明公开了易制毒化学品从业人员的风险监测方法,包括S1、易制毒化学品企业定期向公安机关提交从业人员的资料;S2、公安机关根据从业人员的背景信息对该备案申请进行审批,若审批通过进入步骤S3,若审批不通过,通过发短信给申请企业,提醒易制毒化学品企业重新修改提交从业人员信息;S3、逐一建立易制毒化学品企业的从业人员的画像,完成后进入步骤S4;S4、定期通过从业人员风险监测模型对易制毒化学品从业人员库的从业人员进行分析与评估,并逐一对从业人员的风险进行评分,若某个从业人员的评分超过阈值,进入步骤S5,反之,则结束本次操作;S5、向易制毒化学品企业的从业人员的管辖地派出所或者户籍地派出所推送预警信息。

标签:
化学分析
北京 - 北京 来源:中冶有色网 2023-03-19
环境地球化学基线的测试方法

本发明公开了一种环境地球化学基线的测试方法,其技术方案要点是其步骤为:(1)划分设定研究区;(2)对于研究区进行样品采集;(3)对于采集的样品进行加工;(4)对于加工后的样品进行分析;(5)对于分析出的数据进行数值计算。本发明的一种环境地球化学基线的测试方法快速简便,且计算精度高,应用范围广。

标签:
化学分析
浙江 - 杭州 来源:中冶有色网 2023-03-19
基于强化学习的类集成测试序列生成方法

本发明公开了一种基于强化学习的类集成测试序列生成方法,属于软件测试技术领域。包括下列步骤:1)定义强化学习任务;2)程序静态分析;3)度量测试桩复杂度;4)设计奖励函数;5)设计值函数;6)生成类集成测试序列。本发明解决了目前已有的基于强化学习的类集成测试序列生成方法评估确定类集成测试序列花费的总体代价的指标不够精确的问题,为实际生产生活中测试人员开展测试工作提供了更为准确的度量方法,提升了集成测试的效率,可以更好地控制产品的质量。

标签:
化学分析
江苏 - 徐州 来源:中冶有色网 2023-03-19
利用拉曼光谱测量非化学计量比氧化膜微区应力的方法

本发明公开一种利用拉曼光谱测量非化学计量比氧化膜微区应力的方法,包括:(1)在无应力条件下,利用拉曼光谱对不同化学计量比粉体材料进行测量,建立特征拉曼峰强比R与晶格振动峰位ω0的关系曲线;(2)分析待测薄膜的拉曼光谱数据,得到特征拉曼峰强比R′和拉曼晶格振动峰位置ωp,然后根据R′的值利用关系曲线得到对应的ω’0;(3)对粉体材料进行高压拉曼实验,得到晶格振动峰位与应力之间的关系k’1;(4)代入公式σ=k’1(ωp-ω’0),得到待测薄膜的应力值。本发明可使拉曼光谱法推广到测量非化学计量比氧化膜的内应力,实现这类薄膜原位、无损的微区内应力测量,准确度较现有的拉曼光谱测量应力方法有大幅的提高。

标签:
化学分析
四川 - 绵阳 来源:中冶有色网 2023-03-19
易于放置的化学检验用闭塞试管架

本实用新型公开了一种易于放置的化学检验用闭塞试管架,包括底座、台板和伸缩柱,所述底座内部底端的中间位置安装有配重块,所述台板固定在底座的上端面,所述台板内部下端安装有缓冲垫板,所述台板内部上端安装有辉绿岩板,所述伸缩柱固定在台板上端面的中间位置,所述伸缩柱上靠近伸缩柱顶端的位置处固定有支杆,所述支杆背离伸缩柱的一端固定有滑板,所述滑板两侧滑动连接有夹板,所述夹板背离滑板的一端连接有辅助板,同一支板上所述辅助板两两之间通过紧固螺栓连接。本实用新型通过设置配重块、工具放置槽、伸缩柱和架板,具有稳固架放、灵活放置、便于夹取、伸缩调节等优点,操作简单、使用方便。

标签:
化学分析
贵州 - 贵阳 来源:中冶有色网 2023-03-19
光聚合反应中材料化学-力学参量实时追踪测试系统、方法及力学参量优化系统、方法

本发明涉及一种光聚合反应中材料化学‑力学参量实时追踪测试系统、方法及力学参量优化系统、方法,其中,光聚合反应中材料化学‑力学参量实时追踪测试系统,包括聚合转化度获取模块,粘弹性力学参量获取模块及控制模块,其与所述聚合转化度获取模块和所述粘弹性力学参量获取模块连接,以调整聚合转化度的获取时间和频率,实现聚合转化度和粘弹性力学参量的同时同步获取。本发明可实现多参量的同时同步测试不仅可以避免各参量单独测试时因样品尺寸、测试条件和采样速率等不同对实验结果造成的影响及对数据耦合分析带来的困难;另,通过一组实验得到多组数据大大节省了测试时间和资源,提高了测试效率和可靠性。

标签:
化学分析
湖北 - 武汉 来源:中冶有色网 2023-03-19
核酸分析用流动池和核酸分析装置

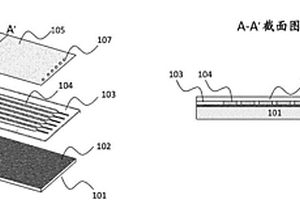
本发明提供一种核酸分析用流动池,其是用于借助能够光化学切断的核苷酸的测序反应的核酸分析用流动池,可在提高光切断反应的反应效率的同时减少荧光检测时的干扰,从而可提高确定序列的正确性,缩短操作时间,使结合碱基长度变长。本发明的核酸分析用流动池贴合有具备滤光片(102)的第一基板(101)、具有用于形成流路的中空部中空板(103)和透过第一光的第二基板(105),所述滤光片(102)反射使流路内物质的化学结构发生变化的第一光。

标签:
化学分析
其他 - 其他 来源:中冶有色网 2023-03-19
半导体器件失效分析样品制作方法以及分析方法

本发明揭露了一种半导体器件失效分析样品制作以及分析方法,采用化学试剂去除部分芯片背面的封装覆层,不暴露封装覆层内的引线,保持引线框架和引脚的完整。这样,可以同时检测芯片上多个引脚之间的功能单元和金属互连线,无须以引线为终端来检测。并且能在芯片工作的状态下进行整个芯片的检测和失效分析,大大提高了效率。此外,还能避免机械的开盖方法对芯片背面造成损害。

标签:
化学分析
上海 - 上海 来源:中冶有色网 2023-03-19
微透析采样-流动注射化学发光联用法在小分子半抗原与单克隆抗体间亲和力测定中的应用

本发明公开了在线微透析采样‑流动注射化学发光联用分析法在针对小分子半抗原的单克隆抗体的亲和力测定中的应用及其具体测定方法,该联用分析法是在非标记的条件下于均相体系中研究小分子半抗原与单克隆抗体间的亲和力,方法简单、便捷、稳定、灵敏。与现有的测定抗体亲和力的方法相比,其无需用酶等信号分子对抗体进行标记,也无需将小分子半抗原与载体蛋白偶联后用于包被,可以省去标记、偶联等繁琐工作,更重要的是可以更加客观的反映抗原与抗体间的真实结合情况,且不需要昂贵的仪器,成本较低。本发明不仅为抗体的性能评价提供了一种简单、快速、客观的分析技术手段,同时也是对微透析采样技术应用领域的新拓展。

标签:
化学分析
重庆 - 重庆 来源:中冶有色网 2023-03-19
水泥化学收缩的测试方法及测试装置

本发明涉及一种水泥化学收缩的测试方法及测试装置,该装置由玻璃量管、玻璃比重瓶、磁力搅拌器和钢珠组成,测试方法是将待测水泥试样与钢珠一起装进比重瓶,加水搅拌均匀后采用量管与比重瓶密封连接并注溶液至量管的满刻度,通过磁力搅拌器和钢珠使待测水泥浆体保持旋转,根据量管内的液面变化记录水泥浆体在不同时间的化学收缩量,该方法的特点是能在保证水泥充分完全水化的基础上实时监测水泥的化学收缩变化。

标签:
化学分析
上海 - 上海 来源:中冶有色网 2023-03-19
化合物的应用、分析保护剂、植物提取物中香味成分的分析方法

本发明涉及一种化合物的应用、分析保护剂、植物提取物中香味成分的分析方法,属于化学分析测试技术领域。本发明的具有式I所示结构的化合物在抑制气相色谱活性位点吸附中的应用,式I中,R1、R2独立选自H、甲基、乙基、正丙基或异丙基,R3为C4‑C20直链烷基或带有支链的C4‑C20烷基,m为0或1,n为1或2或3。本发明的应用,将式I所示结构的化合物加入待测溶液混匀后进样,式I化合物可迅速填充气相色谱进样口、色谱柱、检测器内的活性位点,裸露在气相流路内的为直链烷基或带有支链的烷基惰性基团,不会形成新的吸附位点,从而减小气相色谱分析过程中活性位点吸附对检测结果的影响。

标签:
化学分析
河南 - 郑州 来源:中冶有色网 2023-03-19
化学品市场异常波动监测方法

本发明提供的一种化学品市场异常波动监测方法包括:获取化学品市场历史价格数据,并调整历史数据结构;截取移动时间窗口,取数据均值和变化范围,并将数据标准化;拆分历史数据集为建模数据集合和训练数据集;提取数据特征,并按不同特征组合建立监测模型;确定各模型波动统计量阈值,并通过对训练数据集的监测训练,挑选最优监测模型;获取当前化学品价格信息,并进行数据调整;利用最优监测模型,统计当前波动统计量;当波动统计量超过阈值时,对收集到的化学品价格进行贡献值分析。采用本发明中的方法能够实现对化学品市场价格波动的监测和波动因素的溯源。

标签:
化学分析
上海 - 上海 来源:中冶有色网 2023-03-19
用于探测体内组织液葡萄糖浓度信息的导电探针及电化学装置

本实用新型公开了一种用于探测体内组织液葡萄糖浓度信息的导电探针及电化学装置,包括导电探针和分析装置,导电探针包括至少一组电极,电极至少包括工作电极和对电极,以及与工作电极相接的葡萄糖激励酶载体。分析装置与电极相连。使用导电探针将葡萄糖激励酶注入皮肤真皮层,激励组织液中葡萄糖,使葡萄糖氧化产生电流信号,并通过导电探针的电极传感器将电流信号传递给分析装置,分析装置通过分析电流信号的大小,获得待测部位皮肤真皮层中组织液葡萄糖浓度信息。本实用新型具有方法简单易操作等优点。

标签:
化学分析
浙江 - 杭州 来源:中冶有色网 2023-03-19
上一页 1987 1988 1989 1990 1991 ... 2000 ... 2305 下一页
共2305页    到第

中冶有色为您提供最新的有色金属化学分析技术理论与应用信息,涵盖发明专利、权利要求、说明书、技术领域、背景技术、实用新型内容及具体实施方式等有色技术内容。打造最具专业性的有色金属技术理论与应用平台!

全国热门有色金属设备推荐
展开更多 +
全国热门有色金属技术推荐
展开更多 +

 

江西省隆恩特环保设备有限公司
宣传

报名参会
更多+

报告下载

有色专家
更多+

北京科技大学
教授
中国矿业大学
副院长/教授
辽宁忠旺集团
教授级高工
江西省科学院应用化学研究所
副主任/副研究员
中南大学
院长/教授
赤泥综合利用研究报告2025
推广

热门技术
更多+

推荐企业
更多+

福建省金龙稀土股份有限公司
宣传

发布

在线客服

公众号

电话

顶部
咨询电话:
010-88793500-807