青岛垚鑫智能科技有限公司
宣传

位置:中冶有色 >

有色技术频道 >

> 化学分析技术

分类:
全部
矿山技术
冶金技术
材料制备及加工技术
环境保护技术
分析检测技术
 
全部
物理检测技术
化学分析技术
力学检测技术
无损检测技术
失效分析技术
环境检测技术
地区:
全部
北京
天津
上海
重庆
河北
山西
辽宁
吉林
黑龙江
江苏
浙江
安徽
福建
江西
山东
河南
湖北
湖南
广东
海南
四川
贵州
云南
陕西
甘肃
青海
内蒙
广西
西藏
宁夏
新疆
其他
其他
展开
 
全部

有色金属化学分析技术理论与应用

免费发布技术信息>>
化学发光测定装置以及测定方法

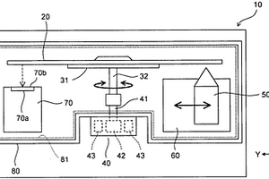
本发明涉及化学发光测定装置以及测定方法,可以提高化学发光测定的精度,并且,可以使盒体内的化学反应稳定。化学发光测定装置(10)具有支承部件(31)、电机(40)以及受光部(70a),所述支承部件对用于通过化学发光测定来测定样本中含有的待测物质的盒体(20)进行支承,为了在盒体(20)内推进化学发光测定所需的处理,所述电机使支承部件(31)旋转以使盒体(20)旋转,所述受光部用于接收由在盒体(20)内产生的化学发光得到的光,所述盒体由利用电机(40)使其旋转的支承部件(31)支承。受光部(70a)的受光面(70b)以及由支承部件(31)支承的盒体(20)配置在被遮光部(80)包围的暗室(81)内,电机(40)配置在暗室(81)的外部。

标签:
化学分析
其他 - 其他 来源:中冶有色网 2023-03-19
针对化学除磷剂处理城市污水后总磷的ICP测定方法

一种针对化学除磷剂处理城市污水后总磷的ICP测定方法,包括:钼锑抗光度法分析期间,在对凯氏烧瓶中的混合剂运用微波升温设备升温时,执行如下步骤:步骤2‑1:经由微波升温设备的电源对铜丝相连的磁控管供电,以此对里面的凯氏烧瓶执行微波辐射升温;还有效避免了现有技术中化学除磷剂处理城市污水中的磷元素后用ICP测定方法测定期间对凯氏烧瓶中的混合剂运用微波升温设备升温后卡取件在对凯氏烧瓶执行卡接之际会发生卡接不牢、会让混合剂迸出而对周边环境造成污损和侵蚀的缺陷。

标签:
化学分析
内蒙 - 包头 来源:中冶有色网 2023-03-19
铝基复合脱氧造渣剂中单质铝的化学测定方法

本发明涉及一种铝基复合脱氧造渣剂中单质铝的化学测定方法,属于分析化学技术领域,该方法利用一定浓度的三氯化铁溶液溶解试样中单质铝,单质铝被氧化为氯化铝,然后过滤,将不反应的样品分离,稀释到规定体积,采用EDTA容量法测定。本方法具有较高的精度和准确度,可准确测定铝基复合脱氧造渣剂中单质铝的含量。

标签:
化学分析
内蒙 - 包头 来源:中冶有色网 2023-03-19
原油中金属钒含量的电化学测定方法

一种原油中金属钒含量的电化学测定方法,采用碳纳米管糊电极作为工作电极,采用pH2.70含有4-(2-吡啶偶氮)-间苯二酚(PAR)和溴酸钾(KBrO3)的H2SO4溶液作为底液,采用循环伏安法或线性扫描伏安法对原油中的钒含量进行测定,原油样品经过高温氧化灼烧后制备成样品溶液,由于碳纳米管的强吸附能力,电化学测定时无需对样品进行预富集,本发明中金属钒(V)离子先与PAR生成配合物,该配合物在KBrO3存在下在碳纳米管糊电极表面产生催化还原波,提高了测定的灵敏度,该方法具有灵敏度高、选择性好、分析速度快、仪器设备价格低廉等优点。

标签:
化学分析
陕西 - 西安 来源:中冶有色网 2023-03-19
白头翁汤多组分化学成分含量测定方法

本发明公开了一种白头翁汤多组分化学成分含量测定方法,具体是利用HPLC‑MSMS分析法,分别建立白头翁皂苷B4、B5、D、A3、黑海常春藤皂苷A1、α‑常春藤皂苷、秦皮甲素、秦皮乙素、秦皮素、黄柏碱、盐酸巴马汀、盐酸黄连碱、盐酸小檗碱的标准曲线,测定煎煮法提取白头翁汤样品,制定标准曲线,测定13种化学成分的含量,为白头翁汤及其相关制剂的质量控制提供科学依据。

标签:
化学分析
广西 - 南宁 来源:中冶有色网 2023-03-19
探测体内组织液葡萄糖浓度信息的电化学方法及其装置

本发明公开了一种探测体内组织液葡萄糖浓度信息的电化学方法及其装置,使用导电探针将激励酶注入皮肤真皮层,激励组织液中葡萄糖,使葡萄糖氧化产生电流信号,并通过导电探针的电极传感器将电流信号传递给分析装置,分析装置通过分析电流信号的大小,获得待测部位皮肤真皮层中组织液葡萄糖浓度信息。本发明具有方法简单易操作等优点。

标签:
化学分析
浙江 - 杭州 来源:中冶有色网 2023-03-19
基于无线充电RFID与传感器网络化学品的安全监测系统

本实用新型公开了一种基于无线充电RFID与传感器网络化学品的安全监测系统,包括上位机和仓库协调器,所述仓库协调器通过串口与上位机连接,还包括无源电子标签、多个RFID模块以及与RFID模块数量相同的ZigBee节点,每个RFID模块对应连接一个ZigBee节点;所述ZigBee节点包括无线充电发射端模块、无线充电接收端模块、升压模块、降压模块、控制器和无线通讯模块、RS232串口模块、以及传感器模块;本实用新型提高了危险化学物品管理的工作效率,且具有实时监测、收集并分析数据的能量,可有效降低了事故发生概率。

标签:
化学分析
广东 - 广州 来源:中冶有色网 2023-03-19
基于联邦强化学习的异构软件缺陷预测算法研究

本发明为一种基于联邦强化学习的异构软件缺陷预测方法;该方法首先使用主成分分析法(Principal Component Analysis,PCA)进行数据降维。中心服务器初始化全局参数发送给所有参与方,参与方将该全局参数作为本地强化学习dueling Deep Q Network(dueling DQN)模型的初始参数。所有参与方使用降维数据和上轮全局参数来更新本地dueling DQN模型,中心服务器随机选择参与方,选中的参与方将本地模型参数加入高斯噪声进行差分隐私加密。使用K‑means对选中的参与方进行聚类,通过本地聚合与全局聚合形成全局模型发送给所有参与方。当通信次数到达最大通信轮次或本地dueling DQN模型已经收敛,输出预测结果。本发明在保证数据隐私安全前提下通过结合多方数据模型,有效的提高了异构软件缺陷的预测效果。

标签:
化学分析
黑龙江 - 哈尔滨 来源:中冶有色网 2023-03-19
热化学储能测试装置及测试方法

本发明公开热化学储能测试装置及测试方法,测试装置包括太阳能集热器、热储罐、储能反应器、释能反应器、冷储罐、冷凝器、蒸发器、循环泵以及自动温控装置。太阳能集热器的出口管连接热储罐的进口,高温的传热流体从热储罐底部出口管流入储能反应器,进入不锈钢网筒包裹的CaO/Ca(OH)2颗粒床层中的换热盘管,换热盘管出口接冷储罐,循环泵位于冷储罐的出口管和太阳能集热器的进口管间。本装置能够有效利用太阳能驱动热化学储能反应,实现太阳热能的储存和化学能的释放,并对能量的储/释速率进行测试。本发明具有储能密度高,能量品质高,测试操作简便,成本低且分解产物储存容易的优点。

标签:
化学分析
广东 - 广州 来源:中冶有色网 2023-03-19
用于多水样同时测定的微生物电化学电池

本实用新型属于水质监测技术领域,涉及一种用于多水样同时测定的微生物电化学电池,包括套筒和套装在套筒内的中间隔膜,中间隔膜的中部套装空心圆柱形的阴极,阴极与中间隔膜之间的区域为阴极室,中间隔膜和套筒之间的环形区域沿径向均匀固定安装有两个及两个以上将环形区域均匀分隔为多个独立阳极室的隔板,每个阳极室均固定安装有阳极,每个阳极室的阳极与阴极之间连接有外接电路,解决传统用于水质测定的微生物电化学电池同时测定多个水样时阴极占用空间大、多个水样测定环境差异大,不利于对比分析的问题。

标签:
化学分析
重庆 - 重庆 来源:中冶有色网 2023-03-19
试剂化合物预测模型的构建方法、化学反应试剂自动预测补全的方法与装置

本发明公开了一种试剂化合物预测模型的构建方法、化学反应试剂自动预测补全的方法与装置。该模型构建方法通过将试剂化合物采用SMILES形式的字符序列表示,生成试剂化合物限制数据表;将化学反应式采用SMILES形式的字符序列表示;将化学反应式SMILES数据删除存在于试剂化合物限制数据表中的试剂化合物的SMILES数据后作为输入数据项,并把删除的试剂化合物的SMILES数据作为目标数据项;通过人工智能的深度学习,生成最接近目标数据项的输出数据项补充到化学反应式中,输入到反应预测模型,若预测的产物和原反应产物一致,则输出数据项为预测的试剂化合物。通过该模型自动预测补全化学反应试剂。

标签:
化学分析
上海 - 上海 来源:中冶有色网 2023-03-19
用于测量水中的氯化合物含量的电化学测量池

本发明涉及一种用于测量水中的氯化合物含量的电化学测量池,该电化学测量池具有:容纳电解质的电解质室(2);界定所述电解质室的测量电极(3);基准电极(5);以及对置电极(4)。所述电化学测量池的特征在于所述测量电极(3)是刚性多孔铂膜,具有0.15μm至0.25μm的孔大小,其产生与电解质和水的接触。

标签:
化学分析
其他 - 其他 来源:中冶有色网 2023-03-19
光学分析系统及光学分析方法

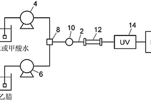
本公开所涉及的光学分析系统(1)具备:照射部(11),在合成第一原料(A)和第二原料(B)而得到产物(AB)的化学反应系统(30)中,向合成开始前的第一原料(A)和第二原料(B)分别照射照射光(L1),并且向合成开始后的混合物(C)照射照射光(L1);检测部(12),检测包含与第一原料(A)、第二原料(B)及混合物(C)各自的分光光谱有关的信息的测定光(L2);以及运算部(22),计算第一原料(A)、第二原料(B)及混合物(C)各自的分光光谱,并计算产物(AB)的分光光谱。

标签:
化学分析
其他 - 其他 来源:中冶有色网 2023-03-19
地表水化学监测模块
地表水化学监测模块 1199     
 0

本实用新型提供一种地表水化学监测模块,涉及地表水监测技术领域,包括承重底板,承重底板的顶面居中出连接有支撑架,支撑架的顶面设置有升降电机,支撑架的侧面靠近顶面处设置有水质分析仪,水质分析仪的一侧设置有绕管器,采用在承重底板的底面设置有滚轮,且在承重底板的表面位于滚轮的周围设置有限位筒,且在限位筒的内部螺纹连接稳定栓,通过滚轮可以便于移动本装置,同时设置有限位筒和稳定栓,通过向下旋转稳定栓可以对本装置进行支撑,通过升降电机控制螺杆转动,进而可以控制探杆进行升降,可以便于将抽样管的一端深入水中进行取样,通过升降电机还可以对地表水不同深度的水进行取样,使得取样的水标本具有多样化,更加具有信服力。

标签:
化学分析
湖北 - 武汉 来源:中冶有色网 2023-03-19
生物电化学系统在线毒性监测装置与监测方法

生物电化学系统在线毒性监测装置与监测方法,属于水体监测技术领域。解决了如何提供一种能够对水体毒性实现灵敏、快速、低成本、准确监测的装置与方法的问题。本发明的监测装置,包括水样脱氧罐、清洗液脱氧罐、输送控制单元、采集装置、计算机和废液桶;其中,PLC通过第一电磁阀和第二电磁阀控制生物电化学系统的水流取自水样脱氧罐还是清洗液脱氧罐,水流通过蠕动泵提供动力,挤入生物电化学系统,生物电化学系统排出的废水进入废液桶,采集装置采集生物电化学系统的电信号,并将电信号输送至计算机显示并存储。该监测装置能够实现对水体毒性灵敏、快速、低成本、准确监测。

标签:
化学分析
吉林 - 长春 来源:中冶有色网 2023-03-19
分析物传感器模块和分析物传感器系统

提供一种分析物传感器模块和分析物传感器系统。分析物传感器模块包括底座和功能组件,功能组件包括化学检测元件和电极触点,底座包括安装部,安装部安装功能组件,底座具有彼此不连通的避让部和接合部,接合部用于连接与电极触点电连接的电处理模块,避让部用于容纳为电处理模块供电的电池,避让部和接合部为贯通的孔,安装部、避让部和接合部在垂直于分析物传感器模块的厚度的平面内排布,底座为单个零件,底座的位于安装部、避让部和接合部三者之间的部分将安装部、避让部和接合部连成整体。底座的具有多处被镂空的部分,重量轻,节省了材料,有利于分析物传感器模块的轻量化。

标签:
化学分析
江西 - 上饶 来源:中冶有色网 2023-03-19
马尿酸类分析用的分离管柱、马尿酸类分析用的液相色谱仪、以及马尿酸类的分析方法

马尿酸类分析用的分离管柱(12)是填充有填充剂的分离管柱,所述填充剂中123μmol/g以上的β‑环糊精化学键结于二氧化硅基材。通过使用使123μmol/g以上的β‑环糊精化学键结于二氧化硅基材的物质作为分离管柱(12)的填充剂,即使不使用含有环糊精的流动相,也能够实现马尿酸、邻甲基马尿酸、间甲基马尿酸、对甲基马尿酸、苦杏仁酸分离的分离。

标签:
化学分析
其他 - 其他 来源:中冶有色网 2023-03-19
坡地径流及水化学指标综合测定方法

本发明公开了一种坡地径流及水化学指标综合测定方法。一、建立一个坡地径流及水化学指标综合测定装置,包括水管、圆环、圆柱体或半球体外壳、翻斗式雨量计、圆盘、金属网、立方体外壳、漏斗、90°弯管、水平PVC管、三通、倒U型管、活动堵头、变径管头、集水瓶、圆盘底座和内螺纹。二、坡地径流量通过水管引入翻斗式雨量计中,盛满计量水后,自动翻滚,使得废水经过金属网、漏斗、90°弯管、PVC管、三通和倒U形管而进入集水瓶内,以备后续水质测定和分析,打开三通处的活动堵头,直接插入电导率计而实现水温和电导率的实时测量。本发明把坡地径流的收集和水样测定组合为一个整体,测量系统全面,提高了采集和测量的准确度。

标签:
化学分析
广西 - 桂林 来源:中冶有色网 2023-03-19
基于深度强化学习的土壤重金属含量预测方法及系统

本发明提供了一种基于深度强化学习的土壤重金属含量预测方法及系统,进行数据准备,包括对原始的数据集进行预处理,所述数据集包括土壤重金属含量数据和相应经纬度数据、海拔数据;使用深度强化学习模型对土壤重金属数据的特征进行提取,对每个采样点的反距离加权算法超参数进行学习和训练;使用回归支持向量机对学习到的最优超参数进行处理,并构建土壤重金属含量特征分布模型;将插值点数据输入到分布模型中得到相应的超参数,作为插值点的特征值,然后使用得到的特征值对插值点分别进行反距离加权插值,最终得到插值点的重金属含量预测值。本发明在低密度样本采集区域对区域中的各个地点的土壤重金属含量进行较为精准的分析和预测。

标签:
化学分析
湖北 - 武汉 来源:中冶有色网 2023-03-19
甲型肝炎病毒IGM抗体化学发光免疫测定试剂盒及其制备方法

本发明涉及免疫分析医学领域,具体地,本发明提供了一种甲型肝炎病毒IGM抗体化学发光免疫测定试剂盒及其制备方法。根据本发明的试剂盒包括:1)甲型肝炎病毒IGM抗体阴、阳性对照品;2)包被的固相载体;3)甲型肝炎病毒抗原液;4)酶标记物;5)化学发光底物;以及6)浓缩洗涤液。进一步,根据本发明制备上述试剂盒的方法包括以下步骤:1)以甲型肝炎病毒IGM抗体阴、阳性血清制备对照品;2)以抗人-Μ链抗体(单抗或多抗)包被固相载体;3)以甲型肝炎病毒抗原制备抗原液;4)以酶标记甲型肝炎病毒抗体(单抗或多抗);5)配制化学发光底物液;6)制备浓缩洗涤液;7)分装上述甲型肝炎病毒IGM抗体阴、阳性对照品、甲型肝炎病毒抗原液、酶标记物、化学发光底物及浓缩洗涤液;以及8)组装为成品。本发明的试剂盒具有简便、快速、灵敏、稳定等优点。

标签:
化学分析
北京 - 北京 来源:中冶有色网 2023-03-19
通过稀释方法测量高浓度CO的电化学传感器装置

本发明涉及有毒有害气体监测领域,为通过稀释方法测量高浓度CO的电化学传感器装置,由第一电磁阀、换气腔室和CO传感器、第二电磁阀、过滤器和气阻、第三电磁阀、压力传感器、第四电磁阀、干式真空泵配接组成。该装置具有如下创新点:(1)该装置通过稀释方式可在线监测浓度高于10%的CO气体,而传统的电化学传感器只能在线监测小于10%的CO气体;(2)仪器体积较小,只有100mm×44mm×80mm,小于市售传感器尺寸,满足特殊部位的测量要求;(3)测量时长小于5分钟,小于通过取样后进行气相色谱分析所用时间。

标签:
化学分析
新疆 - 乌鲁木齐 来源:中冶有色网 2023-03-19
气体化学与稀有气体同位素组成同时测量装置及其方法

本发明涉及一种气体化学与稀有气体同位素组成同时测量装置,该装置包括稀有气体质谱仪系统、四极质谱仪、设有主管线的高真空系统、冷阱和海绵钛炉。所述主管线分别连有真空管线Ⅰ、真空管线Ⅱ、真空管线Ⅲ;所述真空管线Ⅰ的末端与所述稀有气体质谱仪系统相连;所述真空管线Ⅱ的末端分别连有真空管线Ⅳ、真空管线Ⅴ;所述真空管线Ⅳ的末端与所述四极质谱仪相连;所述真空管线Ⅴ的末端与所述海绵钛炉相连;所述真空管线Ⅲ经所述冷阱连有进样口。本发明还公开了该气体化学与稀有气体同位素组成同时测量的方法。本发明一次进样,测量结果全面,不但校正了气体采样和运输过程中混入的空气干扰,而且校正了样品转移到仪器分析过程中混入空气的干扰。

标签:
化学分析
甘肃 - 兰州 来源:中冶有色网 2023-03-19
以水为载流的原子荧光分析方法及分析装置

本发明以水为载流的原子荧光分析方法及装置,属于分析化学领域的原子荧光分析,该方法包括取样输液、试液和还原剂在反应器中反应、待测元素原子化和荧光检测等步骤,且在常规的取样输液过程中,用水替代HCl和还原剂做载流,使试液和试剂被水载带推送至反应器中完成反应。本发明以水为载流,有效的克服了记忆效应,提高了测定灵敏度和准确度,同时节省了大量高纯HCl和还原剂NaBH4,分析成本大幅度降低,操作环境也得到显著改善,是原子荧光分析技术的创新。

标签:
化学分析
重庆 - 重庆 来源:中冶有色网 2023-03-19
在线测量润滑界面摩擦化学性能的方法

本发明涉及一种在线测量润滑界面摩擦化学性能的方法,其包括以下步骤:提供一润滑界面和频信号测量装置,该润滑界面和频信号测量装置中球与棱镜的一个直角面形成一对摩擦副;和频系统的两束光分别从棱镜的另一个直角面入射,经折射后会聚于棱镜和球的接触点,从而产生和频光;所述和频光经所述棱镜斜表面折射和后续反射镜反射后进入单色仪,用于分析摩擦过程中产生的化学变化。

标签:
化学分析
北京 - 北京 来源:中冶有色网 2023-03-19
化学抛光槽液中硝酸的快速测定方法

本发明公开了一种化学抛光槽液中硝酸的快速测定方法,其特征在于用硫酸亚铁溶液对配制的“标准硫酸‑硝酸溶液”和“硫酸、硝酸、磷酸三酸混合化学抛光槽液”分别进行滴定,用它们消耗的硫酸亚铁溶液毫升数的比值,便可计算出化学抛光槽液中硝酸的含量。优点在于:分析时间短,结果准确可靠,测定的下限为0.5%。

标签:
化学分析
贵州 - 黔南布依族苗族自治州 来源:中冶有色网 2023-03-19
测量油脂氧化诱导时间的电化学方法

一种测量油脂氧化诱导时间的电化学方法,包括以下步骤,电沉积还原石墨烯悬浮液制备了石墨烯修饰电极;将待测油脂用支持电解质溶液稀释,将稀释液加入电解池中,组成三电极系统(工作电极为石墨烯修饰电极、对电极为铂片电极、参比电极为甘汞电极)调节扰动电压和频率,测量并记录交流阻抗谱;通过阻抗谱的等效电路求出溶液的阻抗值;通过双切线法即可准确地求得油脂的氧化诱导时间。该方法制备的石墨烯修饰玻碳电极可快速准确地测量油脂氧化过程中阻抗值的变化,从而建立了一种简便、灵敏和准确地测量油脂氧化诱导时间的电化学分析方法。

标签:
化学分析
江苏 - 无锡 来源:中冶有色网 2023-03-19
三价铁含量的电化学测定方法

一种三价铁含量的电化学测定方法,采用电化学三电极测试系统和恒电流阳极溶出微分 计时电势法进行测定,其特征是三价铁经盐酸羟胺还原、1,10-邻二氮杂菲螯合形成螯合物 Fe-[(C12H8N2)3]2+萃取到碳酸丙烯酯有机溶剂中并富集于金工作电极表面,通过记录工作电极 上电势E随测试时间T的变化函数并进行微分处理得到dT/dE→E的微分曲线,根据微分曲 线上阳极溶出电位为+400mV~+500mV时产生的铁响应峰的高度dT/dE(s V-1)计算三价铁含 量。本发明工艺简单、操作方便、灵敏度高、运行成本低,可对天然水质中微量或痕量三价 铁进行分析测试。

标签:
化学分析
安徽 - 合肥 来源:中冶有色网 2023-03-19
储能用电化学电池充放电电流监测系统及监测方法

本发明公开了一种储能用电化学电池充放电电流监测系统及监测方法,它包括直流母线,发电单元和供电单元,发电单元、供电单元和储能单元通过直流母线互相连接;所述储能单元包括储能用电化学电池、储能用电化学电池与储能用电化学电池充放电电流监测装置导线连接;储能用电化学电池充放电电流监测装置与双向DCDC变换器连接;解决了现有技术的储能用电化学电池进行充放电时,放电电流较大,但充电电流不大,大概几十安培,尤其是浮充电流,仅仅几安培甚至几百几十毫安。因此,仅仅依靠一种测量元件难以满足这样宽测量范围的精度要求,而且单一测量元件可靠性较差难以满足风电场、光伏电站等对充放电电流实时监测的要求等技术问题。

标签:
化学分析
贵州 - 贵阳 来源:中冶有色网 2023-03-19
终点探测装置和化学机械研磨装置

本实用新型提出了终点探测装置和化学机械研磨装置,用于探测3D晶圆的保留厚度,终点探测装置包括光源发射器、分光仪和位于光源发射器和分光仪之间的棱镜组;由光源发射器发射出红外线,经由棱镜组到达3D晶圆的表面,3D晶圆表面和内部反射出的红外线再经由棱镜组到达分光仪上,并通过分析分光仪上的光线能够实时得出3D晶圆的保留厚度;所述化学机械研磨装置包括内部设有终点探测装置的研磨盘、研磨垫和晶圆承载装置,晶圆承载装置位于研磨垫上表面,将终点探测装置嵌入至机械研磨装置的研磨盘中,能够由终点探测装置实时监测出3D晶圆的保留厚度,能够提高控制精准度,降低重新研磨的频率。

标签:
化学分析
北京 - 北京 来源:中冶有色网 2023-03-19
水体化学需氧量的测定方法

本发明涉及一种水体化学需氧量的测定方法,包括:(1)按照行标HJ/T399-2007进行制样和消解;(2)用微波处理步骤(1)所得的样品;(3)调节步骤(2)所得样品的pH值,过滤;(4)用元素形态分析方法测定步骤(3)所得样品的六价铬离子浓度;(5)计算化学需氧量。本发明的方法适用于生产、生活、市政用水及废水等各种低浓度CODCr样品的测定,特别适用于CODCr预测值小于20mg/L的样品的高精度快速测定。

标签:
化学分析
北京 - 北京 来源:中冶有色网 2023-03-19
上一页 1984 1985 1986 1987 1988 ... 2000 ... 2305 下一页
共2305页    到第

中冶有色为您提供最新的有色金属化学分析技术理论与应用信息,涵盖发明专利、权利要求、说明书、技术领域、背景技术、实用新型内容及具体实施方式等有色技术内容。打造最具专业性的有色金属技术理论与应用平台!

全国热门有色金属设备推荐
展开更多 +
全国热门有色金属技术推荐
展开更多 +

 

江西省隆恩特环保设备有限公司
宣传

报名参会
更多+

报告下载

有色专家
更多+

东北大学
院长/教授
郑州大学
校长/党委书记
江西理工大学
副校长/教授
赣州有色冶金研究所有限公司
副主任/高级工程师
北京科技大学
副院长/教授
赤泥综合利用研究报告2025
推广

热门技术
更多+

推荐企业
更多+

福建省金龙稀土股份有限公司
宣传

发布

在线客服

公众号

电话

顶部
咨询电话:
010-88793500-807