青岛垚鑫智能科技有限公司
宣传

位置:中冶有色 >

有色技术频道 >

> 化学分析技术

分类:
全部
矿山技术
冶金技术
材料制备及加工技术
环境保护技术
分析检测技术
 
全部
物理检测技术
化学分析技术
力学检测技术
无损检测技术
失效分析技术
环境检测技术
地区:
全部
北京
天津
上海
重庆
河北
山西
辽宁
吉林
黑龙江
江苏
浙江
安徽
福建
江西
山东
河南
湖北
湖南
广东
海南
四川
贵州
云南
陕西
甘肃
青海
内蒙
广西
西藏
宁夏
新疆
其他
其他
展开
 
全部
南京
无锡
徐州
常州
苏州
南通
连云港
淮安
盐城
扬州
镇江
泰州
宿迁

江苏无锡有色金属化学分析技术理论与应用

免费发布技术信息>>
应用于CO2测量的气体流通池

本实用新型提供了一种应用于CO2测量的气体流通池,涉及环境检测技术领域,包括快插接头、CO2传感器、气体流通池底座、检测罩和气体流通池壳体;气体流通池底座为矩形平面;CO2传感器设置于底座上;气体流通池内部设置有两个中空的圆柱管道和检测罩;检测罩密封覆盖于CO2传感器的传感面;两个圆柱管道的上端密封,下端与检测罩连通;1个圆柱管道与1个快插接头连通;快插接头可拆卸固定于气体流通池壳体一侧侧壁;气体流通池壳体盖于底座上。本实用新型提供的引用于CO2测量的气体流通池,有效解决了电化学传感器在检测气体环境时气体所处环境不稳定的问题,气密性良好,传输数据精确稳定。

标签:
化学分析
江苏 - 无锡 来源:中冶有色网 2023-03-19
同步测定细菌多糖中多糖和磷含量的定量核磁方法

本发明公开了一种同步测定细菌多糖中多糖和磷含量的定量核磁方法,属于医药工程领域。本发明以六甲基磷酰三胺作为定量1H‑和31P‑NMR法的内标物,定量1H‑NMR法中的定量峰为六甲基磷酰三胺中六个甲基信号(化学位移为2.58和2.60ppm);定量31P‑NMR法的定量特征峰为六甲基磷酰三胺中磷信号(化学位移为29.93ppm)。本发明可用于b型流感嗜血杆菌、肺炎链球菌荚膜多糖中多糖和磷含量的同步检测。本发明中检测液多糖浓度为5‑40mg/mL,依据定量峰积分值计算多糖和磷含量。本发明“一内标双定量”NMR法在检测含量的同时可鉴定多糖结构,操作简单,成本低,测试准确,无需对比品,测试时间短,样品可完整回收。

标签:
化学分析
江苏 - 无锡 来源:中冶有色网 2023-03-19
可二次验证碱基信息的DNA测序方法

本发明可二次验证碱基信息的DNA测序方法涉及的是一种能够原位清除延伸标记物,能够二次验证同一个碱基位置的信息,逐个碱基鉴定未知DNA序列。该技术过程如下:1)3′端硫代修饰的测序引物与被固定的待测DNA序列进行杂交;2)加入第一次延伸反应溶液,延伸四种荧光标记的核苷酸单体,通过检测得到碱基信息;3)将2)中延伸上的核苷酸单体用酶进行切割清除;4)加入第二次延伸反应溶液,延伸荧光标记的可脱保护的硫代核苷酸单体,通过检测再次得到碱基信息;5)用化学试剂去除4)中延伸上的硫代核苷酸单体上的可脱保护基团和荧光基团;循环上述2)、3)、4)和5)所进行的过程,直到确定待测DNA中的碱基序列信息。

标签:
化学分析
江苏 - 无锡 来源:中冶有色网 2023-03-19
人类免疫缺陷病毒抗原及抗体测定试剂盒及制备方法

本发明公开了一种磁微粒化学发光法人类免疫缺陷病毒抗原及抗体测定试剂盒,其包括磁分离试剂、酶标试剂、阴/阳性对照品和定标液;磁分离试剂为磁微粒结合包被抗原/抗体;酶标试剂为检测抗原/抗体偶联碱磷酶;其中包被抗原和检测抗原均为重组抗原,包被抗体和检测抗体均为鼠单抗;定标液中包含待检抗原和抗体;磁微粒的表面为疏水性表面,其被磺酰基修饰,通过吸附作用结合抗原或抗体。本发明提供的试剂盒,既具有包被方法的抗原活性损失小的优势,又有磁微粒化学发光易洗涤、线性范围宽的优势;本发明首次将抗原损失小、反应时间短及易洗涤、线性范围宽的优点进行结合,使检验结果可以和酶免法一致,反应时间有了明显地缩短。

标签:
化学分析
江苏 - 无锡 来源:中冶有色网 2023-03-19
利用Cu诱导硅片表面COP的测试方法

本发明涉及一种利用Cu诱导硅片表面COP的测试装置及其测试方法,属于检测方法技术领域。其主要先将被测试硅片氧化,去除硅片背面氧化膜,将化学反应槽内装满甲醇溶液,依次放置铜板、硅片、铜板、电极,然后将盖子盖严,通过导线连接电极、铜板,并接通电源,用直流电在两极间通电,从化学反应槽中排出甲醇溶液,取出硅片,经干燥处理后测量硅片缺陷数量。本发明可精确地测试硅片里COP密度和分布,找出最佳单晶工艺条件,以好的灵敏度和伸缩性,高速度地对整个硅片进行测量,以此来提高器件产量和可靠性,器件成品率大幅提升。

标签:
化学分析
江苏 - 无锡 来源:中冶有色网 2023-03-19
测定胃泌素17含量的试剂盒及其使用方法

本发明公开了生物化学相关技术领域的一种测定胃泌素17含量的试剂盒及其使用方法,包括校准品、质控品、抗试剂、磁微粒试剂、发光底物;其中抗试剂异硫氰酸荧光素标记的胃泌素17包被抗体和碱性磷酸酶标记的胃泌素17标记抗体;磁微粒试剂为磁微粒与羊抗FITC连接物;本发明将化学发光技术与免疫磁微粒相结合,提供了一种接近均相的反应体系,并且采用了一步法反应模式,使得检测灵敏度、精密性大大提高、检测范围扩大,反应时间大大缩短,从开始加样到检测结果,时间少于35min,明显快于同类试剂盒;并且可以在全自动化学发光仪上同时测定多个样本,实现胃泌素17的高通量快速化测定,准确度高,特异性强,精确度和检测效率有了较大的提高。

标签:
化学分析
江苏 - 无锡 来源:中冶有色网 2023-03-19
基于原位还原、在线测定芳香族硝基化合物的方法

本发明基于制备一体化装置,实现原位还原芳香族硝基化合物,进而利用固相电极电致化学发光在线测定还原产物,属于电还原降解和电致化学发光检测领域。首先采用由聚二甲基硅氧烷(PDMS)制成的流通池,实现将还原所需的铜网和电致化学发光所需的固相电极以面对面的形式放置,并将二者之间的距离控制在1mm以内,通过这种接近的位置关系,实现将电还原和电致化学发光的电极和溶液集中于一个槽体内,然后连接铜网、Ag/AgCl、铂丝三电极体系,利用循环伏安法在负电位范围内扫描以原位还原芳香族硝基化合物,实现在铜网表面原位还原芳香族硝基化合物之后,固相电极可以直接检测到铜网表面的还原产物,而固相电极表面产生的发光可以透过铜网的孔隙被光电倍增管检测并转换为电信号。使用此法原位还原、在线检测4-硝基甲苯和2,4-二硝基甲苯,实现了微量检测。

标签:
化学分析
江苏 - 无锡 来源:中冶有色网 2023-03-19
基于多次称重获得单晶硅片切割损伤层厚度的测试方法

本发明公开了一种基于多次称重获得单晶硅片切割损伤层厚度的测试方法,它包括以下步骤:S1、对未经过腐蚀的硅片进行称重,记录硅片的初始重量m0;S2、将硅片完全浸没在腐蚀液中,腐蚀液温度控制在75~85℃;S3、每隔固定时间,将硅片取出擦拭称重,记录硅片重量mi,mi表示第i次称重重量;S4、绘制硅片重量与时间的变化图;S5、根据硅片重量变化趋势判断出硅片重量变化趋势发生变化点,记录该变化点对应的硅片重量mf;S6、计算损伤层厚度μ。本发明采用化学腐蚀方法定量分析硅片表面损伤层厚度,在太阳能电池制绒环节中,可有效去除单晶硅片表面的损伤层,同时减少制绒过程中硅料的损失。

标签:
化学分析
江苏 - 无锡 来源:中冶有色网 2023-03-19
用液相色谱法分离测定地拉罗司原料有关物质的方法

本发明属分析化学领域,本发明公开了一种用液相色谱法分离测定地拉罗司有关物质的方法,该方法以十八烷基硅烷键合硅胶为填料的色谱柱,以一定比例的无机酸盐缓冲溶液-有机相为流动相,可以定量测定地拉罗司及其有关物质的含量,从而有效控制地拉罗司的质量。本发明方法专属性强,准确度高,操作简便。

标签:
化学分析
江苏 - 无锡 来源:中冶有色网 2023-03-19
流动燃油内冰晶的光学测量方法

本发明涉及流动燃油内冰晶的光学测量方法,它包括以下步骤:将燃油管道设置在暗室的外侧;将高亮光源发射器、中空透明视镜、工业风扇、标尺与高速相机设置在暗室内,中空透明视镜与燃油管道通过连接管相连,启动高亮光源发射器与高速相机拍摄标尺,通过标尺即可折算得到每毫米物理尺寸所对应的像素数量;启动蠕动泵,向燃油管道内注水,降低燃油的温度;启动离心泵,燃油进入中空透明视镜;启动工业风扇与高亮光源发射器,启动高速相机进行高速连续拍摄;根据被测冰晶覆盖的最大像素数量,计算得到冰晶的实际物理尺寸。通过本发明的方法测量流动燃油中的冰晶,操作简易,无须采样与化学分析,具有测量过程直接、准确率高和干扰因素少等突出优势。

标签:
化学分析
江苏 - 无锡 来源:中冶有色网 2023-03-19
石墨烯/碳纳米管电极测量油脂氧化诱导时间的方法

一种石墨烯/碳纳米管电极测量油脂氧化诱导时间的方法,包括以下步骤,(1)制备了石墨烯/碳纳米管复合修饰电极;(2)将待测油脂用支持电解质溶液溶解后加入电解池中,组成三电极系统(工作电极为石墨烯/碳纳米管复合修饰电极、对电极为铂片电极、参比电极为饱和甘汞电极),(3)利用交流阻抗法测定电解池中溶液的阻抗,(4)通过双切线法即可求得油脂的氧化诱导时间。该方法制备的复合修饰电极可快速准确地测量油脂氧化过程中阻抗值的变化,从而建立了一种简便、灵敏和准确地测量油脂氧化诱导时间的电化学分析方法。

标签:
化学分析
江苏 - 无锡 来源:中冶有色网 2023-03-19
基于人工智能技术对核电站反应堆燃料元件包壳破损的判定及预测方法

本发明在元件破损判定准确性方面超越了现有的用数学物理方程计算和靠人的经验判断的方法,根据大量放射化学测试数据深度分析技术和创建新的相关转化数据方法,增强新领域知识引导数据变量和多个相关因子概念,实现了准确地对核电堆芯燃料元件破损的判定和预测,并成功解决了核电领域核燃料元件破损准确判断和预测的难题。发明了多个相关辅助变量及诸多因子,并发明了对这些辅助变量和因子的计算模型;发明了用测试数据集合对不同方法的效果差异化定量分析方法;用单一变量熵、全熵及累积和熵进行比较,用来确定更适合算法的优化方法;发明了对燃料元件破损判定的新技术方法;发明了弱化低贡献参数方法;发明了新的燃料元件破损判断和预测方法。

标签:
化学分析
江苏 - 无锡 来源:中冶有色网 2023-03-19
利用水生生物回避行为反应监测水质变化的在线水质预警监控系统及方法

本发明属于水环境监测技术领域且公开了一种利用水生生物回避行为反应监测水质变化的在线水质预警监控系统及方法,包括受试生物和生物行为传感器,所述受试生物放置于生物行为传感器内,所述生物行为传感器装有两组电极。本发明克服了理化分析不能够直接反映水质状况,尤其是未知化学物质的毒性,以及生物评估方法缺乏对于需要及时监测的突发性污染事故的实时监测和实时在线预警的缺陷,也克服了传统的水质理化分析和生物监测监预警结果滞后性的特点,实现了原位、在线和实时的在线生物监测,并且可以对水体的未知污染物进行预警,对于研究环境污染,尤其是突发性、剧烈的事故性变化具有非常重要的预警监控作用。

标签:
化学分析
江苏 - 无锡 来源:中冶有色网 2023-03-19
钢材的最负阴极保护电位的测定方法

本发明涉及一种钢材的最负阴极保护电位的测定方法,包括步骤:(1)配制试验溶液;(2)电化学测试试验:测定自腐蚀及拐点电位;(3)慢应变速率应力腐蚀试验:研究试样在试验溶液中不同阴极极化电位下的氢脆敏感性,计算氢脆系数;(4)TDS测试:步骤(3)的试验结束后取试样断口部分,测定不同极化电位试验后试样中的氢含量,并计算步骤(3)应力腐蚀试验过程中不同电位对应试样的氢渗透速率;(5)断口形貌分析;(6)数据分析:根据步骤(3)、(4)的结果,结合步骤(5)的断口形貌,绘制氢脆系数‑极化电位和氢渗透速率‑极化电位曲线,从而确定样品最负阴极保护电位。

标签:
化学分析
江苏 - 无锡 来源:中冶有色网 2023-03-19
基于近红外光谱技术的奶粉测定方法及系统

本发明涉及一种基于近红外光谱技术的奶粉测定方法及系统,其中方法包括三聚氰胺测定模型建立和待测奶粉测定,所述三聚氰胺测定模型建立包括:准备至少一种奶粉样本;利用近红外光谱采集设备获取所述奶粉样本的近红外光谱;对所述奶粉样本的近红外光谱进行预处理;采用化学计量学软件建立三聚氰胺测定模型;所述待测奶粉测定包括如下步骤:利用近红外光谱采集设备获取待测奶粉的近红外光谱;基于所述三聚氰胺测定模型预测待测奶粉中三聚氰胺的含量。采用该种方法及系统,基于近红外光谱技术进行多种奶粉测定,只需样品的光谱,无需破坏样品性状,不需要添加任何化学剂,避免了有害物质的产生,绿色环保,提高分析速度,适用于大规模推广应用。

标签:
化学分析
江苏 - 无锡 来源:中冶有色网 2023-03-19
测定根系分泌物中有机酸含量的方法

本发明公开了一种测定根系分泌物中有机酸含量的方法,属于化学分析技术领域。本发明构建了一种同时微量定量分析根系分泌物中多种有机酸的HPLC方法,首先采用水培法收集植物的根系分泌物,收集的根系分泌物进行冻干,得到根系分泌物粉末,整个收集和冻干过程所用的仪器工具溶剂等都事先进行灭菌处理,这样可以减少微生物的影响,便于长期储存。定量分析根系分泌物中有机酸时,取根系分泌物粉末溶于甲醇,静置震荡后加入无菌水,再次震荡后进行过滤,最后对滤液进行HPLC分析。本发明的HPLC方法可以同时定量12种有机酸,并在10min内测定完毕,定量限普遍低于1mg/L,适用于微量定量分析根系分泌物中的有机酸。

标签:
化学分析
江苏 - 无锡 来源:中冶有色网 2023-03-19
连铸方坯的矫直段温度预测方法

本发明涉及一种连铸方坯的矫直段温度预测方法,所述的连铸方坯的连浇炉矫直段温度预测方法包括数据采集模块、数据存储模块、数据分析模块、操作指导模块;数据采集模块采集本炉浇注的主要工艺数据,包括:浇注钢种主要化学成分、中包钢水的温度、冷却强度等参数;数据存储模块将所采集的数据进行存储,建立数据库;数据分析模块根据数据库提供的数据进行分析、对比;操作指导模块依据分析模块提供的数据,结合操作规程,根据矫直温度要求,可以调整钢水工艺参数。本发明从现场生产过程中采集的大量数据,利用数据库资源来支持精确的逻辑分析判断、根据具体钢种成分,实时推导出控制连铸方坯的连浇炉矫直段温度的操作工艺参数。

标签:
化学分析
江苏 - 无锡 来源:中冶有色网 2023-03-19
一口气多参数呼气一氧化氮测量装置

揭示了一口气多参数呼气一氧化氮测量装置,该装置利用细长管(保证在呼气采样及分析测量时气体在其中的流动为活塞流)在呼气过程中以较快速度同步收集不同呼气时间(流速)下的呼气气体,在分析时以较低流速将细长管内收集的气体通过入传感器进行分析测量;通过气路设计及对采样及测量时的气体流量比例的控制使传感器记录的NO浓度曲线与呼气流量(时间)曲线相对应,从而实现利用慢响应的电化学传感器实现对快速变化的呼气NO浓度的测量,进而根据呼气NO二室模型计算呼出气NO各个参数。

标签:
化学分析
江苏 - 无锡 来源:中冶有色网 2023-03-19
一口气多参数呼气一氧化氮测量方法和装置

揭示了一口气多参数呼气一氧化氮测量方法和装置,该装置利用细长管(保证在呼气采样及分析测量时气体在其中的流动为活塞流)在呼气过程中以较快速度同步收集不同呼气时间(流速)下的呼气气体,在分析时以较低流速将细长管内收集的气体通过入传感器进行分析测量;通过气路设计及对采样及测量时的气体流量比例的控制使传感器记录的NO浓度曲线与呼气流量(时间)曲线相对应,从而实现利用慢响应的电化学传感器实现对快速变化的呼气NO浓度的测量,进而根据呼气NO二室模型计算呼出气NO各个参数。

标签:
化学分析
江苏 - 无锡 来源:中冶有色网 2023-03-19
硼显色剂-1-(2,3,4-三羟基-4,5-二溴苯亚甲胺基)-8-羟基萘-3,6-二磺酸及制备方法与在测定微量硼的应用方法

本发明公开了一种硼显色剂-1-(2,3,4-三羟 基-4,5-二溴苯亚甲胺基)-8-羟基萘-3,6-二磺酸及制 备方法与在测定微量硼的应用方法。显色剂的化学名称为:1 -(2,3,4-三羟基-4,5-二溴苯亚甲胺基)-8-羟基萘-3, 6-二磺酸。制备方法为:将三羟基苯甲醛在醋酸介质中与溴 反应形成1,2,3-三羟基-4,5-二溴苯甲醛;采用在H- 酸水溶液中,用盐酸调节溶液pH1.4-1.5,剧烈搅拌下缓慢加 入2,3,4-三羟基-4,5-二溴苯甲醛,保持反应温度在30 -40℃,加毕后静置16小时,过滤除去上层清液,剩余粘稠 物中加入乙醇,过滤得粗品。粗品用50%乙醇水溶液洗涤至流 出液为淡黄色为止得纯品。在该试剂对硼的光度分析中,以乙 酸铵缓冲溶液为介质,形成硼配合物最大吸收峰位于430nm, 表观摩尔吸光系数达2.95×104 L.mol-1.cm- 1。该显色剂的分析方法测定硼时,具有高的灵 敏度、选择性和稳定性,在食品、环境、冶金、日用化学工业 等分析领域具有一定的应用价值。

标签:
化学分析
江苏 - 无锡 来源:中冶有色网 2023-03-19
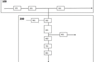
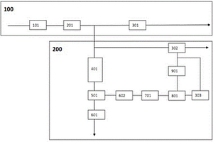
测量气体中物质浓度的装置

摘要:一种测量气体中物质浓度的装置,由活塞样品室、三通阀、电化学传感器及缓冲室组成,所述活塞样品室、三通阀、电化学传感器及缓冲室通过管路依此串联连接,其中三通阀一通路接待分析样品;所述活塞样品室用于储存待分析气体及推动气体在管路及传感器中以恒定流速往复流动;所述电化学传感器用于测量响应信号及对待测电化学活性组分进行电解;所述缓冲室用于储存气体。

标签:
化学分析
江苏 - 无锡 来源:中冶有色网 2023-03-19
镍基高温合金中铬和铁含量ICP-OES的快速测定方法

本发明涉及一种镍基高温合金中铬和铁含量ICP‑OES的快速测定方法,属于化学分析试验技术领域,用纯镍溶解后做基体,加入不同量的铬和铁的标准溶液配制校准溶液,并加入钇内标溶液,用ICP‑OES同时测定校准溶液中内标元素内标线与待测元素分析线的强度比制作校准曲线。待测试样用硝酸+盐酸+氢氟酸溶解,加入与标准溶液含量一致的钇内标溶液,再用水稀释至固定体积,将溶液引入ICP‑OES测定待测元素谱线强度,在校准曲线上求出待测元素的含量。本发明配制的校准溶液与试样溶液基体相近,消除了基体效应;并使用高精度的分析仪器,解决了化学分析操作繁琐、分析速度慢的问题,具有简单快速、准确度高和精密度高等优点。

标签:
化学分析
江苏 - 无锡 来源:中冶有色网 2023-03-19
PET显像剂前体TsOP-(+)-DTBZ及其光学异构体的分离测定方法

本发明公开了一种PET显像剂前体TsOP‑(+)‑DTBZ及其光学异构体的分离测定方法,属于分析化学领域。本发明的分离测定方法为采用Pirkle型手性固定相色谱柱,以正相混合溶剂为流动相的正相色谱法进行分离。采用本发明的方法,能简单、快速、准确地分离检测出此种PET显像剂前体及其光学异构体,有效控制前体TsOP‑(+)‑DTBZ的质量。

标签:
化学分析
江苏 - 无锡 来源:中冶有色网 2023-03-19
甲胎蛋白定量测定试剂盒

本实用新型涉及一种甲胎蛋白定量测定试剂盒,包括盒体(1),所述盒体(1)内设有固定板(2)、铝箔袋(5)和说明书(12),所述固定板(2)内分别嵌有抗体检测酶瓶(7)、底物液瓶Ⅰ(8)、底物液瓶Ⅱ(9)、洗脱液瓶(10)和校准液瓶(11);所述铝箔袋(5)内真空密封设有微孔板(3),所述微孔板(3)的上方覆盖有封板膜(4)。本实用新型甲胎蛋白定量测定试剂盒用于体外定量测定人血清中的甲胎蛋白的含量,是诊断原发性肝癌和判断预后的重要指标,对判断胎儿畸形及先天愚型也有一定的价值,使用的化学发光免疫分析法,具有操作方便、灵敏度高、准确性好、快速、效期长和无污染的特点。

标签:
化学分析
江苏 - 无锡 来源:中冶有色网 2023-03-19
基于偏振光谱和最小二乘法的中药材质量测定方法

本发明公开了一种基于偏振光谱和最小二乘法的中药材质量测定方法,涉及化学成分检测领域;该方法采用荧光光谱分析法和偏振技术相结合的实验方式,提取得到荧光偏振特征参数,再结合最小二乘法的数据处理方式得到荧光偏振特征参数与有效成分浓度之间的关系,从而对成分复杂多样的中药溶液的有效成分浓度进行预测,所得的结果准确性较高,可以准确、快速、灵敏地鉴别中药材中有效成分的含量,对中药材质量进行测定。

标签:
化学分析
江苏 - 无锡 来源:中冶有色网 2023-03-19
在水相介质中植物油氧化诱导时间的测量方法

本发明涉及一种在水相介质中植物油氧化诱导时间的测量方法,属于分析化学领域的油脂品质检测技术领域,包括:油水流动系统,油水混合系统,油水分离系统和测量系统;一定流速与体积比的植物油和缓冲溶液经油水混合系统和油水分离系统分离后的水溶液用三电极系统(工作电极为石墨烯修饰玻碳电极,参比电极为饱和甘汞电极,对电极为铂丝)测量其阻抗值,通过对阻抗‑时间曲线作双切线,交点所对应的时间即为油脂的氧化诱导时间。与现有技术相比,本发明方法不使用有机试剂,对环境无污染,操作简便,结果准确,为一种绿色环保的油脂品质检测方法。

标签:
化学分析
江苏 - 无锡 来源:中冶有色网 2023-03-19
测定甘油三酯sn-3位脂肪酸组成的方法

本发明公开了一种测定甘油三酯sn‑3位脂肪酸组成的方法,属于化学分析技术领域以及酶技术领域。本发明的方法采用sn‑3位特异性脂肪酶(如兔胃脂酶、狗胃脂酶、镰胞菌角质酶以及重组人胃脂酶等)直接水解甘油三酯以检测sn‑3位脂肪酸;利用本发明的方法检测sn‑3位脂肪酸,具有操作简单、脂质用量低、准确性较高等优势。

标签:
化学分析
江苏 - 无锡 来源:中冶有色网 2023-03-19
近红外七甲川菁染料的制备方法及其在弱极性-极性混合溶剂中荧光光谱的测试中的应用

本发明涉及一种近红外七甲川菁染料及其制备方法,和这种染料在弱极性-极性混合溶剂荧光光谱的测试中的应用,属于化工高新技术化学及生物化学分析技术领域。合成的染料具有优良的光谱性能,如斯托克斯位移大,光稳定性强,合成步骤简单。该类染料最明显的特性是在弱极性溶剂中出现双荧光峰,两峰的强度比值和溶剂的极性之间存在线性关系,可用于检测弱极性-极性两种混合溶剂体系中的体积之比。该发明不改变传统七甲川菁染料的母体结构,只对其中4型染料的取代基R1、R2和R3进行改进。

标签:
化学分析
江苏 - 无锡 来源:中冶有色网 2023-03-19
水中溶解氧的测定方法

一种水中溶解氧的测定方法,属于分析化学领域的传感器技术领域。本发明由醋酸纤维素与八乙基铂卟啉溶液配制的混合液滴涂或旋涂于玻璃载玻片上,干燥,制得氧敏感膜。水溶解氧的检测装置由氮饱和试样,氧饱和试样,蠕动泵,比色皿,荧光光度仪,记录仪组成。两个带盖杯中分别为氮气饱和和氧气饱和的待测试样,通过调节两个蠕动泵的流速来调节氮饱和与氧饱和试样的含量,待测试样通过三通阀混合形成不同溶解氧浓度的试液,最终进入含氧敏感膜的比色皿,通过荧光光度仪检测535nm激发波长下测定荧光强度,绘制Stern-Volmer曲线,测量水中溶解氧的含量。

标签:
化学分析
江苏 - 无锡 来源:中冶有色网 2023-03-19
同时测定酒花中七种黄酮类物质的方法

本发明公开了一种同时检测酒花中七种黄酮类物质的方法,属于化学分析检测领域。本发明利用反相高效液相色谱同时检测酒花中黄腐酚、异黄腐酚、6-异戊二烯基黄酮、8-异戊二烯基黄酮、六甲氧基黄酮、山奈酚3-O-芸香糖苷、槲皮素共7种物质。本发明的方法尤其适用于检测酒花中黄酮类物质含量的变化关系、检测啤酒生产过程中黄酮类物质的变化,以及考察啤酒的抗氧化功效及营养价值。本发明方法稳定性和重现性好,操作简单、准确可靠。

标签:
化学分析
江苏 - 无锡 来源:中冶有色网 2023-03-19
上一页 17 18 19 20 21 ... 39 下一页
共39页    到第

中冶有色为您提供最新的江苏无锡有色金属化学分析技术理论与应用信息,涵盖发明专利、权利要求、说明书、技术领域、背景技术、实用新型内容及具体实施方式等有色技术内容。打造最具专业性的有色金属技术理论与应用平台!

全国热门有色金属设备推荐
展开更多 +
全国热门有色金属技术推荐
展开更多 +

 

江西省隆恩特环保设备有限公司
宣传

报名参会
更多+

报告下载

有色专家
更多+

太原理工大学
院长/教授
中南大学
中国工程院 院士
昆明理工大学
校长
中南大学
教授、博士生导师
昆明冶金研究院有限公司
党委书记、执行董事
赤泥综合利用研究报告2025
推广

热门技术
更多+

推荐企业
更多+

福建省金龙稀土股份有限公司
宣传

发布

在线客服

公众号

电话

顶部
咨询电话:
010-88793500-807