青岛垚鑫智能科技有限公司
宣传

位置:中冶有色 >

有色技术频道 >

> 化学分析技术

分类:
全部
矿山技术
冶金技术
材料制备及加工技术
环境保护技术
分析检测技术
 
全部
物理检测技术
化学分析技术
力学检测技术
无损检测技术
失效分析技术
环境检测技术
地区:
全部
北京
天津
上海
重庆
河北
山西
辽宁
吉林
黑龙江
江苏
浙江
安徽
福建
江西
山东
河南
湖北
湖南
广东
海南
四川
贵州
云南
陕西
甘肃
青海
内蒙
广西
西藏
宁夏
新疆
其他
其他
展开
 
全部
沈阳
大连
鞍山
抚顺
本溪
丹东
锦州
营口
阜新
辽阳
盘锦
铁岭
朝阳
葫芦岛

辽宁大连有色金属化学分析技术理论与应用

免费发布技术信息>>
氧/碘超音速混合热流场的测试方法

本发明涉及一种氧/碘超音速混合热流场的测试方法。基于氧碘化学激光器中氧/碘超音速混合热流场的特点,采用高速摄影相机,建立了一种氧/碘超音速混合热流场的测试方法。该测试方法主要包含两部分,一部分是根据氧碘混合热流场中的光谱成分特点,通过一个滤光衰减装置,建立了一套实验测试方法;另一部分是根据氧/碘混合热流场研究的需要和由上述实验测试方法得到的图像,定义了一系列流场定量评价的参数,并由数字图像处理程序,给出了各种实验条件下的各定量参数的数值,对氧碘化学激光器中氧碘超音速混合流场的发展过程给予了定量评价。该方法结构简单、易于实现。

标签:
化学分析
辽宁 - 大连 来源:中冶有色网 2023-03-19
基于植物生长差异因子预测污染物植物-大气分配系数的方法

本发明涉及一种基于植物生长差异因子预测污染物植物‑大气分配系数的方法,用于降低监测大气中持久性有机污染物的监测成本。本发明通过研究仿生条件下和实际环境中气态有机污染物分配行为的相关性,提出应用植物生长差异因子α,实现一种能够准确校正有机物在不同的物种间植物‑空气体系中分配系数的方法,以期消除不同污染物、植物和环境差异,降低气态有机污染物污染水平预测的不确定性,提高污染物风险评价的准确性。亦有助于实现挥发性化学品和有毒有害气体的环境风险和安全性评估,及时实施风险化学品的相关管理。

标签:
化学分析
辽宁 - 大连 来源:中冶有色网 2023-03-19
非一体式可变体积高压相平衡测量装置

一种非一体式可变体积高压相平衡测量装置,属于化学工程技术领域。本测量装置由:气瓶、过滤器、冷阱、高压注射泵、针阀、固定体积高压可视相平衡釜、三通、以及可调体积减压容器、放空阀、烘箱组成。固定体积高压相平衡釜和减压容器用三通来连接;可调体积非可视减压容器,是高压柱塞泵的泵头柱塞结构或减压容器;柱塞泵泵头加一个不锈钢丝堵将出口处堵死,进口处加一个卡套接头,和高压可视相平衡釜相连接;减压容器有一个调节丝杆,调节丝杆下端是一个万向结,与活塞连接。本发明的效果和益处是充分利用了固定体积相平衡池,通过一个外连容器来调节整个体系的压力。操作省时简便,且装置的总体造价较低,密封要求容易达到。

标签:
化学分析
辽宁 - 大连 来源:中冶有色网 2023-03-19
用电子顺磁共振仪的动态原位测试反应装置

本实用新型涉及一种用电子顺磁共振仪的动态原位测试反应装置。该装置包括化学反应装置、进样泵、EPR测试装置和连接管路,化学反应装置、进样泵、EPR测试装置通过连接管路依次连接,构成循环体系;所述的进样泵是液相色谱进样泵;所述的EPR测试部分为毛细管,待测试样置于毛细管中。本实用新型保护动态原位测试反应装置可以有效防止气泡的产生,液体流速更加精确可控,真正实习电子顺磁共振的动态原位测试。

标签:
化学分析
辽宁 - 大连 来源:中冶有色网 2023-03-19
利用痕量氢气法测量氟化氢激光器燃烧室温度的方法

本发明涉及一种利用痕量氢气法测量氟化氢激光器燃烧室温度的方法,它基于气体动力学技术和自发辐射荧光光谱技术,先用氟化氢荧光光谱测量光腔温度,再根据气动力学反推燃烧室的温度。本发明主要应用于氟化氢化学激光测试诊断技术领域,可以在燃烧室没有观察窗的情况下利用光学方法测量氟化氢激光器燃烧室温度。本发明利用痕量氢气注入技术,减少了氢气与氟原子化学反应放热对于燃烧室流出的主气流温度的影响。本发明具有简单方便、直观准确、非侵入性等特点。

标签:
化学分析
辽宁 - 大连 来源:中冶有色网 2023-03-19
傅里叶变换红外光谱测定微藻生物质组成的方法

本发明涉及一种傅里叶变换红外光谱(FTIR)测定微藻生物质组成的方法。微藻生物质中油脂、蛋白质和多糖的相对含量是评估微藻生物质质量的重要指标,传统化学方法需要对油脂、蛋白质和多糖逐一分别进行测定。本发明利用FTIR对微藻生物质进行测定,以蛋白质酰胺I谱带作为内参比峰,计算油脂及多糖的相对含量。该方法实现了快速同时测定微藻细胞内油脂、蛋白质、多糖的相对含量,方法简单,重复性好,样品需求量少,弥补了化学测定方法繁琐费时等不足。

标签:
化学分析
辽宁 - 大连 来源:中冶有色网 2023-03-19
基于单谱线TDLAS测量气体温度方法

本发明公开了一种基于单谱线TDLAS测量气体温度方法,该方法应用于一种单谱线TDLAS测量气体温度的系统,该方法主要包括将同一束激光分为两束、利用标准气体池获得标定参数、利用标定参数测量待测气体温度等步骤。与现有技术方案相比,利用本发明只需要一台二极管激光器即可用于测量气体温度,并且无需额外使用高精度标准具对吸收光谱的波长进行精确定标,特别适合于低压条件下谱线之间分布间隔很远的情况,例如氟化氢化学激光器、氟化氘化学激光器等。

标签:
化学分析
辽宁 - 大连 来源:中冶有色网 2023-03-19
氯气利用率测量装置和方法

本发明涉及一种用于氧碘激光器化学碘源的氯气利用率测量方法,属于化学激光领域。在氧碘激光器出碘管上设置有对称的第一和第二筒体,两筒体同轴设置,其轴线垂直于出碘管的轴向,且与出碘管的轴线相交,两筒体的内端均与出碘管相连通,两个筒体、与两筒体连通部分的出碘管以及测试窗口构成测试池。利用系统中残余氯气流量与碘流量直接相关而且二者光谱吸收范围不同的特点,采用了氯气与碘蒸气双组份吸收光谱同时测量法,最大限度地排除了粉尘的干扰。实验结果表明,本发明可以有效解决气流中存在粉尘颗粒导致的测量不准确,甚至测量无法进行等问题,而且操作简单,易于实现。

标签:
化学分析
辽宁 - 大连 来源:中冶有色网 2023-03-19
通过定量构效关系和溶剂化模型预测不同温度下的正辛醇空气分配系数KOA的方法

本发明公开了一种有机化学品正辛醇/空气分配系数(KOA)的理论预测方法,属于生态风险评价测试策略领域。即基于化合物的分子Dragon描述符构建定量构效关系模型(QSAR)以及基于热力学原理采用开源溶剂化模型计算溶解自由能,由热力学原理式logKOA = -ΔGOA/2.303RT换算得到KOA。基于该方法提出预测化合物KOA的一般策略,即首先根据Dragon描述符判断分子是否在应用域内,处在域内则优先采用QSAR模型(不同温度下采用QSAR-T),域外化合物采用SM8AD溶剂化模型预测。采取和遵循本发明的方法策略,可快速、有效地预测不同化合物在不同温度下的KOA,节省大量人力物力财力,为大规模的化学品的生态风险评价和环境监管提供重要的基础数据。

标签:
化学分析
辽宁 - 大连 来源:中冶有色网 2023-03-19
预测水相中有机化合物与羟基自由基反应速率常数的方法

本发明公开了一种基于定量结构-活性关系预测水相中有机化合物与羟基自由基反应的速率常数的方法。在获得化合物分子结构的基础上,通过计算分子结构描述符,采用多元线性回归方法,构建了定量结构-活性关系模型,可快速、高效地预测有机化合物的水相kOH值。本发明依据经济合作与发展组织关于QSAR模型的构建和使用导则进行建模,模型应用域明确,包括526种不同种类的有机化合物,特别是涵盖了大部分前人模型中未包含的含氮、磷、硫等原子的化合物。模型具有良好的拟合能力、稳健性和预测能力,能够有效地预测应用域内有机化合物的水相kOH,为有机化学品的环境持久性评价和生态风险评价提供重要数据支持。

标签:
化学分析
辽宁 - 大连 来源:中冶有色网 2023-03-19
同时测量HF转动温度和振动能级粒子数分布的方法

本发明涉及一种同时测量HF转动温度和振动能级粒子数分布的方法,它基于自发辐射荧光光谱技术,是一种利用直线作图法同时测量HF分子转动温度和振动能级粒子数分布的新方法。本发明主要应用于HF化学激光测试诊断技术领域,可以同时测量转动温度和振动粒子数分布,只需要将HF基频自发辐射荧光光谱各个振转谱带的P支谱线强度进行简单的处理之后作图即可,具有简单方便、直观准确、非侵入性等特点。利用本发明,可以实现HF化学激光器中转动温度和振动激发态各个能级粒子数分布的同时快速测量。

标签:
化学分析
辽宁 - 大连 来源:中冶有色网 2023-03-19
甲醛气体浓度变化监测仪

本实用新型公开了一种甲醛气体浓度变化监测仪,包括监测仪,监测仪的一侧设有测量旋钮杆,测量旋钮杆的中部靠近旋钮的一端传动锥齿轮,所述测量旋钮杆一端固定连接有旋钮,靠近测量旋钮杆的旋钮一端的传动锥齿轮内侧通过齿轮啮合有温湿度锥齿轮,温湿度锥齿轮的上端设有温湿度盖,温湿度盖底端设有齿轮,温湿度盖的齿轮与温湿度锥齿轮的齿轮相互啮合。本实用新型通过设有测量旋钮杆的设置,在使用该监测仪时,通过旋转测量旋钮杆使得传动锥齿轮进行旋转,从而带动半导体盖、电化学盖以及温湿度盖转动来完成对半导体传感器、电化学传感器以及温湿度传感器的遮盖,有利于解决了传感器受到气体流速的影响而导致度数不准确的问题。

标签:
化学分析
辽宁 - 大连 来源:中冶有色网 2023-03-19
氧/碘超音速混合热流场测试装置

本发明涉及一种氧/碘超音速混合热流场的测试装置。采用一套基于高速CCD相机的图像测试装置,对超音速注碘的氧碘化学激光器(COIL)热流场(即氧碘化学激光器运行中的真实流场)的混合情况进行定量测试。本装置包括混合流场测试段、滤光装置、高速CCD相机和一个计算机数据处理系统。本装置通过特殊的测试段设计,使得氧碘混合流场在垂直喷管轴线方向沿流向从喷管出口可见,结合一个滤光装置,用高速CCD相机对氧/碘混合流场进行成像,通过数字图像处理,获得了流场混合相关参数的定量数值。本装置通过一个转动盘的设计,使得衰减片的衰减率方便可调,从而使测试装置适用于COIL的各种运行条件。

标签:
化学分析
辽宁 - 大连 来源:中冶有色网 2023-03-19
用于海洋结构物水下防腐涂层原位监测的装置及方法

本发明提供一种用于海洋结构物水下防腐涂层原位监测的装置及方法,装置包括:法兰盘、下法兰舱以及焊接垫板;法兰盘上表面设置有参比电极、对电极、第一工作电极以及第二工作电极,所述参比电极、对电极、第一工作电极以及第二工作电极均被设置为上表面与所述法兰盘上表面处于同一平面;所述参比电极信号线接入电化学工作站的参比电极端,所述对电极信号线接入电化学工作站的对电极端,所述第一工作电极、第二工作电极连接于继电器,所述继电器的公共端接入电化学工作站的工作电极端。本发明装置安装便捷,无需更换,可原位监测水下防腐涂层的破损率。

标签:
化学分析
辽宁 - 大连 来源:中冶有色网 2023-03-19
基于HF第一泛频发射光谱的温度测量方法

基于HF第一泛频发射光谱的温度测量方法。本发明属于温度测量技术领域。本发明的目的是为了解决HF化学激光器超音速流场的温度测量问题,而提出的一种基于HF第一泛频发射光谱的温度测量方法。该方法用近红外光谱仪对HF第一泛频发射光谱信号进行测量,然后用HF第一泛频发射光谱的振-转强度分布公式对所得数据进行数值拟合,从而计算出测量体系的温度。该方法可应用于HF化学激光流场的不同位置(喷管出口、光腔以及光腔下游)和不同阶段(无激光输出和有激光输出)的温度分布测试,并可以推广到产生高振动态HF(V≥2)的其他体系。该方法具有简单、精度高、稳定性好和不干扰测试本体的特点。

标签:
化学分析
辽宁 - 大连 来源:中冶有色网 2023-03-19
气体分离膜渗透仪的改进方法

本发明属于化学工程技术领域,涉及到一种气体分离膜渗透仪的改进方法。其特征在于采用恒压力变体积法测定膜气体渗透性的过程中,在膜池上下游采用抽真空的方法,及时排除气体管路及膜中吸附(无机膜)或者溶解(有机膜)的气体;另外下游采用与空气隔绝的毛细管皂膜流量计测量气体渗透速率可有效地防止空气反扩散。本发明的效果和益处是解决现有恒压力变体积法测定膜气体渗透性能中存在问题,节省前后两种测定气体转换的过渡时间,并防止和避免空气反扩散对测定结果准确性的影响。

标签:
化学分析
辽宁 - 大连 来源:中冶有色网 2023-03-19
温湿度可控的电导率测试装置及其操作方法

一种温湿度可控的电导率测试装置,包括电导率测试室和电化学工作站;所述电导率测试室为一密闭容器;所述电导率测试室内部固定有电极夹具;所述电极夹具用于固定三电极和待测电解质膜;电极夹具为二个平行叠放设置的平板,待测电解质膜置于二个平板之间,于二个平板之间形成三个平行、相互间隔的电极的容置孔,三个电极分别放置于容置孔内;所述三电极分别通过导线与电化学工作站相连,测定待测电解质膜的阻抗,进而可获得待测电解质膜的电导率;于电导率测试室上部设有用于测量电导率测试室内部湿度的湿度传感器,湿度传感器通过导线与湿度显示器相连。与传统电导率测试装置相比,本发明具有可以实现不同湿度、不同温度环境下的电解质膜的电导率的测定,具有测定精度高,重复性好等优点。

标签:
化学分析
辽宁 - 大连 来源:中冶有色网 2023-03-19
含氨气体中氨气含量的离子迁移谱测定方法

本发明提供一种含氨气体中氨气含量的离子迁移谱测定方法。通过离子迁移管的漂气,向整个离子迁移管内部包括迁移区、电离区和离子源中引入戊酮作为掺杂剂。戊酮在光电离源的作用下产生M2H+离子作为反应试剂离子,该反应试剂离子与高湿度、复杂化学背景中的NH3发生高选择性分子取代反应,生成与NH3对应的产物离子M(NH3)H+。电离区和迁移区内高浓度的戊酮掺杂剂保持该产物离子在迁移的过程中高度稳定,不受背景中高湿度水汽和复杂化学基质的干扰。电离区中存在的M(NH3)H+离子通过周期开启的离子门,进入离子迁移区中形成离子团,并在迁移区电场的驱动下到达离子接收极,形成离子电流强度对应离子迁移时间的谱图,进而实现对氨气的识别和定量。

标签:
化学分析
辽宁 - 大连 来源:中冶有色网 2023-03-19
利用低分辨率近红外荧光光谱测量HF高振动态粒子数分布的方法

本发明涉及一种利用低分辨率近红外荧光谱测量HF高振动态粒子数分布的技术,它基于自发辐射荧光光谱技术,是一种测量HF分子高振动激发态能级粒子数分布的新方法。本发明主要应用于化学激光测试诊断技术领域,是为了简化在HF化学激光系统中测量振动激发态粒子数分布情况的过程而产生的,本发明只需要将HF基频自发辐射荧光光谱的几条P支谱线强度进行简单的加和即可,具有简单方便、精度高、非侵入性等特点。利用本发明,可以实现HF化学激光器中高振动激发态各个能级粒子数分布的快速测量。

标签:
化学分析
辽宁 - 大连 来源:中冶有色网 2023-03-19
面向多层Sketch网络测量的缓存分配方法

一种面向多层Sketch网络测量的缓存分配方法,属于计算机网络技术和强化学习的交叉领域。首先通过数据采集模块获取相应的训练数据;然后通过基于A3C的强化学习算法和相关训练数据集来训练并得到相应的模型;接着使用训练好的模型来决策各层Sketch的缓存大小,使基于多层Sketch的网络测量方法几乎能够达到最优准确度;最后使用Sketch缓存分配模块决定的Sketch缓存分配方案进行相应的网络测量,得到更准确的测量结果。本发明优势在于不需要依靠经验人为设置各层Sketch缓存的分配方案,可以通过强化学习的Sketch缓存分配方法决策各层Sketch的缓存大小,使网络测量方法几乎能够达到最优准确度。

标签:
化学分析
辽宁 - 大连 来源:中冶有色网 2023-03-19
BP神经网络预测二肽模型多极展开属性计算方法

本发明涉及基于BP神经网络预测二肽模型多极展开属性计算方法,包括以下步骤:通过量子力学计算软件Gaussian优化不同二肽构象的结构,并计算其物理化学参数及原子间相互距离;选择部分二肽构象的原子的物理化学参数以及原子间相互距离训练BP神经网络,得到BP神经网络的物理化学参数;并通过剩余的二肽构象作为测试集验证BP神经网络的预测结果。本发明通过BP神经网络预测代替量子力学计算Gaussian软件进行的量子力学计算。在基于力场信息的分子力学模拟的基础上,本发明可以快速的针对不同构象给出二肽的能量,多极距等物理化学参数等信息。在可接受的误差范围内,极大地减少了计算的时间和计算量,大大地提高了动力学模拟过程中的精度。

标签:
化学分析
辽宁 - 大连 来源:中冶有色网 2023-03-19
测量板材镀层金属重量的方法

一种测量板材镀层金属重量的方法,将试样清洗、烘干、称重,计算机显示溶解曲线,溶解曲线出现拐点,则取出试样,洗净、烘干、称重,得到溶解前后重量差值,计算出单位面积覆盖层重量或厚度。其优点是:利用库仑法进行电化学溶解,并且通过电位变化和记录的电位变化曲线形状和变化趋势控制溶解结束时间,因而能保证准确的覆盖层溶解结束时间,降低传统的化学溶解法产生的欠溶解或过溶解误差。特别是对复合覆盖层或是具有合金中间层存在的情况下,可以分别测量单一覆盖层或纯镀层及合金层的厚度。这是传统的化学溶解称重法难以测量或不能测量的。此方法操作简便,数据重现性好,相对误差在1%以下,精确度高。

标签:
化学分析
辽宁 - 大连 来源:中冶有色网 2023-03-19
EDTA容量法测定铅矿石中铅含量的方法

本发明的目的是针对现有技术存在的问题,提供一种EDTA容量法测定铅矿石中铅含量的方法,属于化学检测技术领域。本发明采用盐酸‑硝酸‑高氯酸分解样品,沉淀过程中利用吸热原理和盐类在有机物中溶解性降低以及低温析出的特性缩短时间,并保证溶液的酸性环境;既保证测定结果的准确性,又能显著缩短实验周期。

标签:
化学分析
辽宁 - 大连 来源:中冶有色网 2023-03-19
用于水体重金属离子测定的数字微流控芯片系统及方法

本发明涉及数字微流控芯片技术及环境监测领域,具体涉及用于水体重金属离子测定的数字微流控芯片系统及方法,所述系统包括用于水体重金属测定的数字微流控芯片和用于水体重金属测定的数字微流控芯片外围设备;数字微流控芯片包括平面结构,其分为工作区、引脚区和I/O接口,其中,工作区包括液滴功能区和检测区;引脚区设置连接芯片、液滴驱动电路和电源的引脚;I/O接口连接测量液滴位置的传感电路。该数字微流控芯片系统,降低了设备成本,大大节约化学试剂,显著提高反应速度,降低测试成本和耗时。过程中不需要泵、阀和管路等机械部件,系统更加稳定,液滴操控更为精确、可靠。

标签:
化学分析
辽宁 - 大连 来源:中冶有色网 2023-03-19
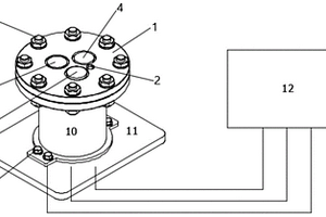
牺牲阳极阴极保护系统中使用的太阳能供电式测试桩

电化学领域中的牺牲阳极阴极保护系统中使用的太阳能供电式测试桩,其系统包括:测试桩[1]、牺牲阳极[2]、参考电极[3]、被保护的阴极[4]、电缆线[5]、测试桩外壳[6]、阴极接线端子[7]、阳极接线端子[8]、参考电极接线端子[9]和接线板[10],其特征在于:在测试桩[1]的接线板[10]上,安装带有数字显示仪表[11]的测量仪器[12],并设有向测量仪器供电的工作开关[13];充电电池[24]直接向测量仪器[12]提供电源,而充电电池[24]是由太阳能电池[22]给其充电的,优点是:利用了太阳能提供电源,经济适用;有效期内不进行保养修理,巡检人员不必携带仪器设备和工具,只要按动工作开关,即可读取数据;节省时间10倍;因为不用仪器表笔接触端子进行连接,故不产生测量误差。

标签:
化学分析
辽宁 - 大连 来源:中冶有色网 2023-03-19
微小型模块化近红外光谱测定器

本实用新型提供一种微小型模块化近红外光谱测定器,近红外光谱传感器上设有检测池放入凹槽、并接有工业平板电脑,样品瓶通过电磁阀A与检测池相通;回收瓶通过电磁阀B与检测池放入凹槽下部相通。具有方便、快速、高效、准确和成本较低,不破坏样品,不消耗化学试剂,不污染环境等优点。

标签:
化学分析
辽宁 - 大连 来源:中冶有色网 2023-03-19
用于探测自由基与反应中间体的原位热解离子源

一种用于探测自由基与反应中间体的原位热解离子源,该离子源包括样品管、推斥极、电离室、灯丝、引出极、聚焦极、出射极、推斥板和接地栅板。本发明的离子源是以样品管为起点,依次为推斥极、电离室、灯丝、引出极、聚焦极、出射极、接地栅板及推斥板。本发明与现有技术相比的优点在于:结构简单、便于清洗,被检测物质可直接在电离室中热解,热解产物将在第一时间进入检测器。本发明离子源可以用于各种化学反应中间体与自由基的探测。

标签:
化学分析
辽宁 - 大连 来源:中冶有色网 2023-03-19
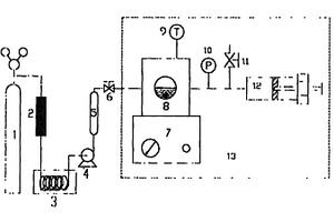
SF<sub>6</sub>的在线快速测量装置及方法

本发明公开了一种对大气环境中的SF6进行灵敏、快速在线监测的新方法及装置。本方法利用负离子模式离子迁移谱,分别通过直接进样和掺杂水汽的方式检测干燥环境和不同湿度环境中的SF6。监测装置包括:漂气、质量流量计、空气过滤器、掺杂剂瓶、掺杂剂、离子迁移谱系统、放大器、真空泵等。本发明通过负离子模式离子迁移谱吸气采样,设计掺杂剂装置掺杂特定浓度的水汽的方式,引发化学反应,在排除大气环境中不同湿度对测量干扰的同时,通过监测SF6的分子离子峰和与水汽反应后形成的新峰,提高离子迁移谱对SF6测量的准确性和稳定性。本发明检测限可达0.1ppm。

标签:
化学分析
辽宁 - 大连 来源:中冶有色网 2023-03-19
全自动气体分离膜渗透性测试装置及方法

本发明涉及一种全自动气体分离膜渗透性测试装置及方法,属于化学工程技术领域。所述装置包括一个用于容纳进气气体的进气容器,所述进气容器的入口端连接若干个待测试气体的气体源;所述进气容器的出口端通过进气管路连通若干个测试膜池的上腔,同时所述测试膜池的上腔均连通渗余气排空管路;所述测试膜池的下腔分别连通渗透气检测管路,所述渗透气检测管路的末端连接气相色谱仪,同时所述测试膜池的下腔均连通渗透气排空管路和扫气管路;所述气相色谱仪的载气入口连接载气管路。本发明所述的测试装置全自动连续高效运行,可以一次获得多组膜样品的多种气体渗透性能,既能保证测试数据的准确性和重复性,又能节省测试时间、降低人力成本。

标签:
化学分析
辽宁 - 大连 来源:中冶有色网 2023-03-19
水冷器泄漏在线监测报警装置

本发明属于电化学技术领域,涉及到一种水冷器泄漏在线监测报警装置。其特征是该装置主要由信号检测系统和信号处理系统两大部分组成。信号检测系统由参比电极1、指示电极2、压盖3、填料4、护套5和防护罩6等组成;信号处理系统由信号放大器7、A/D转换器8、单片机9、报警器10、显示器11组成。该装置是将参比电极和指示电极作为传感器插入循环水中,通过跟踪电位变化对水冷器内部泄漏进行监测。本发明的效果和益处是,具有测量数据准确、灵敏度高、报警及时、可靠等特点。该装置广泛适用于石油化工企业水冷器内部泄漏的检测报警。

标签:
化学分析
辽宁 - 大连 来源:中冶有色网 2023-03-19
上一页 15 16 17 18 19 ... 34 下一页
共34页    到第

中冶有色为您提供最新的辽宁大连有色金属化学分析技术理论与应用信息,涵盖发明专利、权利要求、说明书、技术领域、背景技术、实用新型内容及具体实施方式等有色技术内容。打造最具专业性的有色金属技术理论与应用平台!

全国热门有色金属设备推荐
展开更多 +
全国热门有色金属技术推荐
展开更多 +

 

江西省隆恩特环保设备有限公司
宣传

报名参会
更多+

报告下载

有色专家
更多+

中南大学
副校长
广东省科学院资源利用与稀土开发研究所
教授
长沙矿冶研究院有限责任公司
中国工程院院士
江西理工大学
副处长/教授
赣州有色冶金研究所有限公司
副主任/高级工程师
赤泥综合利用研究报告2025
推广

热门技术
更多+

推荐企业
更多+

福建省金龙稀土股份有限公司
宣传

发布

在线客服

公众号

电话

顶部
咨询电话:
010-88793500-807