青岛垚鑫智能科技有限公司
宣传

位置:中冶有色 >

有色技术频道 >

> 探矿技术

分类:
全部
矿山技术
冶金技术
材料制备及加工技术
环境保护技术
分析检测技术
 
全部
探矿技术
采矿技术
选矿技术
通用技术
地区:
全部
北京
天津
上海
重庆
河北
山西
辽宁
吉林
黑龙江
江苏
浙江
安徽
福建
江西
山东
河南
湖北
湖南
广东
海南
四川
贵州
云南
陕西
甘肃
青海
内蒙
广西
西藏
宁夏
新疆
其他
其他
展开
 
全部

有色金属探矿技术理论与应用

免费发布技术信息>>
不同赋存态页岩油含量及储集空间定量分析的方法及装置

本发明公开了一种不同赋存态页岩油含量及储集空间定量分析的方法及装置,属于石油地质勘探技术领域,方法包括以下步骤:S1、依照地层温度和压力对页岩样品进行含油饱和度恢复;S2、使岩心夹持器中页岩样品处于地层温度和压力,核磁共振获得不同储集空间中页岩油的分布特征;S3、进行游离态页岩油驱替并定量分析,核磁共振获取游离态页岩油的储集空间分布特征;S4、进行吸附态页岩油驱替并定量分析,核磁共振获取吸附态页岩油的储集空间分布特征;装置包括溶剂温压控制系统、流体计量收集系统、岩心检测系统;在模拟地层温度和压力的条件下,将驱替和核磁共振相结合实现对不同赋存态页岩油含量、性质以及储集空间分布特征的定量评价和可视化研究。

标签:
探矿技术
黑龙江 - 大庆 来源:中冶有色网 2023-03-04
陡倾斜滑动面抗滑桩锚固深度参数优化设计

本发明公开了陡倾斜滑动面抗滑桩锚固深度设计参数的优化理论,依据实际工程地质勘察报告,采用剩余推力法和圆弧法,分别计算滑坡推力和确定最小安全系数的临界滑动面;根据滑动面位置,确定抗滑桩受荷段长度;根据空间楔形体极限平衡理论,计算无效锚固深度,对原来锚固深度进行优化设计;重新调整受荷段长度,计算调整后有效锚固段起点的剪力和弯矩;基于地基系数法中“K”法,计算抗滑桩有效锚固段侧应力;根据强度控制法,确定抗滑桩有效锚固深度;最后将无效锚固深度和有效锚固深度叠加,计算得到陡倾斜滑动面抗滑桩锚固深度设计值;本发明的计算方法,优化原有抗滑桩锚固深度设计值不足的缺陷,提高抗滑桩工程的安全性。

标签:
探矿技术
湖北 - 武汉 来源:中冶有色网 2023-03-04
船式污水杂物打捞装置
船式污水杂物打捞装置 1438     
 0

本发明公开一种船式污水杂物打捞装置,包括走行装置、定位装置、调节装置、打捞装置。走行装置通过驱动马达来驱动前走行轮进行走行。由于污水岸边往往地质较软,因而通过定位装置来对整个杂物打捞装置进行稳定和稳固的定位,其中一级皮带和二级皮带来传递动力,使得输出轴带动定位杆和定位支撑进行旋转和伸缩。通过调节装置上的纵向滑套和伸出滑套,并配合调节齿轮齿条和电动推杆进行打捞装置的整体位置调节,以便准确的打捞杂物。通过打捞装置上的升降油缸来调节高度,通过电机驱动大齿轮和小齿轮带动抓取卡板进行旋转,从而完成杂物的打捞。

标签:
探矿技术
江苏 - 泰州 来源:中冶有色网 2023-03-04
超长水平全方位高压喷射工法桩

本发明公开了一种超长水平全方位高压喷射工法桩,包括前端造成装置、测斜装置和调平装置;前端造成装置内部设置测斜装置,外部设置平行于其中轴线方向的调平装置;调平装置包括导轨、滑动板、液压顶和滚珠,导轨与滑动板卡接,液压顶设置在滑动板上,滚珠与导轨、前端造成装置滚动连接。本发明受地质条件影响较小,能够实现实时监控,便于调整,能够保证钻孔水平度;测斜装置能够在整个钻进过程中起到实时监测的作用,一旦钻孔倾斜,可以立即进行纠偏处理;通过控制多个方向的液压顶进行调整,可以对前端造成装置进行全方位的调整,同时在钻进过程中,液压顶能够保持原位不动,更有利于调整、保证钻孔水平度。

标签:
探矿技术
广东 - 广州 来源:中冶有色网 2023-03-04
对用于钻探路径规划的地震数据的多次波衰减

用于确定井孔钻探路径的技术包括:识别与包括井孔钻探目标的地下区域相关联的输入地震数据。输入地震数据包括初级波地震事件和多次波地震事件。对输入地震数据进行处理以从输入地震数据中去除多次波地震事件和初级波地震事件中的至少一个初级波地震事件。对经处理的输入地震数据执行正交化以将至少一个初级波地震事件恢复到地下区域的排除多次波地震事件中的至少一部分的地震图像中。基于地下区域的地震图像为钻探地质导向系统确定从地表到井孔钻探目标的井孔路径。

标签:
探矿技术
其他 - 其他 来源:中冶有色网 2023-03-04
公路边坡长效排水系统及施工方法

本申请涉及一种公路边坡长效排水系统及施工方法,属于公路边坡施工技术领域,其主要方案包括:边坡本体;一端插入边坡本体内、另一端从边坡本体斜面露出的且外壁开设有多个渗水口的多个金属插管;沿边坡本体斜面倾斜设置的且管身与金属插管端部相连通的排水管;设于金属插管内用于将金属插管内的杂质从排水管清理出的清污组件。本申请的排水系统在使用时,能有效的排出边坡地下水,减少排水出现堵塞的情况,从而降低边坡出现滑坡地质灾害的情况。

标签:
探矿技术
湖南 - 岳阳 来源:中冶有色网 2023-03-04
铰接滑筒式连续掘进盾构机的滑动密封结构测试装置

本发明公开了一种铰接滑筒式连续掘进盾构机的滑动密封结构测试装置,包括土箱、内滑筒和外滑筒,土箱上设有阀门、气压检测机构、土压检测机构、投料口和排料口,内滑筒朝外的一端在内滑筒油缸和内滑筒连杆的带动下伸缩且与导向机构配合防止扭转、朝内的一端伸入外滑筒且通过内滑动密封一和内滑动密封二与外滑筒滑动密封,外滑筒朝外的一端由外滑筒油缸和外滑筒连杆带动伸缩且与加载机构配合实现调心、朝内的一端套在内滑筒上且通过内滑动密封三和防尘密封与内滑筒滑动密封。该装置能模拟不同地质和不同埋深下盾构密封的实际运行环境、能快速且同时测试内滑筒和外滑筒间各滑动密封件的性能、能模拟盾构机施工中由于盾体调向造成的间隙偏移。

标签:
探矿技术
湖北 - 武汉 来源:中冶有色网 2023-03-04
岩石破坏声发射次主频识别提取方法

本发明涉及一种岩石破坏声发射次主频识别提取方法。本发明制备不同地质成因的岩石的标准圆柱体试样并在侧表面沿周向均匀布置声发射传感器,进行单轴压缩实验,声发射传感器接收岩石试样开始加载至完全破坏全过程释放的原始声发射波形;对原始声发射波形依次去噪处理和快速傅里叶变换得到二维频谱图,模糊化处理得到模糊化二维频谱图;捕捉识别出具有次主频特征的声发射信号,提取该声发射信号的声发射主频和次主频;采集不同岩性试样从开始加载至完全破坏全过程的声发射信号得岩石损伤破坏各个时刻的声发射信号频域数据,对具有次主频特征的声发射信号,判断该声发射信号的类型,计算中心频率,结合试样破坏荷载‑时间曲线描述破坏模式。

标签:
探矿技术
云南 - 昆明 来源:中冶有色网 2023-03-04
获取地球表面微波介电常数场的方法及装置

本发明提供一种获取地球表面微波介电常数场的方法和装置,所述方法包括步骤:S1、通过星载被动微波传感器获取其观测范围内的指定波段的垂直极化和水平极化微波辐射亮温数据,并对所获取的双极化微波辐射亮温数据进行数据预处理;S2、获取星载被动微波传感器观测范围内的地表物理温度;S3、获取星载被动微波传感器观测范围内的指定波段的垂直极化微波发射率和水平极化微波发射率;S4、获取星载被动微波传感器观测范围内的指定波段的微波介电常数场。本发明利用被动微波卫星辐射数据进行地球表面微波介电常数场实时、动态、大面积观测,能够提升观测效率,服务于全球地应力场实时变化及地质灾害的研究。

标签:
探矿技术
湖南 - 长沙 来源:中冶有色网 2023-03-04
精确恢复沉积盆地古水深的方法

本发明提供一种精确恢复沉积盆地古水深的方法,该精确恢复沉积盆地古水深的方法包括:步骤1,选取在目的层段可识别出三角洲前积结构的地震剖面,拉平顶面,标定顶底界面,计算三角洲前积层的厚度值;步骤2,计算不同地质历史时期地层剥蚀量,恢复古埋深;步骤3,利用经验公式,求取古埋深深度下砂岩和泥岩压实系数,计算沉积时期三角洲前积层的厚度值,即可作为沉积时期的古水深。该精确恢复沉积盆地古水深的方法充分考虑了不同历史时期构造运动对恢复古水深的影响,更精确,具有较好的推广应用价值。

标签:
探矿技术
山东 - 东营 来源:中冶有色网 2023-03-04
石油管道敷设用山体结构检测用取样装置

本发明涉及地质勘探技术领域,尤其涉及一种石油管道敷设用山体结构检测用取样装置。所解决的技术问题为:当钻筒钻进到山体内部时,钻筒内的山体样品不能与山体分离断开,在向上提升钻筒时,不能将山体样品从钻孔中取出。本发明的技术方案包括有第一外壳、圆形壳、第二圆板、触发机构、切断机构,圆形壳设于第一外壳中部,圆形壳的上端固接有第二圆板,第二圆板的外环面与第一外壳的内侧面固接,触发机构设于第二圆板的上下两侧,第一外壳和圆形壳之间设有切断机构。本发明通过设置触发机构,避免第一连接杆在弹性件挤压力向下移动,通过设置切断机构,避免山体样品与山体粘连,山体样品不能在钻孔中取出。

标签:
探矿技术
山东 - 东营 来源:中冶有色网 2023-03-04
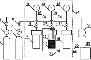
二元气体在多孔介质中的置换吸附实验装置及实验方法

本发明公开了一种二元气体在多孔介质上的置换吸附分析实验装置及实验方法,包括:真空系统,供气系统,吸附系统和分析系统。所述真空系统可排空吸附装置中的气体;所述供气系统为两个储气罐分别注入不同的气体。所述吸附系统包括加热恒温箱,储气罐一,储气罐二和样品罐。将储气罐一中的气体预先吸附在样品上,达到平衡后,再将储气罐二中的气体注入到样品罐中,由于吸附能力的差异,后注入的气体会将预先吸附的气体置换出来并达到平衡;所述分析系统可检测样品罐中游离气体的成分,推算气体的置换效率。所述装置可以模拟并测试高温高压下注入二氧化碳对吸附态页岩气的置换效果,对提高页岩气的采收率及二氧化碳的地质封存具有重要的意义。

标签:
探矿技术
北京 - 北京 来源:中冶有色网 2023-03-04
用于监测土地内部位移、应变和温度的系统及方法

本发明提供一种用于监测土地内部位移、应变和温度的系统及方法,涉及岩土智能监测领域。包括:土工格栅组件、传感器组件、传输终端和供电装置,土工格栅组件包括至少两层土工格栅和连接架,各层土工格栅通过连接架连接;传感器组件设置在土工格栅组件上,传感器组件用于检测土地内部的位移、应变和温度数据;传输终端用于传输传感器组件检测的数据;供电装置为传输终端供电。本发明的目的在于提供一种用于监测土地内部位移、应变和温度的系统及方法,用于解决现有技术中传感光纤与被测土体之间的耦合性不足,难以实现一定深度的土地内部变化监测的问题,能有效对滑坡等地质灾害进行长期有效的远距离的监测与预警,大大降低生命和财产损失。

标签:
探矿技术
广东 - 深圳 来源:中冶有色网 2023-03-04
应用数值模拟的地下水污染源空间综合识别方法

本发明公开了一种应用数值模拟的地下水污染源空间综合识别方法,步骤一、边界概化;步骤二、插值获得初始水头和底板标高;步骤三、确定源汇项;步骤四、进行含水层渗透系数系数分区;步骤五、建立了地下水流模型;步骤六、进行模型校准;步骤七、反演地下水流迹线;步骤八、在空间上识别地下水确切的污染源。本发明通过模拟软件的应用,可更具代表性的表征,与地下水污染源有关的地下水流的流动,利于针对性区域化研究地下水污染来源;本发明通过追踪地下水水流迹线,逆向研究存在地下水污染的地下水的流动迹线,可精准视化的进行溯源工作;通过地下流水迹线的划分与地面上污染源类型、土地类型以及地质条件等情景进行空间上的精准分析。

标签:
探矿技术
北京 - 北京 来源:中冶有色网 2023-03-04
可变化搅拌角度的钻具

一种可变化搅拌角度的钻具,包括具有公接头、下喷浆口、第二内置管路和喷气口的钻具管体、多组第一搅拌叶和切削叶;公接头的公板通孔设有三个,它们在公固定板径向方向以等边三角形对称方式布置;第二内置管路通过多个第二管路架设置于钻具管体内腔;多组第一搅拌叶自上而下间隔对称设置在钻具管体外壁,每组第一叶片以上下交叉、间隔一定距离的方式设置在钻具管体的外壁上;第一叶片座与钻具管体轴向中心线的夹角δ1=45°~55°。本发明适应不同地质条件进行搅拌叶角度变换,保证钻杆下钻和上提时的不同阶段实现向周围土体进行喷浆以促进周围土体与水泥浆的充分搅拌,达到桩身上下均质和强度一致,有效缩短施工周期和节约施工成本。

标签:
探矿技术
上海 - 上海 来源:中冶有色网 2023-03-04
基于大数据的边坡监测系统

本发明公开了一种基于大数据的边坡监测系统,该边坡监测系统包括:数据采集端、基站和远程监测平台;所述数据采集端,用于采集监测区域内的边坡信息;所述基站接收所述数据采集端采集的边坡信息,并转发至所述远程监测平台;所述远程监测平台对接收到的边坡信息进行处理和分析,并基于预建立的边坡险情分析模型,判断所述监测区域内的边坡险情等级,若判断结果显示边坡险情等级超过预设的边坡险情安全等级阈值,则发出报警信息。本发明实现了对边坡险情的实时监测,并在边坡险情等级超过预设的边坡险情安全等级阈值时,可通过远程监测平台进行报警,以提醒相关地区人员提前做好防护措施,减少因为地质灾害造成的人身、财产方面的损失。

标签:
探矿技术
广西 - 南宁 来源:中冶有色网 2023-03-04
富水泥岩地层隧道掌子面超前注浆方法

一种富水泥岩地层隧道掌子面超前注浆方法,包括以下步骤:(1)进行超前地质预报;(2)富水泥岩地层的掌子面注浆设计,确定目标注浆加固区域;(3)在目标注浆加固区域布设监测点;(4)浇注止浆墙,设计超前注浆孔位和超前管棚孔位;(5)实施超前注浆和超前管棚钻孔作业;(6)制备超前注浆液和超前管棚注浆液;(7)超前注浆施工;(8)超前管棚施工。本发明通过对掌子面进行超前注浆,进行有效加固治理,规避施工风险,提高施工效率,降低施工成本。

标签:
探矿技术
湖南 - 长沙 来源:中冶有色网 2023-03-04
地下洞室的柱状节理围岩防松弛支护方法

本发明公开了一种地下洞室开挖的柱状节理围岩支护方法,可以有效控制柱状节理岩体因开挖卸荷而产生的松弛变形和破坏现象,对工程安全性和经济性有重要意义。所述方法包括以下步骤:对开挖区域柱状节理岩体进行地质调研,开展室内力学试验,获取并标定岩体力学参数;建立洞室开挖计算模型,开展围岩开挖卸荷数值模拟,确定松弛深度与松弛范围,分析松弛变形的时效特性和各向异性特征;分层进行洞室开挖,在各层开挖完成后对开挖面采用喷混凝土进行封闭,根据所述围岩松弛范围布置预应力锚杆进行初次拉张;根据柱状节理岩体开挖卸荷时效特征,对松弛深度较大的区域,采用预应力锚索加固并进行初次张拉;钻灌浆孔,对围岩进行固结灌浆。

标签:
探矿技术
浙江 - 杭州 来源:中冶有色网 2023-03-04
动态调整喷浆、提升和下沉速度的搅拌桩施工装置及方法

本发明公开了动态调整喷浆、提升和下沉速度的搅拌桩施工装置,包括搅拌机钻头和触探探头,还公开了动态调整喷浆、提升和下沉速度的搅拌桩施工方法,将触探探头固定于深层搅拌机钻头底部,在下沉过程中量测到比贯入阻力,并将比贯入阻力实时传回地面微机系统,根据不同的地质条件自动调节喷浆量和钻进速度,水泥浆作为固化剂,利用固化剂和软土发生一系列的物理、化学反应,使软土硬结,从而提高地基强度。本发明可自动识别土层性质,判定土壤类别,并自动调整施工参数;将传统搅拌桩工艺与微机系统相结合,提升对软弱体层的识别精准度,进一步提高地基强度;简化搅拌桩施工步骤,提升传统工艺施工速度,缩短工期,加快施工进度。

标签:
探矿技术
湖北 - 武汉 来源:中冶有色网 2023-03-04
水中钻孔灌注桩全护筒施工方法

本发明公开了一种水中钻孔灌注桩全护筒施工方法,涉及桩基础施工技术领域,所述方法包括:测量放线设辅桩,采用全站仪放出桩基中心,用十字桩固定位置,采用水准仪测定护筒顶高程,确定钻孔深度,控制误差在5mm以内;护筒制作并采用振动锤下护筒,护筒下沉至设计位置后采用旋转钻机清除护筒内的泥土,钻孔后采用检孔器检查孔深、孔径及垂直度是否符合设计要求;吊放钢筋笼,安装导管,采用吊车对钢筋笼进行吊放,灌注混凝土。采用本发明的方法解决了河床孔口失稳坍塌、钢筋笼下放费时费力、塌孔等问题,适用于水位较高,易塌孔的地质条件的桩基础施工。

标签:
探矿技术
甘肃 - 兰州 来源:中冶有色网 2023-03-04
信息互馈式异向旋转截割装置及使用方法

本发明涉及隧道、巷道快速掘进领域,特别涉及一种信息互馈式异向旋转截割装置及使用方法,该装置包括截割头、异向旋转装置、动力启停装置、信息互馈分析系统。截割头包括前部破岩部件、中部切割部件、尾部成型部件,各部件后部焊接驱动轴和锥齿轮、上面焊接截齿和导料板,且截齿和导料板布设形态与所在部件转向相同,分步实现岩体破碎、切割与成型;异向旋转装置由两组锥齿轮组成,控制截割头同轴异向转动;信息互馈分析系统与动力启停装置相连,通过转速、扭矩传感装置和控制装置,实时监测、反馈、调整截割头转速与扭矩,实现复杂地质条件不同岩性巷道的快速掘进。该装置及使用方法能够有效提高巷道掘进效率,降低设备损耗,减轻截割头磨损。

标签:
探矿技术
安徽 - 淮南 来源:中冶有色网 2023-03-04
三维流体场建模及矿石资源量预测方法及系统

本发明涉及三维数值模拟技术领域,特别是涉及一种三维流体场建模及矿石资源量预测方法及系统,方法包括:首先基于待测矿区的地质剖面图确定采样点数据,进一步得到样品集;然后基于样品集得到均一温度集和盐度集并建立空间数据库;再基于空间数据库得到均一温度数值模型和盐度数值模型;再基于均一温度数值模型构建均一温度三维流体场模型;基于盐度数值模型构建盐度三维流体场模型;最后对均一温度三维流体场模型和盐度三维流体场模型进行统计分析,得到待测矿区的矿石资源量。本发明提高了构建三维流体场的精度和稳定性,并对待测矿区的矿石资源量进行预测。

标签:
探矿技术
山东 - 泰安 来源:中冶有色网 2023-03-04
砂岩含水层的超前疏降水系统、方法及施工方法

本发明公开了一种砂岩含水层的超前疏降水系统、方法及施工方法,砂岩含水层的超前疏降水系统,包括:沿竖向,与斜井于砂岩含水层处相交设置抽水孔;沿斜井轴向,在砂岩含水层内围绕所述的斜井设置引流孔组,引流孔组由多个引流分支孔组成,引流分支孔分别与抽水孔连通。本发明的砂岩含水层的超前疏降水方法及系统,利用长距离的引流孔和大口径抽水孔相联通方式,在斜井施工之前对富水低渗巨厚砂岩含水层的水进行超前疏降、引流和抽排,解决了富水低渗巨厚砂岩含水层水难以抽降的问题,为实现斜井的安全快速掘进提供地质保障。相较于传统的冻结、壁后注浆等方法,降低了成本和施工难度,提高了疏降水的效率、可靠性和安全性。

标签:
探矿技术
陕西 - 西安 来源:中冶有色网 2023-03-04
沙盘灯光控制展示方法、沙盘模型及电子设备

本申请涉及一种沙盘灯光控制展示方法、沙盘模型及电子设备,沙盘模型包括:至少一个发光组件;其中,每个发光组件中包括:印刷电路板PCB,PCB板上设置有芯片,并且安装有灯珠,芯片,用于接收控制信号,以及根据控制信号,控制灯珠显示;控制信号包括:各个灯珠标识信息以及各个灯珠标识信息分别对应的显示方式信息,控制信号是由电子设备基于发生灾害的灾害点位置信息以及发生灾害的级别信息确定出的,发生灾害的灾害点位置信息以及发生灾害的级别信息是由电子设备基于接收到的灾害点信息确定出的。本申请可以实现在沙盘模型上更为准确和更为直观地显示地质灾害情况。

标签:
探矿技术
陕西 - 西安 来源:中冶有色网 2023-03-04
双向防脱密封式管材连接结构

本发明涉及一种双向防脱密封式管材连接结构。包括至少两根的管材,其中一根管材上连接有第一插口段,另一根管材上连接有第二插口段;还包括能套置于第一插口段和第二插口段外周的用于将两者相连接的管状连接头,管状连接头内部设有限位内凸缘,管状连接头的内部空腔形成第一配合槽和第二配合槽,在第一插口段第一配合槽之间和第二插口段和第二配合槽之间均设有密封圈和防脱件。本发明通过管状连接头将两根管材的第一插口段和第二插口段进行连接,并通过两组密封圈和防脱件进行密封防脱,不但整体连接操作简单快速,造价便宜,而且能由效防止了密封圈带动管材轴向回弹,保证了密封效果,即使后期地质沉降也不会脱开,使用寿命长。

标签:
探矿技术
贵州 - 安顺 来源:中冶有色网 2023-03-04
边坡稳定性分析与评价方法、系统、介质、设备、终端

本发明属于采矿安全分析技术领域,公开了一种边坡稳定性分析与评价方法、系统、介质、设备、终端,包括:结合尖山露天矿边坡赋存的地质环境条件、地形地貌特征以及地层岩性组合相关数据,建立边坡三维计算模型;确定模型的边界条件、初始条件、材料本构模型以及宏观岩体力学参数;将确定的模型在原始模型初始平衡工况下、开挖第一步工况下、开挖第二步工况下、开挖第三步工况下以及开挖第四步工况下共计五个模拟工况下进行稳定性分析;进行边坡稳定性综合分析。本发明采用数值分析方法分析边坡开挖后的稳定性及边坡动态开挖稳定性演化进程,同时结合剖面计算,分析得边坡在现有开采技术条件下向下延伸开采处于不稳定状态。

标签:
探矿技术
安徽 - 马鞍山 来源:中冶有色网 2023-03-04
基于遥感图像处理的地表变化检测设备

本发明涉及地质灾害监测预警技术及监测设备技术领域的一种基于遥感图像处理的地表变化检测设备,包括锥杆,锥杆有加固结构;锥杆有转动结构,转动结构包括驱动电机、第一齿圈、支撑轴承、第三齿圈和支撑套筒,驱动电机有第三齿圈,轴承轴承与锥杆连接,轴承轴承有第一齿圈,第一齿圈与第三齿圈啮合连接,轴承轴承有支撑套筒,支撑套筒有保护罩,保护罩有支撑架、控制器和信号收发器,支撑架有摄像头,保护罩有挡板,挡板有滑槽,挡板有滑板,保护罩有调节结构,本发明摄像头对地表摄像处理,然后通过控制器和信号收发器传递监测地点局科研所,监测地点局科研所通过遥感图像处理技术实时监测地表进行检测,监测工作简单,降低监测成本。

标签:
探矿技术
河北 - 石家庄 来源:中冶有色网 2023-03-04
长江深水航道过江隧道合理埋深确定方法及试验装置

本发明提供一种长江深水航道过江隧道合理埋深确定方法及试验装置,在对隧道合理埋深的确定过程中,充分考虑隧道所在河段河床演变、航道条件、通航船舶和地质条件等因素,同时通过河床演变、物理模型试验以及数学模型试验来获取河床冲刷深度,再通过土工离心机物理试验得出船舶应急抛锚作用的安全富裕量,并将两者相结合,充分考虑了隧道所穿越的航道通航船舶对隧道建设带来的影响,避免通航船舶对过江隧道的破坏,保障隧道运行安全。

标签:
探矿技术
天津 - 天津 来源:中冶有色网 2023-03-04
多功能大尺寸剪切试验装置及其试验方法

本发明公开了一种多功能大尺寸剪切试验装置及其试验方法。该装置包括剪切盒机构、加载机构和数据采集机构;所述剪切盒机构包括外盒、承载座、支撑座、内盒、加载板和插板;所述加载机构包括内盒定位板、反力架、第一伺服电机、第二伺服电机和滚珠轴排;所述数据采集机构包括电脑、水平压力传感器、竖直压力传感器、水平位移计、竖直位移计、土压力计和孔隙水压力计。本发明可进行不同竖直应力加载条件下考虑岩块粗糙度、土体级配、含石量、含水率等岩土体的剪切强度特征,可研究干湿循环下岩土体剪切强度的劣化规律以及岩土体的剪切蠕变特性等,能适用于土木工程或地质工程中遇到的不同岩土材料在不同因素下的大尺度室内剪切试验。

标签:
探矿技术
天津 - 天津 来源:中冶有色网 2023-03-04
软弱土质相似材料及其制备方法和应用

本发明适用于土木水利工程领域,提供了一种软弱土质相似材料及其制备方法和应用,该软弱土质相似材料包括重晶石粉、滑石粉、粉细砂、膨润土、水和泡沫;所述滑石粉、粉细砂、重晶石粉的质量比为1:(0.5~2):(0.5~8);所述膨润土的质量为软弱土质相似材料总质量的1%~10%;所述水的质量为软弱土质相似材料总质量的20%~50%;所述泡沫的体积为软弱土质相似材料总体积的10%~200%。该软弱土质相似材料具有容重高、制作工艺简单、价廉易得,对人体无毒副作用且可重制等优点,其可广泛应用于围堰、边坡、基坑、路基、桥隧等领域的岩土工程地质力学模型试验软弱土层的模拟,应用前景广阔,具有显著的经济效益。

标签:
探矿技术
江西 - 南昌 来源:中冶有色网 2023-03-04
上一页 503 504 505 506 507 ... 1545 下一页
共1545页    到第

中冶有色为您提供最新的有色金属探矿技术理论与应用信息,涵盖发明专利、权利要求、说明书、技术领域、背景技术、实用新型内容及具体实施方式等有色技术内容。打造最具专业性的有色金属技术理论与应用平台!

全国热门有色金属设备推荐
展开更多 +
全国热门有色金属技术推荐
展开更多 +

 

江西省隆恩特环保设备有限公司
宣传

报名参会
更多+

2025年10月15日 ~ 17日
2025年10月17日 ~ 19日
2025年10月31日 ~ 11月02日
2025年11月07日 ~ 09日

报告下载

有色专家
更多+

中南大学
常务副校长
武汉理工大学
外籍院士/教授
洛阳有色矿业集团有限公司
生产技术部经理
广东省科学院工业分析检测中心
副主任
郑州大学
副校长
赤泥综合利用研究报告2025
推广

热门技术
更多+

推荐企业
更多+

福建省金龙稀土股份有限公司
宣传

发布

在线客服

公众号

电话

顶部
咨询电话:
010-88793500-807