青岛垚鑫智能科技有限公司
宣传

位置:中冶有色 >

有色技术频道 >

分类:
全部
矿山技术
冶金技术
材料制备及加工技术
环境保护技术
分析检测技术
 
全部
物理检测技术
化学分析技术
力学检测技术
无损检测技术
失效分析技术
环境检测技术
地区:
全部
北京
天津
上海
重庆
河北
山西
辽宁
吉林
黑龙江
江苏
浙江
安徽
福建
江西
山东
河南
湖北
湖南
广东
海南
四川
贵州
云南
陕西
甘肃
青海
内蒙
广西
西藏
宁夏
新疆
其他
其他
展开
 
全部
其他

其他有色金属分析检测技术理论与应用

免费发布技术信息>>
具有分配化学品和微流体盖件的分析物传感器封装体

一种传感器系统包括被配置用于接收流体样本的测定腔室。分配化学品被布置在所述测定腔室内。第一电极结构包括至少一个导电元件,并且靠近所述第一电极结构的第二电极结构被配置用于通过所述流体样本来传输电信号。所述第一电极结构被配置用于接收通过所述流体样本传输的所述电信号并且响应性地生成感测信号。所述感测信号指示所述流体样本与所述分配化学品的相互作用。控制器电耦合至所述第一电极结构并且被配置用于至少基于由所述第一电极结构生成的所述感测信号来识别所述流体样本中的至少一种分析物。所述第一电极结构嵌入在衬底基板内,并且所述第二电极结构嵌入在耦合至所述衬底基板的微流体盖件内。

标签:
化学分析
其他 - 其他 来源:中冶有色网 2023-03-19
电化学分析芯片
电化学分析芯片 707     
 0

本发明提供一种能通过一次采样进行多个项目的测定的电化学分析芯片。电化学分析芯片(2)具备传感器部(22)和流路部(23),该传感器部(22)具有多个电极(242、243、244)并且设于绝缘性的基材(21),该流路部(23)设于基材(21)并向传感器部(22)引导样品液。在基材(21)设有多个传感器部(22)。流路部(23)具备:样品液供给口(231),在基材(21)的外表面开口;以及样品液流路(232),将同一样品液从样品液供给口(231)向多个传感器部(22)引导。

标签:
化学分析
其他 - 其他 来源:中冶有色网 2023-03-19
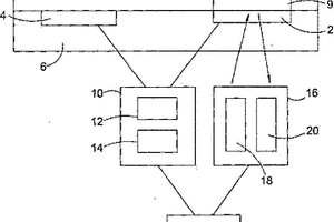
用于生物和化学分析的集成式传感器阵列

本发明涉及包含大规模化学场效应晶体管阵列的装置和芯片,所述阵列包括样品保留区的阵列,所述样品保留区能保留来自样品流体的化学或生物样品以用于分析。在一个方面,这样的晶体管阵列具有10μm或更小的间距,且每个样品保留区位于至少一个化学场效应晶体管上,所述化学场效应晶体管设置成产生至少一个输出信号,所述信号与这样的样品保留区中化学或生物样品的特征有关。在一个实施方案中,所述化学或生物样品的特征是带电荷物质的浓度,且其中每个所述化学场效应晶体管是离子敏感的场效应晶体管,其具有在其表面上含有电介质层的浮动栅,所述电介质层接触所述样品流体,且能与所述样品流体中带电荷物质的浓度成比例地积累电荷。在一个实施方案中,这样的带电荷物质是氢离子,因而所述传感器测量其样品保留区之中或样品保留区附近的样品流体的pH变化。本发明的装置和芯片可以适合大规模的基于pH的DNA测序和其它生物科学和生物医学用途。

标签:
化学分析
其他 - 其他 来源:中冶有色网 2023-03-19
用于化学和/或生物物质的移动式多参数分析的集成式一次性芯片盒系统

本发明涉及一种用于实施化学和/或生物学物质的移动式多参数分析的测量芯片盒模块(5),包括用于将试样物质从外部引入测量芯片盒模块(5)的试样入口(13),至少一个用于将试剂从外部引入测量芯片盒模块的试剂入口,测量芯片(7),测量芯片的设置用于试样分析的表面限界带有两个开口的分析单元,使得包含试样物质的液体能通过第一开口到达用于试样分析的分析单元中,以及通道系统(10),在所述通道系统中,试样物质被从试样入口输送到分析单元并且试剂被从试剂入口输送到分析单元,在通过试样入口引入试样物质和/或通过试剂入口引入试剂之前,通道系统(10)不具有固态试剂,优选不具有除空气和/或保护气体外的其它物质。本发明还涉及由这种可更换的盒模块和同样可更换的试剂存放模块和处理模块组成的系统以及用于在该系统中实施试样分析的方法。

标签:
化学分析
其他 - 其他 来源:中冶有色网 2023-03-19
皮肤表面的物理化学性质的分析系统

本发明涉及一种皮肤表面的物理化学性质的分析系统(10),其包括:至少一个接触传感器(12),其用于施加到待分析的所述皮肤表面,以便一天一次或两次确定与皮肤表面的特定区域有关的具体信息(20);至少一个环境传感器(13),其被设计成全天陪伴用户并且全天测量作用在所述皮肤表面上的至少一个外部参数(16);以及一个与接触传感器和环境传感器(12‑13)连接的处理单元(11),所述单元(11)配有分析装置(23),该分析装置允许根据由所述接触传感器和环境传感器(12‑13)产生的信号(16、20)确定待分析的皮肤表面的物理化学性质。

标签:
化学分析
其他 - 其他 来源:中冶有色网 2023-03-19
对由用拒水拒油剂处理过的化学纤维制造的布中的包含最多20个碳原子的低分子量有机化合物进行分析的方法

本发明提供一种方法,用于精确分析由用拒水拒油剂处理过的化学纤维制造的布中包含的痕量的最多含20个碳原子的低分子量有机化合物。一种用来对由用拒水拒油剂处理过的化学纤维制造的布中包含的痕量的最多含20个碳原子的低分子量有机化合物进行分析的方法,该方法包括以下步骤:(a)将由用拒水拒油剂处理过的化学纤维制造的布溶解在能够溶解构成所述布的树脂的溶剂中,制得溶液,(b)将所述溶液与能够使所述树脂凝聚的溶剂混合,使所述树脂凝聚,制得包含树脂凝聚物的液体,(c)对包含树脂凝聚物的液体进行固液分离,制得液相,以及(d)通过液相色谱-质谱、液相色谱-串联质谱、气相色谱-质谱或气相色谱-串联质谱,对所述液相中的包含最多20个碳原子的低分子量化合物的浓度进行测量。

标签:
化学分析
其他 - 其他 来源:中冶有色网 2023-03-19
化学成分分析仪
化学成分分析仪 1171     
 0

本发明涉及近红外(NIR)光谱分析法在测量基于通常具有共价键的产品的化学组分浓度的应用中的使用。该组分产品可为脂肪、水汽、蛋白质以及诸如此类的通常呈液体形态或胶体悬液的物质。更具体地,本发明涉及一种NIR分析仪,所述NIR分析仪具有多个不含移动部分的探测器。本发明利用热量控制并结合归一化算法,以允许在参照物和至少一种样品间测量的并行处理,其可提供更准确的结果。此外,本发明具有在三阶谐波中使用NIR的能力,并允许现场处理,不浪费流量。

标签:
化学分析
其他 - 其他 来源:中冶有色网 2023-03-19
电化学分析元件
电化学分析元件 830     
 0

一种电化学分析元件,包括两端开口的设有中空部的传感器本体、设有作用极与对极的电极系统、及含酶的试药部,所述电极系统与试药部形成在所述中空部的内壁面上。本发明能可靠地测定微量的试样液中的基质浓度。

标签:
化学分析
其他 - 其他 来源:中冶有色网 2023-03-19
用光电化学方法进行水分析

一种确定含有高于0.5MM浓度的氯离子的水样中化学需氧量的方法,其中样品被稀释并向稀释样品中添加已知量的有机物质,然后对此样品用二氧化钛纳米颗粒半导体电极通过光电化学方法进行分析,测量产生的光电流直到达到稳定值,而后用初始光电流和稳定的光电流间的差作为化学需氧量的量度。一种可替代的方法包括通过光电化学方法用二氧化钛纳米颗粒半导体电极测量氯含量和测量化学需氧量,并用氯测量值校准化学需氧量的测量值来确定含有氯离子的水样中的化学需氧量。

标签:
化学分析
其他 - 其他 来源:中冶有色网 2023-03-19
用于基于生物化学标记分析确定糖尿病风险的系统和方法

本发明涉及一种用于预测怀孕个体中妊娠期糖尿病GDM风险的方法,所述方法包括测量从所述怀孕个体获得的血液样本中的一或多种生物化学标记以测定一或多种生物标记水平,其中所述一或多种所测量的生物化学标记包括PAI-2和sTNFR1中的至少一者;对所述一或多种所测量的生物化学标记中的每一者鉴别在所测量的生物标记水平与对应预定对照水平之间的差异;和响应于所述鉴别,确定对应于所述怀孕个体患有或出现GDM的相对风险的预测。

标签:
化学分析
其他 - 其他 来源:中冶有色网 2023-03-19
校准和/或调整用于液体、特别是水溶液中的化学物质的分析装置的方法

本发明涉及一种校准和/或调整用于液体、特别是水溶液中的化学物质的分析装置的方法,在该情况下通过将参考液体与用于产生颜色变化的试剂混合,接着利用预定波长的光照射,来测量在参考液体中的化学物质的预定浓度;其中,基于通过参考液体对光的吸收来确定浓度,将该浓度与参考液体的预定浓度相比较。在用于校准和/或调整用于液体的分析装置的方法中,在该情况下与测量过程相关的校准和/或调整使得测量过程中没有长的中断成为可能,通过混合至少两种标准溶液(11,14)得到参考液体的预定浓度,该标准溶液中包含不同浓度的化学物质。

标签:
化学分析
其他 - 其他 来源:中冶有色网 2023-03-19
用于确定液体试样的化学需氧量的方法和分析仪

本发明涉及一种用于确定液体试样的化学需氧量的方法和分析仪。本发明描述了用于借助自动分析仪来确定液体试样的化学需氧量的方法,其中,该方法包括:-向液体试样增添预定量的试剂,用以掩蔽氯化物或者将氯化物从液体试样中分离;-随后确定液体试样的化学需氧量;其特征在于,分析仪的评估和控制装置借助至少一个代表液体试样的氯化物含量的测量值弄清试剂的预定量。本发明还描述了一种适用于执行该方法的分析仪。

标签:
化学分析
其他 - 其他 来源:中冶有色网 2023-03-19
用于确定分析物中是否存在化学元素的质谱法

本发明涉及一种用于确定(预测)分析物中是否存在化学元素的质谱法,其为降低对分析物注释化学式的复杂性而提供有价值的信息。该方法基于将分析物的测量的同位素模式表示为特征向量,并且使用机器学习算法(如,支持向量机(SVM)或人工神经网络(NN))将特征向量分配到存在/不存在的分类。

标签:
化学分析
其他 - 其他 来源:中冶有色网 2023-03-19
过程分析仪器
过程分析仪器 984     
 0

一种过程分析仪器,包括测量电池和分析器电路。测量电池包括被配置用来暴露于过程气体的固态电化学氧传感器。分析器电路耦合到固态电化学传感器以测量固态电化学传感器的电参数并且提供指示过程气体中的氧的输出。直流偏置电路被配置为当固态电化学传感器处在还原环境时,选择性地使用直流电对固态电化学传感器进行偏置。

标签:
化学分析
其他 - 其他 来源:中冶有色网 2023-03-19
使用金刚石电极的电化学沉积和光谱分析方法和设备

一种分析溶液中的化学物质的方法,所述方法包括:提供包括由导电金刚石材料形成的第一电极(2)和第二电极(4)的电化学沉积设备;将所述第一电极定位为与待分析的溶液(8)接触并将所述第二电极定位为与待分析的溶液电接触;在第一电极和第二电极(2,4)之间施加电位差,使得电流在第一电极和第二电极之间流过待分析的溶液,并且将化学物质从溶液电沉积到所述第一电极上;对电沉积在所述第一电极上的化学物质(Ml,M2,M3)应用光谱分析技术来产生关于电沉积在所述第一电极上的化学物质的光谱数据;以及利用所述光谱数据来确定电沉积在所述第一电极上的化学物质的类型。可以基于X射线、荧光X射线或γ射线的所述光谱分析技术与在所述第一电极上进行的溶出伏安测量结合使用。所述光谱数据还可以用于原位校准数据,以便校准使用参考电位的伏安测量结果。

标签:
化学分析
其他 - 其他 来源:中冶有色网 2023-03-19
电化学定量分析系统及方法

一种电化学定量分析系统,包含一量测装置,具有多个分析模式,每个分析模式用以分析不同的生化物质。此系统更包含多个试片,每个试片具有不同的辨识元件分别对应每个分析模式,其中当选择该多个试片的其中之一电连接至该量测装置时,该量测装置依据所选定试片的辨识元件执行对应的分析模式,以定量分析所对应的生化物质。

标签:
化学分析
其他 - 其他 来源:中冶有色网 2023-03-19
用于快速电化学分析的方法和仪器

公开了用于通过电化学方法确定生理样品中的分析物的浓度值的方法和仪器。该方法包括使用测试条,在所述测试条中,通过和电化学测试条电连接的表测量两个时间-电流瞬态。从时间-电流瞬态推导积分电流值并将其用于分析物浓度的计算。

标签:
化学分析
其他 - 其他 来源:中冶有色网 2023-03-19
化学分析装置、其注入方法及稀释杯

本发明的稀释杯,备有:相对于重力方向从底侧向上侧行进而垂直于重力方向的断面变大的内面;位于前述内面的上侧的注入被检试样的注入口;设置在前述内面的底侧,输出前述试剂,使前述被检试样和试剂形成旋涡状的上升流的输出口;位于前述内面的底侧的排出口。另外,本发明的化学分析装置,具有:混合被检试样和试剂的容器;将前述试剂注入容器内的第1构件;将前述被检试样注入容器中的第2构件;控制被检试样和试剂的注入,使之从第1构件中注入前述试剂后,从第2构件中注入被检试样,从第1构件中注入试剂的控制器。

标签:
化学分析
其他 - 其他 来源:中冶有色网 2023-03-19
用于工业过程控制的化学分析仪

一种用于工业化学过程的测量的光学设备。该分析仪使用拉曼散射,并且执行连续或批量过程中的化学浓度的测量。分析仪在距分析物的一定间隔距离处进行操作,并且可通过光学端口来测量浓度,帮助连续无损或无创分析而无需从过程提取分析物。分析仪可测量一个或若干固体、液体或气体分析物或者它们的组合。

标签:
化学分析
其他 - 其他 来源:中冶有色网 2023-03-19
生物化学分析技术
生物化学分析技术 731     
 0

提供了用于确定测试样本中的被分析物的生物化学分析设备和生物化学分析方法。在该技术中,生物化学分析设备包括:用于接收测试样本的样本港、用于探测测试样本并生成传感器数据的至少一个传感器以及处理器。传感器数据与测试样本中的被分析物相对应。处理器接收来自传感器的传感器数据并且为了这样接收的传感器数据选择非线性函数。随后,处理器将所选择的非线性函数拟合到传感器数据。最终处理器将已拟合的非线性函数与参考数据进行比较来确定测试样本中的被分析物。

标签:
化学分析
其他 - 其他 来源:中冶有色网 2023-03-19
非侵入性分析骨组织的结构和化学成分并能消除周围组织的影响的方法和装置

本发明提供了一种非侵入性分析骨组织的结构和化学成分并能消除周围组织的影响的方法和装置。该方法在于使用接触被分析的骨骼(优选长骨)周围的组织放置的至少四个电极(1、2、3、4、5、6、7、8)的系统,使用屏蔽电极(7、8)建立屏蔽电位分布。测量电流注入电极(1、2)迫使测量电流穿过被分析的骨骼的内部。同时,屏蔽电极(7、8)使穿过被分析的骨骼周围的组织的测量电流几乎降低到零。然后,测量测量电流注入电极(1、2)的测量电流和电位,以及测量电流注入电极(1、2)与测量电流之间的相位差。基于测得的电气值,评价骨组织的结构和化学成分。

标签:
化学分析
其他 - 其他 来源:中冶有色网 2023-03-19
用于流体的化学分析的方法和设备

用于电化学流体分析的设备和方法包括:腔体(1202),具有用于容纳一定体积的受测试流体的深度维度;第一和第二电极(A1),布置在腔体内且沿着深度维度按彼此分隔方式延伸;以及可溶性固体,诸如经退火的聚合物例如EUDRAGIT,占据第一和第二电极之间的横向间隙。由电化学阻抗谱(EIS)监测的可溶性固体在流体内的溶解速率依赖于存在于流体中溶液内的相应分析物的化学浓度。在一个实施例中,限定上缘的硅基集成电路装置包括沿着所述上缘布置的电极阵列,以允许将电极阵列直接暴露于受测试流体。该装置使用CMOS技术来构建。

标签:
化学分析
其他 - 其他 来源:中冶有色网 2023-03-19
用于目视检测条的化学计时器

一种用于直接读数的试剂检测条的化学计时器在涂上生物体液之后预定的时间变色。该检测条测量生物体液中被分析物的浓度。计时器是一干燥涂层,其组成为一种指示剂、一种水合后能与葡萄糖反应使指示剂变色的含酶试剂、一种抑制指示剂变色的抑制剂、葡萄糖、且可选一种不与试剂中的酶反应的醛糖。优选在涂层中含过量的试剂与葡萄糖,而且计时器变色所需的时间能由抑制剂浓度控制。醛糖使计时器稳定,很可能是通过干扰干燥状态下葡萄糖的糖基化反应而发挥其作用的。

标签:
化学分析
其他 - 其他 来源:中冶有色网 2023-03-19
直接分析植物组织切片化学成分的方法

本发明一种直接分析植物组织切片化学成分的方法,涉及化学成分分析技术,包括步骤:S1、将待检植物切成10-20ΜM厚的切片,取一片切片放到基质辅助激光解析飞行时间质谱仪的靶上;S2、配制基质溶液;S3、用移液器将基质溶液加到植物组织切片上;S4、将靶和点有基质溶液的组织切片,放到真空干燥器中干燥;S5、将干燥后的靶和待检植物组织切片,直接放入基质辅助激光解析电离-飞行时间质谱仪进行分析,即得到植物切片所含化学成分的信息。本发明的分析方法快捷,方便,高效,全面,无需样品化学处理,避免了传统样品处理和分析方法耗时长,微量成分难于分析,可能破坏化学成分的缺点。

标签:
化学分析
其他 - 其他 来源:中冶有色网 2023-03-19
用于生物或化学分析的分析芯片、处理流体的装置及方法

公开了具有基底(2)和包括柱(20(A,B))的样品结构(25(A,B))的测试仪器,基底(22)是非样品表面。

标签:
化学分析
其他 - 其他 来源:中冶有色网 2023-03-19
用于多指标参数检测的电化学测试条及检测方法

本发明提供了一种用于多指标参数检测的电化学测试条,包括设有绝缘基板、第一电极系统、第一通道形成层、第一上盖层的第一生物传感器,和设有绝缘基板,第二电极系统、第二通道形成层、第二上盖的第二生物传感器,所述第一生物传感器和第二生物传感器分别位于电化学测试条的正反两面,所述电化学测试条的加样口分别与第一生物传感器的第一通道形成区和第二生物传感器的第二通道形成区连通。本发明通过利用一个电化学测试条正反两面可以同时测试生物样本中的至少两种指标。

标签:
化学分析
其他 - 其他 来源:中冶有色网 2023-03-19
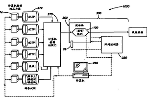
电化学分析模拟装置
电化学分析模拟装置 1149     
 0

本发明公开一种电化学分析模拟装置至少包含输入单元、处理单元、显示单元及电力供应单元。其中,输入单元读取可替换式计数芯片中预先烧入的执行程序;处理单元电性连接输入单元,并且依据执行程序对样本的检测讯号进行处理以产生检测结果;显示单元电性连接处理单元以显示检测结果;以及电力供应单元电性连接处理单元及显示单元,以提供处理单元及显示单元所需的电力。

标签:
化学分析
其他 - 其他 来源:中冶有色网 2023-03-19
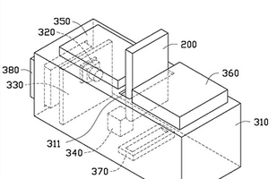
对样品成像用于生物或化学分析的方法、载体组件和系统

本申请涉及对样品成像用于生物或化学分析的方法、载体组件和系统。方法包括将第一载体组件定位在系统台上。第一载体组件包括支撑框架,其具有限定支撑框架的窗口的内框架边缘。第一载体组件包括位于窗口内并被内框架边缘包围的第一基底。第一基底具有在其上的样品。该方法包括检测来自第一基底的样品的光信号。该方法还包括用系统台上的第二载体组件替换系统台上的第一载体组件。第二载体组件包括支撑框架和由支撑框架保持的接装板。第二载体组件具有由接装板保持的第二基底,第二基底具有在其上的样品。该方法还包括检测来自第二基底的样品的光信号。

标签:
化学分析
其他 - 其他 来源:中冶有色网 2023-03-19
手持化学检测装置及应用于该化学检测装置的试片

本发明揭示一种用于检测化学成分的手持化学检测装置及试片,可应用于药品、毒品检测或食品安全检测领域。本发明试片可包括若干试纸承载于一试片基板,及一用于储存检体之容器,该若干试纸可分别与若干化学成分反应并产生光学特性变化。本发明手持化学检测装置,可通过壳体之开口接收本发明试片,并经由壳体内侧的光学传感器、分析模块感测、分析该试片的光学感测信息,据此判断试片中的试纸是否与检体发生化学反应,即检体内是否包含特定化学成分。

标签:
化学分析
其他 - 其他 来源:中冶有色网 2023-03-19
用于水性介质中进行分析的基于由共轭聚合物功能化的碳纳米管的化学传感器

本发明涉及支持化学探针的共轭聚合物及其用于制备基于碳纳米管的化学传感器的用途,该化学传感器允许选择性检测水中的分析物。

标签:
化学分析
其他 - 其他 来源:中冶有色网 2023-03-19
上一页 238 239 240 241 242 ... 252 下一页
共252页    到第

中冶有色为您提供最新的其他有色金属分析检测技术理论与应用信息,涵盖发明专利、权利要求、说明书、技术领域、背景技术、实用新型内容及具体实施方式等有色技术内容。打造最具专业性的有色金属技术理论与应用平台!

全国热门有色金属设备推荐
展开更多 +
全国热门有色金属技术推荐
展开更多 +

 

江西省隆恩特环保设备有限公司
宣传

报名参会
更多+

报告下载

有色专家
更多+

武汉理工大学
副主任/研究员
中国矿业大学(北京)
院长/教授
江西理工大学
教授
中国矿业大学
副院长/教授
西安建筑科技大学
院长/教授
赤泥综合利用研究报告2025
推广

热门技术
更多+

推荐企业
更多+

福建省金龙稀土股份有限公司
宣传

发布

在线客服

公众号

电话

顶部
咨询电话:
010-88793500-807